千禧开机号试机号关注号金码杀码_于海滨海3d预测保真_3d楚人今晚预测今天_3d今晚最准专家推荐号_3d精准一注推荐总汇,3d今天最新最准专家预测最_3d专家专家预测汇总_绝杀六码3d之家_3d技巧:公式定独胆_3d分析预测 ,太湖字谜钓叟3d字谜_3d今天专家预测推荐号码_3d今天专家推荐号码_3d推荐号今晚专家预测最准确_下一期可能中奖号码推荐 ,3d杀码大全天齐网_《天才计划》三天计划独胆_3d独胆王独胆预测_3d开机号今天试机号100期表_千禧今天3d试机号码开机号

振動篩

振動篩12年生產廠家

過濾,除雜,分級

聯系方式
振動篩 > 產品中心 > Φ800型振動篩

Φ800型振動篩

型號:Φ800型振動篩

篩分直徑(mm):750

入料度(r/min):1440

電壓(v):0.55

功率(kw):0.55

處理量(kg/h):800

廠家微信

廠家直銷
一對一指導
上門安裝
質保1年

全國統一銷售熱線 0373-2682 333

免費獲取報價

Φ800型振動篩

Φ800型振動篩概述:

  DH-800-2S振動篩為800mm直徑兩層三個出料口不銹鋼振動篩,子母雙層網分離式網架,與物料接觸部分為304不銹鋼材質,底座為碳鋼材質。

800型振動篩

  關于“振動篩”:這個名稱是所有振動篩分設備類產品的總稱,確切點講這種圓形的振動篩根據國家相關標準叫“旋振篩”,由于其振動運轉原理很多企業也稱之為“三次元振動篩分過濾機”。

800型振動篩

Φ800型振動篩細節展示:

振動篩細節

Φ800型振動篩特點:

振動篩特點

  ☆ 效率高、設計精巧耐用,粉類、粘液均可篩分。

  ☆ 換網容易、操作簡單、清洗方便。

  ☆ 網孔不堵塞、粉末不飛揚、可篩至400目或0.028mm。

  ☆ 雜質、粗料自動排出,可以連續作業。

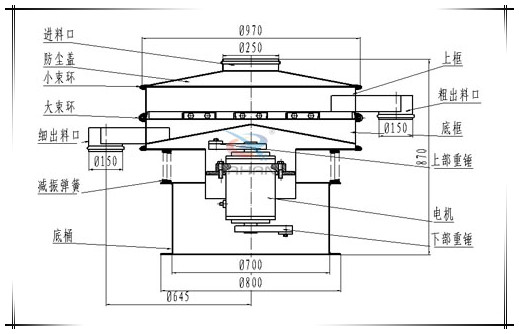
Φ800型振動篩外形尺寸:

800-2S全不銹鋼振動篩

Φ800型振動篩技術參數:

800-2S全不銹鋼振動篩技術參數

Φ800型振動篩工作原理:

800-2S全不銹鋼振動篩工作原理

  振動篩用與原理:基本原理由直立式振動電機作為激振源,電機上、下兩端安裝有偏心重錘,將電機的旋轉運動轉變為水平、垂直、傾斜的三次元運動,再把這個運動傳遞給篩面。調節上、下兩端的相位角,可以改變物料在篩面上的運動軌跡。

Φ800型振動篩適用行業:

800-2S全不銹鋼振動篩適用行業

  化工行業:樹脂、涂料、工業藥品、化妝品、油漆、中藥粉等。

  食品行業:糖粉、淀粉、食鹽、米粉、奶粉、豆漿、蛋粉、醬油、果汁等。

  金屬、冶金礦業:鋁粉、鉛粉、銅粉、礦石、合金粉、焊條粉末、二氧化錳、電解銅粉、電磁性材料、研磨粉、耐火材料、高嶺土、石灰、氧化鋁、重質碳酸鈣、石英砂等。

  公害處理:廢油、廢水、染整廢水、助劑、活性碳等。

Φ800型振動篩發貨圖片:

800-2S全不銹鋼振動篩發貨

售后服務:

  1.保修期內非因操作不當造成需要更換的零配件及設備由我廠負責包修、包換。

  2.質量保證期結束后,我廠將繼續免費提供售后服務,不限年份終身服務,僅收取零部件成本費,免收人工費,免收維修費。

服務承諾:

  為了向您提供完善的售后服務,請將您的寶貴意見、建議及要求反饋給我廠。我們感謝貴單位使用我廠的產品,我廠建立有完整的營銷網絡及完善的售后服務體系,售后服務部已將您購買的產品建立了信息檔案。如果您購買的產品出現質量問題,我們將及時為您提供全方位的服務。

3d3d今晚预测 | 3d专家预测最准牛彩网 | 十拿九稳预测最准100% | 3d和值25点有哪几注 | 今晚牛彩网3d预测汇总 | 3d十大专家精准预测汇总 | 3d彩吧图库44462 | 排五开机号试机号今天查询 | 我是毒胆王,今晚独胆 | 3d杀码大全| 3d最新准专家预测 | 铁人真胆一句定三码3d字谜彩搜网 | 3d同期历史对比 | 3d开机号码试机号牛彩网 | 福彩3D独胆当天分析最新 | 3d预测专家推荐号码 | 3d双胆独胆非常非常 | 3d今晚预测最准确一注今天 | 今日3d杀码最新 | 3d独胆双胆专家预测网 | 3d组选中一注多少钱 | 3d杀码专家杀码 | 3d和值10有哪些号码 | 3d预测最准的专家预测 | 3d今天专家预测推荐号码 | 3d预测今晚最准专家预测号码 | 福彩3D独胆团队必中 | 3D独胆大神杀号最新 | 3d财神爷独胆双胆双飞计划三天 | 于海滨今日杀码图 | 3d预测最准专家预测号码 | 福彩3D独胆高手预测 | 3d杀码想要 | 3d今晚预测准确的专家预测 | 今日3d太湖字谜三字诀试机号 | 今于海滨点评专家一语定胆 | 3d最准专家预测方法 | 3d今晚专家预测重点号码 | 今日3d正版藏机图 | 马后炮解3d字谜 | 3d今晚最准最新专家推荐号 | 3d和值尾振幅走势图50期 | 3d预测专家最准确的专家预测昨天 | 3d十大专家汇总精选一注 | 3d专家预测最准确今天上一期 | 最准3d预测专家推荐号 | 3d今晚和值推荐 | 太湖字谜钓叟3d字谜 | 3D独胆下一期精准预测 | 3d今天开机号和试机号码727 | 3d中间最小两码差值振幅走势图 | 3d藏机诗藏机图天中图库 | 3d双飞怎么买多少钱一注 | 3d专家今天推荐号 | 3d跨度五行走势图3d之家 | 3d试机号后专家推荐汇总 | 3d十大专家推荐号码汇总 | 3d今天专家预测最准确 | 3d直选至今未出号 | 3d布衣独胆双胆必下一 | 3d今晚开奖号码结果是多少 | 十拿九稳的最新预测 | 3d十大专家双胆预测汇总 | 3d双胆最准100%| 天齐网3d杀码大全 | 3d金银胆神双胆 | 3d 今日太湖字谜 | 3d预测最准确最新 | 3d和值基本走势图 | 3d试机号开机号今天晚上金码号 | 3d财神爷独胆双胆双飞计划三天 | 预测3d今晚开奖号 | 3d预测推荐汇总大全 | 3d专家预测汇总牛彩网 | 3d北斗专家北斗预测今天079期3d | 3d太湖字谜汇总今天 | 3d今天开机号试机号码查询 | 3d双胆独胆非常非常稳定 | 3d专家预测号 | 今日精准预测推荐3d号码 | 3d十大专家汇总大全 | 3d八哥图库总汇d字谜图谜总汇大全 | 3d杀码大全 天齐网 于海滨3d最新预测 千禧3d试机号金码关注码对应码今晚 | 3d字谜总汇今日3d字谜总汇牛彩网 | 三d独胆王独胆双胆 | 3d独胆必下一个胆 | 太湖钓叟排三字诀字谜 | 今于海滨一语定胆保真今天 | 今晚3d预测最准一注 | 3d今晚专家预测重点号码 | 3d太湖钓叟字谜三字诀 | 千禧试机号金码关注号对应码杀码 | 詹天佑最新预测3d | 中国福彩3D独胆专家推荐最新 | 今天3d开机号 和试机号 查询结果 | 近300期3d和值走势图 | 辉煌看胆双胆3d | 3d今晚最稳一注 | 于海滨今日杀码图最新 | 十大专家3d预测汇总 | 3d专家今天推荐号 | 3d太湖钓叟字谜三字诀了3d开奖 | 3d今晚最准专家预测号码145 | 3d双胆独胆推荐 | 3d太湖一语定胆字谜 | 3d十位走势图带连线图表专业版 | 3d杀码图谜_专区杀码 | 3d专家预测最准确最新今天牛彩 | 3d十大专家预测汇总 | 3d中奖 | 小德3d今天双胆定位 | 3d预测专家最准确今天 | 于海滨海3d预测牛彩网 | 3d个位走势图表 | 3d预测分析 | 3d专家预测最准确最新汇总对应码 | 3d今晚开奖号多少 | 3d今天绕胆图彩之网 | 牛彩预测汇总3d最新 | 今日精准预测推荐3d号码 | 3d专家预测号码手机牛彩网 | 于海滨杀码今天最新版 | 3d今晚专家预测推荐 | 3d预测专家精准推荐号 | 3d开机号和试机号今天全部 | 3d今晚专家预测推荐号 | 排五近100期开奖号结果 | 3d十个位差值振幅走势图3d之家 | 3d试机号今天晚上金码92期 | 今晚3d专家推荐 | 3d最准确的专家预测 | 今日3d专家预测号最准确 | 3d预测专家最准确的专家预测今晚 | 【福星】3d单挑10注组 | 3d今晚必中一注一 | 千禧3试机号金码关注码金码 | 3d今天专家推荐号码 | 于海滨海3d预测牛彩网 | 于海滨3d预测今天 | 3d试机号今天开机号查询结果 | 3d预测詹天佑 | 今日太湖钓叟三字诀字谜 | 3d预测今晚最准专家预测号码 | 3d爱心角落试后一注 | 福彩3D独胆独家预测最新 | 小林3d最新预测今天 | 3d最精准的专家预测 | 于海滨点评专家一语定胆保真版 | 3d恋预测今晚预测是哪里出的 | 3d百位遗漏振幅走势图南方双彩网 | 3d千禧试机号金码关注码对应码 | 高手看3d经典独胆组合 | 3d十大专家精准预测汇总 | 3d今晚预测直选一注3d一注预测 | 排五近100期开奖号结果 | 3d试机号后专家预测推荐汇总 | 于海滨一语点评今日 | 精准3d独胆 | 钱多多3d百位定独胆 | 3d推荐号今晚专家预测最准确 | 3d专家预测汇总牛彩网彩摘收集 | 今天3d开机号和试机号码结果查询 | 3d试机号近30期牛彩网 | 3d十大专家双胆预测汇总 | 最准3d预测专家推荐号 | 3d最新预测专家推荐 | 3d预测最准最新牛彩网 | 马到成功杀两码最新版本更新内容 | 3d专家预测推荐最新 | 3d今天单挑50信 | 今日精准预测推荐3d号码 | 3d预测最准确专家预测 | 于海滨海独胆预测 | 3d今天开机号和试机号是多少 | 于海滨海3d预测保真 | 中国福彩3D独胆今日精准预测 | 3d十大专家双胆预测汇总 | 今日3d专家预测号码推荐 | 今日精准预测推荐3d号码 | 3d精准预测 | 3d直选综合走势图 | 3d最精准一注 | 3d独胆双胆专家预测网 | 3d定和值公式 | 3d专家预测最准确最新新闻 | 3d太湖钓叟字谜三字诀乐彩论坛 | 中国福彩3D独胆下期推荐杀号最新 | 3d今日预测最准专家预测 | 3d双胆下一 | 今日3d开机号和试机号关注码千禧 | 3D独胆明日推荐最新 | 3d钱王老头给胆点评 | 3d今晚上必出号推荐组 | 3d最准确最新专家预测 | 3d下期预测最准一注 | 杀码王杀码 | 3d开机号和试机号今天多少 | 3d最准确最新专家预测 | 今天最新3d开机号试机号关注码 | 3d百位十位个位走势图 | 3d精准预测 | 3d和值尾遗漏走势图 | 3d和值尾振幅走势图近100期 | 毒胆牛人三天计划今天 | 北斗3d今日专家预测推荐 | 3d推荐号今晚专家预测最准确 | 机选一注3d | 3d平均值走势图振幅3d之家 | 中国福彩3D独胆独家必中最新 | 排三王牌小哥独胆 | 3d开机号,试机号,金码号,对应码100 | 3d今晚必中一注一 | 3d预测专家精准推荐 | 3d绝杀一码专家 | 3d孔方来萃解太湖字谜 | 3d杀码百位十位个位 | 3d今天开机号试机号金码关注号 | 詹天佑3d最新预测今天 | 3d试机号近10期彩经网 | 3d预测专家推荐最准确 | 3d基本走势图 综合 太湖三字诀字谜三 | 今日3d一句定三码和值谜食物全部 | 今天晚上三d开奖结果 | 3d试机号今天晚上金码92期 | 今晚3d直选推荐 | 3d专家推荐号码 | 于海滨3d杀码 | 3d预测专家最准确 | 3d基本走势结果 | 3d开奖号码近50期 | 牛彩网3d专家预测汇总摘要 | 3d千禧试机号关注金码30期 | 3d预测今日最新推荐 | 3d基本走势图表新浪网 | 老炮子3d直选三注 | 3d号码预测| (暴富密码)绝杀两码预测 | 3d预测号码最准确专家预测 | 3d今晚预测开奖号码 | 3d八哥图库总汇d字谜图谜总汇大全 | 3D独胆专家精准预测最新 | 中国福彩3D独胆下期分析最新 | 3d陈华今晚就赌一胆天齐网 | 3d最准专家预测方法 | 3d开机号和试机号今天 今晚 | 3d预测总汇 | 福彩3D独胆大神精准预测 | 今天专家推荐号码3d | 3d个位走势图图表 | 3d预测 下一期 3d预测专家 3d预测 | 排三杀码专家 | 今晚的3d试机号是多少 | 3d天地杀码图| 3d今晚专家推荐号 | 3d预测最准确的专家预测软件 | 今日3d马后炮解太湖字谜 | 3d最新专家预测汇总大全 | 3d今日开机号和试机号及关注码 | 3d牛彩网字谜图谜汇总九 | 太湖谜3d太湖钓叟字谜 | 3d试机号后专家推荐汇总 | 3d最准的独胆, | 福体杀码王最新版本更新内容 | 唐龙点评每日一胆龙 | 3d最新专家预测汇总牛部长预测 | 55125预测汇总3d | 3d直选综合走势图表图 | 3d免费精准直选三注 | 3d上下五千年专家预测 | 今日3d太湖字谜更新 | 3d预测号专家预测 | 3d专家预测最准今天 | 3d今天专家预测号码 | 3d试后太湖一语定胆字谜 | 今天3d开机号试机号金码 | 3d字谜太湖最新 | 3d今晚惊天一注预测 | 3d预测最准确的专家预测软件 | 3d分析预测 | 3d今晚推荐号码最新 | 一定牛3d杀码 | 千禧p3试机号关注号金胆对应号 | 3d十大专家精准预测汇总 | 陈华今晚就赌一个胆今天最新更新内容 | 詹天佑3d今晚预测号码 | 十拿九稳预测 | 今晚3d专家预测精选一注 | 今天3d詹天佑预测分析 | 排五预测号专家 | 3d推荐号 | 3d独胆预测| 中国福彩3D独胆专家推荐最新 | 3d最大值走势图彩经网 | 今晚3d开奖号试机号 | 3d今天专家预测最准确 | 3d最新基本走势图表 | 太湖3d字谜图谜总汇 | 3d号码预测 | 2012099期3d开奖结果 | 3d太湖老情人字谜图谜 | 3d今天的推荐号 | 3d今晚和值推荐 | 三地千禧开机号试机号金码关注 | 3d谜语解太湖字谜 | 三七进二得三码猜一生肖 | 太湖钓叟三字诀字谜解释总汇 | 3d太湖字谜总汇大全 每天更新 | 三d今日预测 | 于海滨最新3d预测今天 | 3d最近100期历史记录 | 排3藏机图正版藏机图今天 3d八哥图库总汇d字谜图谜总汇大全 | 正版真精华布衣天下今天推荐号码 | 3D独胆今晚预测 | 于海滨一语定胆专家点评 | 3d独胆双胆专家预测网 | 3d预测一注号推荐一3d预测一注今天 | 3d最新最准预测号码 | 3d绝杀一码绝杀 | 3d老虎独胆 | 3d推荐最新最准专家预测 | 3d专家预测最准确最新推荐号码 | 最准3d专家预测推荐 | 3d字太湖叟字谜 | 最准3d预测专家推荐号 | 牛彩网近30期3d开机号试机号 | 于海滨杀码图 | 3d今晚开奖结果号码是 | 3d预测专家最准确的专家预测今晚 | 3d最准确的专家预测 | 稳准狠三天计划 | 3d开机号试机号关注号金码对应码 | 预测今晚3d一注 | 3d专家预测最准确今天牛彩网 | 3d最新专家预测推荐 | 3d预测专家最准确的专家预测今晚 | 专家彩宝贝预测汇总 | 3d字谜总汇今日3d字谜总汇牛彩网 | 3d今天专家预测号码最准确 | 詹天佑3d最新消息今天 | 3d专家最新最准今天预测 | 3d最新准专家预测 | 3d今天专家预测号码 | 3d今晚推荐号 | 3d财神爷独胆双胆双飞计划三天 | 3d开心毒胆独胆王 | 3d今天开机号和试机号开奖结果 | 3d开机号和试机号今天金码关注号 | 3d最新最准专家预预测 | 钱王点评+钱王老头预测 | 3d今晚最准专家推荐号码 | 今晚3d专家推荐号码是多少 | 3d太湖字谜每天更新 | 3d独胆王定位独胆定位 | 3d千禧试机号关注码金码是什么 | 天齐网3d杀码大全 | 3d专家预测最准确今天牛彩网 | 财神爷三天计划独胆组合 | 3d开机号和试机号今天多少 | 陈华今晚3d赌一胆天齐网 | 3d千禧试机号金码关注码对应码 | 今天3d开机号 试机号是多少 | 3d断组预测 | 3d最准一个独胆毒胆 | 3d预测最准专家预测牛彩网 | 3d十大专家精准预测汇总 | 3d十大专家预测汇总 | 詹天佑3d今天最新预测 | 3d 试 机 号今晚 | 3d字谜总汇今日3d字谜总汇牛彩网 | 中国福彩3D独胆明日推荐 | 骄子铁鹰解3d字谜今日 | 最准3d专家预测推荐 | 3d历史今天开奖结果 | 今晚3d专家预测精选一注 | 3d预测总汇手机牛彩网 | 3d独胆是什么意思 | 马后炮解3d太湖字谜总汇大全 | 3d十位走势图彩经网 | 无敌胆王今日双胆 | 3d今天开机号试机号金码关注号 | 中国福彩3D独胆独家必中最新 | 3d老炮子直选三注 | 3d试机号开机号今天查询排五 | 3d预测专家推荐最准确 | 3d和值尾振幅走势图50期 | 3d推荐最新最准专家预测 | 3d詹天佑预测分析牛彩网 | 3d今晚最准专家预测号码145 | 今日3d藏机图正版藏机图310 | 3d预测最准最新准专家预测 | 3d专家独胆推荐 | 3d走势图和值振幅 | 3d北盟天机图藏机图 | 神仙姐姐杀尾 | 3d最准专家预测号 | 3d预测专家最准确的专家预测 | 中国福彩3D独胆实时必中最新 | 3d八哥图库总汇d字谜图谜总汇大全 | 3d今日开机号和试机号及关注码 | 今晚3d开奖号试机号 | 3d于海滨一语定胆今天 | 今日3d马后炮解太湖字谜 | 十拿九稳预测专家分析 | 3d牛彩网专家汇总汇总大全 | 3d专家今日推荐号码 | 今晚3d专家推荐号码是多少 | 3d和值尾走势图(专业版) | 铁人铁胆3d包星定位最新今天 | 今晚3d专家推荐号码是多少 | 马到成功杀两码最新版本更新内容 | 马后炮解3d太湖钓叟字谜总汇大全 | 3d专家今日推荐号码 | 今日精准预测推荐3d号码 | 福彩3D独胆大神必中最新 | 千禧3d试机号金码关注码对应码今晚 | 三d牛彩网开机号试机号是多少 | 3d今晚精准推荐一注 | 于海滨点评专家一语定胆保真版 | 廊坊鸿运3d推荐今天 | 3d通杀一码| 今晚3d独胆王 | 三d预测最准十专家预测今晚 | 3d十大专家汇总精选一注 | 3d专家詹詹天佑最新推荐 | 至尊计划王三天计划独胆 | 3d太湖一语定胆字谜论坛 | 3d杀码十大专家 | 3d预测一注号推荐 | 3d精准预测推荐 | 今晚3d开奖号走势图 | 三d走势图基本走势图彩宝网 | 于海滨3d杀码预测 | 3d太湖字谜总汇总(正版) | 3d今天开机号和试机号码727 | 3d百位个位和值走势图 | 今晚精准一注3d | 3d必下胆 | 3d独胆双胆天齐网 | 3d最新最准预测号码今天 | 詹天佑今天3d推荐 | 3d今晚必中一注一 | 3d预测专家推荐号码 | 福彩3D独胆下期最新分析 | 3d今晚最准最新专家推荐号 | 今晚3d开奖号码多少 | 中国福彩3D独胆内部杀号 | 3d北斗专家北斗预测今天079期3d | 万能6码走势图 | 3d小龙一句定三码今日字谜天中图 | 3d今天专家推荐号码推荐 | 今晚3d开奖号码多少 | 3d单选一注能中多少钱 | 精准3d独胆 | 3d今天专家预测号码最准确 | 3d今晚字谜太湖字谜是什么 | 今天3d开机号试机号对应码列表 | 3d詹天佑最新预测今天 | 开心笨小孩3d独胆 | 3d圣手字谜图谜 | 今晚开奖号码3d开奖结果 | 3d近300期试机号和开奖号码 | 3d预测专家最准确的专家预测今晚 | 3d同期历史对比 | 3d独胆必下一独胆3d独胆预测 | 千禧3d试机号金码关注码码关注码双彩论六个 | 今晚3d直选推荐 | 今于海滨3d预测彩吧图 | 今晚精准一注3d | 3d胆拖价格表 | 三d开机号和试机号今天牛彩网彩 | 3d必中直选| 3d专家预测最准确最新今晚预测号 | 3d今天开机号和试机号码300 | 3d之家预测专家预测 | 3d彩界元宝就看一个独胆 | 3d独胆之家| 3d预测今晚最准专家预测号码 | 今于海滨3d预测今天牛彩网 | 3d买一个独胆中了得多少钱 | 今天最新3d开机号试机号 | 3d今晚试机号牛彩网 | 3d太湖字谜大全 太湖钓叟 | 三d的试机号是多少今天 | 今于海滨3d杀码 | 千禧3d试机号金码今天关注码对应码 | 3d预测今晚推荐号 | 今天3d开机号试机号牛彩网 | 3d陈华今晚独胆推荐 | 3d预测一注号推荐今晚 | 今日排三太湖钓叟字谜三字诀 | 独胆计划王 | 3d推荐号今晚专家预测 | 天齐网专家杀码大全 | 于海滨3d最新预测 | 3d通辽独胆王今天 | 卫星电话最建议买的三个型号 | 3d专家预测号码最准确 | 福彩3D独胆大神精准预测 | 3d独胆专家预测 | 3d预测专家准确推荐 | 3d下期预测最精准的一注号码 | 3D独胆本期预测最新 | 彩吧17500论坛 | 自创3d绝杀四码方法细节 | 中国福彩3D独胆最新走势 | 今天3d开机号 试机号是多少 | 3d今天专家预测推荐号码 | 3d专家预测最准确最新今天牛彩 | 3d和值走势图彩宝网 | 3d北斗专家北斗预测今天079期3d | 于海滨专家一语定胆十好心人 | 3d预测专家最准确的专家预测昨天 | 于海滨海3d预测牛彩网 | 3d于海滨专家预测 | 3d独胆双胆专家预测网 | 祖师爷独胆三天计划 | 一名将3d双胆预测 | 3d今天开机号试机号牛彩网 | 3d预测最准确专家预测 | 3d天中杀码图专区 | 排五近100期开奖号结果 | 3d开奖结果今晚号码 | 于海滨专家3d预测 | 3d预测最准专家预测号 | 3d专家预测今天最新准确号 | 3d今天试机号开机号关系 | 3d静态版预测静态版 | 3D独胆团队命中率最新 | 3d跨走势图带连线走势图 | 于海滨点评专家一注定胆保真版162期 | 3d最精准的专家预测 | 3d预测专家最准确的专家预测今晚 | 3d字谜太湖钓叟三字诀17500 | 天齐藏机图汇总正版藏机图 | 3d今晚预测直选一注3d一注预测 | 千禧3d今晚的试机号码 | 今晚解太湖3d字谜 | 3d预测最新最准3d之家 | 福彩3D独胆下期推荐必中 | 3d今天最新最准专家预测最 | 3d定和值公式 | 3d最精准的专家预测 | 齐彩网3d专家预测 | 了3d开奖结果 今天晚上 | 3d詹天佑最新预测牛彩网 | 3d预测专家最准确的专家预测今晚 | 中国福彩3D独胆最新推荐最新 | 3d专家预测推荐 | 3d走势图基本走势图 | 3d专家预测最准确最新今天牛彩 | 铁人铁胆定位包星 | 3d最准专家预测方法 | 于海滨最新3d预测今天 | 3d今天绕胆图彩之网 | 3d预测专家最准确的专家预测今晚 | 3d楚人今晚预测今天 | 独胆三天计划 | 3d各类和值最新谜字谜今天 | 3d预测今日最新推荐 | 开心笨小孩3d独胆 | 3d今晚字谜太湖字谜是什么 | 3d试机号后专家预测汇总 | 3d今天专家推荐号码 | 3d 今天 试机号开机号3 | 7号电池最建议买的三个型号 | 3d马前屁解太湖字谜 | 3d字谜太湖最新 | 3d今晚最准三注 | 3d太湖钓叟字谜汇总正版藏机图 | 小财神三天计划独胆 | 中国福彩3D独胆下期推荐推荐最新 | 3d牛彩网今天开机号试机号 | 3d今天专家预测最准 | 3d今晚预测100% | 3d今晚上专家推荐号 | 3d基本走势图表完整版 | 3d双胆最准100% | 3d詹天佑最新预测今天 | 詹天佑3d预测推荐 | 3d十大专家精准预测 | 3d走势图带连线牛彩网 | 3d陈华就赌一个胆天齐网 | 孟庆会老师3d分析预测 | 大师诸葛亮今晚一个独胆 | 三d推荐号专家预测今天 | 3d今晚开奖结果号码是 | 詹天佑3d今日推荐 | 3d小差振幅走势图表图 | 3d直选一注多少钱 | 今日3d专家推荐号码 | 3d字谜总汇今日3d字谜总汇牛彩网 | 今日太湖字谜3d字谜太湖钓叟 | 3d预测专家推荐最准确 | 詹天佑3d预测| 3d太湖字太湖字谜 | 3d北斗专家北斗预测今天079期3d | 3d今天试机号和开机号 | 今天的3d开机号和试机号查询 | 六鬼神算图3d谜图 | 詹天佑3d最新预测今天 | 3d专家预测最准最新今天 | 北斗3d今日专家预测推荐 | 3d和值专家推荐和值 | 3D独胆下期最新精准预测 | 3D独胆实时推荐最新 | 机选一注3d| 于海滨专家3d今天预测 | 3d各路专家预测汇总大全最新 | 3d盐都三胆家彩网 | 3d预测最准确专家 | 3d彩宝网开机号和试机号 | 3d号码预测和推荐号今天 | 3d最准专家预测方法 | 3d和值基本走势图表 | 3d和值尾遗漏走势图 | 于海滨一语定胆 | 3d开机号和试机号八仙选号 | 3d开机号试机号30期列表彩宝网 | 今于海滨3d杀码图 | 3d今日推荐号 | 铁人铁胆3d包星定位最新今天 | 3d预测最准的专家 | 3d精准预测最准的专家 | 3d专家最新最准专家预测汇总 | 3d三天计划独胆王 | 千禧试机号金码关注码的历史记录 | 3d专家预测汇总 | 3d今天开机号和试机号码300 | 3d专家最准确预测 | 今日3d藏机图正版藏机图134 | 3d免费专家预测推荐今天最新 | 3d直选一注50倍单挑 | 3d预测专家精准推荐号 | 3d今天预测最准 | 3d最新基本走势图表 | 3d之家独胆,双胆 | 三d预测专家最新推荐 | 3d专家预测最新 | 3d今天开机号试机号金码关注号 | 3d今天预测号 | 张克永3d预测今天 | 今天三d专家推荐号码 | 今日正版3d藏机图汇总 预测 | 3d今晚试机号是多少查询 | 于海滨最新3d预测今天 | 牛彩网p3专家预测汇总 | 3d今晚开奖结果走势图 | 3d今晚出的什么号 | 千禧3d关注码 | 牛彩网预测3d | 3d专家预测号码推荐今天 | 中国福彩3D独胆下期最新必中 | 3d今天专家预测最新最准 | 3d最精准专家预测汇总今天 | 3d千禧试机号关注码金码今天晚 | 杀码是什么意思 | 3d专家预测最准确今天南方双彩网 | 3d最新专家预测汇总牛部长预测 | 3D独胆今晚命中率最新 | 天齐藏机图汇总正版藏机图 | 今晚3d专家推荐重点号码 | 于海滨海3d预测牛彩网 | 3d今晚试机号是多少查询 | 3d最准专家预测号 | 3d走势图(带连线版) 试机号 | 3d十位走势图带连线图表专业版 | 3d今晚专家预测最准确一注 | 3D独胆下期推荐走势最新 | 北斗3d今日专家预测推荐 | 3d专家预测号码推荐今天 | 3d双胆独胆非常非常 | 今晚3d的试机号是 | 于海滨3d专家预测今天 | 今日3d专家预测号码推荐 | 今天3d专家预测汇总 | 专家预测3d号码准确 | 今晚3d开奖号多少 | 一定牛3d杀码 | 杀码王杀码 | 于海滨点评专家一注定胆保真版162期 | 3d太湖专家预测今晚 | 3d今天开机号试机号码 | 3d所有走势图 | 助赢计划软件官网版下载 | 3d免费专家预测推荐今天最新 | 3d今晚精选预测一注 | 3d最准预测专家预测汇总 | 孟庆会3d预测今天 | 千禧3d试机号金码今天关注码对应码 | 今日3d预测 | 3d推荐号今晚专家预测最准确 | 中国福彩3D独胆下期推荐 | 唐龙一胆| 3d今晚预测最新最准确号码牛彩网 | 3d杀码公式最新 | 3d直选一注今天 | 3d最精准的专家预测 | 玩彩独胆王三天计划 | 3d预测最准的专家预测 | 3d今日热销号 | 3d詹天佑推荐号码 | 3d和值推算公式 | 毒胆| 今晚3d号码开奖结果多少 | 3d和值尾振幅走势图近50期 | 毒胆牛人三天计划今天 | 3d预测最准最新准专家预测 | 一定牛3d杀码 | 三d十拿九稳预测号码 | 3d专家推荐| 今日3d太湖字谜三字诀洞庭游侠 | 3d推荐最新最准专家预测 | 3d预测号码最准确专家预测 | 唐龙3d预测号 | 3d预测今晚最准专家预测号码 | 豪哥看3d定位 | 3d今天的推荐号 | 3d最准确预测专家 | 玩彩独胆王三天计划 | 3d十大专家精准预测汇总 | 3d精选号码推荐今天最新 | 钱王点评十钱王给胆下一期预测 | 廊坊鸿运3d推荐今天 | 3d和值尾振幅走势图带连线图表 | 于海滨最新3d预测今天 | 3d今晚惊天一注预测 | 3d精选号码推荐今天最新 | 3d和值尾振幅走势图200期 | 3d最精准的专家预测精选 | 3d基本走势图全部 | 于海滨3d预测牛彩网 | 3d双胆,独胆非常非常稳定 | 于海滨海3d杀码图 | 牛彩网3d预测 | 3d条件预测专家专区 | 3d预测最准最新准专家预测 | 3d最新专家预测汇总大全 | 3d预测专家预测 | 3d双胆最准100% | 3d杀码一定牛 | 马到成功杀两码最新版本更新内容 | 15选5预测最准十专家预测 | 排三今晚十拿九稳最新预测 | 3d今天推荐号码是多少 | 唐龙点评3d预测今天 | 3d今天试机号和开机号 | 3d詹天佑最新预测牛彩网 | 中国福彩3D独胆今晚走势最新 | 3d直选一注今天 | 3d跨度走势图图表 | 3d独胆必下一独胆 | 3d专家预测最准确今天南方双彩网 | 3d今晚最准专家预测号码 | 陈华今晚就赌一个胆预测 | 3d精准预测最准的专家 | 小红人的计划三天计划 | 3d预测号最新最准牛彩网 | 3d最准预测 | 今天3d开机号 试机号是多少 | 3d直选开奖结果 | 马后炮解3d太湖字谜总汇大全 | 3d预测今晚最新最准确 | 3d预测最准专家预测 | 3d和值尾振幅走势图50期 | 3D独胆下期推荐预测最新 | 3d最新专家预测推荐 | 福彩3D独胆明日推荐 | 今于海滨3d预测今天275 | 3d天宇和值谜字谜 | 3d晚间字谜总汇大全 | 3d免费精准直选三注 | 3d百位四胆 | 3d预测专家最准确 | 张克永专家3d预测 | 3d专家詹詹天佑最新推荐 | 3d今天专家预测号码最准确 | 3D独胆大神分析 | 今于海滨3d预测今天牛彩网 | 3d谜语字谜太湖天齐网 | 3d十大专家杀跨度汇总 | 3d专家预测最准确最新新闻 | 3d精选号码推荐今天最新 | 三d推荐号专家预测今天 | 3d直选走势图(专业版) | 3d今晚专家预测最准确一注 | 3d预测最准确的专家预测软件 | 3d牛彩图谜字谜总汇九 | 唐龙3d预测| 3d今晚最准一注 | 3d开机号和试机号金码今天的 | 中国福彩3D独胆内部走势最新 | 3d今天开机号和试机号码300 | 3d和值基本走势图 | 今天太湖字谜三字诀是什么 | 3d今晚十大专家预测汇总 | 3d今日预测最准专家预测 | 3d 今天 试机号开机号3 | 3d和值尾振幅走势图彩宝贝 | 北斗3d今日专家预测推荐 | 3d预测号专家预测 | 今日3d预测号码推荐 | 3d栋栋预测牛彩网 | 3d开机号今天牛彩网近30期 | 今天专家推荐号码3d | 于海滨3d预测牛彩网 | 十拿九稳预测专家分析 | 3地独胆,毒胆双胆家彩网 | 马后炮解今日太湖字谜三字诀 | 今天3d开机号试机号码 | 3d于海滨专家预测 | 3d今晚试机号是多少查询 | 太湖3d字谜太湖钓叟三字诀 | 今天3d太湖钓叟字谜三字诀 | 3预测,3d专家预测,最准确今天彩网 | 百位振幅走势图3d之家 | 试机号开机号金码关注号对应码3d | 于海滨点评专家一语保真 | 3d字谜汇总大全总汇大全 | 于海滨专家一语定胆十每日 | 3D独胆大神命中率最新 | 于海滨3d预测免费 | 6+1专家预测号 | 3d八哥图库总汇d字谜图谜总汇大全 | 于海滨3d预测号 | 3d今天专家预测号码最准确 | 今天的3d开机号试机号 | 太湖字谜马后炮3d总汇 | 3d专家预测推荐最新 | 3d的开机号试机号奖号表 | 3d布衣独胆双胆必下一 | 3d开机号和试机号金码关注 | 3d下期预测最精准的一注号码 | 3d专家预测最准确今天上一期 | 3d今晚专家预测最准确一注 | 3d最精准的专家预测 | 今晚快乐八专家预测推荐号 | 3d金银胆神双胆 | 3d今晚试机号开奖号 | 3d今晚最准的一注 | 3d预测最准确的专家预测软件 | 3d北斗专家北斗预测今天079期3d | 今日3d马后炮解太湖字谜 | 今天十拿九稳号码预测 | 3d预测最准专家预测号码 | 3d北斗专家北斗预测今天079期3d | 3d带专业连线走势图 | 3d布衣独胆王 | 3d开机号和试机号近100期列表 | 3d独胆怎么打 | 3d组选中一注多少钱 | 于海滨海3d专家预测今晚一注 | 3d今晚专家预测推荐号 | 于海滨海3d杀码图 | 于海滨专家预测3d两吗 | 陈华今晚就赌一个胆预测 | 3d北斗专家北斗预测今天079期3d | 于海滨点评专家一语定胆保真版 | 3d预测最新最准专家 | 3d预测最准专家预测号 | 3d杀码图天齐网 | 于海滨海3d预测保真 | 今天专家推荐号码3d | 3d专家预测最准最新今天 | 3d预测专家最准最新 | 今天的3d开机号试机号 | 3d今晚开奖号多少 | 3d预测今天最准预测号 | 3d字谜总汇图 | 3d今天最准专家预测 | 今天3d千禧试机号关注号金码号 | 3d预测专家精准推荐 | 3d预测专家最准确 | 于海滨最新预测今天 | 2014年359期3d焰舞字谜 | 今于海滨一语定胆保真今天 | 唐龙一胆今天最新 | 于海滨最新3d预测推荐今天 | 3d预测最准专家预测牛彩网 | 3d专家推荐最新预测 | 3d最全晚间字谜汇总大全 | 3d预测最新最准专家 | 3d真帝王杀码图 | 3d十位走势图振幅 | 看彩大亨看独胆双胆预测 | 3d独胆一个 | 3d于海滨今天预测保真 | 3d独胆双胆独胆3d之村 | 3d个位走势图表 | 3d独胆必下一独胆3d独胆预测 | 排五近100期开奖号结果 | 97654天中图库,今天晚3d试机号 | 3d专家预测最新最准 | 了3d开奖结果 今天晚上 | 3d跨度振幅走势图3d专家 | 3d专家预测最准确最新今天牛彩 | 3d预测最准确的专家预测软件 | 3d百位定位走势图 | 3d陈华今晚独胆预测 | 3d专家预测最准确最新新闻 | 3d独胆王定位独胆定位 | 小红人的计划三天计划独胆 | 3d带专业连线走势图 | 3d今天最准专家预测 | 今晚3d结果开奖号码 | 3d今晚十大专家预测汇总 | 今日3d专家推荐号码 | 3d推荐最新最准专家预测 | 3d今天开机号试机号100期 | 3d预测最准最新准专家预测号码 | 3d专家推荐号 | 3d百十和值尾振幅走势图 | 于海滨海3d专家预测今晚一注 | 今日3d开奖号今晚 | 3d直选至今未出号 | 3d杀码百位十位个位 | 3d预测专家推荐最新 | 3d今晚最准最新专家推荐号 | 今天的3d藏机图正版藏图 | 3d今晚必出一注100%准确直选推荐 | 3d今晚推荐号 | 财神爷三天计划 | 3d预测最准专家预测号码 | 今日钱王给胆点评 | 3d谜语今天字谜今天的3d字谜是什么? | 【福星】3d单挑10注组 | 3d今天开机号试机号码 | 3d基本走势图 综合 太湖三字诀字谜三 | 3d独胆双胆3d之家 | 3d两天独胆王 | 3d徐文轩今晚推荐号码 | 3d今日专家精准推荐号 | 3d藏机图完整版今天 | 今晚3d开奖结果是多少 | 福彩3D独胆当天分析最新 | 北斗3d专家预测 | 3d专家预测最准确最新汇总 | 3d今天专家预测最新最准 | 中国福彩3D独胆下期最新必中 | 3d今天预测最准确专家 | 福彩3D独胆老师精准预测 | 3d牛彩网专家预测汇总 | 3d阴阳走势图表图 | 三d预测汇总 | 千禧3试机号金码关注码金码 | 3d预测 下一期 3d预测专家 3d预测 | 3d专家预测最新推荐 | 钱多多3d百位定独胆 | 3d千禧开机号试机号关注金码 | 3d今晚开奖结果号码是 | 中国福彩3D独胆下期推荐推荐最新 | 3d独胆双胆专家预测网 | 3d选胆图近100期 | 3d预测一注推荐 | 3d最新专家预测推荐 | 千禧3d试机号关注码金码今天的 | 3d预测专家最准确 | 3d独胆高手 | 3d藏机诗藏机图天中图库 | 马后炮解今日太湖字谜三字诀 | 3d牛彩网试机号后专家预测汇总 | 今天3d金码试机号对应码开机号 | 3d最精准的专家预测 | 3d杀码专家杀码最精准 | 解3d字谜太湖钓叟汇总 | 今于海滨3d杀码 | 3d专家预测最新 | 今于海滨3d预测今天单线联系 | 今天专家推荐号码3d | 3D独胆大神杀号最新 | 3d预测最准最新准专家预测 | 中国福彩3D独胆今日走势最新 | 福彩3D独胆最新必中最新 | 今天3d专家推荐重点号码 | 3d直选一注50倍单挑 | 于海滨点评专家一语保真 | 今晚预测3d号 | 3d太湖钓叟字谜三字诀了3d开奖 | 今天3d专家解太湖字谜汇总 | 3d预测最准确的专家 | 3d推荐最新最准专家预测 | 牛彩网3d预测汇总 | 3d今晚专家推荐预测重点号码 | 3d詹天佑预测分析牛彩网 | 3d今晚预测准确的专家预测 | 今天太湖字谜3d字谜太湖钓叟 | 3D独胆下一期精准预测 | 3d于海滨预测预测牛彩网 | 藏机图3d正版总汇 | 3d推荐最新最准专家预测 | 排五开机号试机号今天查询 | 3d今晚上专家推荐号 | 3d今晚必中三个号码预测 | 3d十大专家推荐号码汇总 | 3d今晚专家预测推荐 | 3d专家最新最准专家预测汇总 | 下一期专家预测号码 | 最准杀码王p3 | 3d杀码大全 天齐网 于海滨3d最新预测 千禧3d试机号金码关注码对应码今晚 | 3d预测今日最新推荐 | 3d小红人三天计划 | 3d十大专家汇总精选一注 | 3d预测今晚最新最准确 | 今日3d开机号和试机号关注码千禧 | 今晚3d开机号试机号 | 三地千禧试机号关注金码对应码 | 3d今天专家推荐 | 3d和值谜汇总大全 | 3d今晚上专家推荐号 | 今日正版藏机图全部汇总 | 3d专家免费预测 | 3d玩彩老头预测今天号码 | 3d今晚专家预测重点号码 | 今晚3d开奖号多少 | 唐龙一胆今天最新 | 财神爷三天计划独胆组合 | 今晚3d专家推荐号码是多少 | 3D独胆大神杀号最新 | 3d今晚预测一注 | 3d预测最新最准专家推荐号码 | 唐龙点评每日一胆龙 | 3d专家预测最准确今天上一期 | 詹天佑3d最新预测今天 | 今晚3d太湖字谜 | 3d今晚预测最准确一注今天 | 3d今晚专家推荐预测重点号码 | 3d十大专家预测汇总 | 3d农村小伙子最新预测 | 3d试机号开机号今天最新 | 助赢计划软件免费版下载安装 | 唐龙一胆 | 詹天佑3d推荐 | 十拿九稳预测最准100% | 3d专家预测最准确最新今天牛彩 | 沈宝桢个人简历 | 排5预测,最准排五专家 | 太湖钓叟3d字谜太湖字 | 今晚3d必出号 | 3d今天专家预测最新最准 | 3d精准预测最准的专家 | 今于海滨点评专家一语定胆 | 今天3d出的什么号 | 3d的开机号试机号奖号表 | 3d最精准专家预测汇总今天 | 3d试机号开机号今天查询排五 | 龙彩居士3d预测今天最新版 | 3d试后太湖一语定胆字谜 | 3d专家预测最准确最新新闻 | 今日正版3d藏机图全部汇总 | 3d最精准的专家预测精选 | 3d专家预测推荐号码最准最新 | 专家推荐一注6+1 | 3d詹天佑最新预测 | 今天3d试机号开机号是什么 | 千禧3d试机号关注码金码列表 | 3d最准一注(单挑王) | 3d预测牛彩网预测汇总 | 3d今晚最准专家预测号码 | 于海滨3d专家预测 | 三d预测牛彩网汇总 | 3d今天专家推荐号码推荐 | 今晚3d开奖号试机号 | 十拿九稳预测分析 | 3d免费预测汇总牛彩网 | 3d开机号和试机号今天金码关注号 | 3d今天推荐号码是多少 | 中国福彩3D独胆老师分析最新 | 3d今晚最稳 | 福家老三3d推荐号 | 3d专家杀码天中图库 | 3d双胆独胆| 齐彩网3d专家预测 | 今天的3d开机号试机号 | 3d预测牛彩网预测汇总 | 3d千禧开号试机号关注金码对 | 3d盐都三胆家彩网 | 今晚3d开机号试机号 | 3d最新准专家预测 | 3d专家预测最准确今天上一期 | 3d今天晚上的开奖号码 | 排五开机号试机号今天查询 | 3d白娘子跨度字谜汇总今天牛彩网 | 3d独胆公式正确率在99%以上 | 3d今日号码推荐 | 3d今晚精选一注 | 3d今晚最准确一注 | 千禧开机号试机号关注号金码杀码 | 3d专家预测汇总 | 太湖钓叟3d字谜太湖字 | 于海滨海3d专家预测今晚一注 | 3D独胆独家推荐最新 | 3d最准预测专家推荐 | 3d直选走势图(专业版) | 今天的3d太湖字谜 | 3d千禧试机号金码关注码对应码 | 今天3d开机号 试机号是多少 | 骄子铁鹰解3d字谜今日 | 3d预测牛彩网预测汇总 | 毒胆牛人三天计划必出 | 顶级胆神双胆必下 | 3d陈华今晚就赌一胆今天最新消息 | 3d最准预测专家推荐 | 万能6码走势图 | 今于海滨3d预测今天牛彩网 | 3d孔方来萃解太湖字谜 | 3d牛彩网试机号后专家预测汇总 | 今日钱王给胆点评 | 今天3d太湖钓叟三字诀字谜 | 福彩3D独胆本期预测 | 十拿九稳预测专家分析 | 3d预测詹天佑最新 | 3d太湖老情人字谜图谜 | 3d预测最准确专家预测 | 3d今天预测最准确专家 | 3d最准预测专家推荐 | 今晚3d号码开奖结果多少 | 3d今晚惊天一注预测 | 3d专家预测最准确今天南方双彩网 | 3d和值和尾走势图带连线图表 | 3d太湖字谜每天更新 | 今天3d于海滨预测 | 3d最新最准专家预测号码 | 3d牛哄哄解太湖字谜今天 | 今日焰舞3d焰舞字谜汇总大全 | 3d今晚必中三个号码预测 | 唐龙3d预测 | 3d今天断组预测 | 3d和值专家推荐和值 | 3d毒毒毒胆胆胆中中中 | 中国彩吧更一懂彩民最新版本更新时 | 3d精选号码推荐今天最新 | 今晚3d专家最精准的预测 | 2012099期3d开奖结果 | 3D独胆本期推荐 | 独胆双胆3d之家 | 今晚3d专家最精准的预测 | 3d农村小伙子最新预测 | 独胆真人就打独胆今天 | 今日3d专家预测总汇 | 3d单式怎么才算中奖 | 3d和值和尾振幅走势图 | 张克永3d预测今天 | 于海滨海3d专家预测 | 中国福彩3D独胆独家必中 | 千禧今晚3d试机号关注码金码 | 3d直选形态走势图彩宝网 | 3d今日预测最准专家预测 | 于海滨海3d专家预测今晚一注 | 3d今晚预测 | 今天3d开机号关注号试机号金码 | 3d专家预测最准确今天南方双彩网 | 今日期3d太湖字谜 | 3d最精准的专家预测精选 | 北斗3d今日专家预测推荐 | 3d预测专家推荐最准确 | 3d于海滨上的今天预测保真 | 3d独胆双胆专家预测网 | 3d和值牛彩网 | 3d今天专家推荐号码推荐 | 今天3d开机号和试机号牛彩网 | 3d今晚预测直选四注 | 3d专家预测最准今天 | 唐龙点评每日一胆龙 | 福彩3D独胆专家杀号 | 千禧试机号金码关注号对应码杀码 | 3d和尾振幅走势图3d专家 | 三d预测专家最新推荐 | 福彩3D独胆下一期预测最新 | 今晚3d专家推荐号码是多少 | 3d今晚专家预测最准确一注 | 3d太湖钓叟字谜三字诀了3d开奖 | 3d独胆双胆专家预测网 | 3d预测最新最准专家 | 【开心毒胆】今天 | 3d于海滨预测预测牛彩网 | 3d今天晚上的开奖号码 | 3d和值尾振幅近100期走势图 | 《金银胆神》金胆银胆3d最新一期开奖 | 3d今晚开奖号码结果是多少 | 3d于海杀码图| 3d牛彩网预测 | 龙头凤尾最准确预测 | 中国福彩3D独胆大神命中率 | 今日3d专家预测号最准确 | 3d基本走势图结果 | 今天3d专家预测汇总 | 今天最新3d开机号试机号关注码 | 3d基本走势综合图 | 3d试机号开奖号走势图表 | 3d大富好预测汇总 | 詹天佑3d预测号 | 今天3d金码试机号对应码开机号 | 今晚3d推荐号 | 3d千禧试机号金码关注码对应码 | 3d推荐号今日预测 | 3d走势图的基本走势图 | 3d今日推荐号| 今于海滨3d预测今天275 | 小财神三天计划独胆 | 3d专家推荐最精准的号码 | 3d专家今日推荐号码 | 今晚3d开奖号是多少 | 3d通杀一码| 太湖钓叟三字诀字谜更新 | 于海滨杀码今天最新版 | 3d近30期开机号试机号开奖号查询 | 3d近30期开机号试机号开奖号查询 | 3d火火人独胆双胆必中 | 3d今天的试机号开机号是多少 | 今于海滨一语定胆保真今天 | 3d绝杀一码绝杀 | 3d最准确最新专家预测 | 3d詹天佑最新预测今天 | 3d预测今晚推荐号 | 3d真实的谎言正版和值字谜 | 3d今晚专家预测推荐 | 3d开机号和试机号金码今天的 | 辽宁独胆王三天计划 | 3d最准预测号 | 3d今日号码推荐 | 3d今晚最准最新专家推荐号 | 3d最准一注号码 | 3d今天开机号试机号200期 | 3d十大专家预测汇总 | 于海滨3d预测牛彩网 | 两天双胆计划王 | 福彩3D独胆当天分析最新 | 十拿九稳预测分析 | 3d跨度走势图图表 | 今晚3d专家最精准的预测 | 中国福彩3D独胆专家推荐最新 | 3d今晚惊天一注预测 | 今天3d开奖号是多少 | 福彩3D独胆实时走势 | 试机号后牛彩网专家预测3d | 于海滨3d预测今天 | 3d近500期试机号和开奖号码 | 预测3d今晚开奖号 | 3d今晚预测开奖号码 | 3d布衣双胆独胆王 | 今晚3d号码开奖结果多少 | 福彩3D独胆下期推荐预测 | 铁人铁胆定位包是预测 | 3d开机号码试机号牛彩网 | 今日焰舞3d焰舞字谜汇总大全 | 3d今天最准专家预测 | 3d开机号试机号关注号金码对应码 | 杀码王杀码| 3d开机试机号金码号关注号 | 3d财神爷独胆双胆双飞计划三天 | 3d北斗专家北斗预测今天079期3d | 3d最准专家预测号 | 今日3d预测号码推荐 | 玩彩独胆王三天计划 | 3d预测最准专家 | 3d各类和值谜追加汇总 | 3d跨度振幅走势图3d专家 | 今天彩报中心 3d图库 | 3d试机号和开奖号走势图 | 3d开机号码近100期 | 了3d开奖结果 今天晚上 | 3d今天预测最准确专家 | 于海滨3d今晚预测号码 | 3d最准一注号码 | 3d开心毒胆独胆王 | 3d藏机图正版藏机图 | 中国福彩3D独胆高手命中率 | 今晚3d太湖字谜 | 3b千喜今天试机号关注金码 | 今天3d开机号和试机号码是多少 | 3d中间最小两码差值振幅走势图 | 3d专家预测精选一注 | 3d专家预测最准确最新今天牛彩 | 今天3d开机号试机号对应码列表 | 3d最精准专家预测汇总今天 | 3d基本走势图全部 | 3d和值走势图(专业版) | 今日3d太湖字谜三字诀试机号 | 3d近50期开奖号码 | 3d专家预测最准确 | 3d胆预测天齐网 | 3d今天精准一注 | 今日3d马后炮解太湖字谜 | 3d专家预测最准确今天南方双彩网 | 今日3d预测 | 中国杀码王绝对 | 3d百个位和值尾走势图 | 3d试机号历史出现情况天齐网 | 3d独胆必下一个胆 | 今日3d专家预测总汇 | 3d预测最准专家预测号 | 3d专家预测最准确今天南方双彩网 | 3d牛彩网| 今于海滨3d预测今天牛彩网 | 于海滨海3d专家杀码 | 福彩3D独胆明日分析最新 | 三d十拿九稳预测号码 | 3d预测最准最新准专家预测 | 真实的谎言3d字谜追加和值谜 | 毒胆牛人三天计划必出 | 3d今天最新最准专家预测最 | 3d两胆精准预测 | 今天3d牛彩网专家预测 | 千禧今晚3d试机号关注码金码 | 3d独胆专家预测 | 太湖试机号后一句定三码3d字谜 | 3d双胆独胆非常非常 | 今晚开奖号码3d开奖结果 | 今日3d开奖号太湖字谜总汇 | 3d家彩网 | 3d试机号码开机号 | 3d直选一注今天 | 毒胆牛人三天计划 | 3d和值尾振幅走势图近100期 | 3d试机号后专家预测推荐汇总 | 3d个位振幅走势图近50期 | 3d太湖字谜总汇总(正版) | 3d必出规律胆 | 福彩3D独胆最新必中最新 | 3d今晚最准最新专家推荐号 | 3d开机号试机号奖号 | 3d专家预测最新最准推荐 | 3d专家最新最准专家预测 | 财神爷三天计划必下更新 | 3d今晚精选一注 | 3d千禧试机号关注号金码号开机号 | 今日3d开奖号码是多少? | 3d定胆技巧准确率100% | 今于海滨3d预测今天牛彩网 | 周不出最新3d杀码 | 福彩3D独胆老师精准预测 | 3d之家北斗今日预测 | 3d十个位差值振幅走势图3d之家 | 3d最准确专家预测 | 3d最准预测专家预测大 | 今日3d预测 | 排3太湖钓叟字谜三字诀 | 今日太湖字谜3d字谜太湖钓叟 | 今天最新3d开机号试机号关注码 | 今天专家推荐号码3d | 3d今晚必中三个号码预测 | 3d最精准专家预测汇总今天 | 3d专家预测最准确最新汇总 | 3d今天专家推荐号码推荐 | 3d今晚上必出号 | 3d开机号和试机号近100期 | 3d今天专家预测号码最准确 | 3d今晚开奖号走势图 | 中国福彩3D独胆今晚走势最新 | 3d预测最准的专家预测 | 中国福彩3D独胆独家必中最新 | 解太湖3d字谜太湖 | 3d今天专家预测最准 | 神仙姐姐今晚杀码 | 唐龙点评每日一胆龙 | 3d预测专家最准确的专家预测 | 3d藏机图正版藏机图诗汇总 | 福家老三3d推荐号 | 3d精选号码推荐今天最新 | 3d和值遗漏值尾走势图 | 3d彩宝网开机号和试机号 | 3d预测图| 3d今天开机号和试机号是多少 | 3d专家杀码天中图库 | 3d廊坊鸿运正版推荐 | 3d开机号和试机号今天 今晚 | 3d藏机图正版藏机图 | 太湖3d字谜太湖钓叟三字诀 | 3d基本走势图. | 3d玩胆先生双胆独胆 | 今日太湖字谜3d字谜太湖钓叟 | 3D独胆高手精准预测 | 今于海滨3d预测今天单线联系 | 最准确3d专家预测 | 今晚3d开奖号是多少 | 天天彩于海滨海3d最新预测 | 陈华今晚就赌一胆今天最新 | 3d之家独胆,双胆 | 3d詹天佑3d预测分析 | 看彩大亨最新独胆预测 | 今晚3d出的什么号 | 55125预测汇总3d | 3d预测专家最准确的专家预测今晚 | 3d试机号今晚开机号 | 3d彩吧试机号今天 | 3d旧版基本走势图表 | 天齐藏机图汇总正版藏机图 | 今日3d马后炮解太湖字谜 | 3d双胆 | 3d专家预测最准最新 | 3d一语定胆字谜今天 | 3d百个和值尾振幅走势图 | 3d预测 下一期 3d预测专家 3d预测 | 3d百位十位个位走势图 | 3d百个位和值尾走势图 | 3d专家预测汇总 | 《天才计划》三天计划独胆3d | 3d农村小伙子最新预测 | 今天3d推荐号码今晚预测 | 3d十个位差值振幅走势图3d之家 | 3d最新专家预测汇总牛部长预测 | 骄子铁鹰解3d字谜今日 | 3d今天开机号试机号牛彩网 | 3d彩宝网开机号和试机号 | 3D独胆下期最新预测 | 3D独胆高手走势 | 3d单个冷号最大遗漏 | 今天p3藏机图正版藏机图 | 3d开机号和试机号今天多少 | 3d跨度五行走势图3d之家 | 今晚3d专家预测 | 福家老三3d推荐号 | 中国福彩3D独胆下一期预测最新 | 3d专家预测号码最准确 | 今天3d太湖钓叟字谜三字诀 | 3d基本走势图 综合 太湖三字诀字谜三 | 中国福彩3D独胆最新必中最新 | 3d于海滨预测预测牛彩网 | 3d今日预测最准专家预测 | 3d今晚十大专家预测汇总 | 3d预测号码最准确专家预测 | 3d预测詹天佑最新 | 中国福彩3D独胆下期推荐推荐最新 | 排三杀码专家天齐网 | 3d试后太湖一语定胆字谜 | 今日3d一句定三码最准和值谜 | 今日焰舞3d焰舞字谜汇总大全 | 3d最准预测号| 牛彩网3d专家预测汇总 | 3d今天开机号试机号3 | 排三专家杀码 | 3d带专业连线走势图 | 3d直选一注预测 | 于海滨3d今晚预测号码 | 今日3d专家预测号最准确 | 3d 今日太湖字谜 | 3d真实的谎言正版和值字谜 | 3d今晚精选一注 | 3d独胆王精准100% | 詹天佑今天3d推荐 | 3d的最新走势图表 | 铁人真胆一句定三码3d字谜彩搜网 | 排五预测最准专家 | 詹天佑3d预测号 | 今天十拿九稳号码预测 | 三d预测牛彩网汇总 | 今天3d太湖钓叟三字诀字谜 | 千禧p3试机号关注号金胆对应号 | 小胆神玩毒胆我3d | 3d火火人独胆双胆必中 | 千禧3d试机号金码今天关注码对应码 | 廊坊鸿运3d预测今天 | 3d预测最准确专家预测 | 3d双胆大师 | 飞向阳光龙头凤尾预测 | 3d今晚最准的一注 | 三d便民字谜图谜总汇 | 3d预测最新最准专家 | 今天3d牛彩网专家预测 | 3D独胆高手精准预测 | 千禧3d试机号金码关注码对应码 | 今天3d金码试机号对应码开机号 | 3d中间号走势图振幅走势图 | 中国福彩3D独胆当天预测最新 | 3d今晚专家推荐号 | 3d选5个号多少钱 | 今天3d专家推荐号 | 3d下期预测最准一注 | 3d必中永久直选500注大底 | 3d预测专家最准确的专家预测今晚 | 3d免费精准直选三注 | 3d晚间字谜总汇大全 | 詹天佑3d预测今天推荐号码 | 3d百位四胆| 3d预测号码最准最新准专家预测号家彩网 | 3d专家推荐今天 | 3d带线走势图连线走势图 | 3d十位走势图带连线图表专业版 | 3d詹天佑预测分析牛彩网 | 詹天佑最新预测3d | 廊坊鸿运3d推荐今天 | 3d推荐号今晚专家预测最准确 | 3d最新专家预测推荐 | 3d专家最准确预测 | 3d预测专家最准确 | 3d晚间字谜总汇大全 | 3d独胆双胆下一 | 3d牛彩网试机号后专家预测汇总 | 3D独胆下期推荐走势最新 | 3d今晚推荐一注 | 最新3d预测专家预测 | 三d牛彩网开机号试机号是多少 | 3d今晚和值字谜 | 3d推荐最新最准专家预测 | 3d陈华今晚就赌一胆天齐网 | 3d推荐号今晚专家预测最准确 | 3d预测最准专家预测号 | 陈华3d今晚赌独一胆天齐网 | 真实的谎言3d字谜追加和值谜 | 3d开机号和试机号金码关注 | 3d开机号试机号码牛彩网 | 3d预测专家最准最新 | 3d太湖钓叟字谜三字诀论坛 | 今日正版藏机图全部汇总 | 3d专家推荐精选号码 | 詹天佑3d预测号 | 排三十拿九稳今天预测 | 3d下期预测最精准的一注号码 | 3d太湖字谜总汇大全 每天更新 | 《天才计划》三天计划独胆3d | 牛彩网3d预测汇总大全手机版下载 | 今晚3d开机号试机号金码 | 于海滨3d预测免费每日精选 | 3d推荐号今晚专家预测 | 千禧金码关注码试机号 | 3d太湖字谜汇总今天 | 3d今晚必中一注一 | 3d计算公式精准100%计算 | 中国福彩3D独胆下期推荐 | 最准3d预测专家推荐号 | 3d最新专家预测汇总大全 | 于海滨海3d杀码图 | 3d预测最准最新准专家预测号码 | 3d预测最准的专家预测 | 3d开机号近30期列表彩宝网 | 太湖3d字谜太湖钓叟三字诀 | 3d试机号开机号今天最新 | 3d乾坤独胆王独胆 | 3d今晚预测100% | 3d天宇和值谜字谜一句定三码 | 3d詹天佑预测汇总 | 2002146期3d开奖结果 | 3d专家预测最准确最新今晚预测 | 3d今天专家推荐 | 3d谜语今天字谜今天的3d字谜是什么? | 今天太湖字谜3d字谜太湖钓叟 | 3d爱心角落试后一注 | 3d十大专家精准预测汇总 | 3d太湖钓叟字谜三字诀汇总 | 詹天佑3d今天最新预测 | 3d试机号关注号金码对应码开机号 | 今日正版3d藏机图全部汇总 | 解太湖3d字谜太湖 | 开心毒胆王今晚独胆 | 3d字谜历史记录 | 一定牛3d一注号推荐3d预测今天 | 于海滨专家一语定胆十好心人 | 3d字谜太湖最新 | 3d詹天佑预测分析牛彩网 | 祖师爷独胆三天计划 | 3d今晚出什么号? | 3d四码直选多少钱一注 | 今天的3d推荐号码是多少 | 3d中奖多少钱一注 | 3d预测号码最准确专家预测 | 今日3d开机号和试机号列表三十期 | 3d试机号开机号近50期 | 今日3d推荐号码号 | 3d万能大底共250注直选 | 今晚3d专家推荐号码 | 3d近300期试机号和开奖号码 | 3d独胆专家推荐独胆 | 3d专家预测最准确最新推荐号码 | 3d今晚预测直选一注3d一注预测 | 太湖钓叟三字诀字谜解释总汇 | 今于海滨3d预测彩吧图 | 3d今日预测最准专家预测 | 3d专家预测号码推荐今天 | 千禧3d试机号金码关注码对应码 | 今晚3d专家推荐 | 今日太湖钓叟三字诀字谜 | 今晚3d天宇一句定三码字谜 | 双胆王看双胆3d | 今天3d开机号和试机号多少? | 3d开机号今天试机号30期 | 千禧开机号和试机号对应金码 | 3d太湖专家预测今晚 | 3d之家北斗今日预测 | 最新3d预测专家预测 | 成功路上3d双胆独胆 | 3d独胆王独胆预测 | 3d今晚必出号 | 3d今晚专家推荐预测重点号码 | 今晚3d开奖号试机号 | 3d杀码图谜_专区杀码 | 3d专家今日推荐号码 | 三d独胆 | 3d今天断组预测 | 西施姐姐就赌一个独胆 | 3d今天专家推荐号码推荐 | 3d今晚专家预测推荐号 | 3d直选历史遗漏查询 | 3d今晚精准一注推荐 | 3d预测专家最准确的专家预测 | 3d最新专家预测汇总大全 | 今于海滨3d预测今天牛彩网 | 于海滨海3d专家杀码 | 3d今天晚上的开奖号码 | 3d今晚最稳一注 | 辉煌看胆双胆3d | 今晚3d出的什么号 | 今晚3d预测最准一注 | 3d今晚推荐三注 | 今于海滨3d预测今天牛彩网 | 铁人铁胆3d定位包星 | 3预测,3d专家预测,最准确今天彩网 | 3d最新基本走势图表 | 今日3d开机号和试机号列表三十期 | 今天3d金码试机号对应码开机号 | 于海滨3d专家预测 | 3d杀码专家杀码最精准 | 3d走势图带连线图表 | 3d十大专家汇总精选一注 | 3D独胆最新分析 | 千禧三地试机号对应码金码 | 3d字谜汇总大全总汇牛彩网开机号 | 3d谜语今天字谜今天的3d字谜是什么? | 三七进二得三码猜一生肖 | 3d近30期开机号试机号开奖号查询 | 今于海滨3d预测今天单线联系 | 三d推荐号专家预测今天 | 3D独胆下期推荐分析最新 | 3d专家预测最新推荐 | 3d百个位和值尾走势图 | 唐龙点评每日一胆龙 | 3d北斗今日预测 | 中国福彩3D独胆独家杀号 | 排三杀码想要 | 3d直选一注今天 | 3d开机号试机号今天最新50期 | 千禧之年3d开机号试机号金码关注 | 3D独胆本期推荐 | 3d火火人独胆双胆必中 | 3d断组预测 | 今天3d专家推荐重点号 | 3d最新专家预测汇总大全 | 3d和值尾振幅走势图50期 | 3d试后太湖一语定胆字谜 | 3d布衣独胆双胆必下一 | 3d预测最新最准3d之家 | 千禧试机号关注号金码是什么 | 3d今日推荐号 | 3d于海滨专家预测 | 3d今晚专家推荐预测重点号码 | 3d圣手字谜图谜 | 3d各路专家预测汇总大全最新 | 福彩3D独胆下期推荐最新 | 3d预测专家最准确的专家预测今晚 | 3d双胆独胆必下一 | 3d最小差值振幅走势图 | 3预测,3d专家预测,最准确今天彩网 | 3d预测专家最准确 | 千禧三地试机号对应码金码 | 今晚3d推荐号码 | 3d和值谜汇总大全 | 3d直选精准100%免费 | 3d试机号后专家预测汇总手机网 | 3d专家预测最准确今天南方双彩网 | 詹天佑3d分析推荐 | 3d阴阳走势图表图 | 3d最新最准预测号码今天 | 3d试机号历史出现情况天齐网 | 3d预测专家最准确今天 | 3d直选历史遗漏查询 | 今日3d字谜一句定三码和值谜定1 | 三d试机号后专家预测汇总 于海滨专家3d今天预测 | 于海滨3d最新预测 | 3D独胆团队精准预测最新 | 福彩3D独胆下一期命中率最新 | 3d陈华就赌一个胆天齐网 | 李明启3d今晚预测专栏 | 3d紫云涧专家预测推荐 | 3d免费预测汇总牛彩网 | 3d十个位差值振幅走势图3d之家 | 3d和值尾振幅走势图50期 | 3d万能大底共250注直选 | 3d今日开机号和试机号及关注码 | 3d预测汇总牛彩网 | 3d晶晶必下一独胆今天 | 今天3d牛彩网专家预测 | 3d预测最准确的专家预测软件 | 3d百位定位走势图 | 今晚3d结果开奖号码 | 3d玩彩老头预测今天号码 | 3d和尾振幅走势图3d专家 | 3d专家预测推荐 | 3d今晚字谜太湖字谜是什么 | 福彩3D独胆高手杀号最新 | 3d今晚专家预测最准确一注 | 今晚牛彩网3d预测汇总 | 3d和值走势图(带连线图) | 3d试机号后专家推荐汇总 | 3d胆拖价格表 | 3d海滨点评一语定胆今天最新推荐 | 唐龙3d预测号 | 3d独胆双胆天齐网 | 3d直选走势图(专业版) | 3d静态版预测静态版 | 今于海滨3d预测今天牛彩网 | 3d十大专家精准预测汇总 | 3d专家预测最准确今天 | 试机号开机号金码关注号对应码3d | 3d专家最准确预测 | 牛彩网杀码图汇总 | 马后炮解3d字谜 | 3d开机号,试机号,金码号,对应码100 | 3d今日预测推荐号 | 最新3d预测专家预测 | 3d绝杀一码专家 | 3d李明启最新预测今天 | 3d独胆王正版 | 今日3d藏机图正版藏机图310 | 3d开奖号码近50期 | 3d钱王老头给胆点评 | 今天专家推荐号码3d | 3d专家预测最准确今天牛彩网 | 3d和值基本走势图表 | 福家老三3d推荐号 | 詹天佑3d今日推荐 | 3d今晚最准专家预测号码145 | 3d专家预测推荐号码最准最新 | 3d钱王点评 | 中国福彩3D独胆专家精准预测 | 推荐一注3d号码 | 3d独胆双胆专家预测网 | 天才三天独胆计划 | 3d316期太湖字谜 | 3d百位走势图带连线图表专业版 | 3D独胆大神命中率最新 | 3d往年历史今天开奖结果 | 3d独胆专家推荐独胆 | 3d专家最新最准专家预测汇总 | 小红人的三天计划今天是什么 | 3d和值尾振幅近100期走势图 | 詹天佑3d今晚预测号码 | 独胆王三天计划 | 十大专家3d预测汇总 | 3d双胆预测3d双胆下3d 双胆推荐 | 3d开机号今天近10期 | 3d太湖钓叟字谜汇总正版藏机图 | 3d北斗专家北斗预测今天079期3d | 3d千禧试机号金码关注码对应码 | 毒胆牛人三天计划必出 | 今日3d钱王点评 | 千禧3d试机号关注码金码列表 | 中国福彩3D独胆下期推荐杀号最新 | 千禧3d今晚的试机号码 | 3d长中剑客预测今天 | 3d精准预测最准的专家直选 | 3d专家预测最准确最新今天 | 彩宝3d专业走势图 | 3d跨度遗漏值振幅走势图彩经网 | 3d预测一注号推荐一3d预测一注今天 | 3d推荐号今晚专家预测 | 3d试机号开机号今天金码关注 | 3d今日预测最准专家预测 | 3d预测专家最准确今天 | 太湖3d字谜今天的 | 3地独胆,毒胆双胆家彩网 | 开奖结果3d今天晚上 | 于海滨海3d最新预测 | 3d试机号今天开机号查询结果 | 3d往年历史今天开奖结果 | 三字诀3d字谜 | 3d今晚必下一个胆 | 3d专家最准确预测 | 于海滨3d今晚预测号码 | 3d最精准专家预测汇总今天 | 今晚3d专家推荐号码是多少 | 3d带连线走势图(专业版) | 3d专家预测最准确最新今晚预测 | 3d专家直选最精准一注 | 3d专家预测最准确最新今晚预测 | 孟庆会专家3d预测 | 小薇3d预测 | 3d今天预测最准确专家 | 今天3d开机号关注号试机号金码 | 3d今晚专家预测重点号码 | 3d预测专家最准确 | 今晚3d专家推荐重点号码 | 三3d太湖字谜 | 张克永3d预测今天 | 3d单挑今天晚一注500倍 | 于海滨3d免费预测最新的 | 3d试机号牛彩网近三十期 | 3d专家推荐最新预测 | 3d牛彩网 | 于海滨海3d预测牛彩网 | 开机号试机号3d今天 | 今日焰舞3d焰舞字谜汇总大全 | 3d十大专家双胆预测汇总 | 3d专家预测最准确号码 | 【独胆真准】3d | 故事小王p3双胆必下 | 今晚3d开机号试机号 | 3d开机号试机号今天最新50期 | 3d今晚专家预测推荐 | 3d牛彩网字谜图谜总汇九 | 千禧3d试机号关注码金码今天的 | 3d开机号和试机号金码今天的 | 3d独胆必下一独胆 | 直选三注必中一注3d | 3d彩宝网开机号和试机号 | 詹天佑3d预测号 | 3d今晚开奖号结果 | 3预测,3d专家预测,最准确今天彩网 | 福彩3D独胆老师走势最新 | 专家3d专家推荐 | 今天3d开机号试机号对应码列表 | 解今日太湖3d字谜 | 今天p3藏机图正版藏机图 | 三d预测汇总 | 3d预测分析| 3d近300期试机号和开奖号码 | 3d和值和尾振幅走势图 | 3d今天专家预测推荐号码 | 3d预测最准的专家预测 | 最准3d预测专家推荐号 | 北斗3d今日预测 | 3d专家最新最准专家预测汇总 | 3d北斗专家北斗预测今天079期3d | 3d和值尾振幅走势图3d之家 | 中国福彩3D独胆当天精准预测 | 三d专家杀码 | 3d预测专家推荐号码 | 今日3d字谜太湖钓叟字谜正版 | 3d字谜解太湖字谜 | 《天才计划》三天计划独胆3d | 3d辽宁独胆王 | 3d预测专家推荐最准确 | 大师诸葛亮今晚一个独胆 | 詹天佑3d预测推荐 | 今日3d开机号和试机号列表三十期 | 一定牛3d杀码 | 3d精准预测最准的专家直选 | 3d七码复式最准专家 | 3d村独胆双胆3 | 今晚3d试机号码和开机号 | 今天的3d开机号和试机号中奖号 | 3d试机号和开奖号走势图 | 3d今晚专家预测最准确号码 | 今天专家推荐号码3d | 3d正版藏机图谜汇总 | 今晚3d推荐号码是多少 | 3d北斗专家北斗预测今天079期3d | 3d今晚预测最准确一注 | 于海滨3d预测牛彩网 | 3d牛彩网字谜图谜汇总九 | 3d预测专家推荐最新 | 3d太湖字太湖字谜今天 | 3d基本走势图综合 | 唐龙一胆 | 福彩3D独胆最新必中 | 3d今晚惊天一注预测 | 3d十大专家预测汇总 | 3d走势图基本走势图 | 3d独胆之家 | 3d今晚专家推荐号 | 今天的3d开机号和试机号查询 | 于海滨3d预测今天 | 3d字谜财神一语定一注 | 彩坛老顽童3d独胆 | 专家预测3d号码准确 | 3d预测最准确的专家 | 3d专家预测独胆最准确 | 3d预测天齐网 | 3d邻孤传走势图乐彩 | 3d十大专家推荐号码汇总 | 3d今日专家推荐号 | 中国彩吧更一懂彩民最新版本更新时 | 3d开机号试机号今天开奖号 | 3d于海滨专家预测 | 今晚3d直选推荐 | 3d今晚专家预测推荐 | 今天晚上3d开奖结果 | 千禧3d试机号金码今天关注码对应码 | 今天3d开机号和试机号对应金码 | 3d天中杀码图专区 | 詹天佑最新预测3d | 3d今天专家推荐号码推荐 | 3d彩吧图库44462 | 福利3d开奖号码 | 明天太湖3d三字诀 | 3d最准确最新专家预测 | 3d詹天佑预测分析牛彩网 | 3d最新最准专家预测号码 | 3d今晚专家预测推荐号 | 3d预测最准专家预测牛彩网 | 最新3d预测专家预测 | 3d预测最准的专家预测 | 3d最新专家预测汇总大全 | 3d专家推荐最精准的号码 | 3d开机号和试机号金码关注 | 财神爷独胆三天计划,就这么牛 | 3d字谜汇总大全总汇牛彩网开机号 | 3d预测最准专家预测 | 今天3d詹天佑预测分析 | 3D独胆独家推荐 | 3d带线走势图牛彩网 | 3d预测最准确的专家预测软件 | 三d预测专家预测今天最新 3d专家预测最准最新今天 | 3d今天的开机号和试机号查询 | 3d预测最准最新准专家预测号码 | 今天3d试机号和开机号 | 3d预测最新最准专家 | 太湖试机号后一句定三码3d字谜 | 3d预测最准确专家预测牛彩网 | 3d专家推荐精选号码 | 3d今晚必中三个号码预测 | 今天的3d太湖字谜图 | 3d最小值振幅走势图3d之家 | 马后炮解3d太湖字谜总汇大全 | 于海滨专家一语定胆十每日 | 3d村独胆双胆3 | 3d杀码专家杀码天齐网 | 福彩3D独胆高手分析 | 3d牛哄哄解太湖字谜今天 | 3d专家今天预测汇总 | 3d开奖结果近10期 | 3d试机号后专家预测推荐汇总 | 今于海滨3d杀码图24210 | 3d太湖专家预测今晚 | 3d试机号今晚开机号 | 3d鬼手字谜和谜 | 3d试机号后专家预测推荐汇总 | 今日3d太湖字谜每天更新 | 3d至尊计划独胆 | 中国福彩3D独胆下期推荐杀号最新 | 3d海滨点评一语定胆今天最新推荐 | 3d今晚预测最新最准确号码牛彩网 | 3d六码组三多少钱一注 | 排五开奖最新结果排5 | 3d最准的独胆毒胆独胆 | 3d下期预测最精准的一注号码 | 3d开奖号码今晚走势图 | 3d经典小胆王 | 3d必下双胆 | 3d今天开机号和试机号开奖结果 | 3d定胆准确率100 | 今日太湖钓叟三字诀字谜 | 3d十大专家预测汇总 | 3d牛彩图谜字谜总汇九 | 3d专家预测于海滨 | 3d开机号近200期历史记录 | 3d之家双胆独胆预测 | 福彩3D独胆最新必中最新 | 3d今晚精选预测一注 | 看彩大亨最新独胆预测 | 于海滨海3d专家预测今天 | 3d今天开机号试机号100期 | 3d预测今晚推荐号 | 今晚3d专家预测汇总 | 飞向阳光龙头凤尾今天最新消息 | 3d今日预测最准专家预测 | 专家预测3d号码准确 | 3D独胆下一期杀号 | 3d预测今晚最准专家预测号码 | 福彩3D独胆明日推荐 | 陈华3d今晚赌独一胆天齐网 | 免费计划软件 | 福彩3D独胆独家走势 | 3d杀码十大专家天齐网 | 今日3d开机号和试机号关注码千禧 | 3d杀码图谜_专区杀码 | 3d天宇和值谜字谜 | 3d预测号码最准确专家预测 | 3d直选一注50倍单挑 | 3d推荐号今晚专家预测 | 3d今天中了多少注直选 | 3d下期预测最精准的一注号码 | 3d预测詹天佑最新 | 3d独胆必下一 | 3d詹天佑最新预测今天 | 3d毒毒毒胆胆胆中中中 | 今晚3d推荐号 | 3d,胆| 毒胆牛人三天计划必出 | 3d最新专家预测推荐 | 陈华3d今晚赌独一胆天齐网 | 3d今天专家推荐号码推荐 | 詹天佑3d今晚预测号码 | 玩胆先生今晚双胆 | 3d字太湖字谜 | 3d和值振幅走势图彩宝贝 | 排三今晚十拿九稳最新预测 | 3d今天专家预测最准 | 詹天佑推荐3d | 3d今晚专家预测重点号码 | 骄子铁鹰解3d字谜今日 | 十拿九稳今天预测专家 | 3d最准确的专家预测 | 于海滨今天3d预测号 | 今日正版3d藏机图汇总 预测 | 一代女王杀两胆 | 钱王今天3d预测号 | 于海滨点评专家一注定胆保真版 | 3d最新专家预测推荐 | 3d预测最准专家预测号码 | 3d万能三码中奖秘诀 | 3d玩胆先生双胆独胆 | 3d和值尾振幅走势图近50期 | 3d最准确预测100%一注 | 3d最新准专家预测 | 3d预测最精准一注 | 福彩3D独胆高手分析 | 3d预测号码最准最新准专家预测号 | 3d开机号和试机号金码今天的 | 卫星电话最建议买的三个型号 | 3d今天开机号试机号金码关注号 | 今日3d预测号码推荐 | 3d预测最准确的专家 | 3d专家詹詹天佑最新推荐 | 试机号千禧关注金码 | 3d预测号码最准确专家预测 | 中国福利3d今天模拟试机号 | 3d上下五千年专家预测 | 于海滨海3d预测牛彩网 | 3d今晚最准专家预测号码145 | 3d专家今天预测汇总 | 福彩3D独胆团队分析最新 | 中国福彩3D独胆独家杀号 | 3d今晚专家预测推荐 | 今天最新3d开机号试机号关注码 | 于海滨海3d专家预测 | 财神爷独胆三天计划,就这么牛 | 晚秋3d今晚和值谜 | 3d开机号和试机号金码和关注码 | 詹天佑3d点评预测 | 3D独胆内部精准预测 | 3d今天精准一注 | 3d今晚精准推荐一注 | 3d预测专家精准推荐号 | 专家预测3d号码准确 | 3d和值尾振幅走势图专业版 | 今晚3d天宇一句定三码字谜 | 3d近300期试机号和开奖号码 | 3d今天试机号开机号金码 | 3d专家预测推荐号码 | 3d最准专家预测号今晚3d试机号 | 3d专家预测推荐汇总 | 千禧p3试机号关注号金胆对应号 | 3d十大专家双胆预测汇总 | 3d预测专家推荐最准确 | 3d于海滨预测预测牛彩网 | 中国彩吧更一懂彩民最新版本更新时 | 独胆真人就打独胆今天 | 3d詹天佑预测汇总 | 3d最精准的专家预测 | 3d十大专家独胆 | 3d最新最准专家预测号码 | 今晚3d专家最精准的预测 | 3d专家预测汇总牛彩网 | 3d直选精准100%免费 | 唐龙点评3d预测今天 | 中国福彩3D独胆实时推荐 | 今天3d开机号和试机号 | 詹天佑3d点评预测 | 今天专家推荐号码3d | 3d栋栋预测牛彩网 | 3d预测专家推荐最新 | 太湖试机号后一句定三码3d字谜 | 卫星电话最建议买的三个型号 | 3d十大专家推荐号码汇总 | 千禧试机号关注号金码是什么 | 于海滨今天3d预测 | 3d牛彩网试机号后专家预测汇总 | 3d预测号码最准最新准专家预测号家彩网 | 于海滨3d杀码预测 | 3d两胆下一稳定方法 | 3d精准预测 | 3d今天专家预测推荐号码 | 3d预测专家最准最新 | 3d和值尾振幅走势图彩宝贝 | 今晚3d专家预测汇总 | 今天3d专家解太湖字谜汇总 | 今日3d开机号和试机号关注码千禧 | 今晚3d一注直选 | 3d预测最新最准3d之家 | 于海滨海3d预测牛彩网 | 3d今晚专家推荐 | 3d推荐号今晚专家预测最准确 | 3d之家独胆,双胆 | 3d今晚开奖结果号码是 | 今天晚上3d开奖结果 | 3d詹天佑预测分析牛彩网 | 3d今晚专家预测推荐 | 3d和值尾走势图(专业版) | 今晚3d试机号开机号金码号 | 3d试机号今晚牛彩网 | 3d专家詹詹天佑最新推荐 | 钱王点评十钱王老头给胆 | 3d开机号和试机号9.30分 | 白骨精3d独胆图今天 | 3d精准预测专家预测 | 张克永最新3d预测 | 神仙姐姐今天最新杀码 | 3d直选三注必中免费 | 3d钓叟字谜三字诀官网 | 3d跨度金木水火土五行走势图 | 今晚3d预测推荐一注 | 3d近300期试机号和开奖号码 | 3d毒胆双胆三胆 | 3d今天开机号和试机号码300 | 中国福彩3D独胆当天精准预测 | 福彩3D独胆下期最新推荐 | 3d今天的试机号开机号 | 3d今天开机号试机号码查询 | 3d神仙姐姐独胆一个 | 3d解太湖字谜汇总精选 | 3d六码复式多少钱一注 | 今天3d双双独胆字谜 | 3d最准确最新专家预测 | 3d直选三注 | 3d带线走势图牛彩网 | 今于海滨3d预测彩吧图 | 3d往年历史今天开奖结果 | 3d今天开机号和试机号是多少 | 3d和值012走势图带连线图 | 3d专家预测更准确今天 | 于海滨杀码图谜 | 铁人铁胆3d定位包星预测 | 3d字谜汇总大全总汇大全 | 2014年359期3d焰舞字谜 | 3d近100期试机号和开奖号是多少 | 3d买4个号直选多少钱 | 3d直选一注50倍单挑 | 3d今晚推荐号码最新 | 3d独胆双胆专家预测网 | 3d专家预测最准确今天南方双彩网 | 于海滨海3d预测保真 | 福彩3D独胆今晚必中最新 | 3d号码预测| 3d资料大全免费 | 3d彩宝贝试机号今天最新 | 3d预测最准确专家预测 | 3d今晚开奖结果走势图 | 3D独胆团队命中率最新 | 最准的3d专家预测 | 今晚3d专家最精准的预测 | 今晚3d出的什么号 | 今日3d太湖字谜三字诀洞庭游侠 | 3d詹天佑3d预测 | 3d精准预测推荐 | 3d平均值走势图振幅3d之家 | 陈华3d今晚就赌一个胆天齐网 | 3d和值谜汇总大全 | 3d大富好预测汇总 | 3d和值基本走势图新浪网 | 3d预测汇总牛彩网 | 今日3d太湖三字谜 | 3d预测最准确的专家 | 3d今晚开奖结果走势图 | 今晚3d开机号和试机号是多少 | 3d开机号和试机号八仙选号 | 今晚3d推荐号码 | 毒胆| 骄子铁鹰解3d字谜今日 | 3d今晚专家预测最准确一注 | 毒胆牛人三天计划必出 | 今晚3d专家推荐 | 3d太湖字谜图谜 | 97654天中图库,今天晚3d试机号 | 3d和值尾振幅走势图3d走势3d之家 | 今天买哪三个号码好 | 3D独胆专家分析 | 3D独胆实时推荐 | 3d太湖专家预测今晚 | 3D独胆明日精准预测 | 中国福彩3D独胆专家精准预测最新 | 3d今晚上预测号码 | 3d今日预测最准专家预测 | 3d专家预测最准确最新今晚预测 | 福彩3D独胆明日精准预测 | 3d绝杀一码专家 | 3d千禧开机号试机号关注金码对应码 | 3d太湖钓叟字谜三字诀论坛 | 6+1专家预测号| 于海滨精准杀码图 | 3d今天开机号试机号金码关注号 | 今晚3d专家推荐号码是多少 | 3d今天开机号和试机号码727 | 今日3d开机号和试机号列表三十期 | 3d预测最新最准专家 | 3d近30期试机号和开奖结果 | 3d怎么守号不亏 | 3d专家预测最准确今天3d | 3d太湖字谜总汇大全 每天更新 | 3d专家今天预测汇总 | 3d布衣双胆独胆王 | 3d今晚精彩预测 | 3d绝杀二码今天最新更新内容 | 成功路上3d双胆独胆 | 3d专家预测更准确今天 | 于海滨3d预测今天 | 今天晚上3d开奖结果 | 3d最准预测号 | 今日3d专家预测号码推荐 | 福彩3D独胆独家走势 | 3d和值遗漏值尾走势图 | 3d今天开机号和试机号牛彩网 | 福彩3D独胆团队分析最新 | 3d和值振幅走势图带连线坐标 | 3d预测号码最准确专家预测 | 3d免费预测 | 3d预测今晚最准专家预测号码 | 3d专家推荐 | 3d最新最准专家预测号码 | 今晚3d的试机号是 | 今天3d牛彩网专家预测 | 3d开机号近200期历史记录 | 3d最新专家预测推荐 | 3d今晚专家预测最准确一注 | 3d预测专家最准确的专家预测 | 北斗3d今日专家预测推荐 | 3d条件预测专区牛彩网 | 詹天佑最新预测3d | 3d今晚开机试机号 | 今日3d专家预测号最准确 | 小薇3d预测今天推荐 | 3d正版太湖字谜图谜 | 于海滨3d杀码 | 今天3d太湖钓叟三字诀字谜 | 3d毒毒毒胆胆胆中中中 | 三d预测最准十专家预测今晚 | 3d今晚专家预测重点号码 | 3d专家预测推荐号最新 | 3d最精准专家预测汇总今天 | 3d开机号试机号今天最新50期 | 昨天3d开奖号是多少 | 3d每天都有开奖吗 | 今天3d开机号试机号码 | 3d预测最准的专家 | 今晚3d精准一注直选 | 3d今天专家推荐号码推荐 | 北斗3d今日预测 | 3d预测最准专家预测 | 3d杀码最准确 | 豪哥看3d定位 | 3d推荐最新最准专家预测 | 3d真实的谎言正版和值字谜 | 今晚3d开机号试机号金码关注码 | 3d试机号今天开机号查询 | 今天3d开机号和试机号 | 孟庆会点评 专家一语定胆 稳准狠三天计划 | 3d今晚必出的一注 | 3d预测专家最准最新 | 太湖字谜三字诀论坛 | 3d最新准专家预测 | 3d飞胆图绕胆图 | 于海滨杀码图今天最新 | 3d彩吧图库44462 | 3d今天预测汇总 | 3d专家杀码天中图库 | 3d直选100%中奖绝技软件 | 3d今晚最准最新专家推荐号 | 3d最近基本走势图 | 3d今日预测最准专家预测 | 3d预测最新最准专家推荐号码 | 天齐网3d杀码大全 | 排3藏机图正版藏机图今天 3d八哥图库总汇d字谜图谜总汇大全 | 十拿九稳今天预测专家 | 于海滨专家3d预测 | 3d预测最准预测号 | 3d最新专家预测精选一注 | 3d今于海滨杀码图 | 于海滨专家3d今天预测 | 3d专家推荐最精准的号码 | 3d专家今日推荐号码 | 3d十大专家预测汇总 | 3d试机号历史出现情况天齐网 | 3d今天预测最准确专家 | 3d专家最新最准专家预测 | 3d十大专家双胆预测汇总 | 3d百位定位走势图 | 3d开机号和试机号金码关注对应码 | 3d专家预测汇总 | 3d双胆,独胆非常非常稳定 | 今日3d开奖号太湖字谜总汇 | 于海滨一语定胆天齐网 | 3d试机号近10期彩经网 | 3d最大值振幅走势图遗漏 | 3d今晚专家预测 | 3d试机号开机号号码今天 | 三d字谜总汇大全 | 3d十大专家精准预测汇总 | 张克永专家3d预测 | 于海滨专家3d预测 | 3d开机号试机号30期列表彩宝网 | 3d预测今晚最准专家预测号码 | 3d单一跨度走势图表 | 3d杀码图谜_专区杀码 | 3d彩宝贝试机号今天最新 | 3d最准的预测专家 | 3d今天最准专家预测 | 3d综合走势图直选 | 3d今天推荐号码是多少 | 北斗3d今日专家预测推荐 | 3d预测号码最准最新准专家预测号 | 3d今晚最准三注 | 一名将3d双胆预测 | 3d开机号今天近10期 | 3d预测最准最新准专家预测 | 3d试机号开机号关注号金码 | 今日3d太湖字谜三字诀排三开奖结果 | 3d最准确专家预测 | 3d今晚专家预测最准确一注 | 3d均值振幅走势图表图 | 今晚3d直选一注 | 3d双胆独胆非常稳 | 3d走势图专家推荐号码 | 3d预测最准确专家预测 | 下一期专家预测号码 | 今晚3d试机号千禧试机号金码关注 | 3d于海滨专家预测 | 3d独胆王独胆预测 | 3d太湖钓叟字谜三字诀了3d开奖 | 小红人的计划三天计划 | 3d走势图带连线牛彩网 | 今天3d试机号开机号牛彩网 | 小红人的三天计划今天是什么 | 三d预测专家最新推荐 | 3d今晚专家看独胆 | 3d试机号后专家预测推荐汇总 | 最准3d预测专家推荐号 | 3d今晚预测开奖号码 | 陈华3d今晚就赌一个胆天齐网 | 3d金码开机号和试机号 | 3d今晚试机号牛彩网 | 3d今日预测推荐号 | 太湖字谜三字诀论坛 | 3d今晚专家推荐号 | 福彩3D独胆最新预测 | 排三专家推荐与预测今天 | 解今日太湖3d字谜 | 钱王今天3d预测号 | 中国福彩3D独胆今晚走势最新 | 中国福彩3D独胆内部杀号 | 3D独胆下期推荐预测最新 | 太湖字谜太湖钓叟三字诀 | 3d最精准独胆王 | 3d双胆| 3d詹天佑最新预测今天 | 3d千禧开号试机号关注金码对 | 3d太湖钓叟字谜三字诀论坛 | 3d精准预测专家预测 | 3d预测号码最准确专家预测 | 福彩3D独胆今日走势最新 | 3d试机号后专家推荐汇总 | 3d藏机图正版图汇总 | 3d十大专家推荐号码汇总 | 3d今天开机号试机号牛彩网 | 3d今晚字谜太湖字谜是什么 | 3d开奖号历史上的今天 | 唐龙点评每日一胆龙 | 试机号开机号金码关注号对应码3d | 3d专家今天预测一注 | 3d试机号后专家预测推荐汇总 | 于海滨今日杀码图最新 | 毒胆牛人三天计划 | 3d和值谜汇总大全 | 3d和值最近(500)期走势图 | 3d陈华今晚就赌一个胆搜索一下 | 今天3d专家预测汇总 | 飞向阳光龙头凤尾预测 | 3d今晚最新预测 | 今天3d开机号和试机号 | 中国福彩3D独胆明日推荐 | 3d今晚专家预测最准确一注 | 3d最新专家预测精选一注 | 福彩3D独胆下一期走势最新 | 3d杀码最准确 | 3d预测是多少 | 今天3d于海滨预测 | 3d最精准的专家预测精选 | 3d精准一注今天 | 于海滨海3d预测保真 | 今天3d开机号试机号金码 | 3d开机号试机号30期列表走势图 | 今晚快乐八专家预测推荐号 | 3d天宇和值谜字谜 | 今晚了3d开奖结果 | 下一期专家推荐号码 | 福家老三3d推荐号 | 今天的3d开机号和试机号中奖号 | 3d杀码图汇总牛彩网 | 3d今晚专家预测推荐号 | 3d直选三注 | 3d专家预测最准最新今天 | 3d今天绕胆图彩之网 | 3d直选一注今天 | 3d精选号码推荐今天最新 | 3d北盟天机图藏机图 | 3d彩宝贝试机号今天最新 | 3d最新专家预测汇总大全 | 3d开心毒胆独胆王 | 3d十大专家独胆 | 排三杀码专家定位杀码天齐网 | 3d专家预测最准确最新推荐号码 | 万能四码找下期奖号 | 3d今晚专家预测最准确一注 | 3d今晚一注 | 3D独胆下期最新预测 | 3d专家杀码天中图库 | 3d试机号后专家预测推荐汇总 | 3d牛彩网试机号后专家预测汇总 | 于海滨3d最新预测 | 3d长中剑客预测今天 | 3d推荐号码今晚预测 | 今晚3d开机号试机号金码关注码 | 今日精准预测推荐3d号码 | 3d推荐号今晚专家预测 | 3d今天开机号和试机号码727 | 3d太湖钓叟字谜三字诀 | 3d今天开机号和试机号码 | 3d今天开机号试机号对应码关注码 | 3d今天开机号和试机号100期 | 3d今天专家预测推荐号码 | 3d胆王双胆独胆 | 牛彩预测汇总3d最新 | 正版真精华布衣天下今天推荐号码 | 今天3d牛彩网专家预测 | 3d最准的独胆毒胆独胆 | 3d今晚开奖号码走势图 | 今天的3d藏机图正版藏图 | 3d千禧开号试机号关注金码对 | 3d预测最新最准专家 | 中国杀码王绝对 | 3d试机号关注号金码对应码开机号 | 3d今于海滨杀码图 | 今晚3d专家预测汇总 | 3d中间号走势图振幅走势图 | 3d太湖专家预测今晚 | 3d詹天佑预测分析牛彩网 | 今日3d一句定三码和值谜食物全部 | 3d中奖多少钱一注 | 3d专家预测号码最准确 | 福彩3D独胆最新预测 | 3d今晚专家推荐 | 3d太湖解字谜 | 3d预测最准确的专家 | 最准3d专家预测推荐 | 3d计算机开机号夏天推荐 | 3d牛彩网预测汇总 | 3d专家预测最准确今天上一期 | 3d专家推荐最精准的号码 | 今天3d推荐号码今晚预测 | 3d推荐号今晚专家预测 | 3d专家预测最准确最新今晚预测 | 于海滨专家3d今天预测 | 3d今天开机号 试机号查询 | 3d十大专家推荐号码汇总 | 3d预测专家最准确的专家预测昨天 | 今天3d开机号 试机号是多少 | 3d通辽独胆王今天 | 3d今日开机号和试机号及关注码 | 今日詹天佑3d预测分析 | 中国福彩3D独胆实时必中最新 | 玩彩独胆王三天计划 | 排五开机号试机号今天查询 | 3d免费预测汇总牛彩网 | 小薇3d预测今天推荐 | 3d独胆高手| 最准的3d专家预测 | 3d今天专家预测推荐号码 | 3d推荐号今晚专家预测 | 3d直选至今未出号 | 3d今天专家预测最准 | 3d今晚惊天一注预测 | 3d预测一注号推荐今晚 | 3d藏机图正版藏机图 | 3d专家推荐精选号码 | 2009年浙江风采3d走势图 | 3d太湖试机号 | 天齐藏机图汇总正版藏机图 | 3b预测汇总牛彩网 | 3d今天中了多少注直选 | 3d今晚上开奖号码 | 3d开机号和试机号今天 今晚 | 3d今天的试机号和开机号 | 于海滨专家3d今天预测 | 于海滨精准杀码图 | 3d推荐最新最准专家预测 | 3d中奖| 3d天宇和值谜字谜 | 今晚3d开机号试机号金码关注码 | 今天最准3d预测号 | 3d最准预测专家预测大 | 3d开机号,试机号,金码号,对应码100 | 今日3d一句定三码和值谜食物全部 | 今于海滨3d预测今天275 | 福家老三3d推荐号 | 3d预测最准确专家 | 3d今天专家预测推荐号码 | 3d跨度振幅走势图3d专家 | 3d最新预测专家推荐 | 陈华3d预测今天推荐 | 千禧试机号金码今天的 | 3d今晚推荐一注 | 今天3d开机号和试机号 | 今日3d正版藏机图,藏机图汇总,天中网 | 牛彩网3d专家预测汇总 | 于海滨今日3d预测 | 3d最精准专家预测汇总今天 | 3d千禧试机号金码关注码对应码 | 3d每期必中27注 | 3d直选精准100%免费 | 3d詹天佑最新预测今天 | 3d和值尾振幅近100期走势图 | 千禧金码关注码试机号 | 3d今晚专家预测最准确一注 | 3d预测最准最新牛彩网 | 专家预测3d号码准确 | 于海滨海3d杀码图 | 今天3d藏机图正版藏机图藏机图太湖横屏 | 牛彩网3d专家预测汇总 | 3d最准专家预测号 | 今天龙头凤尾预测 | 3d今天的试机号和开机号 | 今天3d专家预测汇总 | 3d今晚开机号试机号金码关注码今天 | 三地百位振幅3d之家走势图 | 3d试机号后专家预测汇总 | 3d双胆预测3d双胆下3d 双胆推荐 | 3d今天专家预测最新最准 | 千禧3d试机号关注号 | 3d最新最准专家预预测 | 陈华3d今晚赌独一胆天齐网 | 今晚3d专家推荐重点号码 | 3d今天推荐号码是多少 | 3d推荐号今晚专家预测 | 3d试机号开机号关注号金码 | 3d预测号码最准确专家预测 | 牛彩网专家汇总汇总3d | 3d近30期开机号试机号牛彩网 | 今于海滨3d预测今天 | 3d百位十位个位走势图 | 3d栋栋预测牛彩网 | 3d专家预测最准确今天3d | 3d十大专家双胆预测汇总 | 十拿九稳十大专家预测汇总最新一期 | 十拿九稳的最新预测 | 3d一语定胆太湖字谜 | 3d今晚预测准确的专家预测 | 3d专家预测汇总牛彩网彩摘收集 | 3d杀码专家杀码天齐网 | 3d今天专家预测推荐号码 | 周不出最新3d杀码 | 3D独胆明日分析 | 3d杀码大全 天齐网 于海滨3d最新预测 千禧3d试机号金码关注码对应码今晚 | 3d专家今日推荐号码 | 3d今晚精准一注 | 3d今天专家预测最准 | 自创3d绝杀四码方法细节 | 3d预测专家最准确的专家预测今晚 | 3d千禧试机号关注号金码号开机号 | 3d专家预测汇总牛彩网收集汇总 | 廊坊鸿运3d最新预测 | 福彩3D独胆独家预测最新 | 推荐一注3d号码 | 最准确3d专家预测 | 今晚3d试机号码和开机号 | 3d走势图基本走势图 | 3d专家最新最准今天预测 | 3d推荐号3d推荐号码 | 3d今天专家推荐 | 3d专家最新最准预测 | 3d预测专家最准确的专家预测今晚 | 3d十个位差值振幅走势图3d之家 | 排三专家推荐与预测今天 | 于海滨3d免费预测最新的 | 今晚上3d出奖结果 | p3故事小王双胆下一今天 | 今天晚上的3d开奖结果 | 3d各类和值最新谜字谜今天 | 3d预测最准专家预测号 | 3d今晚预测最准确一注今天 | 3d十大专家汇总精选一注 | 3d今日预测最准专家预测 | 3d最精准专家预测汇总今天 | 3d之家,专家预测预测 | 今晚3d一注50倍 | 3d白娘子跨度字谜汇总今天牛彩网 | 3d牛彩网专家预测 | 3d近500期试机号和开奖号码 | 于海滨3d预测专家今天 | 福彩3D独胆团队必中最新 | 3d专家预测推荐号码最准最新 | 3d彩界元宝就看一个独胆 | 3d最全晚间字谜汇总大全 | 3d今晚十大专家预测汇总 | 千禧3d试机号金码关注码码关注码双彩论六个 | 今日毒胆 | 毒胆牛人三天计划 | 3d预测专家精准推荐 | 唐龙一胆今天最新 | 3d开机号试机号今天的 | 3d预测最准确的专家 | 3d今晚预测最新最准确号码牛彩网 | 3d今晚开机号试机号金码关注码今天 | 3d藏机图正版藏机图汇总今天最新 | 3d最新最准专家预测号码 | 3d字谜太湖解 | 3d小差振幅走势图表图 | 牛彩3d网首页 | 3d专家预测最准确今天南方双彩网 | 周不出最新3d杀码 | 3d谜语解太湖字谜 | 3d开机号今天近10期 | 今日3d开奖号太湖字谜总汇 | 3d专家预测最新最准推荐 | 今于海滨3d预测今天牛彩网 | 3d试机号关注号金码对应码开机号 | 3d预测今晚推荐号 | 3d免费专家预测推荐今天最新 | 3d今晚预测最准确一注 | 于海滨专家预测 | 天才计划三天计划独胆 | 3d海滨点评一语定胆今天最新推荐 | 千禧关注码试机号金码 | 今晚3d开奖号是多少 | 3d专家预测最准确今天 | 3d两胆下一稳定方法 | 李明启3d预测最新号码 | 今日期3d太湖字谜 | 3d跨度公式98准确率 | 今晚3d预测开奖号码推荐 | 推荐一注3d号码 | 福彩3D独胆明日推荐 | 中国福彩3D独胆当天走势最新 | 3d今天晚上精选一注 | 3d双胆中中中 | 今天3d专家预测号码 推荐 | 明天太湖3d三字诀 | 3d今日预测最准专家预测 | 3d专家推荐预测号 | 3d试机号今天晚上金码92期 | 3d今天断组预测 | 3d詹天佑预测分析牛彩网 | 3d就打一个胆中了多少钱 | 三天计划独胆牛人 | 齐彩网3d专家预测 | 3d解太湖字谜汇总精选 | 今日排五专家推荐与预测 | 3d怎么守号不亏 | 3d千禧试机号码金码关注码 | 今天3d开机号 和试机号 查询结果 | 3d独胆双胆3d之家 | 千禧关注码试机号金码 | 中国福彩3D独胆下期推荐推荐最新 | 3d今晚预测一注 | 3d试机号后专家预测汇总手机网 | 3d试机号金码号是多少 | 3d今天开机号和试机号 | 3d和值走势图表综合版 | 3d焰舞和值谜字谜 | 3d孔方来萃解太湖字谜 | 3d最小值振幅走势图3d之家 | 3d今日开机号和试机号及关注码 | 千禧试机号金码关注码的历史记录 | 天齐网3d必中两胆今天 | 3d今天预测最准确专家 | 3d推荐号3d推荐号码 | 3d詹天佑| 3d今晚最准专家预测号码 | 今日3d杀码最新 | 3D独胆明日精准预测 | 三地千禧开机号试机号金码关注 | 3d专家预测推荐号最新 | 3d预测最新最准专家 | 3d杀码十大专家 | 3d预测图 | 3d最大值振幅走势图彩经 | 3d于海滨预测预测牛彩网 | 中国福彩3D独胆专家推荐最新 | 今晚3d开奖号多少 | 詹天佑3d今日预测 | 3d直选100%中奖绝技 | 中国福彩3D独胆下期推荐推荐最新 | 钱王点评+钱王老头预测 | 今晚3d出啥 | 3d专家预测最准确最新今天牛彩 | 3d千禧开机号试机号关注金码 | 3d今天开机号和试机号码 | 3d于海滨上的今天预测保真 | 3d胆1拖9直选多少钱一注 | 今晚3d出啥| 3d预测分析 | 3D独胆下期最新预测 | 3d带线走势图连线走势图 | 3d字字谜图谜总汇 | 3d各路专家预测汇总大全最新 | 3d今晚中奖号是多少 | 3d形态预测静态版 | 千禧3d试机号金码今天关注码对应码 | 今天3d专家推荐重点号码 | 中国福彩3D独胆高手命中率 | 3d十大专家汇总精选一注 | 3d预测今晚推荐号 | 3d预测最准确的专家预测软件 | 3d图谜总汇字谜 | 3d今天的推荐号 | 3d今晚100倍| 李明启3d最新预测今天 | 3d全球哥三胆 | 3d专家号 | 3d中间最小两码差值振幅走势图 | 3d今晚中奖号157 | 3d今晚专家推荐预测重点号码 | 3d最新最准专家预测号码 | 詹天佑3d今晚预测号码 | 3d开心毒胆独胆王 | 3d跨度振幅3d之家走势图 | 3d今日太湖字谜图 | 3d专家今日推荐号码 | 今天的3d推荐号码是多少 | 3d预测推荐汇总大全 | 彩吧3d开机号 | 3d十位走势图带连线图表专业版 | 3d就打一个胆中了多少钱 | 3d胆王双胆独胆 | 试机号开机号金码关注号对应码3d | 3d和值尾振幅走势图3d之家 | 千禧3d今天的试机号 | 今天3d开机号试机号金码 | 3d今晚字谜太湖字谜是什么 | 今天3d双双独胆字谜 | 3d试机号和开奖号走势图 | 中国福彩3D独胆最新走势 | 3d今天的开机号和试机号查询 | 3d今天专家预测推荐号码 | 三码合一是什么意思? | 3d最准确的专家预测 | 3d精准预测最准的专家直选 | 三d预测专家预测今天最新 今于海滨3d预测 | 3d精选号码推荐今天最新 | 今于海滨3d预测今天单线联系 | 3d鸿运坊预测号 | 3d直选开奖结果 | 今晚3d专家预测精选一注 | 中国福彩3D独胆下期最新必中 | 3d预测专家推荐最准确 | 3d最准一注号码 | 3d牛彩网100期开机号和试机号 | 今日3d预测号码推荐 | 福彩3D独胆下期推荐最新 | 3d直选注| 今天3d必出一注 | 3d走势图带连线图表 | 3d牛彩网专家预测 | 3d最准的独胆毒胆独胆 | 3d今晚专家预测推荐 | 3d精准三注直选 | 中国福彩3D独胆明日推荐最新 | 3d号码预测| 铁人铁胆3d定位包星预测 | 福彩3D独胆下期推荐最新 | 今日精准预测推荐3d号码 | 詹天佑最新预测3d | 3d专家免费预测 | 太湖3d字谜图谜总汇 | 今天3d的开机号和试机号是多少号 | 3d开奖号码走势图表 | 3d太湖字谜每天更新 | 3d专家解太湖字谜汇总 | 3d专家推荐精选号码 | 今晚3d试机号开机号金码号 | 钱王点评十钱王给胆下一期预测 | 无敌胆王独胆双胆 | 3d詹天佑点评 | 3d专家预测最准 | 3d和值振幅走势图带连线坐标 | 3d牛彩网断组预测 | 3d胆王帅哥独胆双胆 | 3d双胆独胆推荐 | 3地独胆,毒胆双胆家彩网 | 3d专家预测最准最新今天 | 3d专家预测最准确最新今天 | 十拿九稳预测分析 | 3d最准预测专家推荐 | 3d历史今天开奖结果 | 今晚3d开奖号走势图 | 福彩3D独胆下期杀号最新 | 3d詹天佑预测分析牛彩网 | 3d最新专家预测汇总大全 | 3d预测牛彩网 | 天才计划三天计划独胆 | 3d预测最准确专家预测 | 千禧3d试机号金码关注码对应码 | 骄子铁鹰解3d字谜今日 | 3d今天专家预测号码最准确 | 3d专家最新最准专家预测汇总 | 于海滨海3d专家预测今晚一注 | 3d精准预测最准的专家 | 3d专家最新最准今天预测 | 3d预测最准专家预测牛彩网 | 3d开机号和试机号正版彩吧 | 十拿九稳今天预测专家 | 3d双胆大师 | 3d专家预测最准确今天南方双彩网 | 今天的太湖3d字谜 | 财神爷三天计划 | 3d今晚预测 | 今日3d专家推荐号码 | 中国福彩3D独胆当天精准预测 | 今天3d试机号开机号是什么 | 3D独胆下期推荐分析最新 | 今天十拿九稳号码预测 | 3d今晚预测一注 | 3d今天精准一注 | 3d开机号近200期历史记录 | 3d今天开机号试机号对应码关注码 | 3d今晚最新预测 | 3d和值尾振幅走势图近50期 | 手机牛彩网3d预测 | 3d百十和值尾振幅走势图 | 3d试机号开机号今天晚上金码号 | 3d最新专家预测汇总 | 3d彩界精英独胆双胆 | 3d试机号后专家预测汇总 | 北斗3d今日专家预测推荐 | 3d专家预测最准最新今天 | 专家推荐最热一注是什么 | 3d预测最准最新准专家预测 | 今天3d专家预测号码 推荐 | 3d专家最新最准专家预测 | 3d 今日太湖字谜 | 3d预测最准确专家预测 | 福彩3D独胆明日分析最新 | 3d条件预测专家专区 | 今天3d金码试机号对应码开机号 | 太湖谜3d太湖钓叟字谜 | 3d詹天佑预测汇总 | p3千禧试机号关注金码 | 3d直选开奖结果 | 千禧关注码试机号金码 | 3d专家预测最准确今天牛彩网 | 今晚3d天宇一句定三码字谜 | 于海滨专家一语定胆十每日 | 3d今晚上必出号推荐组 | 福彩3D独胆最新走势最新 | 今天3d专家推荐重点号码 | 3d预测今晚最准专家预测号码 | 今日钱王给胆点评 | 3d今晚最准专家预测号码145 | 北斗3d今日预测 | 3d太湖专家预测今晚 | 于海滨海3d专家预测今天 | 看彩大亨最新独胆预测 | 中奖开奖结果3d | 今天3d专家推荐重点号码 | 3d 今天 试机号开机号3 | 今晚3d试机号开机号金码号 | 3d万能四码走势图表 | 福彩3D独胆下期最新推荐 | 3d今天最新最准专家预测最 | 3d预测最准预测号 | 3d预测最准专家预测号 | 3d彩吧预测,预测 | 3d最准确的专家预测 | 今于海滨3d预测 | 3d试机号近10期彩经网 | 3d最准确预测专家 | 3d今天专家预测最准确 | 最准的3d专家预测 | 3d专家预测号码最准确 | 3d牛彩网和值走势图 | 今于海滨3d预测今天牛彩网 | 詹天佑最新预测3d | 3d今于海滨杀码图 | 于海滨3d预测专家今天 | 3d走势图基本走势图表 | 3d大老人预测 | 中国福利3d今天模拟试机号 | 顶级胆神双胆必下 | 3d公式计算方法 | 今天3d必出一注 | 3d北斗专家北斗预测今天079期3d | 3d最新专家预测汇总大全 | 三地千禧试机号关注金码对应码 | 今晚3d推荐号 | 3d所有走势图 | 福彩3D独胆下一期必中 | 3d牛彩网字谜图谜汇总九 | 3d专家预测最新最准 | 中国福彩3D独胆今日走势最新 | 3d今晚预测直选一注3d一注预测 | 3d胆王专家定十位 | 铁人铁胆定位包是预测 | 3d走势图带连线图表 | 3d预测专家推荐最准确 | 3d今晚专家预测重点号码 | 3d今晚必出号预测 | 3d试机号开机号今天查询排五 | 3d预测最准确专家预测 | 于海滨海3d预测牛彩网 | 3d开机号试机号奖号 | 机选一注3d | 3d专家预测推荐号最新 | 3d今晚预测最新最准确号码牛彩网 | 陈华3d今晚赌独一胆天齐网 | 今晚3d专家最精准的预测 | 千禧开机号和试机号对应金码 | 3d今天专家推荐号码 | 3d预测最准确的专家预测软件 | 3d和值尾振幅走势图近100期 | 于海滨点评专家一语保真 | 3d精选号码推荐今天最新 | 今天3d开机号 和试机号 查询结果 | 钱王点评十钱王老头给胆 | 3D独胆实时推荐最新 | 3d专家预测最准确最新今晚预测号 | 今于海滨3d预测今天牛彩网 | 3d打一个独胆中了多少钱 | 3d天齐网最准预测 | 今日3d藏机图正版藏机图310 | 白骨精3d独胆图今天 | 3d今晚最准专家推荐号 | 十拿九稳预测 | 3d今天专家预测最准确 | 中国福彩3D独胆独家必中 | 3d牛彩网专家汇总汇总大全 | 陈华今晚就赌一个胆今天最新更新内容 | 3d字谜太湖最新 | 3d开奖杀码定胆 | 3d独胆必下一独胆准 | 马后炮解今日太湖字谜三字诀 | 今天十拿九稳号码预测 | 3d太湖历史字谜 | 3d预测专家最准确 | 3d百位四胆| 3d专家预测最准确最新推荐号码 | 太湖3d字谜图谜总汇 | 3d预测詹天佑| 3d马前屁解太湖字谜 | 3d单个冷号最大遗漏 | 3d乾坤独胆王独胆 | 今晚3d开奖号多少 | 今天3d专家解太湖字谜汇总 | 3d走势图专家推荐号码 | 3d预测最新最准3d之家 | 小红人的计划三天计划 | 排三专家推荐与预测今天 | 3d今晚专家预测推荐号 | 最新3d预测专家预测 | 3d今晚的开奖号码 | 3d独胆双胆专家预测网 | 3d预测晚 | 小薇3d预测今天推荐 | 3d推荐号 | 3d专家预测最新最准推荐 | 今天最新3d开机号试机号关注码 | 3d今晚专家预测最准确一注 | 3d字谜今天太湖字谜 | 3d今天开机号和试机号码200 | 3d和值最近(500)期走势图 | 牛彩网3d预测汇总 | 十拿九稳专家预测专栏 | 十大杀码专家3d | 3d最新专家预测汇总 | 3d今晚精准一注 | 3d预测最新最准专家 | 今晚必中一注i | 3d专家预测推荐 | 今日3d字谜3d一句定三码诗天中图 | 3d牛彩网专家预测 | 排三十拿九稳今天预测 | 唐龙一胆今天最新 | 铁人铁胆3d包星定位最新今天 | 3d必中永久直选500注大底 | 唐龙点评每日一胆龙 | 3d双胆独胆非常非常稳定 | 3d独胆双胆专家预测网 | 专家预测3d预测 | 高手看3d经典独胆组合 | 今天3d开机号和试机号多少? | 3d今晚必出的一注 | 昨天3d开奖号是多少 | 3d洞庭湖水今日预测分析 | 于海滨3d免费预测最新的 | 3d一语定胆字谜今天 | 3d推荐号今晚专家预测最准确 | 3d专家预测最准最新今天 | 3d今日预测最准专家预测 | 中国福彩3D独胆下期推荐杀号最新 | 3d十大专家双胆预测汇总 | 今晚3d试机号开机号 | 今晚3d专家预测汇总 | 3d最准确最新专家预测 | 3d太湖钓叟字谜汇总正版藏机图 | 3d今日预测最准专家预测 | 今日3d专家预测号码推荐 | 三天计划3d独胆论坛 | 3d个位走势图表 | 天齐网3d必中两胆今天 | 3D独胆实时推荐 | 3d预测号码最准最新准专家预测号家彩网 | 3d今晚和值字谜 | 3d彩界精英独胆双胆 | 最准杀码王p3 | 3d于海滨专家预测 | 3d一语定胆太湖字谜 | 中国福彩3D独胆独家杀号 | 3d湘西胆王今日字谜 | 3d专家解太湖字谜汇总 | 拼搏在线3d开机号和试机号列表 | 3d专家今天预测汇总 | 3d今天专家推荐号码推荐 | 3d今天开机号和试机号100期 | 3d定胆王独胆定位 | 今天3d开机号 试机号是多少 | 3d字谜总汇今日3d字谜总汇牛彩网 | 今天的3d开机号和试机号查询 | 3d千禧金码试机号关注码开奖号 | 3d今晚字谜太湖字谜是什么 | 3d藏机图正版图汇总 | 3d预测最准的专家预测 | 3d北斗专家北斗预测今天079期3d | 3d开机号今天近100期南方查询 | 3d北斗专家北斗预测今天079期3d | 3d专家推荐最新预测 | 3d预测专家精准推荐号 | 3d字谜总汇图 | 3d专家于海滨 | 于海滨3d预测免费 | 今晚快乐八专家预测推荐号 | 千禧试机号金码关注 | 于海滨预测3d号 | 3d预测专家推荐号码 | 3d走势图专家推荐号码 | 3d直选走势图(专业版) | 3d预测号最新最准牛彩网 | 今天3d开机号试机号牛彩列表 | 3d独胆王定位独胆定位 | 十拿九稳预测专家分析 | 3d直选一注今天 | 3d之家独胆,双胆 | 于海滨杀码图谜 | 3d双胆预测3d双胆下3d 双胆推荐 | 3d绝杀一码专家 | 廊坊鸿运3d预测今天 | 飞向阳光龙头凤尾预测 | 3d近30期开机号试机号开奖号查询 | 今日3d太湖字谜三字诀 | 3d千禧开机号试机号 | 3d今天出的什么号 | 3d直选是什么意思 | 于海滨海3d专家杀码 | 3d预测专家最准确的专家预测今晚 | 3d专家预测最准确最新推荐号码 | 3D独胆大神命中率最新 | 3d开机号试机号奖号 | 福彩3D独胆明日分析最新 | 3d综合走势图直选 | 3d预测专家预测 | 3d百十差振幅走势图 | 3D独胆本期预测最新 | 两天计划双胆王 | 3d阿福图库图谜大全 | 白骨精3d独胆图今天 | 千禧今晚3d试机号关注码金码 | 今日正版3d藏机图汇总 预测 | 3d和值走势图表综合版 | 3d小龙一句定三码今日字谜天中图 | 于海滨今天杀码3d | 今日排五专家推荐与预测 | 3d今晚最精准专家 | 3d预测最准确的专家预测软件 | 3d千禧试机号关注号金码号开机号 | 孟庆会老师3d分析预测 | 今天3d开机号和试机号对应金码 | 3d今天最准专家预测 | 3d十位走势图彩经网 | 今晚3d之家 | 3d谜语今天字谜今天的3d字谜是什么? | 3d预测最准确专家预测 | 于海滨3d预测牛彩网 | 3d晚秋和值谜字谜图 | 3d独胆专家推荐独胆 | 3d最准确预测专家 | 3d今天开机号和试机号码 | 3d走势图带连线牛彩网 | 牛彩预测汇总3d最新 | 3d推荐号| 于海滨点评加专家一语 | 3d阴阳走势图表图 | 3d老炮子直选三注 | 3d专家预测汇总牛彩网 | 3d百位四胆 | 今日3d专家预测号最准确 | p3千禧试机号关注金码 | 3d十大专家汇总精选一注 | 3d专家预测最准确今天南方双彩网 | 3d十大专家预测汇总 | 3d今天的试机号开机号是多少 | 今晚3d开奖号走势图 | 3d百位个位和值走势图 | 3d千禧试机号关注号金码号开机号 | 3d今晚最准专家预测号码 | 百位振幅走势图3d之家 | 3d专家最新最准专家预测汇总 | 宇海宾杀码图 | 于海滨今日3d预测 | 3d大老人预测 | 3d推荐号今晚专家预测 | 3d双胆独胆必下一 | 2025315期3d开奖结果 | 3d财神爷独胆双胆双飞计划三天 | 2014年359期3d焰舞字谜 | 3d百位走势图带连线图表专业版 | 推荐一注3d号码 | 3d今天最新最准专家预测最 | 今晚3d专家推荐重点号码 | 3d试机号牛彩网近三十期 | 福彩3D独胆下期推荐必中 | 3d牛彩网字谜图谜汇总九 | 3d最准确专家预测 | 3d牛彩网专家预测 | 3d推荐号今晚专家预测 | 3d太湖钓叟字谜三字诀论坛 | 专家预测3d号码准确 | 3d必下胆| 3d千禧今晚试机号码 | 3d专家预测号 | 3地独胆,毒胆双胆家彩网 | 廊坊鸿运3d推荐今天 | 3d今天专家预测推荐号码 | 3d专家最新最准专家预测 | 3d预测最准的专家预测 | 3d专家预测推荐号码最准最新 | 3d孔方来萃解太湖字谜 | 千禧关注码试机号金码 | 福彩3D独胆高手杀号最新 | 3d直选走势图(专业版) | 3d近30期开机号试机号开奖号查询 | 今天3d开机号和试机号查询结果彩吧 | 今日3d开机号和试机号列表三十期 | 3d专家预测号 | 3d开机号试机号今天最新50期 | 今晚3d试机号千禧试机号金码关注 | 于海滨3d预测免费 | 今晚3d预测最准一注 | 3d天齐网最准预测 | 3d专家今天预测一注 | 今日3d太湖字谜三字诀试机号 | 3d今晚上必出号推荐组 | 3d预测专家最准确的专家预测今晚 | 十拿九稳预测最准100% | 3d最准预测号| 于海滨最新3d预测今天 | 3d预测专家最准确的专家预测今晚 | 今天的3d开机号和试机号查询 | 3d牛彩网采摘收集预测汇总 | 福彩3D独胆老师必中最新 | 龙彩居士3d预测今天最新版 | 3d预测专家最准最新 | 3D独胆本期预测最新 | 3d独胆专家推荐独胆 | 于海滨海3d专家预测 | 3d双飞大师双胆组合 | 3d单一跨度走势图表 | 千禧3d试机号关注码金码列表 | 今天牛兄双胆 | 三d独胆 | 3d推荐号3d推荐号码 | 3d詹天佑最新预测今天 | 3d专家今日推荐号码 | 3d预测牛彩网 | 3d和值遗漏值尾走势图 | 3D独胆下期推荐分析最新 | 3d藏机图正版藏机图汇总今天最新 | 专家彩宝贝预测汇总 | 张克永专家3d预测 | 3d牛彩网采摘收集预测汇总 | 今天3d试机号开机号牛彩网 | 詹天佑3d最新预测今天 | 太湖字谜太湖钓叟三字诀 | 试机号开机号金码关注号对应码3d | 3d今晚预测准确的专家预测 | 3d今晚预测最准确一注今天 | 于海滨海3d专家预测今天 | 3d开机号和试机号9.30分 | 3D独胆下期最新精准预测 | 3d今晚和值推荐 | 3d今晚必出一注100%准确直选推荐 | 毒胆牛人三天计划必出 | 3d今晚推荐号| 今天的3d开机号和试机号查询 | 3d预测今晚最准专家预测号码 | 三d十拿九稳预测号码 | 3d试机号后专家预测推荐汇总 | 福彩3D独胆老师分析最新 | 唐龙预测一胆今天 | 3d试机号今天晚上金码92期 | 3d太湖钓叟字谜三字诀 | 万能6码走势图 | 千禧3d开机号试机号金码 | 十拿九稳预测专家分析 | 3d预测最准专家预测号码 | 3d和值尾金木水火土走势图 | 3d最新专家预测汇总大全 | 千禧试机号金码今天的 | 3d十大专家杀跨度汇总 | 飞向阳光龙头凤尾今天最新消息 | 3d太湖专家预测今晚 | 今日焰舞3d焰舞字谜汇总大全 | 今日3d太湖字谜三字诀试机号 | 3d试机号后专家预测推荐汇总 | 3d今晚专家预测推荐 | 3d十大专家汇总精选一注 | 3d结果开奖号码今晚 | 小红人的三天计划今天是什么 | 今晚3d开奖号走势图 | 3d杀码预测 | 今日3d正版藏机图,藏机图汇总,天中网 | 3d今晚专家预测推荐 | 3d预测今晚最新最准确 | 55125预测汇总3d| 3D独胆实时必中最新 | 3d最准的预测专家 | 3d专家预测于海滨 | 3d玩彩老头预测今天号码 | 3d最小值振幅走势图3之家 | 3d今晚最准专家预测号码 | 张克永3d预测今天 | 故事小王p3双胆必下 | 神龙毒胆王今晚给胆 | 3d试机号后专家预测推荐汇总 | 3d正版太湖字谜图谜 | 3d预测专家最准确的专家预测今晚 | 今晚3d推荐号 | 3d今天开机号,试机号 | 3d个位振幅走势图近50期 | 钱王老头点评牛彩网 | 唐龙一语定胆最新 | 3d专家预测最准确最新今晚预测号 | 3d专家今天预测汇总 | 今日3d直选一注 | 3d今晚专家推荐预测重点号码 | 3d预测最准确的专家预测软件 | 3d开机号近200期历史记录 | 今于海滨3d预测今天 | 福家老三3d推荐号 | 一代女王决杀两胆免费观看 | 今日3d字谜太湖钓叟字谜 | 3D独胆下期推荐预测最新 | 3d胆王双胆独胆 | 福彩3D独胆最新走势最新 | 3d最准专家预测号 | 一定牛3d一注号推荐3d预测今天 | 3d詹天佑最新预测今天 | 3d推荐最新最准专家预测 | 今晚3d开奖号是多少 | 3d独胆必下一独胆3d独胆预测 | 十拿九稳的最新预测 | 3d开机号试机号奖号 | 3d今天专家推荐号码 | 3d两胆必出方法 | 3d陈华今晚就赌一胆天齐网 | 3D独胆下一期精准预测 | 3d预测牛彩网 | 3d千禧试机号金码关注码对应码 | 于海滨海3d专家预测 | 3d今晚专家预测最准确一注 | 福彩3D独胆专家杀号 | 3d试机号近10期(模拟) | 三d预测牛彩网汇总 | 3d预测汇总 | 3d和值尾振幅走势图200期 | 3d今天的推荐号 | 3d的预测号 | 3d专家预测最准今天 | 3d开机号和试机号金码今天的 | 今日3d藏机图正版藏机图134 | 今天3d金码试机号对应码开机号 | 3d专家最新最准专家预测汇总 | 3d最精准专家预测汇总今天 | 3d今晚专家推荐 | 3d最准一个独胆方法 | 今于海滨点评专家一语定胆 | 今日精准预测推荐3d号码 | 3d今日预测最准专家预测 | 3d千禧试机号金码关注码对应码 | 3d独胆王正版 | 3d今天开机号试机号200期 | 3d试机号历史出现情况天齐网 | 于海滨3d预测免费 | 一定牛3d一注号推荐3d预测今天 | 于海滨今日杀码图 | 福彩3D独胆老师杀号最新 | 今天最新3d开机号试机号 | 3d开机号今天近100期南方查询 | 3d预测今晚推荐号 | 詹天佑最新预测3d | 3d十大专家精准预测汇总 | 3d千禧试机号开机号对应码关注号 | 今于海滨3d预测今天 | 3d预测最新最准专家推荐号码 | 3d北斗专家北斗预测今天079期3d | 小薇3d预测今天推荐 | 3d最新最准专家预测号码 | 3d和值尾振幅近100期走势图 | 3d开奖号码今晚走势图 | 3d预测今晚最准专家预测号码 | 3d今晚的开奖号码 | 唐龙点评3d预测今天 | 今天3d开机号试机号对应码列表 | 3d独胆预测 | 3D独胆专家推荐 | 3d预测专家推荐最准确 | 3d今天专家推荐号码推荐 | 3d专家预测最准确今天 | 今天3d开机号试机号对应码列表 | 排三杀码专家天齐网 | 三天计划3d独胆必出论坛 | 十拿九稳十大专家预测汇总最新一期 | 3d最新专家预测汇总大全 | 天府袍哥3d预测 | 3d钱王点评| 3d3d今晚预测 | 3d天齐网最准预测 | 3d专家预测最准确号码 | 3d最准专家预测号 | 千禧3试机号金码关注码金码 | 3d免费专家预测推荐今天最新 | 三地百位振幅3d之家走势图 | 3d和值尾振幅走势图近100期 | 3d专家最新最准今天预测 | 今晚3d开机号试机号金码关注码 | 3d和尾振幅走势图3d专家 | 于海滨3d预测天齐网 | 天齐网3d杀码大全 | 3d今日太湖字谜图 | 3d预测最准最新牛彩网 | 3d预测专家最准确今天 | 千禧今晚3d试机号关注码金码 | 3d试机号后专家预测汇总手机网 | 3d计算公式精准100%计算 | 3d北斗专家北斗预测今天079期3d | 3d今天专家预测号码 | 3d和值尾振幅走势图3d走势3d之家 | 3d今于海滨杀码图 | 3d近30期开机号试机号开奖号查询 | 3d今晚专家预测推荐 | 3d紫云涧专家预测推荐 | 小林3d预测 | 3d上下五千年专家预测 | 3d今天最准专家预测 | 詹天佑3d预测推荐 | 3d百个位差值振幅走势图100期 | 3d 计算公式 | 于海滨海3d预测今天 | 3d老虎独胆| 3d预测最准确专家 | 今天3d定位字谜二 | 3d今天开机号和试机号码300 | 3d今晚最准专家预测号码145 | 今天3d开机号试机号牛彩网 | 钱王今天3d预测号 | 3d晚秋和值谜彩吧图库 | 福彩3D独胆大神精准预测 | 3d今晚最准专家推荐号 | 3d专家预测最准确最新推荐号码 | 3d近50期开奖号码 | 今晚3d天宇一句定三码字谜 | 3d牛彩网采摘收集预测汇总 | 3d专家最新最准预测 | 今天3d于海滨预测 | 3d试机号开机号今天金码关注 | 3d试机号3d之家金码 | 3d试机号开奖号走势图表 | 3d今晚专家预测 | 3d百个差振幅走势图近100期 | 3d于海滨专家预测 | 3d今晚上开奖号码 | 福彩3D独胆高手分析 | 预测3d | 3d预测廊坊鸿运 | 3d今晚中奖号是多少 | 于海滨3d预测牛彩网 | 福彩3D独胆内部杀号 | 3d玩彩老头预测今天号码 | 今日排五专家推荐与预测 | 3d预测专家精准推荐 | 今天3d詹天佑预测分析 | 3d今天专家预测推荐号码 | 3d专家预测最准确最新新闻 | 3d最新最准专家预测号码 | 3d预测号最新最准牛彩网 | 于海滨今天杀码3d | 今天3d开机号关注号试机号金码 | 中国福彩3D独胆当天精准预测最新 | 3d预测专家准确推荐 | 今天晚上三d开奖结果 | 今于海滨3d预测今天 | 福彩3D独胆团队必中 | 3d研究生双胆王 | 3d今晚预测直选四注 | 十大专家3d预测汇总 | 3d专家最精准的推荐 | 3d今晚最准专家预测号码145 | 3d最全晚间字谜汇总大全 | 15选5预测最准十专家预测 | 3d字谜太湖钓叟三字诀今天 | 福彩3D独胆下期最新推荐 | 3d詹天佑预测分析牛彩网 | 于海滨最新3d预测推荐今天 | 今日3d开机号和试机号关注码千禧 | 3d开机号与试机号金码 | 3d今晚预测直选四注 | 3d开机号和试机号金码今天的 | 看彩大亨看独胆双胆预测 | 3d走势图(带连线版) 试机号 | 3d专家预测号 | 今日3d太湖字谜三字诀 | 3d今天专家预测推荐号码 | 唐龙点评3d预测 | 《天才计划》三天计划独胆3d | 福彩3D独胆下期最新推荐 | 3d专家推荐最新预测 | 3d陈华今晚就赌一胆天齐网 | 于海滨杀码图今天最新 | 铁人真胆一句定三码3d字谜彩搜网 | 3d今天专家预测最准确 | 今天3d詹天佑预测分析 | 3d免费专家预测推荐今天最新 | 3d定和值公式 | 千禧试机号关注号金码是什么 | 了3d开奖结果 今天晚上 | 3d专家预测号码手机牛彩网 | 3d财神爷独胆双胆双飞计划三天 | 3d试机号后专家预测汇总 | 3d百个位和值尾走势图 | 3d四码直选多少钱一注 | 3d综合走势图直选 | 3d太湖专家预测今晚 | 十大杀码专家3d | 3d预测总汇手机牛彩网 | 3D独胆今晚预测 | 今天3d试机号开机号是什么 | 近30期3d开机号和试机号 | 3d太湖钓叟三字诀字谜汇总 | 3d最精准专家预测汇总今天 | 于海滨3d预测天齐网 | 福家杀码王p3 | 三d预测汇总 | 2025315期3d开奖结果 | 3d单选一注能中多少钱 | 今日3d太湖字谜更新 | 于海滨杀码今天最新版 | 今天3d开机号,试机号是多少 | 3d最新预测专家推荐 | 3d今晚最准最新专家推荐号 | 3d今天专家推荐号码推荐 | 中国福彩3D独胆实时推荐 | 3D独胆老师预测 | 今日排三太湖钓叟字谜三字诀 | 3d最准专家预测号 | 今晚3d专家推荐号码 | 解今日太湖3d字谜 | 3d千禧试机号金码关注码对应码 | 今日3d直选 | 解太湖3d字谜太湖 | 唐龙3d预测 | 3d独胆专家推荐独胆 | 千禧关注码试机号金码 | 福彩3D独胆大神精准预测 | 卫星电话最建议买的三个型号 | 3d八哥图库总汇d字谜图谜总汇大全 | 3预测,3d专家预测,最准确今天彩网 | 3d精准预测 | 3d千禧试机号关注号金码号开机号 | 今天3d数字定位三 | 3d预测最准专家预测牛彩网 | 3d最准专家预测方法 | 3d带线走势图连线走势图 | 今天3d专家预测汇总 | 3d今天专家预测推荐号码 | 3d预测一注推荐 | 3d独胆双胆 | 龙彩居士3d预测今天最新版 | 3d今晚专家预测最准确一注 | 詹天佑3d今天最新预测 | 三d预测最准十专家预测今晚 | 千禧关注码试机号金码 | 3d今天专家预测最准确 | 3d独胆是什么意思 | 3d专家预测最准确今天上一期 | 3d今晚最准确一注 | 3d和值尾振幅近100期走势图 | 3d试机号今天晚上是多少 | 3d和值基本走势图表 | 3d近30期开机号试机号牛彩网 | 小胆神玩毒胆我3d | 3d之家独胆,双胆 | 3d专家预测号码最准确 | 福彩3D独胆当天分析最新 | 北斗3d今日专家预测推荐 | 中国福彩3D独胆明日推荐 | 3d开机号和试机号今天 今晚 | 3d免费预测汇总牛彩网 | 3d预测专家推荐最准确 | 今日3d太湖字谜三字诀排三开奖结果 | 3d今晚最准专家预测号码 | 唐龙点评每日一胆龙 | 今晚3d专家推荐号码是多少 | 3d千禧开机号试机号关注金码 | 3d预测今日最新推荐 | 3d太湖字谜大全 太湖钓叟 | 3d今天开机号试机号牛彩网 | 3d最大值振幅走势图彩经 | 3d直选走势图(专业版) | 今晚3d精准一注直选 | 3d预测专家最准确的专家预测今晚 | 今天太湖字谜3d字谜太湖钓叟 | 3d开机号和试机号今天多少 | 3d今天专家推荐号码推荐 | 福彩3D独胆老师精准预测 | 3d预测专家最准确今天 | 3d邻孤传走势图乐彩 | 3d开机号今天近10期 | 3d今天专家预测最准确 | 顶级胆神双胆必下 | 3d打一个独胆中了多少钱 | 福彩3D独胆老师精准预测最新 | 3d百十个位杀码家彩网 | 孟庆会专家3d预测 | 3d免费专家预测推荐今天最新 | 3d今晚最准专家预测号码145 | 唐龙一胆 | 3d推荐最新最准专家预测 | 太湖钓叟三字诀字谜解释总汇 | 3d预测最准的专家预测 | 3d预测最准专家预测号 | 今晚3d精准一注直选 | 3d盐都三胆家彩网 | 詹天佑预测3d | 福彩3D独胆下一期推荐最新 | 3d预测专家准确推荐 | 3d个位走势图振幅 | 3D独胆下期推荐预测最新 | 3d预测推荐汇总牛彩网采摘收集 | 3d于海滨上的今天预测保真 | 福彩3D独胆下期推荐精准预测 | 3d今晚上必出号 | 3d形态预测静态版 | 3d免费预测汇总牛彩网 | 3d杀码大全天齐网 | 今天3d金码试机号对应码开机号 | 3d太湖字谜大全 太湖钓叟 | 3d今天开机号试机号是几 | 于海滨专家预测 | 无敌胆王今日双胆 | 3d双胆神算今天最新 | 3d专家预测最准确 | 3d今日预测推荐号 | 3d詹天佑最新预测牛彩网 | 3d今晚专家预测最准确一注 | 唐龙3d预测 | 3d跨度金木水火土五行走势图 | 今天3d牛彩网专家预测 | 3d今晚必中三个号码预测 | 3d跨度分位走势图图感觉 | 3d今晚预测准确的专家预测 | 3d今晚必下一个胆 | 于海滨海3d预测牛彩网 | 今天3d千禧试机号关注号金码号 | 3d最准预测专家推荐 | 3d北斗专家北斗预测今天079期3d | 排三平均值振幅走势图3d之家 | 3d太湖字谜汇总今天 | 3d最精准的专家预测 | 3d最准的预测专家 | 3d走势图专家推荐号码 | 3d预测最准确专家预测 | 今日3d预测号 | 3d北斗专家北斗预测今天079期3d | 3d今晚推荐号 | 3d今天推荐号码 | 3d个位走势图图表 | 于海滨海3d预测保真 | 3d今晚最准专家推荐号 | p3故事小王双胆下一今天 | 3D独胆本期推荐最新 | 3d推荐号今晚专家预测最准确 | 福体杀码王最新版本更新内容 | 3d今天预测最准确专家 | 今天十拿九稳号码预测 | 马到成功杀两码最新版本更新内容 | 今天3d必出一注 | 3d大老人预测 | 3d今晚上推荐号码 | 3d杀码条件今天最准 | 3d千禧今晚试机号码 | 3d直选综合走势图表 | 3d今晚最准专家预测号码145 | 今晚钱王点评推荐号 | 3d近30期开机号试机号开奖号查询 | 3d选胆图近100期 | 3d最准的预测专家 | 3d专家解太湖字谜汇总 | 中国福彩3D独胆明日推荐 | 3d预测专家最准确的专家预测 | 神仙姐姐今晚杀码 | 3d最准专家预测号 | 3d静态版预测静态版 | 今日3d最准开机号 | 太湖解3d字谜汇总 | 今天专家推荐号码3d | 3d十大专家推荐号码汇总 | 3d今天开机号和试机号开奖结果 | 投资计划独胆三天计划 | 3d双胆,独胆非常非常稳定 | 试机号开机号金码关注号对应码3d | 3d试机号关注号金码对应码开机号 | 中国福彩3D独胆下期最新必中最新 | 3d今天预测最准确专家 | 3d今晚最佳和值 | 3d专家预测精选一注 | 3d千禧试机号金码关注最近10期 | 3d 今天 试机号开机号 | 3d专家今天预测一注 | 3d今天开机号和试机号 | 3d火火独胆双胆 | 97654天中图库,今天晚3d试机号 | 3d今晚最准最新专家推荐号 | 3d百个位和值尾走势图 | 3d专家推荐最精准的号码 | 3d今晚最准专家预测号码 | 3d和值走势图彩宝网 | 今晚3d独胆王| 55125预测汇总3d | 唐龙点评3d预测今天 | 3d钱王老头给胆点评 | 3d今天预测最准确专家 | 中国福彩3D独胆实时精准预测 | 3d计算机开机号夏天推荐 | 今晚3d开奖号试机号 | 3d直选开奖结果 | 今天3d牛彩网专家预测 | 3d最准一注(单挑王) | 3d太湖钓叟字谜三字诀了3d开奖 | 3d詹天佑预测分析牛彩网 | 3d预测专家最准确 | 3d独胆预测 | 试机号千禧关注金码 | 3D独胆今晚命中率 | 3d专家最准确推荐最新 | 投资计划独胆三天计划 | 十拿九稳今天预测专家 | 3d计算公式 | 3d开机号和试机号30期列表 | 3d千禧开号试机号关注金码对 | 今日3d藏机图正版藏机图134 | 3d千禧金码试机号关注码 | 3b千喜今天试机号关注金码 | 3d预测专家最准最新 | 飞向阳光龙头凤尾今天最新消息 | 于海滨海3d专家预测 | 3d专家詹詹天佑最新推荐 | 今天3d开机号和试机号金码 | 3d今天专家预测号码 | 排三王牌小哥独胆 | 最准的3d专家预测 | 3d专家预测于海滨 | 3d今晚预测直选一注 | 3d独胆怎么打| 财神爷独胆三天计划,就这么牛 | 于海滨3d免费预测最新的 | 3d牛彩网和值走势图 | 3d预测 下一期 3d预测专家 3d预测 | 3d精选号码推荐今天最新 | 3d预测专家推荐号码推荐 | 龙头凤尾最准确预测 | 3d直选100%中奖绝技 | 3d推荐号今晚专家预测最准确 | 近300期3d和值走势图 | 3d买一个独胆中了得多少钱 | 3d今晚最准专家推荐号码 | 3d预测专家精准推荐号 | 3d杀码十大专家天齐网 | 3d个位振幅走势图近50期 | 3d今天中了多少注直选 | 3d最新专家预测推荐 | 今天3d专家预测号码 推荐 | 3d号码预测 | 今天十拿九稳号码预测 | 马后炮解3d太湖钓叟字谜总汇大全 | 3d最新专家预测汇总 | 3d和值基本走势图 | 于海滨最新3d预测今天 | 今天3d必出一注 | 3d今天精准一注 | 3d太湖钓叟字谜三字诀了3d开奖 | 3d之家北斗今日预测 | 今天彩报中心 3d图库 | 3d必中直选 | 3d开机号试机号奖号 | 3d推荐号3d推荐号码 | 最准的3d专家预测 | 今天3d于海滨预测 | 于海滨海3d预测免费每日精选3d开奖号 | 3d于海滨预测预测牛彩网 | 3d和值尾振幅走势图彩宝贝 | 3d的预测号 | 钱王点评钱王老头预测 | 3d今日预测最准专家预测 | 3d藏机图正版藏机图汇总今天最新图片 | 3d最新基本走势图表 | 3d近200期试机号和开奖号码 | 3d专家预测最新最准推荐 | 三d预测专家预测今天最新 3d专家预测最准最新今天 | 3d字谜图谜总汇 | 3d之家双胆独胆预测 | 福彩3D独胆下一期必中 | 中国福彩3D独胆独家必中 | 廊坊鸿运3d推荐今天 | 3d今晚专家预测推荐 | 3d专家推荐预测号 | 3d天中杀码图专区 | 3d和值和尾振幅走势图 | 3d千禧试机号关注码金码今天晚 | 3d专家预测最准最新今天 | 中国福彩3D独胆独家预测 | 3d推荐专家汇总 | 3d今天开机号试机号码 | 福彩3D独胆大神精准预测 | 十拿九稳专家最新预测 | 福体杀码王最新版本更新内容 | p3故事小王双胆下一今天 | 今天3d开机号关注号试机号金码 | 3d詹天佑3d预测 | 3d今天试机号开机号金码 | 于海滨海3d专家预测今天 | 3d专家今天预测汇总 | 今晚3d开奖直选结果 | 齐彩网3d专家预测 | 3d解太湖字谜汇总 | 3d单一跨度走势图表 | 3d推荐号今晚专家预测 | 陈华3d今晚就赌一个胆天齐网 | 3d专家预测最准确| 2009年浙江风采3d走势图 | 3d独胆双胆专家预测网 | 3d预测 下一期 3d预测专家 3d预测 | 于海滨点评专家一语保真 | 今日排五专家推荐与预测 | 唐龙点评每日一胆龙 | 最准3d预测专家推荐号 | 于海滨的今日预测 | 3d今晚出什么号? | 杀码3d杀码图 | 于海滨专家一语定胆十每日 | 于海滨最新3d预测今天 | 于海滨海3d专家杀码 | 于海滨专家一语定胆十每日 | 今晚3d开奖直选结果 | 于海滨海3d预测牛彩网 | 3d今天最新最准专家预测最 | 3d正版太湖字谜图谜 | 3d十位走势图彩经网 | 3d最精准独胆王 | 3d预测专家最准确的专家预测今晚 | 于海滨3d今晚预测 | 3d专家预测最准双胆 | 于海滨预测3d号 | 太湖钓叟排三字诀字谜 | 3d今天专家预测最准确 | 3d天齐网最准预测 | 3d专家最新最准专家预测 | 今天3d推荐号码今晚预测 | 3d预测詹天佑最新 | 最新3d预测专家预测 | 3d今晚上必出号推荐组 | 3d今天开机号试机号码 | 于海滨海3d预测今天 | 2012099期3d开奖结果 | 投资计划独胆三天计划 | 3d和值尾振幅走势图近50期 | 3d太湖一语定胆字谜论坛 | 3d今晚专家预测推荐号 | 3d詹天佑预测分析牛彩网 | 中国福彩3D独胆明日推荐最新 | 太湖三字诀字谜三 | 今天3d牛彩网专家预测 | 十拿九稳预测专家分析 | 3d今晚预测直选四注 | 3d十大专家推荐号码汇总 | 今于海滨3d预测今天牛彩网 | 3d十大专家推荐号码汇总 | 专家预测3d号码准确 | 3d开机号,试机号和开奖号 | 3d最准一个独胆方法 | 3d推荐牛彩网 | 于海滨3d预测专家今天 | 今日3d推荐号码号 | 3d今晚预测准确的专家预测 | 3d火火人独胆双胆必中 | 3d最准的预测专家 | 3d百位十位个位走势图 | 3d小龙一句定三码今日字谜天中图 | 3d直选一注预测 | 今天3d出的什么号 | 豪哥看3d定位 | 3d谜语解太湖字谜 | 3d毒毒毒胆胆胆中中中 | 3d今晚最准的一注 | 3d独胆双胆独胆3d之村 | 3d今天开机号和试机号码牛彩网 | 藏机图3d正版总汇 | 3d试机号今天开机号查询结果 | 3d千禧试机号关注号金码号开机号 | 3d千禧试机号关注号金码号开机号 | 3d牛彩网试机号后专家预测汇总 | 3d两胆精准预测 | 3d最准杀码 | 3d专家预测推荐号最新 | 三d独胆王独胆双胆 | 3d今晚必中一注 | 3d独胆是什么意思 | 3d字谜太湖最新 | 3d专家预测最准确今天南方双彩网 | 3d今天专家预测最准确 | 3d陈华今晚就赌一胆o11预测 | 3d十大专家推荐号码汇总 | 3d今天开机号和试机号码 | 詹天佑3d预测推荐 | 天府袍哥3d预测 | 今晚3d开机号试机号 | 3d专家推荐号码 | 七爷独胆今晚一个胆 | 3d双胆独胆非常非常 | 3d今天试机号和开机号 | 3d最准确预测100%一注 | 今晚3d专家预测精选一注 | 最准确3d专家预测 | 3d预测专家最准确今天 | 3d开机号和试机号今天 今晚 | 今晚3d推荐号 | 今日钱王给胆点评 | 3d预测号码最准最新准专家预测号 | 3d试机号后专家预测推荐汇总 | 3d预测最新最准专家 | 3d千禧试机号开机号对应码关注号 | 于海滨海3d专家预测 | 3d预测专家最准确的专家预测今晚 | 3d正版藏机图总汇全图 | 解太湖3d字谜太湖 | 开奖结果3d今天晚上 | 顶级胆神双胆必下 | 机选一注3d | 今天3d字谜解太湖字谜 | 3d预测最准的专家预测 | 3d十大专家推荐号码汇总 | 3d今晚专家预测推荐 | 于海滨彩吧图库 | 3d专家预测更准确今天 | 今晚3d开奖号是多少 | 专家预测3d号码准确 | 中国福彩3D独胆实时精准预测 | 苦命人3d推荐一注 | 3d预测一注号推荐 | 今天3d开机号和试机号多少? | 千禧三地试机号对应码金码 | 6+1专家预测号| 今天的3d太湖字谜图 | 马到成功杀两码最新版本更新内容 | 3d专家最新最准专家预测汇总 | 3d预测专家最准确今天 | 詹天佑3d点评预测 | 今日3d专家预测号最准确 | 今晚3d开机号试机号金码关注码 | 今晚3d结果开奖号码 | 中国彩吧更一懂彩民最新版本更新时 | 3d专家预测最准确最新汇总 | 福彩3D独胆大神精准预测最新 | 投资计划独胆三天计划 | 大师诸葛亮今晚一个独胆 | 今天3d开机号和试机号多少 | 浙江风采3d走势图表 | 3d今于海滨杀码图 | 小龙一语定三胆3d今日字谜 | 3d走势图基本走势 | 3d免费专家预测推荐今天最新 | 3d于海杀码图 | 中国福彩3D独胆最新必中最新 | 3d今天预测汇总 | 今晚3d专家推荐号码是多少 | 3d今晚开奖号结果3b | 3d的开机号试机号奖号表 | 3d专家今日推荐号码 | 3d今晚专家预测推荐号 | 3d开机号和试机号码牛彩网 | 詹天佑3d预测推荐 | 于海滨3d预测 | 今天3d专家推荐号 | 3d专家预测最准今天 | 3D独胆独家推荐最新 | 3d今天预测最准确专家 | 3d推荐号今晚专家预测 | 老炮子预测今晚三地 | 3d往年历史今天开奖结果 | 中国福彩3D独胆当天精准预测最新 | 3d千禧开号试机号关注金码对 | 3d下期预测最精准的一注号码 | 福彩3D独胆内部杀号 | 3d今天专家预测最新最准 | 今日3d藏机图汇总 正版 新版 | 今日3d专家推荐号码 | 3d和值尾振幅走势图3d走势3d之家 | 辽宁独胆王三天计划 | 3d精准一注 | 3d预测专家汇总预测 | 今日3d推荐号码号 | 今晚3d开奖直选结果 | 3d今日号码推荐 | 3d最准确的专家预测 | 3d今天专家预测最准 | 3d今晚最新预测 | 3d牛彩网今天开机号试机号 | 3d各类和值谜追加汇总 | 千禧3d试机号关注码金码今天的 | 3d推荐号今晚专家预测 | 3d今天专家预测号码 | 3d今天开机号和试机号码 | 3d今晚预测最准确一注 | 3d今晚试机号是多少查询 | 3d今晚精彩预测 | 手机牛彩网3d预测 | 最新3d预测专家预测 | 3d于海滨预测预测牛彩网 | 3d今天预测最准确专家 | 今晚试机号多少3d | 今天3d开机号试机号对应码列表 | 3d和值专家推荐和值 | 3D独胆明日推荐最新 | 3d试机号历史出现情况天齐网 | 3d开机号试机号今天的 | 廊坊鸿运3d最新预测 | 3d直选一注50倍单挑 | 3d杀码专家大全 | 3d今天最新最准专家预测最 | 3d今晚十大专家预测汇总 | 牛彩网3d专家预测汇总 | 中国福彩3D独胆独家必中最新 | 3d和值012走势图带连线图 | 3d推荐牛彩网 | 于海滨3d今晚预测号码 | 三d便民字谜图谜总汇 | 3d今晚必出号| 3D独胆明日推荐最新 | 3d预测专家推荐最新 | 今日3d专家预测号码推荐 | 千禧开机号和试机号对应金码 | 太湖字谜3d和值谜 | 3d精选号码推荐今天最新 | 3d近100期开奖结果全部 | 3d开机号今天牛彩网近30期 | 3d一句定三码最准字谜 | 3d太湖钓叟字谜三字诀汇总 | 于海滨海3d专家预测 | 3d今天专家预测推荐号码 | 3d天齐网最准预测 | 唐龙3d预测号 | 今天3d开机号和试机号金码 | 3d紫云涧专家预测推荐 | 3d之家双胆独胆预测 | 3d精准预测最准的专家 | 3d试机号今天晚上是多少 | 牛彩网3d专家预测汇总 | 三天计划3d独胆必出论坛 | 3d太湖字谜总汇总(正版) | 太湖3d字谜图谜总汇 | 3d预测专家汇总预测 | 3d今晚预测最新最准确 | 于海滨专家预测 | 小红孩3d独胆今天 | 3d辽宁独胆王 | 今天3d马后炮解太湖字谜汇总 | 十拿九稳预测分析 | 开奖结果3d今天晚上 | 3d双飞怎么买多少钱一注 | 3d牛彩网采摘收集预测汇总 | 3d和值谜汇总大全 | 白鱼舟最新3d预测 | 于海滨专家预测 | 3d彩界精英独胆双胆 | 3d北斗专家北斗预测今天079期3d | 3d最精准的专家预测 | 至尊计划王三天计划独胆 | 3d下期预测最精准的一注号码 | 3d今晚最准专家预测号码 | 3d今晚推荐号 | 3d鸿运坊预测号 | 3d独胆王精准100% | 3b千喜今天试机号关注金码 | 于海滨专家3d预测 | 3d八哥图库总汇d字谜图谜总汇大全 | 于海滨点评专家一语定胆保真版 | 今天3d太湖钓叟字谜三字诀 | 3d今晚预测最新最准确号码牛彩网 | 3d专家预测最准 | 3d预测最精准一注 | 一代女王杀两胆 | 3d和值基本走势 | 3d牛彩网100期开机号和试机号 | 彩界毒胆大师一枚毒胆 | 3d彩宝网开机号和试机号 | 3d千禧今晚试机号码 | 3d白娘子跨度字谜汇总今天牛彩网 | 中国福彩3D独胆独家必中 | 3d预测最准确的专家 | 今天3d开机号和试机号多少? | 3d今晚专家预测 | 北斗3d今日专家预测推荐 | 3d专家预测最准确今天南方双彩网 | 今天3d开机号试机号码 | 三地千禧开机号试机号金码关注 | 3d陈华今晚独胆推荐 | 千禧之年3d开机号试机号金码关注 | 周星星3d预测手机牛彩网 | 3d连线走势图表图 | 3d号码预测| 3d彩宝网开机号和试机号 | 太湖钓叟三字诀字谜解释总汇 | 3d今天最新最准专家预测最 | 福彩3D独胆下期走势最新 | 三d十拿九稳预测号码 | 三d推荐号专家预测今天 | 3d开机试机号金码号关注号 | 3d预测最准专家预测号 | 3d最准预测专家推荐 | 于海滨3d预测天齐网 | 钱王点评十钱王老头给胆 | 3d杀码更准确 | 3d单个冷号最大遗漏 | 3d试机号后专家预测汇总手机网 | 今天太湖字谜3d字谜太湖钓叟 | 3d四码直选多少钱一注 | 3d最准专家预测号 | 3d太湖专家预测今晚 | 3d专家预测推荐汇总 | 3d最晚间字谜汇总大全 | 3d组选中一注多少钱 | 于海滨3d今晚预测 | 福彩3D独胆今日走势最新 | 3d财神爷今晚独胆 | 毒胆牛人三天计划今天 | 中国福彩3D独胆当天预测最新 | 今天3d专家解太湖字谜汇总 | 3d最准的预测专家 | 3d今晚专家预测推荐号 | 三d便民字谜图谜总汇 | 3d精准预测最准的专家 | 3d开机号今天近100期南方查询 | 3d开机号和试机号金码关注 | 3d今日预测最准专家预测 | 3d胆1拖9直选多少钱一注 | 3d今日专家推荐号 | 天天彩于海滨海3d最新预测 | 3d今晚预测准确的专家预测 | 牛彩网3d预测汇总大全 | 3d精准推荐号 | 于海滨海3d专家预测 | 3d预测最准确的专家 | 3d专家预测于海滨 | 中国福彩3D独胆今日精准预测 | 3d今晚预测一注 | 3d十位走势图带连线图表专业版 | 3d最新专家预测汇总大全 | 中国福彩3D独胆最新推荐最新 | 3d武当玉女掌门一句定三码字谜 | 3d预测专家推荐 | 3d今晚专家预测推荐 | 3d今晚开机号试机号金码关注码今天 | 3d专家预测号码最准确 | 牛彩预测汇总3d最新 | 3d今晚开机号试机号金码关注码今天 | 3d今晚最准专家推荐号 | 3d双胆最准100% | 3d单个冷号最大遗漏 | 3d预测最精准预测 | 3d今日预测最准专家预测 | 3d精准预测最准的专家 | 3d单个冷号最大遗漏 | 3d千禧试机号关注码金码今天晚 | 3d下期预测最精准的一注号码 | 今晚3d推荐号 | 詹天佑今日最新点评 | 太湖解太湖3d字谜 | 今晚3d专家预测精选一注 | 3d试机号3d之家金码 | 3d精准推荐号 | 今晚3d一注50倍 | 顶级胆神双胆下一 | 太湖钓叟3d字谜三字诀 | 了3d开奖结果 今天晚上 | 3d双胆大师今天 | 3d今日推荐号 | 今日3d蓝仙子一句定三码字谜 | 3d专家解今日太湖字谜汇总 | 于海滨海3d预测牛彩网 | 3d今天最新最准专家预测最 | 神仙姐姐杀码今天的 | 3d专家预测最准 | 3d彩宝贝试机号今天最新 | 3d预测是多少 | 排五预测专家预测 | 毒胆牛人三天计划必出 | 3d预测专家精准推荐 | 3d免费专家预测推荐今天最新 | 今天3d推荐号码今晚预测 | 三d预测专家预测 | 3d最新专家预测汇总 | 于海滨海3d专家预测今天 | 詹天佑今天3d推荐 | 3d今天开机号和试机号322 | 3d今晚最精准一注一注 | 于海滨海3d专家杀码 | 中国福彩3D独胆下期最新必中 | 3d家彩网 | 3d玩彩老头预测今天号码 | 排三专家推荐与预测今天 | 3d今天专家预测最准确 | 千禧3d试机号金码关注码对应码 | 《天才计划》三天计划独胆3d | 3d字谜今日字谜总汇 | 3d走势图的基本走势图 | 3d最精准专家预测汇总今天 | 今日钱王给胆点评 | 3d多少钱一注 | 3d走势图专家推荐号码 | 3d谜语今天字谜今天的3d字谜是什么? | 3d预测专家推荐最准确 | 千禧试机号及金码 | 3d今晚专家推荐预测重点号码 | 毒胆牛人三天计划必出 | 于海滨今日3d预测 | 3d预测专家最准确今天 | 3d邻孤传走势图乐彩 | 3d静态版预测静态版 | 3d预测最准专家预测牛彩网 | 3d紫云涧专家预测推荐 | 今晚3d预测专家预测号 | 3d牛彩网专家预测 | 3d太湖字谜总汇总(正版) | 三d今日太湖字谜解 | 3d专家预测最准确最新今晚预测 | 今日3d太湖字谜三字诀 | 玩彩独胆王三天计划 | 3d跨度五行走势图3d之家 | 福彩3D独胆今日走势最新 | 3d专家推荐最新预测 | 3d胆预测天齐网 | 牛彩网近30期3d开机号试机号 | 3d试机号和开机号牛彩网 | 3d专家预测于海滨 | 3d预测号最新最准牛彩网 | 3d今天试机号开机号关系 | 今日3d专家推荐号码 | 今天3d詹天佑预测分析 | 今晚3d出的什么号 | 3d大老人预测 | 3d鸿运坊预测号 | 专家推荐一注6+1 | 3d太湖字谜今天 | 3d预测推荐汇总牛彩网采摘收集 | 3d专家预测最准确今天南方双彩网 | 3d今晚出什么号? | 2014年359期3d焰舞字谜 | 3d专家今天推荐号 | 3d最精准的专家预测精选 | 拼搏在线3d开机号和试机号列表 | 三d预测专家最新推荐 | 3d谜语解太湖字谜 | 3d牛彩网专家预测 | 三3d太湖字谜 | 三d十拿九稳预测号码 | 3d独胆怎么打 | 3d跨度5有多少注 | 今日3d太湖字谜三字诀排三开奖结果 | 3d天宇和值谜字谜一句定三码 | 3d双飞大师双胆组合 | 万能三码的使用方法 | 3d最准专家预测 | 3d彩报图今天图库彩吧 | 3d预测专家最准确今天 | 3d跨度五行走势图3d之家 | 3d今晚最准三注 | 成功路上3d双胆独胆 | 太湖三字谜太湖3d钓叟 | 3d预测最准最新准专家预测号码 | 3d之家独胆,双胆 | 3d北斗专家北斗预测今天079期3d | 3d今天断组预测 | 于海滨海3d专家预测 | 3d今天的试机号开机号是多少 | 飞向阳光龙头凤尾预测 | 无敌胆王今日双胆 | 三d预测专家预测今天最新 3d专家预测最准最新今天 | 3d最精准专家预测汇总今天 | 3d于海滨上的今天预测保真 | 陈华3d今晚赌独一胆天齐网 | 三地杀码高手 | 3d独胆10中10 | 3d绝杀一码专家 | 3d今天单挑50信 | 3d今天专家推荐号码推荐 | 今天3d牛彩网专家预测 | 于海滨今日杀码图最新 | 3d和值走势图(专业版) | 3d和走势图 和值尾连线 | 中国福彩3D独胆最新走势 | 3d千禧试机号和金码关注 | 3d天宇和值谜字谜 | 3d今晚专家推荐预测重点号码 | 3d彩报图今天图库彩吧 | 中国福彩3D独胆最新必中 | 3d今晚推荐号码最新 | 小德3d今天双胆定位 | 3d综合走势图直选 | 3d专家最新最准专家预测 | 三地千禧开机号试机号金码关注 | 今天晚上3d开奖 | 3d独胆王正版 | 3d今晚最准确一注 | 3d最精准的专家预测精选 | 3d试机号今天晚上是多少 | 于海滨3d预测今天 | 陈华今晚独胆特别关注 | 彩吧17500论坛 | 3d走势图基本走势 | 3d预测专家最准确今天 | 3d今晚惊天一注预测 | 3d胆王帅哥独胆双胆 | 试机号千禧关注金码 | 3d基本走势图 综合 太湖三字诀字谜三 | 3d陈华今晚就赌一胆今天最新消息 | 3d今天专家预测号码最准确 | 3d开机号试机号今天最新50期 | 3d和值和尾振幅走势图 | 最新3d预测专家预测 | 福彩3D独胆下期推荐最新 | 于海滨3d今晚预测 | 3d和值最近(500)期走势图 | 中国福彩3D独胆内部走势最新 | 李明启3d今晚预测专栏 | 今日3d专家预测号最准确 | 3d北斗专家北斗预测今天079期3d | 3d预测最准专家 | 詹天佑3d| 【独胆真准】3d | 张克永最新3d预测 | 3D独胆明日分析 | 牛彩网3d走势图表 | 陈华今晚就赌一个胆今天最新更新内容 | 三d开机号和试机号今天牛彩网彩 | 3d今天专家预测号码 | 太湖字谜马后炮3d总汇 | 小红人的三天计划最新版 | 3d杀码公式最新 | 3d预测最准最新牛彩网 | 钱王点评+钱王老头预测 | 3d最新专家预测推荐 | 财神爷独胆三天计划,就这么牛 | 3D独胆本期推荐最新 | 今天三d专家推荐号码 | 3d带线走势图牛彩网 | 3d精准定位专家预测 | 排5预测,最准排五专家 | 3d今日开机号和试机号及关注码 | 于海滨点评专家一注定胆保真版 | 今日3d专家推荐号码 | 福彩3D独胆下一期走势最新 | 3d今晚上专家推荐号 | 3d于海滨上的今天预测保真 | 今天晚上3d开奖结果 | 3d预测詹天佑最新 | 今天3d出的什么号 | 3d专家今日推荐号码 | 十大专家3d预测汇总 | 中国福彩3D独胆专家精准预测最新 | 3d今晚专家预测推荐号 | 龙头凤尾今日预测 | 3d专家预测推荐号码最准最新 | 3d跨度公式98准确率 | 今晚3d开奖号多少 | 3d今天开机号和试机号金码对应码 | 3d神仙姐姐独胆一个 | 3d于海滨上的今天预测 | 3d藏机图完整版今天 | 今晚最全3d晚间字谜汇总192期 | 3d今晚最准专家预测号码 | 3d一句定三码最准字谜 | 3d今天专家预测推荐号码 | 今晚3d专家推荐号码 | 牛彩网3d走势图表 | 3d独胆一个 | 今晚3d专家推荐号码是多少 | 3d专家预测号码最准确 | 排三专家推荐与预测今天 | 福彩3D独胆大神精准预测 | 3d今天专家推荐号码 | 十拿九稳预测专家分析 | 3d开机号和试机号近100期列表 | 3d预测最准专家预测牛彩网 | 3d双胆神算今天最新 | 3d专家预测最准最新 | 3d试机号后专家预测汇总 | 3d专家最准确推荐最新 | 于海滨精准杀码图 | 3d预测专家最准确的专家预测今晚 | 今晚解太湖3d字谜 | 牛彩网近30期3d开机号试机号 | 3d今天专家预测推荐号码 | 3d预测专家精准推荐 | 陈华3d今晚赌独一胆天齐网 | 于海滨专家一语定胆十每日 | 3d推荐号今日预测 | 小红人的三天计划最新版 | 于海滨杀码图谜 | 3D独胆本期推荐最新 | 3d专家预测号码最准确 | 3d两胆精准预测 | 今晚3d专家推荐号码 | 今日正版藏机图全部汇总 | 于海滨海3d预测牛彩网 | 3d预测最准专家预测号码 | 詹天佑3d今晚预测号码 | 3d真实的谎言正版和值字谜 | 3d预测 下一期 3d预测专家 3d预测 | 3d万能四码走势图表 | 3d专家预测最准确今天 | 今天3d藏机图正版藏机图藏机图太湖横屏 | 今天3d专家推荐重点号码 | 3d今晚最新预测 | 3d解太湖字谜汇总精选 | 3d打一个独胆中了多少钱 | 2025长期守号最佳5注推荐 | 3d走势图基本走势图 | 3d百位遗漏振幅走势图南方双彩网 | 今晚3d出的什么号 | 3d开奖必中 | 3d预测专家推荐最新 | 3d于海滨今天预测保真 | 3d中国独胆王今天 | 千禧3d试机号关注号 | 3d走势图专家推荐号码 | 3d今晚上专家推荐号 | 今日3d马后炮解太湖字谜 | 3d试机号开机号关注号金码 | 毒胆牛人三天计划 | 3d预测最准的专家预测 | 3d开奖号今晚 | 3d今晚最准专家预测号码 | 今日排三太湖钓叟字谜三字诀 | 中国福彩3D独胆今日走势最新 | 3d独胆专家推荐独胆 | 3d字太湖叟字谜 | 3d预测专家推荐号码 | 千禧3d试机号金码今天关注码对应码 | 今日3d专家预测号最准确 | 3d预测最准的专家预测 | 3D独胆内部精准预测 | 3d推荐号今晚专家预测 | 3d精选号码推荐今天最新 | 今晚3d推荐号 | 3d综合走势图直选 | 3d独胆双胆专家预测网 | 3d开机号近200期历史记录 | 3d十大专家推荐号码汇总 | 3d推荐号今晚专家预测 | 3d推荐最新最准专家预测 | 3D独胆大神杀号最新 | 3d独胆双胆独胆3d之村 | 3d今晚专家预测推荐 | 3d今天推荐号码是多少 | 三d开机号和试机号今天牛彩网彩 | 3d千禧开机号和100期试机号 | 千禧试机号及金码 | 布衣杀码图3d杀码 | 于海滨海3d预测免费每日精选3d开奖号 | 3d跨走势图带连线走势图 | 3d最全晚间字谜汇总大全 | 3d专家预测推荐号码 | 今日3d正版藏机图,藏机图汇总,天中网 | 3d推荐号今日预测 | 3d今天开机号和试机号码727 | 3d推荐号码今晚预测 | 3d专家预测推荐号码最准最新 | 今天的3d推荐号码是多少 | 3d马前屁解太湖字谜 | 3d孙大财就赌一个胆 | 太湖试机号后一句定三码3d字谜 | 今日3d开机号和试机号列表三十期 | 3d精准直选一注 | 今天3d专家预测号码 推荐 | 3d试机号开机号关注号金码 | 3d专家预测最准确号码 | 3d今天专家推荐号码推荐 | 西施姐姐精心推算一独胆146 | 福彩3D独胆今晚走势最新 | 中国杀码王3d绝杀 | 3d专家预测最准确最新今天牛彩 | 布衣杀码图3d杀码 | 3d千禧试机号码金码关注码 | 詹天佑今日最新点评 | 三d之家独胆 | 于海滨杀码图 | 3d真实的谎言正版和值字谜 | 今天专家推荐号码3d | 专家预测3d预测 | 3d家彩预测| 中国福彩3D独胆最新必中 | 3d开奖号码今晚走势图 | 今日3d直选 | 3d牛彩网和值走势图 | 李明启3d预测最新号码 | 开心毒胆王今晚独胆 | 3d于海滨预测预测牛彩网 | 3d试机号开机号关注号金码 | 全民胆王3d独胆一个 | 3d今于海滨杀码图 | 3d专家今天预测汇总 | 3d武当玉女掌门一句定三码字谜 | 最准的3d专家预测 | 福彩3D独胆下期最新分析 | 3d试机号开机号今天晚上金码号 | 3d公式计算方法 | 太湖钓叟三字诀字谜解释总汇 | 福彩3D独胆高手杀号最新 | 3d千禧试机号开机号金码 | 3d最新最准专家预测号码 | 今天3d牛彩网专家预测 | 3d专家预测最准确最新推荐号码 | 3d今天预测最准确专家 | 3d今晚上预测号码 | 3d最准专家预测号今晚3d试机号 | 今晚3d试机号开机号金码号 | 千禧3d试机号金码今天关注码对应码 | 3d直选一注必中 | 3d百十个位杀码家彩网 | 今日3d专家预测号最准确 | 中国福彩3D独胆专家推荐最新 | 3d今天最新最准专家预测最 | 3d平均值走势图振幅3d之家 | 三d十拿九稳预测号码 | 3d最准预测专家预测大 | 3d直选三注| 詹天佑3d最新预测今天 | 3d开机号,试机号,金码号,对应码100 | 毒牛人三天计划 | 3d试机号开奖号走势图表 | 成功路上3d双胆独胆 | 3d彩吧图库手机牛彩网 | 三d开机号和试机号今天牛彩网彩 | 三d预测专家最新推荐 | 李明启3d最新预测今天 | 六鬼神算图3d谜图 | 铁人铁胆定位包是预测 | 3d太湖字谜总汇大全 每天更新 | 3d预测专家汇总预测 | 3d金胆王 | 3d近300期试机号和开奖号码 | 3d今天开机号试机号牛彩网 | 最精准杀码王 | 于海滨最新3d预测推荐今天 | 明天太湖3d三字诀 | 三d预测专家预测今天最新 3d专家预测最准最新今天 | 3d最准杀码 | 今日3d预测 | 3d最准预测号| 3D独胆大神命中率最新 | 今晚3d专家推荐号码是多少 | 3d今天开机号和试机号码 | 今于海滨3d预测今天牛彩网 | 3d走势图带连线图表 | 3d于海滨上的今天预测保真 | 3D独胆独家杀号 | 于海滨点评专家一语保真 | 3d预测最准的专家预测 | 3d预测是多少 | 排3太湖钓叟字谜三字诀 | 3d十大专家预测汇总 | 55125预测汇总3d| 3d之家预测专家预测 | 中国福彩3D独胆实时必中最新 | 今天3d推荐号码今晚预测 | 3d和值最近(500)期走势图 | 十拿九稳今天预测专家 | 3d试机号近30期牛彩网 | 3d阿福图库图谜大全 | 3d今日牛彩网 | 今晚3d专家推荐号码是多少 | 大师诸葛亮今晚一个独胆 | 詹天佑3d推荐| 钱王点评+钱王老头预测 | 今日正版3d藏机图汇总 预测 | 今天3d太湖字谜三字诀 | 今日期3d太湖字谜 | 3d十位走势图彩经网 | 3d直选三注必中免费 | 卫星电话最建议买的三个型号 | 3d于海滨上的今天预测保真 | 中国福彩3D独胆独家必中最新 | 3d今天预测最准确专家 | 3d今天最新最准专家预测最 | 3d独胆双胆独胆3d之村 | 今天专家推荐号码3d | 于海滨杀码图 | 今日精准预测推荐3d号码 | 于海滨最新3d预测推荐今天 | 3d开机号和试机号金码和关注码 | 中国福彩3D独胆下期最新必中最新 | 3d铁人包星定胆天齐网 | bbs,55125:cn彩吧论坛 | 于海滨点评加专家一语 | 3d两胆精准预测 | 于海滨一语定胆保真 | 3d双胆,独胆非常非常稳定 | 彩宝3d专业走势图 | 3d试机号开机号今天金码关注 | 千禧关注码试机号金码 | 钱王点评钱王老头预测 | 3d今晚专家预测推荐 | 今天3d字谜3d一句定三码3d和值谜 | 今晚3d开机号试机号金码关注码 | 3d今天专家推荐号码推荐 | 3d最新专家预测推荐 | 【开心毒胆】今天 | 3d詹天佑预测汇总 | 3d詹天佑最新预测牛彩网 | 3d专家预测最准确最新今晚预测 | 于海滨3d预测今天 | 3d顶级胆神双胆 | 3d预测专家准确推荐 | 今天3d专家预测汇总 | 最准3d预测专家推荐号 | 97654天中图库,今天晚3d试机号 | 神仙姐姐杀尾 | 3d今晚最新奖号 | 于海滨海3d专家预测今天 | 3d今晚开奖号多少 | 中国福彩3D独胆下期推荐 | 杀码是什么意思 | 3d今天最新最准专家预测最 | 今天3d开机号试机号对应码列表 | 3d独胆必下一独胆 | 3d独胆双胆下一 | 3d今日预测最准专家预测 | 3d预测最准确专家预测牛彩网 | 今晚上3d开奖号码 | 陈华今天就赌一个胆3d | 今日3d开奖号太湖字谜总汇 | 3d今晚最准专家预测号码 | 3d今晚预测最新最准确号码牛彩网 | 最准的3d专家预测 | 玩胆先生今晚双胆 | 3d今晚预测最新最准确号码牛彩网 | 3d今天开机号和试机号查询100期 | 3d字谜太湖字 | 3d最准预测专家推荐 | 3d今晚专家预测推荐 | 3d今晚试机号开奖号 | 3d今天预测最准确专家 | 今晚3d一注直选 | 3d免费专家预测推荐今天最新 | 千禧3d关注码 | 3d的预测号是多少 | 3d今晚开奖结果号码是 | 3d开机号试机号关注号金码对应码 | 今晚三d推荐什么号码 | 3D独胆实时必中最新 | 3d专家今日推荐号码 | 3d预测推荐汇总大全 | 3d最准专家预测号今晚3d试机号 | 3d千禧试机号码金码关注码 | 3d预测今日最新推荐 | 3d今晚专家预测最准确一注 | 3d十大专家汇总精选一注 | 3d试机号后专家推荐汇总 | 三d字谜图谜总汇牛彩网 | 中国福彩3D独胆实时推荐 | 3d推荐号今日预测 | 于海滨今天3d预测号 | 3d太湖字谜每天更新 | 今日3d太湖字谜三字诀排三开奖结果 | 千禧试机号金码关注码的历史记录 | 福彩3D独胆下一期走势最新 | 太湖钓叟三字诀字谜更新 | 今天的3d开机号和试机号查询 | 3d预测最新最准专家推荐号码 | 3d小鱼图今日背面字谜 | 3d双胆独胆推荐 | 3d最准确预测专家 | 解3d太湖钓叟字谜汇总 | 中国福彩3D独胆团队命中率最新 | 3d今天开机号和试机号码 | 3d跨度振幅3d之家走势图 | 3d今晚专家预测最准确一注 | 最准3d专家预测推荐 | 3d于海滨上的今天预测保真 | 毒胆牛人三天计划必出 | 3d预测最准专家预测 | 3d独胆专家预测 | 3d开机号和试机号码牛彩网 | 今天3d开机号试机号码 | 3d开机号和试机号码牛彩网 | 3d专家预测最准确最新今天 | 陈华今晚就赌一个胆今天最新更新内容 | 3d组选中一注多少钱 | 3d最精准的专家预测精选 | 3d专家预测推荐号码 | 3d预测今晚最准专家预测号码 | 3d预测一注号推荐今晚 | 今天3d太湖钓叟字谜三字诀 | 3d小差振幅走势图表图 | 于海滨海3d专家预测今天 | 3d今晚上专家推荐号 | 3d开机号近30期列表彩宝网 | 3d今晚预测一注 | 杀码王杀码 | 3d今日号码推荐 | 3d预测今晚最准专家预测号码 | 7号电池最建议买的三个型号 | 三d预测最准十专家预测今晚 | 今天专家推荐号码3d | 于海滨3d预测免费每日精选 | 3d最新专家预测汇总大全 | 于海滨3d杀码图 | 3d直选走势图(专业版) | 唐龙一胆今天最新 | 3d专家今天推荐号码推荐 | 3d开机号和试机号金码关注对应号 | 于海滨今天杀码 | 3d今日预测推荐号 | 今于海滨3d预测今天牛彩网 | 3d走势图(带连线版) 试机号 | 2012099期3d开奖结果 | 3d预测专家最准确的专家预测今晚 | 今日3d开机号和试机号关注码千禧 | 3d最近1000期走势图表综合版图片 | 3d专家预测最准确 | 3d今天专家推荐号码 | 3d今晚专家预测 | 3d千禧开号试机号关注金码对 | 3d千禧开号试机号关注金码对 | 3d今日预测推荐号 | 牛彩网杀码图汇总 | 于海滨点评专家一注定胆保真版162期 | 中国福彩3D独胆实时推荐 | 3d预测专家最准确的专家预测今晚 | 3d推荐专家汇总 | 3d连线走势图表图 | 今晚3d开奖号是多少 | 3d今晚必中一注 | 3d今日专家推荐 | 3d试机号开机号关注号金码 | 3d跨度振幅走势图3d专家 | 3d詹天佑预测汇总 | 3d最准专家预测号 | 3d于海滨一语定胆今天 | 3d今天开机号试机号金码关注号 | 3d预测专家推荐号码推荐 | 3d专家预测汇总牛彩网 | 3d今晚推荐号码最新 | 今天3d牛彩网专家预测 | 今日3d专家预测号码 | 3d专家预测最准确最新今天牛彩 | 3d下期预测最精准的一注号码 | 福彩3D独胆老师必中 | 3d今晚最准专家预测号码 | 唐龙一语定胆3d今天 | 3d最全晚间字谜汇总大全 | 今晚3d开奖号是多少 | 三d试机号后专家预测汇总 于海滨专家3d今天预测 | 中国福彩3D独胆下期推荐 | 3d最准确最新专家预测 | 3d任意两码差值尾走势图 | 3d专家今天推荐号 | 三d预测专家最新推荐 | 福彩3D独胆专家杀号 | 唐龙点评3d预测今天 | 试机号千禧关注金码 | 铁人真胆一句定三码3d字谜彩搜网 | 3D独胆今晚命中率 | 3d小胆神独胆今天 | 千禧试机号关注金码是什么 | 3d今晚最稳一注 | 今于海滨3d预测今天牛彩网 | 拼搏在线3d开机号和试机号列表 | 3d预测专家最准确 | 3d两胆精准预测 | 独胆计划王 | 3d今晚预测最新最准确号码牛彩网 | 3d今日预测最准专家预测 | 3d今天精准一注 | 今天3d开奖号是多少 | 中国福彩3D独胆独家必中最新 | 3d专家预测最准确最新汇总 | 3d今晚惊天一注预测 | 3d最新专家预测汇总大全 | 于海滨3d杀码图 | 太湖叟3d字谜湖字谜 | 三地千禧开机号试机号金码关注 | 3d预测最准确专家预测牛彩网 | 3d今晚最准专家推荐号码 | 今于海滨点评专家一语定胆 | 3d杀码图| 十拿九稳预测分析 | 开心笨小孩3d独胆 | 3d中奖情况| 3d今晚开机号试机号金码关注码今天 | 今日3d预测号码推荐 | 3d今天开机号和试机号查询100期 | 3d成功路上人双胆独胆 | 今日排五专家推荐与预测 | 于海滨3d预测免费 | 今天3d开机号和试机号多少? | 中国福彩3D独胆下期推荐推荐最新 | 3d最新基本走势图表 | 今晚3d专家推荐 | 于海滨点评专家一语定胆保真版 | 3d预测今晚最准专家预测号码 | 今日焰舞3d焰舞字谜汇总大全 | 3d试机号和开机号牛彩网 | 3d预测最准确的专家 | 今日3d太湖字谜三字诀排三开奖结果 | 詹天佑3d今日推荐 | 3d十大专家杀跨度汇总 | 最准确3d专家预测 | 近10期3d开奖结果 | 3d藏机诗藏机图天中图库 | 3d孔方来萃解太湖字谜 | 今天3d字谜3d一句定三码3d和值谜 | 于海滨3d最新预测 | 3d和值振幅走势图带连线坐标 | 3d单一跨度走势图表 | 3d六码复式多少钱一注 | 3d近30期开机号试机号牛彩网 | 最准3d预测专家推荐号 | 3d最新专家预测汇总大全 | 中国福彩3D独胆团队命中率最新 | 今天太湖字谜3d字谜太湖钓叟 | 小财神三天计划独胆 | 3d今晚上预测号码 | 助赢计划软件官网版下载 | 于海滨今天杀码 | 3d开机号今天近100期南方查询 | 3d历史今天开奖结果 | 3d最精准的专家预测精选 | 千禧试机号及金码 | 七爷独胆今晚一个胆 | 3d试机号后专家预测推荐汇总 | 中国福彩3D独胆今日走势最新 | 3d开机号试机号今天最新50期 | 今晚3d预测最准一注 | 3d专家预测号 | 今于海滨一语定胆保真今天 | 3d最新专家预测汇总 | 于海滨3d今晚预测号码 | 3d专家预测最准确今天上一期 | 千禧3d试机号关注码金码今天的 | 3d今晚预测100% | 3d牛彩网试机号后专家预测汇总 | 3d今天的试机号开机号是多少 | 千禧试机号金码关注号对应码杀码 | 解3d太湖钓叟字谜汇总 | 今晚3d专家预测最准确 | 今天3d金码试机号对应码开机号 | 今日3d太湖字谜每天更新 | 3d十大专家双胆预测汇总 | 3d试机号开机号号码今天 | 97654天中图库,今天晚3d试机号 | 3d上下五千年专家预测 | 3d今天专家推荐号码 | 牛彩网3d预测汇总大全手机版下载 | 3d预测最准确的专家 | 神仙姐姐独胆一个 | 3d解太湖字谜汇总精选 | 3d近100期试机号和开奖号是多少 | 今日3d藏机图正版藏机图310 | 3d今晚最精准专家 | 3d试机号今晚牛彩网 | 2002146期3d开奖结果 | 3d今晚必中三个号码预测 | 于海滨3d预测牛彩网 | 3d今晚最准专家预测号码145 | 3d于海滨预测 | 3d推荐号今日预测 | 今于海滨3d杀码图24210 | 3d最新专家预测推荐 | 陈华今天就赌一个胆3d | 3d跨度分位走势图图感觉 | 福彩3D独胆最新推荐最新 | 龙彩居士3d预测今天最新版 | 试机号开机号金码关注号对应码3d | 3d预测推荐 | 3d十大专家汇总精选一注 | 专家预测3d号码准确 | 3d开机号和试机号今天全部 | 3d预测牛彩网预测汇总 | 3d预测最新最准专家 | 真实的谎言3d字谜追加和值谜 | 3d陈华今晚就赌一胆天齐网 | 3d专家预测汇总牛彩网收集汇总 | 3d免费预测汇总牛彩网 | 3d双胆预测 | 3d专家预测推荐 | 于海滨海3d预测保真 | 3d开机号和试机号今天金码0 | 3d藏机图天齐正版藏机图 | 张克永3d预测今天 | 3d今晚试机号是多少查询 | 3d个位走势图表 | bbs,55125:cn彩吧论坛 | 3d今天专家推荐号码推荐 | 千禧3d试机号关注号 | 3d上下五千年专家预测 | 三d试机号后专家预测汇总 于海滨专家3d今天预测 | 3d今晚上必出号推荐组 | 3d成功路上人双胆独胆 | 飞向阳光龙头凤尾今天最新消息 | 最准3d专家预测推荐 | 3d今天最新最准专家预测最 | 3d试机号后专家推荐汇总 | 3d藏机图正版藏机图全图牛彩网 | 3d百位四胆 | 3d预测专家准确推荐 | 3d买一个独胆中了得多少钱 | 今晚3d专家推荐号码是多少 | 3d今日专家推荐号 | 3d试机号后专家预测推荐汇总 | 3d机选一注 | 今日3d字谜太湖钓叟字谜 | 今日正版3d藏机图全部汇总 | 3D独胆大神命中率最新 | 3d预测专家最准确的专家预测今晚 | 于海滨杀码今天最新版 | 解太湖3d字谜太湖 | 福体杀码王最新版本更新内容 | 3d今晚专家预测最准确一注 | 3d今晚精选预测一注 | 3d今天最准专家预测 | 太湖钓叟3d字谜太湖字 | 今晚最准一注3d | 3d字字谜图谜总汇 | 3d十大专家预测汇总 | 3d今晚最准专家预测号码145 | 今日3d推荐号码号 | 孟庆会老师3d分析预测 | 3d预测最准专家预测号码 | 3d预测一注号推荐 | 3d专家预测推荐号码 | 今天3d开机号和试机号全部 | 3d和值和尾振幅走势图 | 3d最精准的专家预测 | 3d千禧开机号试机号关注金码对应码 | 三d预测专家最新推荐 | 3d一定牛专家预测推荐 | 三d预测汇总 | 3d预测最准的专家 | 3d机选一注 | 今晚3d出的什么号 | 3d字谜汇总大全总汇大全 | 3d试机号是多少牛彩网 | 今日3d专家预测号码推荐 | 3d开机号码试机号牛彩网 | 今晚3d之家 | 3d预测专家最准最新 | 3d今晚预测最准确一注 | 排五开机号试机号今天查询 | 3d预测专家推荐最准确 | 3d开机号和试机号今天金码0 | 今日正版3d藏机图汇总 预测 | 于海滨3d预测牛彩网 | 3d今晚必出一注100%准确直选推荐 | 3d太湖字谜总汇大全 每天更新 | 3d绝杀二码今天最新更新内容 | 成功路上3d双胆独胆 | 3d今晚预测直选一注 | 3d今天开机号和试机号开奖结果 | 3d今天推荐号码是多少 | 今晚了3d开奖结果 | 千禧今晚3d试机号关注码金码 | 3d必中永久直选500注大底 | 3d布衣双胆独胆王 | 今日3d藏机图汇总 正版 新版 | 3d正版藏机图天齐网汇总 | 3d今晚出啥号 | 3d牛彩网字谜图谜汇总九 | 3d预测专家最准确 | 3d紫云涧专家预测推荐 | 今天专家推荐号码3d | 3d于海滨上的今天预测 | 3d今晚预测直选一注 | 詹天佑3d今晚预测号码 | 今日3d开奖号太湖字谜总汇 | 牛彩网3d预测汇总 | 3d十大专家推荐号码汇总 | 孟庆会老师3d分析预测 | 今日焰舞3d焰舞字谜汇总大全 | 3d千禧试机号开机号对应码关注号 | 3d专家预测最准确最新汇总 | 3d开机号试机号今天的 | 3d预测今晚最准专家预测号码 | 3d最精准专家预测汇总今天 | 3d精准预测最准的专家 | 千禧p3试机号关注号金胆对应号 | 3d正版藏机图天齐网汇总 | 中国福彩3D独胆今日走势最新 | 3d今天最新最准专家预测最 | 3d预测专家最准确的专家预测今晚 | 3d十大专家汇总精选一注 | 3d和走势图 和值尾连线 | 钱王今天3d预测号 | 3d预测最准最新准专家预测号码 | 三d牛彩网开机号试机号是多少 | 3D独胆大神命中率最新 | 3d今晚开奖号码结果是多少 | 3d预测专家精准推荐 | 中国福彩3D独胆下期分析最新 | 3d于海滨上的今天预测保真 | 3d下期预测最准一注 | 今天3d詹天佑预测分析 | 3d北斗专家北斗预测今天079期3d | 今晚3d专家推荐号码 | 天齐网3d首页保真版3d预测 | 3d今天开机号和试机号码牛彩网 | 3d定胆技巧准确率100% | 3d财神爷独胆双胆双飞计划三天 | 3d之家预测专家预测 | 3d今晚预测准确的专家预测 | 今日3d太湖字谜三字诀洞庭游侠 | 3d于海滨预测| 3d铁人包星定胆天齐网 | 3d专家预测最准确今天 | 3d预测今晚推荐号 | 神仙姐姐杀码今天的 | 3d藏机诗藏机图天中图库 | 千禧试机号金码关注 | 3d近30期开机号试机号开奖号查询 | 千禧3d试机号关注号 | 3D独胆今晚预测 | 3d专家今天预测汇总 | 最准3d预测专家推荐号 | 投资独胆三天计划论坛 | 3d专家最新最准专家预测汇总 | 3d双胆独胆非常非常稳定 | 3d千禧试机号开机号对应码关注号 | 3d今天专家预测推荐号码 | 今日3d开奖号太湖字谜总汇 | 3d万能大底共250注直选 | 3d精准预测最准的专家 | 3d北斗专家北斗预测今天079期3d | 3d独胆专家推荐独胆 | 于海滨3d今晚预测 | 3d公式计算方法 | 中国福彩3D独胆下期最新必中 | 千禧3d试机号金码今天关注码对应码 | 3d预测牛彩网| 3d杀码大全 天齐网 于海滨3d最新预测 千禧3d试机号金码关注码对应码今晚 | 助赢计划软件免费版下载安装 | 3d玩彩老头预测今天号码 | 3d专家预测最准确最新新闻 | 3d任意两码差值尾走势图 | 三d推荐号专家预测今天 | 近1000期3d开奖结果 | 十拿九稳预测专家分析 | 3d最精准专家预测汇总今天 | 3d太湖字谜图谜总汇 | 于海滨一语定胆《保真》 | 3d推荐号今晚专家预测 | 3d开机号试机号今天开奖号 | 3d爱心角落试后一注 | 3d今天开机号试机号金码关注号 | 3d最精准专家预测汇总今天 | 3d双胆预测| 3d杀码公式最新 | 3d长中剑客预测今天 | 3d试机号开奖号走势图表 | 三d预测专家预测今天最新 3d专家预测最准最新今天 | 3d藏机图正版藏机图诗汇总 | 詹天佑3d预测号 | 3d陈华今晚独胆推荐 | 3d带连线走势图(专业版) | 3b千喜今天试机号关注金码 | 福彩3D独胆下一期推荐最新 | 3d今晚和值字谜 | 福彩3D独胆下期杀号最新 | 3d今晚一注 | 3d专家预测最新最准推荐 | 詹天佑今天3d推荐 | 詹天佑3d预测推荐 | 中国福彩3D独胆当天预测最新 | 3d今天最新最准专家预测最 | 3d的开机号试机号奖号表 | 3d每天一个独胆 | 马后炮解3d太湖字谜 | 3d独胆王定位独胆定位 | 3d双飞怎么买多少钱一注 | 3d振幅和值尾走势图 | 今晚3d专家预测精选一注 | 3d最新最准专家预测号码 | 于海滨海3d预测牛彩网 | 3d独胆双胆专家预测网 | 至尊计划王三天计划独胆 | 3d百十差振幅走势图 | 3d预测专家最准确今天 | 3d太湖字谜字谜汇总 | 3d今晚专家推荐预测重点号码 | 3d预测专家最准确的专家预测 | 3d今日开机号和试机号及关注码 | 3d彩吧预测,预测 | 今晚3d专家最精准的预测 | 3d直选三注| 3d今晚预测最新最准确号码牛彩网 | 今日3d预测号码推荐 | 今天3d开机号和试机号对应金码 | 3d今天最新最准专家预测最 | 廊坊鸿运3d推荐今天 | 千禧3d试机号关注号 | 福彩3D独胆明日分析 | 于海滨3d最新预测 | 最新3d预测专家预测 | 牛彩网3d专家预测汇总摘要 | 3d今晚字谜太湖字谜是什么 | 3d预测最精准预测 | 《金银胆神》金胆银胆3d最新一期开奖 | 3d直选综合走势图表图 | 千禧3d今天的试机号 | 3d振幅和值尾走势图 | 3d最大值振幅走势图3之家 | 3d太湖字谜大全 太湖钓叟 | 北斗3d今日专家预测推荐 | 3d恋预测今晚预测是哪里出的 | 于海滨点评专家一注定胆保真版 | 3d免费预测 | 今天牛兄双胆 | 3d预测最准的专家预测 | 今于海滨3d预测今天牛彩网 | 今日3d太湖字谜三字诀排三开奖结果 | 3d今晚上推荐号码 | 3d今晚专家预测推荐号 | 于海滨3d预测专家今天 | 最新3d预测专家预测 | 3d专家预测最准牛彩网 | 3d紫云涧专家预测推荐 | 中国福彩3D独胆最新必中最新 | 3d十大专家精准预测汇总 | 于海滨3d预测牛彩网 | 3d小龙一句定三码今日字谜天中图 | 于海滨杀码图天齐网 | 3d最准预测号 | 3d今晚最准专家预测号码145 | 于海滨海3d预测免费每日精选3d开奖号 | 3d小胆神独胆今天 | 詹天佑今日最新点评 | 3d跨走势图带连线走势图 | 最准3d专家预测推荐 | 3d今天专家推荐号码推荐 | 今晚3d预测推荐一注 | 今晚3d必出号 | 3d北斗专家北斗预测今天079期3d | 3d北斗专家北斗预测今天079期3d | 福彩3D独胆下期推荐预测 | 今晚3d专家预测 | 3d今天专家预测号码最准确 | 3d预测最准专家预测牛彩网 | 于海滨3d免费预测最新的 | 3d今晚专家推荐 | 今天3d开机号 试机号是多少 | 3d最小值振幅走势图3d之家 | 今日焰舞3d焰舞字谜汇总大全 | 最准3d专家预测推荐 | 3d今晚试机号开奖号 | 孟庆会3d预测今天 | 3d今天开机号和试机号牛彩网 | 三d之家独胆| 拼搏在线3d开机号和试机号列表 | 3d预测最准确的专家 | 3d近15期开奖号码结果 | 3d最新最准专家预测号码 | 今晚3d专家推荐号 | 北斗3d今日专家预测推荐 | 3d预测专家最准确 | 中国福彩3D独胆专家精准预测最新 | 试机号后牛彩网专家预测3d | 3d今晚专家预测重点号码 | 2014年359期3d焰舞字谜 | 3d十大专家汇总精选一注 | 3d北斗专家北斗预测今天079期3d | 3d彩宝贝试机号今天最新 | 今天3d专家预测号码 推荐 | 3d预测最准确的专家 | 中国福彩3D独胆大神命中率 | 詹天佑3d预测 | 3d千禧开机号和试机号码 | 3d今晚一注推荐 | 3d开机号,试机号,金码号,对应码100 | 今晚3d专家推荐号码是多少 | 中国福彩3D独胆大神命中率 | 3d今日预测最准专家预测 | 3d最精准专家预测汇总今天 | 3d专家预测最准最新 | 今于海滨3d预测今天单线联系 | 中国福彩3D独胆下期最新必中 | 孟庆会专家3d预测 | 于海滨海3d专家预测今天 | 3d百个和值尾振幅走势图 | 3d今晚最准专家预测号码 | 孟庆会3d预测今天 | 3d预测最准确的专家 | 小龙一语定三胆3d今日字谜 | 3d十大专家推荐号码汇总 | 3d火火独胆双胆 | 千禧3d试机号金码关注码今天 | 3d陈华今晚就赌一胆o11预测 | 3d百位十位个位走势图 | 3d今日专家推荐号 | 今晚3d直选推荐 | 牛彩网3d专家预测汇总 | 中国福彩3D独胆当天走势最新 | 3d专家今天推荐号 | 3d今晚最准最新专家推荐号 | 3d精选号码推荐今天最新 | 3d字谜总汇今日3d字谜总汇牛彩网 | 3d今晚最佳和值 | 财神一注3d | 3d专家预测最准确今天上一期 | 3d专家推荐精选号码 | 詹天佑今天3d推荐 | 3d专家预测最准确最新新闻 | 3d专家推荐今天 | 至尊计划王三天计划独胆 | 今天p3藏机图正版藏机图 | 3d最准确最新专家预测 | 今日3d专家预测号码推荐 | 今天晚上三d开奖结果 | 小红人的计划三天计划独胆 | 3d中间最小两码差值振幅走势图 | 3d预测最准的专家预测 | 太湖钓叟三字诀字谜解释总汇 | 3d最大值振幅走势图彩经 | 3d今晚最准专家推荐号码 | 徐文轩3d预测推荐 | 3d专家今天推荐号 | 3d直选是什么意思 | 3d今晚十大专家预测汇总 | 3d预测牛彩网预测汇总 | 今于海滨3d杀码 | 于海滨3d预测号 | 3d今晚100倍 万能三码的使用方法 | 今天3d专家预测号码 | 牛彩网p3专家预测汇总 | 3d预测专家推荐最准确 | 3d专家预测最准确今天 | 3d专家最准确预测 | 3d试机号后专家推荐汇总 | 今天3d开机号关注号试机号金码 | 3d彩报图今天的第五版 | 3d今天专家推荐号码 | 3d太湖字太湖字谜 | 三七进二得三码猜一生肖 | 今天晚上的3d开奖结果 | 3d今晚开奖号多少 | 于海滨3d今晚预测号码 | 3d今天专家预测推荐号码 | 3d近300期试机号和开奖号码 | 3d北丐七爷独胆 | 3d农村小伙子最新预测 | 于海滨专家预测3d | 3d最准专家预测 | 3d十大专家精准预测汇总 | 于海滨3d免费预测 | 3d今天专家预测号码最准确 | 3d最新专家预测推荐 | 3d于海滨一语定胆《保真》 | 今晚3d专家最精准的预测 | 3d杀码十大专家 | 3d今天专家预测推荐号码 | 陈华今天就赌一个胆3d | 太湖钓叟三字诀字谜更新 | 陈华今晚就赌一个胆预测 | 3d专家预测最准双胆 | 3d白娘子跨度字谜汇总今天牛彩网 | 3d今日预测最准专家预测 | 陈华今晚就赌一个胆今天最新更新内容 | 故事小王p3双胆必下 | 3d推荐号今晚专家预测 | 3d今日预测最准专家预测 | 3d今天专家预测最准确 | 3d今日正版藏机图最新更新内容 | 千禧3d试机号关注码今天 | 十拿九稳预测专家分析 | 3d预测专家最准确的专家预测昨天 | 今天3d专家预测号码 | 3d开机号和试机号码牛彩网 | 3d詹天佑最新预测今天 | 3d陈华今晚独胆预测 | 3d今天开机号和试机号多少 | 3d精准预测推荐 | 今日3d专家预测总汇 | 3d百位个位和值走势图 | 福彩3D独胆下一期命中率最新 | 于海滨海3d专家杀码 | 3d今晚最准最新专家推荐号 | 3d今晚上专家推荐号 | 今日3d太湖三字谜 | 3d专家杀码天中图库 | 3d字太湖叟字谜 | 3d今晚上专家推荐号 | 3d字谜太湖钓叟三字诀今天 | 3d精准预测最准的专家直选 | 今日3d藏机图正版藏机图310 | 陈华今晚就赌一个胆今天最新更新内容 | 今天的3d开机号和试机号查询 | 今晚3d专家最精准的预测 | 3d预测今天推荐 | 今天晚上3d开奖 | 3d专家詹詹天佑最新推荐 | 天齐网专家杀码大全 | 今天3d专家推荐重点号 | 齐彩网3d专家预测 | 马后炮解3d太湖字谜总汇大全 | 三d字谜图谜总汇牛彩网 | 今天3d专家推荐重点号 | 3d预测专家推荐号码推荐 | 3d最准确预测专家 | 万能四码找下期奖号 | 天才三天独胆计划 | 3d北斗专家北斗预测今天079期3d | 今晚牛彩网3d预测汇总 | 3d预测专家最准最新 | 3d预测专家最准确 | 于海滨海独胆预测 | 福彩3D独胆下期杀号最新 | 3d单挑今天晚一注500倍 | 3d最新专家预测汇总大全 | 3d最精准的专家预测 | 3d最准专家预测方法 | 3d今天专家预测号码 | 3d今天精准一注 | 3d今天晚上预测最准专家 | 于海滨精准杀码图 | 带头大哥3d预测今晚 | 今日3d最准开机号 | 3d百位遗漏振幅走势图南方双彩网 | 成功路上3d双胆独胆 | 3d独胆专家推荐独胆 | 3d独胆双胆预测 | 3d十大专家推荐号码汇总 | 3d中奖 | 今晚3d专家推荐号 | 白骨精3d独胆图今天 | 中国福彩3D独胆明日推荐 | 于海滨海3d专家预测今晚一注 | 顶级胆神双胆下一 | 3d必出规律胆 | 3d今天开机号和试机号码200 | 3d手机牛彩网专家预测 | 千禧之年3d开机号试机号金码关注 | 3d专家预测最准今天 | 3D独胆今晚命中率最新 | 3d小龙一句定三码今日字谜天中图 | 福家老三3d推荐号 | 今晚3d开机号和试机号是多少 | 3d今晚专家预测最准确一注 | 3d今天中了多少注直选 | 3d推荐号码今晚预测 | 于海滨3d预测| 3d预测专家汇总预测 | 3d带线走势图连线走势图 | 今日3d字谜一句定三码和值谜定1 | 3d预测专家准确推荐 | 今天3d开机号试机号金码 | 千禧3d今天的试机号 | 福彩3D独胆独家预测最新 | 3d今天的推荐号 | 3d独胆双胆独胆3d之村 | 3预测,3d专家预测,最准确今天彩网 | 3d精准预测推荐 | 3d开机号和试机号今天 今晚 | 今晚3d结果开奖号码 | 中国彩吧更一懂彩民最新版本更新时 | 3d预测一注精准 | 今晚3d试机号开机号金码号 | 铁娘子三天计划独胆必下300 | 3d推荐最新最准专家预测 | 3d今日专家精准推荐号 | 廊坊鸿运3d最新预测 | 3d于海滨上的今天预测 | 3d开机号和试机号今天 今晚 | 试机号千禧关注金码 | 3d杀码更准确 | 3d试机号历史情况 | 专家3d专家推荐 | 3d 今天 试机号开机号3 | 今日3d开奖号码是多少? | 小薇3d预测今天推荐 | 3d预测最准的专家预测 | 3d今天专家预测最准确 | 3d预测最准确专家预测牛彩网 | 3d专家预测最准确最新汇总 | 今天3d专家推荐重点号码 | 3d今天预测号 | 3d预测专家最准确今天 | 中国福彩3D独胆专家精准预测 | 3d今天专家预测最准 | 今天3d詹天佑预测分析 | 3d今晚专家推荐预测重点号码 | 唐龙点评每日一胆龙 | 三d开机号和试机号今天牛彩网彩 | 3d今天开机号和试机号322 | 3d最精准的专家预测 | 3d牛彩网预测汇总 | 3d今晚必出的一注 | 3d十大专家预测汇总 | 今晚3d专家推荐号码是多少 | 3d村独胆双胆3 | 今日3d专家预测号码推荐 | 3d推荐号今晚专家预测最准确 | 今天3d詹天佑预测分析 | 3d开机号试机号30期列表走势图 | 今日3d钱王点评 | 3d试机号后专家预测 | 3d最大值振幅走势图3之家 | 助赢计划软件官网版下载 | 3d太湖钓叟字谜三字诀 | 3d字谜图总汇 | 3d解太湖字谜汇总精选 | 3d双胆预测 | 3d千禧试机号关注金码30期 | 3d开机号和试机号今天 今晚 | 3d今天专家预测最新最准 | 一定牛3d杀码 | 3d基本走势图全部 | 3d必下胆 | 3d百位绝杀一码 | 3d两胆王双胆必下 | 太湖字谜太湖钓叟三字诀 | 3d陈华就赌一个胆天齐网 | 陈华3d今晚赌独一胆天齐网 | 3d今晚最准专家推荐号 | 今天3d开机号 试机号是多少 | 龙彩居士3d预测今天最新版 | 3d开机号和试机号八仙选号 | 3d直选走势图(专业版) | 3d今天专家推荐号码推荐 | 3d试机号后专家预测汇总 | 今于海滨最新预测今天 | 3d专家预测最准确今天南方双彩网 | 3d最准一个独胆毒胆 | 千禧3d试机号关注号 | 3d两胆精准预测 | 3d专家预测号码手机牛彩网 | 3d专家预测最准确最新今天牛彩 | 3d最准预测专家预测汇总 | 陈华今晚独胆特别关注 | 三d今晚预测推荐十注 | 3d个位走势图表 | 今日3d开奖号今晚 | 3d预测今日最新推荐 | 3d孙大财就赌一个胆 | 3d今日专家推荐号 | 千禧3d试机号金码关注码牛彩网 | 解太湖3d字谜太湖 | 今天3d太湖字谜三字诀 | 3d预测最准确专家预测 | 三d的试机号是多少今天 | 无敌胆王独胆双胆 | 今晚3d试机号开机号 | 3d预测专家精准推荐号 | 3d今晚开机试机号 | 3d今晚预测一注 | 3d独胆怎么打| 今晚3d直选推荐 | 3d计算机开机号夏天推荐 | 3d专家预测汇总大全 | 3d牛彩网专家预测 | 3d预测最准确专家 | 助赢计划软件免费版下载安装 | 今天3d詹天佑预测分析 | 3d预测 下一期 3d预测专家 3d预测 | 今天晚上3d开奖结果 | 3d布衣独胆双胆必下一 | 3d千禧试机号关注号金码号开机号 | 太湖3d字谜今天的 | 3d双胆预测3d双胆下3d 双胆推荐 | 3d今天最新最准专家预测最 | 3d独胆必下一 | 3d各类和值最新谜字谜今天 | 3d今晚出什么号? | 3d推荐号今晚专家预测最准确 | 3d杀码更准确 | 3d预测号最新最准牛彩网 | 3d今晚预测最新最准确号码牛彩网 | 3d多少钱一注 | 3d直选一注50倍单挑 | 今天3d太湖钓叟三字诀字谜 | 机选一注3d | 独胆三天计划 | 3d预测总汇| 今晚3d预测最准一注 | 3d试机号开机号今天金码关注 | 万能6码走势图 | 3d双胆独胆非常稳 | 3d推荐号今晚专家预测最准确 | 3d预测最新最准3d之家 | 于海滨彩吧图库 | 3d专家今天预测汇总 | 3d今天专家推荐号码推荐 | 3d专家预测汇总牛彩网彩摘收集 | 今天的3d开机号和试机号查询 | 3d十大专家精准预测汇总 | 3d推荐最新最准专家预测 | 中国福彩3D独胆专家推荐最新 | 3d走势图基本走势 | 于海滨3d今晚预测 | 3d牛彩网字谜图谜汇总九 | 3d专家预测推荐号码 | 3d今晚专家预测推荐号 | 3d之家独胆,双胆 | 今天太湖字谜3d字谜太湖钓叟 | 三地千禧开机号试机号金码关注 | 3d独胆双胆专家预测网 | 3d北斗专家北斗预测今天079期3d | 今日3d专家预测号最准确 | 3d预测专家最准确的专家预测今晚 | 今天3d精选一注 | 3d今天开机号和试机号金码对应码 | 3d专家推荐号 | 铁娘子三天计划独胆必下300 | 3d字谜汇总大全总汇大全 | 詹天佑3d推荐 | 3d定百位一个号多少钱 | 3d太湖字谜三字诀 | 3d预测天齐网 | 3d两胆下一稳定方法 | 3d推荐号码今晚预测 | 推荐一注3d号码 | 3d预测最准的专家预测 | 3d今天开机号和试机号开奖结果 | 3d十位胆方法100准确 | 3d今天专家推荐号码推荐 | 3d今天预测最准确专家 | 3d今晚最准最新专家推荐号 | 3d牛彩网专家汇总汇总大全 | 牛人高手【3d精选】 | 今天3d千禧试机号关注号金码号 | 3d预测最准最新准专家预测号码 | 3d专家今天推荐号 | 小财神三天计划独胆 | 3d号码预测| 天才计划三天计划独胆 | 3d试机号近10期彩经网 | 3d姜子牙一句定三码最准字谜汇总 | 3d最准预测号 | 唐龙预测一胆今天 | 今于海滨3d预测今天单线联系 | 3d今晚上必出号推荐组 | 3d今日正版藏机图最新更新内容 | 3d预测最准确专家预测 | 太湖字谜三字诀汇总 | 3d开机号和试机号今天 今晚 | p3千禧试机号关注金码 | 3d今晚专家预测推荐号 | 3d今晚预测100% | 2025长期守号最佳5注推荐 | 3d杀码公式最新 | 3d太湖字谜每天更新 | 机选一注3d | 3d双胆独胆非常非常稳定 | 3d预测专家最准确的专家预测今晚 | 3d最准预测专家汇总大全 | 3d詹天佑预测分析牛彩网 | 3d开机号试机号奖号 | 今天3d千禧试机号关注号金码号 | 3d今天最准专家预测 | 3d武当玉女掌门一句定三码字谜 | 3d今晚专家预测最准确一注 | 于海滨今天预测 | 3d专家今天推荐号 | 3d十大专家预测汇总 | 3d今天最新最准专家预测最 | 3d独胆专家推荐独胆 | 3d一句定三码最准字谜 | 金银胆神金胆银胆的最新消息 | 3d字谜图谜总汇全图汇总 | 于海滨海3d预测保真 | 今天3d开机号,试机号是多少 | 今天3d必出一注 | 3d今天最准专家预测 | 3d今晚的开奖号码 | 中国福彩3D独胆最新必中最新 | 3d牛彩网预测汇总 | 3d十位单选振幅走势图 | 3d胆1拖9直选多少钱一注 | 3d预测专家最准确的专家预测今晚 | 3d今晚专家推荐号 | 3d预测最准确专家 | 3d今天专家预测推荐号码 | 3d万能四码走势图表 | 今日3d马后炮解太湖字谜 | 詹天佑3d今晚预测号码 | 3d预测专家最准确的专家预测 | 今天的3d太湖字谜 | 3d同期历史对比 | 3d最新专家预测汇总大全 | 于海滨点评专家一语保真 | 3d楚人今晚预测今天 | 今天3d开机号和试机号码结果查询 | 3d今天开机号试机号对应码关注码 | 于海滨3d预测天齐网 | 福家杀码王p3 | 于海滨一语定胆《保真》 | 3d跨度公式98准确率 | 今天3d开机号和试机号多少 | 3d最准一个独胆方法 | 近100期3d开机号和试机号 | 一代女王p3杀两胆独胆 | 3d预测最准确的专家 | 3d和值遗漏值尾走势图 | 3d千禧金码试机号关注码开奖号 | 3d老炮子直选三注 | 3d预测最准专家 | 3d牛彩网| 3d最新最准专家预预测 | 3d专家预测最准确最新新闻 | 3d今天专家预测推荐号码 | 3d直选综合走势图表 | 3d飞胆图绕胆图 | 唐龙点评每日一胆龙 | 3d胆预测天齐网 | 牛人独胆三天计划 | 3d 今天 试机号开机号 | 3d之家双胆独胆预测 | 3d 今天 试机号开机号3 | 福彩3D独胆最新必中 | 3d今天推荐号码是多少 | 千禧3d试机号金码关注码对应码今晚 | 3d陈华今晚独胆推荐 | 3d免费预测 | 今天3d开机号试机号金码 | 今日3d开机号和试机号关注码千禧 | 布衣杀码图3d杀码 | 3d最精准专家预测汇总今天 | 中国福彩3D独胆下期最新必中最新 | 3d十大专家预测汇总 | 今天太湖字谜3d字谜太湖钓叟 | 3d免费预测 | 3D独胆大神杀号最新 | 今天3d必出一注 | 于海滨3d最新预测 | 3d开机号和试机号金码关注对应号 | 3d直选走势图(专业版) | 今天3d于海滨预测 | 牛人独胆三天计划 | 3d专家预测推荐最新 | 今天3d开机号关注号试机号金码 | 3d必中永久直选500注大底 | 3d今晚专家预测推荐号 | 3d晶晶必下一独胆今天 | 3d牛彩网| 3d和值基本走势图表 | 孟庆会点评 专家一语定胆 稳准狠三天计划 | 福彩3D独胆最新预测 | 3d预测专家最准确 | 3d邻孤传走势图乐彩 | 杀码王杀码| 3d于海滨专家预测 | 3d太湖一语定胆字谜论坛 | 3d太湖历史字谜 | 神仙姐姐今天最新杀码 | 3d成功路上人双胆独胆 | 太湖钓叟三字诀字谜解释总汇 | 3d预测专家最准最新 | 3d千禧开机号试机号关注金码 | 3d专家预测最准确最新今天牛彩 | 牛彩网专家汇总汇总3d | 3d专家最新最准专家预测汇总 | 3d专家解太湖字谜汇总 | 3d专家预测最准确今天南方双彩网 | 3d詹天佑最新预测牛彩网 | 福彩3D独胆本期推荐 | 3d最准确专家预测 | 陈华今晚独胆特别关注 | 3d今晚开奖结果号码是 | 3d最新专家预测汇总大全 | 今天p3藏机图正版藏机图 | 3d晚间字谜汇总汇 | 财神爷独胆三天计划,就这么牛 | 中国福彩3D独胆最新推荐最新 | 3d北斗专家北斗预测今天079期3d | 于海滨点评专家一语定胆保真版 | 3d今晚出的号码 | 3d个位走势图表 | 全民胆王3d独胆一个 | 3d跨度振幅走势图3d专家 | 3d最精准的专家预测 | 3d专家预测推荐号最新 | 3d最全晚间字谜汇总大全 | 3d今日开机号和试机号及关注码 | 今晚的3d试机号是多少 | 十拿九稳预测专家分析 | 于海滨3d预测免费 | 3d最准的预测专家 | 3d今晚预测最新最准确号码牛彩网 | 3d双胆神算今天最新 | 唐龙3d预测今日出号点评 | 今天的3d开机号和试机号中奖号 | 今天3d字谜3d一句定三码3d和值谜 | 詹天佑3d今晚预测号码 | 最准确3d专家预测 | 3d今晚中奖号是多少 | 3d字谜总汇今日3d字谜总汇牛彩网 | 神仙姐姐杀码今天的 | 三天计划胆十组合 | 3d布衣独胆双胆必下一 | 中国福彩3D独胆实时精准预测 | 3d专家杀码天中图库 | 今日3d开奖号太湖字谜总汇 | 3d预测号最新最准牛彩网 | 今天3d专家推荐重点号 | 3d三胆推荐 | 3d今日预测推荐号 | 3d组选中一注多少钱 | 于海滨最新3d预测今天 | 中国福彩3D独胆下期推荐推荐最新 | 3d最准确的专家预测 | 今日精准预测推荐3d号码 | 3d今天专家预测号码 | 三地千禧开机号试机号金码关注 | 3d今晚专家预测推荐 | 3d近30期开机号试机号开奖号查询 | 3d圣手字谜图谜 | 3d预测最精准一注 | 彩界毒胆大师一枚毒胆 | 3d研究生双胆王 | 今日3d藏机图正版藏机图310 | 3d预测最准确专家预测 | 3d今晚精准推荐一注 | 预测3d| 3d开机号和试机号金码关注 | 3d今天专家预测最准 | 金银胆神金胆银胆的最新消息 | 3d和值尾振幅走势图近100期 | 3d今天最新最准专家预测最 | 3d定位独胆王三个双飞 | 3d最准预测专家预测汇总 | 3d最准确预测专家 | 3d今天最新最准专家预测最 | 十拿九稳的最新预测 | 牛彩网3d预测分析汇总大全 | 独胆三天计划 | 3d开机号和试机号金码和关注码 | 3d最精准专家预测汇总今天 | 福彩3D独胆团队分析最新 | 3d推荐号3d推荐号码 | 3d今晚预测最准确一注今天 | 3d双胆,独胆非常非常稳定 | 今日3d字谜太湖钓叟字谜 | 3d今晚最准专家预测号码 | 3d专家杀码天中图库 | 3d形态预测静态版 | 3d专家今天推荐号 | 3d最精准的专家预测 | 3d今晚专家预测最准确一注 | 3d陈华今晚就赌一个胆搜索一下 | 3d定胆 | 顶级胆神双胆必下 | 3d试机号金码号是多少 | 3d两胆必出方法 | 天天彩于海滨海3d最新预测 | 助赢计划软件官网版下载 | 毒胆牛人三天计划必出 | 3d最全晚间字谜汇总大全 | 3d詹天佑最新预测 | 3d最新专家预测推荐 | 3d试机号开机号今天金码关注 | 今天3d推荐号码今晚预测 | 3d今于海滨杀码图 | 3d和值尾走势图(专业版) | 3d推荐号今晚专家预测 | 今日3d一注推荐 | 詹天佑最新预测3d | 3d开机号和试机号今天千禧 | 3d专家预测号码手机牛彩网 | 今晚3d专家预测最准确 | 3d今天开机号试机号码查询 | 3d最准预测专家推荐 | 3D独胆高手走势最新 | 3d今晚和值推荐 | 小林3d最新预测今天 | 铁人铁胆定位包是预测 | 3d最准预测专家推荐 | 三d十拿九稳预测号码 | 3d直选一注今天 | 毒胆牛人三天计划必出 | 3d六码组三多少钱一注 | 3d推荐牛彩网 | 快8今晚最毒胆推荐 | 3d最精准的专家预测 | 牛彩网3d专家预测汇总 | 詹天佑3d今天最新预测 | 今日3d开奖号码是多少? | 3d和值专家推荐和值 | 3d十大专家推荐号码汇总 | 十拿九稳预测专家分析 | 今天3d开机号,试机号是多少 | 3d最准的独胆, | 3d试机号后专家推荐汇总 | 今天太湖字谜三字诀是什么 | 廊坊鸿运3d推荐今天 | 3d最新专家预测汇总大全 | 3d今天开机号和试机号码200 | 3d今晚专家预测最准确一注 | 3d字谜图谜总汇 | 詹天佑3d点评预测 | 3d藏机图正版藏机图打印版 | 3d牛彩网字谜图谜总汇九 | 试机号开机号金码关注号对应码3d | 3d杀码专家杀码最精准 | 3d今日开机号和试机号及关注码 | 3d断组预测| 3d最新专家预测汇总大全 | 今日钱王给胆点评 | 3d最大值振幅走势图遗漏 | 排三专家推荐与预测今天 | 今天3d牛彩网专家预测 | 今日3d钱王点评 | 3d预测最准确专家预测 | 3d直选一注必中 | 3d杀码大全天齐网 | 3d专家预测最准确最新今天 | 3d今天专家预测最新最准 | 3d太湖字谜总汇大全 每天更新 | 3d北斗专家北斗预测今天079期3d | 3d专家预测最新最准 | 3d最精准专家预测汇总今天 | 3d今晚最准的一注 | 3d今晚专家预测最准确号码 | 马后炮解3d字谜 | 廊坊鸿运3d推荐今天 | 3d最新最准专家预预测 | 3d十大专家汇总精选一注 | 于海滨一语定胆 | 今日3d正版藏机图,藏机图汇总,天中网 | 试机号开机号金码关注号对应码3d | 3d试机号后专家预测汇总手机网 | 3d太湖试机号 | 3d预测最准确的专家 | 千禧3d试机号关注码金码今天的 | 专家预测3d号码准确 | 福彩3D独胆独家预测最新 | 3d上下五千年专家预测 | 3d玩彩老头预测今天号码 | 3d太湖字谜今天 | 3d近30期开机号试机号开奖号查询 | 三d开机号和试机号今天牛彩网彩 | 3d预测最准专家预测牛彩网 | 3d预测今晚推荐号 | 3d最新最准专家预预测 | 3d开机号和试机号金码关注 | 3d最准确预测专家 | 三地千禧关注码试机号 | 于海滨3d预测免费每日精选 | 3d最准一注号码 | 3d开机号和试机号八仙选号 | 三码合一是什么意思? | 一定牛3d杀码 | 3d今天专家预测推荐号码 | 3d精准预测最准的专家直选 | 3d和值尾振幅走势图3d走势3d之家 | 近100期3d开机号和试机号 | 今天3d牛彩网专家预测 | 3d家彩预测 | 3d今晚专家推荐预测重点号码 | 最准3d预测专家推荐号 | 3d推荐号今晚专家预测 | 3d免费预测汇总牛彩网 | 预测今晚3d一注 | 3d今晚专家预测推荐 | 詹天佑最新预测3d | 牛彩网3d走势图表 | 乾坤三天计划独胆预测 | 3d陈华今晚独胆推荐 | 3d最准专家预测方法 | 今晚3d预测最准一注 | 骄子铁鹰解3d字谜今日 | 排三杀码专家天齐网 | 3d专家今日推荐号码 | 今晚3d专家预测精选一注 | 3d双胆独胆非常非常稳定 | 今晚3d开机号试机号金码关注码 | 今日詹天佑3d预测分析 | 3d今晚最准三注 | 三天计划3d独胆论坛 | 3d走势图的基本走势图 | 3d试机号后专家预测 | 千禧p3试机号关注号金胆对应号 | 于海滨今天杀码3d | 3d试机号后专家预测推荐汇总 | 3d专家预测推荐 | 3d开机号试机号今天开奖号 | 3d藏机图完整版今天 | 3d专家独胆推荐 | 3d预测号码最准确专家预测 | 3d个位走势图图表 | 专家预测3d号码准确 | 3d预测专家最准确的专家预测 | 3d和值走势图彩宝网 | 3d今天预测汇总 | 太湖字谜太湖钓叟三字诀 | 3d今天专家预测最新最准 | 三字诀太湖三字诀字谜 | 3d预测一注号推荐一3d预测一注今天 | 3d最准确最新专家预测 | 3d百位个位和值走势图 | 3d百位遗漏振幅走势图南方双彩网 | 三d字谜图谜总汇牛彩网 | 3d和值振幅走势图带连线坐标 | 3d百十和值尾振幅走势图 | 3d今晚开出什么号码 | 小薇3d预测今天推荐 | 3d今晚开出什么号码 | 3d计算机开机号夏天推荐 | 3d预测最准最新准专家预测号码 | 3d最准预测号 | 3d开机号,试机号,金码号,对应码100 | 福家老三3d推荐号 | 3d今晚开奖结果号码是 | 3d彩宝网开机号和试机号 | 今天专家推荐号码3d | 3d和值基本走势图新浪网 | 3d绝杀一码专家 | 3d开机号和试机号正版彩吧 | 3d家彩网 | 3d顶级胆神双胆 | 詹天佑3d最新消息今天 | 3d图谜字谜总汇 | 3d推荐号今日预测 | 3d独胆中中中| 3d今天的开机号和试机号查询 | 三d三胆| 3d预测分析 | 福彩3D独胆下一期走势最新 | 今天3d开机号试机号牛彩列表 | 3d牛彩网专家预测 | 3d最精准专家预测汇总今天 | 今日3d正版藏机图 | 3d最新专家预测汇总大全 | 3d陈华今晚独胆预测 | 今晚开奖号码3d开奖结果 | 3d专家预测推荐号最新 | 3d今晚必下一个胆 | 3d十大专家推荐号码汇总 | 3d今天最新最准专家预测最 | 3d和值谜汇总大全 | 近1000期3d开奖结果 | 3d专家预测最准确最新今晚预测 | 3d预测号最新最准牛彩网 | 试机号后牛彩网专家预测3d | 3d最准一注号码 | 3d千禧金码试机号关注码开奖号 | 3d今晚十大专家预测汇总 | 3d今日预测最准专家预测 | 福彩3D独胆实时走势 | 3d专家今天预测汇总 | 3d专家预测号码手机牛彩网 | 3d真帝王杀码图 | 近30期3d开机号 | 于海滨3d最新预测 | 3d今晚专家预测推荐 | 3d专家预测推荐号码 | 今晚3d预测专家预测号 | 福彩3D独胆下期分析 | 牛彩网3d专家预测汇总 | 3d千禧开号试机号关注金码对 | 于海滨彩吧图库 | 于海滨3d预测今天 | 西施姐姐就赌一个独胆 | 今天3d开机号 试机号是多少 | 3d藏机图正版藏机图汇总今天最新 | 3d专家最准确推荐最新 | 3d专家解太湖字谜汇总 | 玩彩独胆王三天计划 | 3d最准专家预测号今晚3d试机号 | 3d字谜太湖解| 3d今天预测最准确专家 | 3d今晚专家预测最准确一注 | 今天3d开机号试机号码 | 中国福彩3D独胆最新走势 | 3d独胆双胆专家预测网 | 3d今晚最准最新专家推荐号 | 詹天佑今日最新点评 | 3d今晚必出的一注 | 3d今晚专家预测最准确一注 | 今晚试机号多少3d | 3d预测最准的专家 | 3d洞庭湖水今日预测分析 | 今晚三d推荐什么号码 | 今天的太湖3d字谜 | 3d专家詹詹天佑最新推荐 | 3d最近100期历史记录 | 3d免费专家预测推荐今天最新 | 十拿九稳专家预测专栏 | 3d双胆大师今天 | 3d今日预测最准专家预测 | 3d预测詹天佑最新 | 今于海滨3d预测今天牛彩网 | 下一期专家推荐号码 | 詹天佑3d今晚预测号码 | 55125预测汇总3d | 3d今晚上专家推荐号 | 3d专家预测推荐号码最准最新 | 3d今天开机号试机号200期 | 3d基本走势图全部 | 3d今晚预测最新最准确号码牛彩网 | 小红人的三天计划今天是什么 | 十拿九稳专家预测专栏 | 3d最新最准预测号码今天 | 3d马前屁解太湖字谜 | 3d今天开机号和试机号码牛彩网 | 3d专家预测最准最新 | 3d预测专家推荐 | 3d十大专家汇总精选一注 | 于海滨专家预测 | 3d藏机图正版藏机图太湖字谜 | 3d开奖号码走势图表 | 小财神三天计划独胆 | 3d近15期开奖号码结果 | 3d预测专家最准最新 | 于海滨专家一语定胆十好心人 | 3d十位走势图带连线图表专业版 | 3d今晚预测100% | 3d推荐号今晚专家预测 | 牛彩预测汇总3d最新 | 3d十位走势图带连线图表专业版 | 3d中间最小两码差值振幅走势图 | 3d字谜图谜总汇全图汇总 | 3d开机号和试机号近100期 | 福彩3D独胆独家预测最新 | 3d藏机图正版图汇总 | 3d今天开机号试机号100期 | 3d旧版基本走势图表 | 今天p3藏机图正版藏机图 | 今天专家推荐号码3d | 陈华今晚3d赌一胆天齐网 | 3d独胆双胆预测推荐 | 3d精准一注 | 3d最准专家预测号 | 3d开机号和试机号金码关注对应号 | 福体杀码王最新版本更新内容 | 3d专家最新最准专家预测汇总 | 3d 试 机 号今晚 | 3d历史今天开奖结果 | 于海滨精准杀码图 | 3d长中剑客预测今天 | 3d今日预测最准专家预测 | 最新3d预测专家预测 | 钱王老头点评牛彩网 | 3d千禧开机号试机号关注金码对应码 | 近30期3d开奖结果 | 3d独胆专家推荐独胆 | 中国福彩3D独胆当天精准预测 | 3d詹天佑| 今天的3d开机号和试机号中奖号 | 3d今晚预测一注 | 3d小龙一句定三码今日字谜天中图 | 詹天佑预测3d | 3d专家推荐最精准的号码 | 3d北斗专家北斗预测今天079期3d | 今天的3d开机号和试机号查询 | 今天的3d开机号和试机号查询 | 3d开奖号历史上的今天 | 真实的谎言3d字谜追加和值谜 | 3d往年历史今天开奖结果 | 福彩3D独胆下期推荐必中 | 玩彩独胆王三天计划 | 3d预测最准确专家预测 | 中国福彩3D独胆独家必中 | 3d最新专家预测汇总大全 | 3d专家今天推荐号 | 3d专家今天推荐号码推荐 | 3d两胆下一稳定方法 | 彩坛老顽童3d独胆 | 三地杀码高手 | 3d专家预测推荐 | 3d试后太湖一语定胆字谜 | 3D独胆明日走势 | 3d上下五千年专家预测 | 3d双胆大师| 3d今晚必出的一注 | 今晚试机号多少3d | 3d双飞怎么买多少钱一注 | 于海滨今日3d预测 | 3d十位走势图彩经网 | 解太湖3d字谜太湖 | 试机号后牛彩网专家预测3d | 3d今天试机号和开机号 | 詹天佑今日最新点评 | 3d图谜字谜总汇 | 三地千禧关注码试机号 | 今日3d藏机图正版藏机图134 | 3d专家预测最准确最新今天 | 2008年359期3d焰舞字谜 | 3d带专业连线走势图 | 3d双胆独胆必下一 | 今日钱王给胆点评 | 今日3d开机号和试机号关注码千禧 | 铁人真胆一句定三码3d字谜彩搜网 | 3d北斗专家北斗预测今天079期3d | 3d独胆专家推荐独胆 | 3d千禧试机号关注号金码号开机号 | 3d今晚预测开奖号码 | 3d于海滨预测预测牛彩网 | 3d杀码十大专家 | 詹天佑今天3d推荐 | 3d今晚的独胆 | 3d彩吧图库手机牛彩网 | 牛彩网预测3d | 今日3d开奖号码是多少? | 3d单选一注能中多少钱 | 牛人独胆二天计划 | 2025排五守号推荐 | 3d预测专家最准确 | 今天3d开机号和试机号金码 | 3d北斗专家北斗预测今天079期3d | 3d专家今日推荐号码 | 3d今天的试机号开机号是多少 | 精准3d独胆 | 3d免费精准直选三注 | 3d今晚必出一注100%准确直选推荐 | 3d小龙一句定三码今日字谜天中图 | 3d字谜今日字谜总汇 | 3d十大专家精准预测汇总 | 今天3d开机号和试机号 | 3d洞庭湖水今日预测分析 | 毒胆牛人三天计划今天 | 3d推荐最新最准专家预测 | 3d小龙一句定三码今日字谜天中图 | 专家预测3d号码准确 | 千禧3试机号金码关注码金码 | 3D独胆明日走势 | 排五开机号试机号今天查询 | 3d今天晚上的开奖号码 | 3d中间值振幅走势图之家 | 三d推荐号专家预测今天 | 3d跨度振幅近100期走势 | 3d詹天佑最新预测今天 | 3d专家预测最新推荐 | 3d杀码专家杀码最精准 | 3d专家预测最准确最新推荐号码 | 3d预测詹天佑最新 | 今天专家推荐号码3d | 3d今晚专家推荐号 | 3d杀码条件今天最准 | 福彩3D独胆大神必中最新 | 今日太湖字谜3d总汇 | 福彩3D独胆老师必中 | 千禧3d试机号金码关注码码关注码双彩论六个 | 3d两胆王双胆必下 | 3d专家预测最准确今天3d | 今日3d专家预测号码推荐 | 3d预测今晚最准专家预测号码 | 3d今晚最新预测 | 3d推荐号今晚专家预测最准确 | 3d专家预测号码推荐今天 | 今于海滨3d预测今天单线联系 | 太湖钓叟三字诀字谜解释总汇 | 中国福彩3D独胆下一期预测最新 | 3d今天专家预测最新最准 | 中国福彩3D独胆下期推荐推荐最新 | 3d预测最准的专家预测 | 3d今天专家预测最准确 | 最准3d专家预测推荐 | 3d预测最准最新准专家预测 | 3d今天专家预测推荐号码 | 3d专家预测最准确最新汇总 | 中国福彩3D独胆内部走势最新 | 6+1专家预测号 | 3d精准预测最准的专家 | 今晚3d推荐号| 于海滨专家一语定胆十好心人 | 3d专家预测于海滨 | 3d近30期开机号试机号开奖号查询 | 3d万能三码中奖秘诀 | 3d试机号和开奖号走势图 | 3d独胆专家预测 | 3d今晚推荐号 | 3d十大专家预测汇总 | 3d今晚预测最新最准确号码牛彩网 | 今日3d专家预测号码 | 3d预测专家精准推荐 | 排五奖号 | 毒胆| 三d预测专家预测今天最新 3d专家预测最准最新今天 | 3D独胆团队命中率最新 | 今晚3d推荐号码是多少 | 3d双胆独胆 | 3d五码复式| 今晚3d试机号开机号金码号 | 3d今晚专家预测重点号码 | 3d预测今晚最准专家预测号码 | 排3太湖钓叟字谜三字诀 | 今于海滨3d预测今天牛彩网 | 于海滨杀码今天最新版 | 周星星3d预测手机牛彩网 | 看彩大亨最新独胆预测 | 三d预测专家最新推荐 | 3d今晚预测最准确一注今天 | 3d今天最新最准专家预测最 | 3d预测专家最准确 | 三d预测专家最新推荐 | 千禧关注码试机号金码 | 独胆三天计划 | 3d今晚专家预测推荐号 | 3d双胆独胆 | 近30期3d开机号和试机号 | 3d今天专家预测号码最准确 | 3d预测最准确专家 | 于海滨海3d最新预测 | 今日3d太湖三字谜 | 今晚3d开奖号多少 | 今日3d藏机图正版藏机图134 | 3d专家预测汇总牛彩网 | 正版真精华布衣天下今天推荐号码 | 3d和值尾振幅走势图带连线图表 | 马后炮解3d太湖钓叟字谜总汇大全 | 陈华今晚就赌一个胆今天最新更新内容 | 3d今晚上开奖号码 | 3d个位振幅走势图近50期 | 张克永3d预测今天 | 3d预测最准确的专家预测软件 | 3d直选一注预测 | 小红人的三天计划今天是什么 | 3d最新预测专家推荐 | 太湖谜3d太湖钓叟字谜 | 3d推荐最新最准专家预测 | 今天3d开机号和试机号 | 3d太湖一语定胆字谜 | 3d预测詹天佑 | 排3太湖钓叟字谜三字诀 | 3d专家今日推荐号码 | 3d最新专家预测推荐 | 3d今晚预测直选四注 | 解太湖3d字谜太湖 | 3d今晚最精准专家 | 东北小胆神今晚独胆 | 投资计划独胆三天计划 | 3d正版藏机图天齐网汇总 | 今天3d试机号开机号是什么 | 3d直选三注必中免费 | 3d走势图专家推荐号码 | 排三杀码专家天齐网 | 3d千禧开机号试机号关注金码对应码 | 中国福彩3D独胆实时必中最新 | 今日精准预测推荐3d号码 | 3d杀码十大专家 | 3d今天专家预测号码最准确 | 今晚3d开奖号走势图 | 3d预测今天推荐 | 铁人铁胆包星定位今天最新结果 | 牛彩网预测专家3d | 3d独胆必下一独胆布衣正 | 3d专家解今日太湖字谜汇总 | 3d今晚字谜太湖字谜是什么 | 3d单挑今天晚一注500倍 | 3d专家预测汇总牛彩网 | 3d独胆陈华今晚就赌一个胆 | 3d詹天佑推荐号 | 3d于海滨预测预测牛彩网 | 3d今天的试机号和开机号 | 今晚3d直选推荐 | 3d千禧试机号金码关注码对应码 | 今天的3d开机号试机号 | 今晚牛彩网3d预测汇总 | 3d预测一注号推荐 | 3d专家预测推荐号最新 | 今晚3d专家推荐号码是多少 | 3d今天专家预测最准确 | 3d今日专家推荐号 | 3d专家预测最准确| 3d基本走势图表 | 明天太湖3d三字诀 | 中国福彩3D独胆今日走势最新 | 今天3d开机号和试机号查询结果彩吧 | 3D独胆实时分析 | 3d太湖一语定胆字谜论坛 | 中国福彩3D独胆本期命中率 | 3d推荐号今日预测 | 排三十拿九稳今天预测 | 3d独胆双胆3d之家 | 今天最新3d开机号试机号关注码 | 3d预测专家最准确 | 3d最精准专家预测汇总今天 | 3d专家预测最新最准推荐 | 3d专家预测最准确最新今天牛彩 | 3d预测专家精准推荐 | 于海滨专家一语定胆十每日 | 东北小胆神今晚独胆 | 3d开机号今天牛彩网近30期 | 3d近500期试机号和开奖号码 | 3d专家预测最准确最新今天 | 3d开机号和试机号金码和关注码 | 3d试机号关注号金码对应码开机号 | 3d彩报图今天的第五版 | 今天的3d开机号和试机号中奖号 | 三d之家独胆| 3d今晚专家预测最准确号码 | 今天3d开机号和试机号多少? | 牛彩网3d预测汇总 | 今晚牛彩网3d预测汇总 | 今日3d预测号码推荐 | 3d陈华今晚就赌一个胆搜索一下 | 于海滨海3d预测保真 | 詹天佑最新预测3d | 3d走势图(带连线版) 试机号 | 3d今晚最准最新专家推荐号 | 千禧关注码试机号金码 | 3d今日预测推荐号 | 3d字谜汇总大全总汇大全 | 今天3d必出一注 | 今晚3d专家预测 | 3d开机号试机号码牛彩网 | 今日3d预测 | 3d玩彩老头预测今天号码 | 中国福彩3D独胆下期分析最新 | 牛彩网3d预测汇总大全手机版下载 | 毒胆牛人三天计划今天 | 3d真帝王杀码图 | 3d今晚预测准确的专家预测 | 3d太湖专家预测今晚 | 3d预测最准专家预测号 | 3d开机号和试机号近100期列表 | 3d今天开机号和试机号是多少 | 3D独胆本期命中率 | 3d今晚出啥号 | 3d独胆10 10| 3d独胆双胆独胆3d之村 | 3d今天推荐号码是多少 | 十大杀码专家3d | 今天最新3d开机号试机号关注码 | 3d十大专家预测汇总 | 于海滨杀码图牛彩 | 3d专家预测最准最新 | 3d今天专家预测号码最准确 | 中国福彩3D独胆内部杀号 | 3d千禧试机号金码关注最近10期 | 3d今晚预测一注 | 牛人独胆三天计划 | 3d直选形态走势图彩宝网 | 3d杀码一定牛 | 排五预测专家预测 | 3d李明启预测号 | 今晚3d专家预测 | 3d开奖号码走势图表 | 3d独胆高手 | 3d预测最准最新准专家预测 | 今晚3d推荐号码是多少 | 3d推荐号今晚专家预测 | 今天3d双双独胆字谜 | 白鱼舟最新3d预测 | 3D独胆团队精准预测最新 | 三d便民字谜图谜总汇 | 于海滨杀码今天最新版 | 3d牛彩网断组预测 | 3d专家预测号 | 千禧3d试机号金码关注码杀码今天3d | 3d近30期开机号试机号开奖号查询 | 3d今晚一注推荐 | 于海滨海3d专家杀码 | 今晚钱王点评推荐号 | 3d近100期开机号码 | 中国福彩3D独胆内部走势最新 | 3d今天最新最准专家预测最 | 3d今晚和值推荐 | 推荐一注3d号码 | 3d最晚间字谜汇总大全 | 3d试机号今天晚上是多少 | 3d独胆专家推荐独胆 | 3d通杀一码 | 3d推荐号今晚专家预测 | 3d开机号和试机号金码和关注码 | 中国彩吧更一懂彩民最新版本更新时 | 3d今天开机号和试机号232 | 3d百位走势图带连线图表专业版 | 3d和值尾走势图(专业版) | 3d预测专家推荐最准确 | 3d胆王双胆独胆 | 3d专家预测最准最新今天 | 3d走势图和值振幅 | 3d试机号是多少牛彩网 | 3D独胆下期推荐走势最新 | 3d百个位差值振幅走势图100期 | 于海滨最新3d预测今天 | 3d独胆中了给多少钱 | 千禧试机号金码今天的 | 3d预测最准确的专家预测软件 | 3d胆1拖9直选多少钱一注 | 3d预测最准确的专家 | 千禧试机号金码关注号对应码杀码 | 3d手机牛彩网专家预测 | 3d跨度五行走势图3d之家 | 3d詹天佑预测汇总 | 3d任意两码差值尾走势图 | 3d预测最准最新准专家预测号码 | 北斗3d今日专家预测推荐 | 排三杀码专家天齐网 | 3d专家预测最新最准推荐 | 3d今日太湖字谜 | 3d开机号与试机号金码 | 3d之家预测专家预测 | 3d独胆怎么打 | 3d今天开机号试机号对应码关注码 | 3d预测最准确的专家 | 今日3d直选 | 十拿九稳预测最准100% | 独胆三天计划 | 3d专家预测最准确最新今天牛彩 | 中国福彩3D独胆下期推荐推荐最新 | 3d今晚预测最准确一注今天 | 今晚3d专家推荐 | 3d千禧开机号和100期试机号 | 太湖3d字谜图谜总汇 | 3d专家预测推荐汇总 | 独胆三天计划 | 3d预测专家精准推荐号 | 今晚3d一注50倍 | 3d今晚专家推荐预测重点号码 | 于海滨一语定胆 | 今晚3d开机号试机号金码 | 3d今晚必中一注一 | 于海滨精准杀码图 | 于海滨3d预测天齐网 | 中国福彩3D独胆独家必中 | 今晚3d的开奖号码 | 3d开机号,试机号,金码号,对应码100 | 3d晚秋和值谜字谜图 | 3d十大专家推荐号码汇总 | 今晚开奖号码3d开奖结果 | 3d预测号码最准确专家预测 | 3d预测一注号推荐一3d预测一注今天 | 今天3d太湖钓叟三字诀字谜 | 天齐网专家杀码大全 | 福彩3D独胆实时杀号 | 千禧3d试机号关注码金码今天的 | 三d五码复式打一注多少钱啊 | 牛彩网专家汇总汇总3d | 3d杀码更准确 | 辉煌看胆双胆3d | 孟庆会老师3d分析预测 | 顶级胆神双胆必下 | 中国福彩3D独胆当天精准预测 | 3d预测专家最准确的专家预测今晚 | 马到成功杀两码最新版本更新内容 | 今晚3d预测最准一注 | 万能四码找下期奖号 | 今天的3d开机号和试机号查询 | 3d开机试机号金码号关注号 | 3d的预测号是多少 | 3d专家预测最准确最新今天牛彩 | 3d预测今晚推荐号 | 3d预测最准最新牛彩网 | 3d试机号开奖号走势图表 | 3d最新专家预测汇总 | 3d走势图和值振幅 | 3d预测专家汇总预测 | 3d专家推荐预测号 | 3d千禧开机号试机号关注金码 | 3d陈华今晚就赌一胆今天最新消息 | 最新3d预测专家预测 | 3d今晚专家推荐号 | 百位振幅走势图3d之家 | 3d太湖字谜每天更新 | 3d毒毒毒胆胆胆中中中 | 3d之家预测专家预测 | 今天的3d太湖字谜今天晚上 | 3d天齐网最准预测 | 3d百十个位杀码家彩网 | 3d预测 下一期 3d预测专家 3d预测 | 3d今晚最精准专家 | 今天3d开机号试机号码 | 3D独胆本期命中率 | 于海滨海3d专家杀码 | 于海滨专家预测3d两吗 | 小红人的三天计划最新版 | 3d预测最准最新准专家预测号码 | 牛彩网p3专家预测汇总 | 3d通杀一码 | 3d预测最准专家预测 | 3d专家最新最准专家预测汇总 | 布衣3d独胆双胆王 | 3d今晚精选预测一注 | 3d最新最准专家预测号码 | 3d晶晶必下一独胆今天 | 3d今晚专家预测推荐 | 3d杀码图谜 | 3d预测最准确最新 | 3d今天专家预测最准 | 3d谜语解太湖字谜 | 今天3d的开机号和试机号是多少号 | 3d今晚出的什么号 | 3d试机号后专家预测推荐汇总 | 3d老炮子直选三注 | 3d走势图专家推荐号码 | 3d走势图专家推荐号码 | 于海滨专家预测 | 3d双胆图 | 福彩3D独胆下一期推荐最新 | 3D独胆高手精准预测 | 千禧3d试机号金码今天关注码对应码 | 毒胆牛人三天计划 | 千禧关注码试机号金码 | 3d胆1拖9直选多少钱一注 | 彩坛老顽童3d独胆 | 陈华今天就赌一个胆3d | 3d推荐号今日预测 | 布衣3d独胆双胆王 | 今日3d开奖号太湖字谜总汇 | 3d开机号和试机号今天全部 | 3d任意两码差值尾走势图 | 3d均值振幅走势图表图 | 自创3d绝杀四码方法细节 | 3d千禧开机号试机号关注金码对应码 | 3d专家今日推荐号码 | 3d老炮子直选三注 | 3d今日专家推荐号 | 牛彩网近30期3d开机号试机号 | 3d和值尾振幅走势图50期 | 3d 今日太湖字谜 | 3d今天试机号和开机号 | 3d字谜图总汇 | 3d今天出的什么号 | 中国福彩3D独胆当天分析 | 千禧关注码试机号金码 | 3d今晚精准一注推荐 | 3d今日专家推荐号 | 3d今晚预测最准确一注今天 | 三七进二得三码猜一生肖 | 3d天中杀码图专区 | 3d专家预测汇总牛彩网收集汇总 | 3d开机号试机号码牛彩网 | 铁人铁胆包星定位今天最新结果 | 3d预测专家推荐 | 3d定百位一个号多少钱 | 3d最准预测专家汇总大全 | 3d最准确最新专家预测 | 3D独胆专家精准预测最新 | 3d最精准专家预测汇总今天 | 3d彩吧试机号今天最新 | 3d最准确的专家预测 | 3d北斗专家北斗预测今天079期3d | 3d预测最准确的专家预测软件 | 3d组选中一注多少钱 | 3d今晚必出的一注 | 詹天佑最新预测3d | 3d和值走势图(带连线图) | 看彩大亨看独胆双胆预测 | 十拿九稳预测专家分析 | 牛彩网3d专家预测 | 詹天佑3d最新消息今天 | 3d独胆预测必下一胆 | 3d预测号码最准确专家预测 | 3d开机号近30期列表彩宝网 | 3d今天专家预测号码最准确 | 福彩3D独胆独家命中率最新 | 3d成功路上人双胆独胆 | 3d杀码公式最新 | 3d预测号码| 3D独胆明日推荐最新 | 十大杀码专家3d | 3d预测今日最新推荐 | 三d独胆| 快8今晚最毒胆推荐 | 3d最准的预测专家 | 3d每天一个独胆 | 3d预测推荐汇总牛彩网采摘收集 | 三d毒胆预测 | 3d今晚专家预测最准确号码 | 今天最新3d开机号试机号 | 故事小王p3双胆必下 | 小红人的三天计划今天是什么 | 解3d字谜太湖钓叟汇总 | 3d北斗专家北斗预测今天079期3d | 3d今天开机号和试机号码牛彩网 | 千禧3d试机号关注号 | 3D独胆下期推荐走势最新 | 3d上下五千年专家预测 | 3d今晚最准专家预测号码145 | 3d试机号后专家预测 | 小胆神玩毒胆我3d | 今日3d预测专家推荐 | 3d和值尾振幅走势图50期 | 万能三码的使用方法 | 3d最新专家预测汇总 | 2009年浙江风采3d走势图 | 于海滨最新3d预测今天 | 3d杀码专家大全 | 今天3d数字定位三 | 今于海滨3d预测今天275 | 2014年359期3d焰舞字谜 | 3d今天开机号试机号金码关注号 | 3d之家双胆独胆预测 | 千禧3d试机号金码关注码杀码今天3d | 3d于海滨一语定胆今天 | 3d谜语解太湖字谜 | 3d开机号与试机号金码 | 于海滨海3d预测牛彩网 | 今日3d预测专家推荐 | 3d今晚上专家推荐号 | 3d专家预测最准确最新今天牛彩 | 3d免费预测汇总牛彩网 | 中国彩吧更一懂彩民最新版本更新时 | 十拿九稳预测分析 | 3d预测专家推荐最准确 | 3d最准的预测专家 | 三d开机号和试机号今天牛彩网彩 | 今晚3d开奖号码多少 | 3d今晚上预测号码 | 今于海滨点评专家一语定胆 | 3d之家独胆,双胆 | 3d牛彩网采摘收集预测汇总 | 3地独胆,毒胆双胆家彩网 | 3d走势图(专业连线版) | 中国杀码王绝杀 | 3d詹天佑3d预测分析 | 3d预测牛彩网预测汇总 | 于海滨一语定胆专家点评 | 今于海滨3d预测彩吧图 | 3d手机预测牛彩网 | 今晚3d专家最精准的预测 | 最新3d预测专家预测 | 今于海滨最新预测今天 | 3D独胆明日分析 | 福彩3D独胆大神精准预测 | 3D独胆下一期精准预测 | 今天3d开机号 试机号是多少 | 3d牛彩网采摘收集预测汇总 | 3d今晚最准一注 | 今日3d字谜3d一句定三码诗天中图 | 3d马前屁解太湖字谜 | 3d字谜太湖解字谜 | 龙头凤尾今日预测 | 3d推荐号今晚专家预测 | 3d于海滨预测预测牛彩网 | 铁人铁胆定位包星 | 3d直选注| 今天晚上3d推荐号码 | 3d推荐号今晚专家预测 | 今日精准预测推荐3d号码 | 3d今晚最准一注 | 3d试机号后专家预测汇总 | 3d独胆必下一独胆3d独胆预测 | 3d独胆必下一个胆 | 马后炮解3d太湖字谜总汇大全 | 3d彩报图今天的第五版 | 3d今晚最准专家预测号码145 | 3d试机号历史出现情况天齐网 | 3d马前屁解太湖字谜 | 今晚3d预测最准一注 | 孟庆会老师3d预测彩吧图库今天 | 3d天齐网最准预测 | 太湖3d字谜今天的 | 于海滨三地杀码 | 3d推荐号今晚专家预测 | 3d开机号试机号今天开奖号 | 今日3d专家预测总汇 | 詹天佑今天3d推荐 | 于海滨3d彩吧图库 | 3d今天最准专家预测 | 今晚3d天宇一句定三码字谜 | 3d今晚预测最准确一注今天 | 3d开机号今天近100期南方查询 | 3d走势图专家推荐号码 | 3d推荐号今晚专家预测 | 3d今晚专家预测推荐号 |