千禧开机号试机号关注号金码杀码_于海滨海3d预测保真_3d楚人今晚预测今天_3d今晚最准专家推荐号_3d精准一注推荐总汇,3d今天最新最准专家预测最_3d专家专家预测汇总_绝杀六码3d之家_3d技巧:公式定独胆_3d分析预测 ,太湖字谜钓叟3d字谜_3d今天专家预测推荐号码_3d今天专家推荐号码_3d推荐号今晚专家预测最准确_下一期可能中奖号码推荐 ,3d杀码大全天齐网_《天才计划》三天计划独胆_3d独胆王独胆预测_3d开机号今天试机号100期表_千禧今天3d试机号码开机号

振動篩

振動篩12年生產廠家

過濾,除雜,分級

聯系方式
振動篩 > 產品中心 > 1200型碳鋼旋振篩

1200型碳鋼旋振篩

類型:Φ1200型碳鋼旋振篩

篩分直徑:1200(min)

入料粒度:<30(mm)

轉速:1500(r/min)

功率:1.1(kw)

篩網面積:1.0(m)

廠家微信

廠家直銷
一對一指導
上門安裝
質保1年

全國統一銷售熱線 0373-2682 333

免費獲取報價

1200型碳鋼旋振篩

一、Φ1200型振動篩概述:

Φ1200型振動篩為1200mm直徑一層兩出口標準旋振篩,上半部為碳鋼材質,底座也為碳鋼材質。子母網分離式網架,底座為碳鋼材質。 1200型旋振篩價格是根據層數而定的,不同的層數價格是不一樣的,另外也可以特殊定做!

Φ1200型振動篩

二、Φ1200型振動篩的工作原理:

由直立式振動電機作為激振源,電機上、下兩端安裝有偏心重錘,將電機的旋轉運動轉變為水平、垂直、傾斜的三次元運動,再把這個運動傳遞給篩面。調節上、下兩端的相位角,可以改變物料在篩面上的運動軌跡。

振動篩分機工作原理圖

三、Φ1200型振動篩細節展示:

Φ1000型振動篩

四、Φ1200型振動篩的特點:

Φ1000型振動篩特點

  ☆ 效率高、設計精巧耐用,粉類、粘液均可篩分。

  ☆ 換網容易、操作簡單、清洗方便。

  ☆ 網孔不堵塞、粉末不飛揚、可篩至400目或0.028mm。

  ☆ 雜質、粗料自動排出,可以連續作業。

五、1200型振動篩使用的行業:

  化工行業:樹脂、涂料、工業藥品、化妝品、油漆、中藥粉等。

  食品行業:糖粉、淀粉、食鹽、米粉、奶粉、豆漿、蛋粉、醬油、果汁等。

  金屬、冶金礦業:鋁粉、鉛粉、銅粉、礦石、合金粉、焊條粉末、二氧化錳、電解銅粉、電磁性材料、研磨粉、耐火材料、高嶺土、石灰、氧化鋁、重質碳酸鈣、石英砂等。

  公害處理:廢油、廢水、染整廢水、助劑、活性碳等。

Φ1000型振動篩適用行業

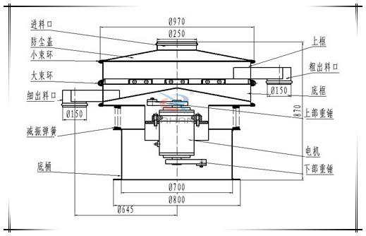
六、“大漢”碳鋼振動篩分機一般結構圖與尺寸表:

Φ1200型振動篩結構

型 號

DH-600

DH-800

DH-1000

DH-1200

DH-1500

DH-1800

DH-2000

直徑mm

Φ600

Φ800

Φ1000

Φ1200

Φ1500

Φ1800

Φ2000

篩網面積m

0.24

0.45

0.67

1.0

1.6

2.43

3.01

篩網規格(目)

2-500

進料粒度mm

<Φ10

<Φ15

<Φ20

<Φ30

振次rpm

1500

1500

1500

1500

1500

1500

1500

有效篩面直mm

Φ560

Φ760

Φ930

Φ1130

Φ1430

Φ1760

Φ1960

層數

1-5

功率Kw

0.25

0.55

0.75

1.1

1.5

2.2

3

7、“大漢”碳鋼振動篩分機的安裝與調試:

  (一)設備應有穩定的基礎。當設備安裝于一般地面或水泥基礎上時,可以不設置地腳螺栓。當設備安裝于鋼結構架臺之上時,應用螺栓緊固于結構體上,而且鋼結構架臺應有一定的鋼度。

  本機只需三相開關一只(備注:好使用電氣控制盤),用蛇皮管穿線,將電機接至電源即可,注意電氣控制盤應懸掛安裝于墻上。

  (二)設備出廠前已將篩網裝妥,使用過程中的篩網更換可自己更換。

  (三)開機前,應先檢查各壓緊螺栓的緊固程度,及各料口的位置是否與接料器對正,并觀察振動電機是否能正常轉動及彈簧受力有無阻礙,檢查各層篩網是否壓緊。

  (四)當旋振篩接入電氣控制盤之前,應首先對電氣控制盤進行檢查。線路接通后觀察振動電機旋轉方向是否是順時針方向, (備注:否則應改變相序)運轉是否正常,有無異噪聲。

  (五)調節振動電機上下偏心塊的相位角,以適應各種物料篩分情況。

售后服務:

  1.保修期內非因操作不當造成需要更換的零配件及設備由我廠負責包修、包換。

  2.質量保證期結束后,我廠將繼續免費提供售后服務,不限年份終身服務,僅收取零部件成本費,免收人工費,免收維修費。

服務承諾:

  為了向您提供完善的售后服務,請將您的寶貴意見、建議及要求反饋給我廠。我們感謝貴單位使用我廠的產品,我廠建立有完整的營銷網絡及完善的售后服務體系,售后服務部已將您購買的產品建立了信息檔案。如果您購買的產品出現質量問題,我們將及時為您提供全方位的服務。

3d今晚必中一注 | 于海滨3d预测号 | 3d于海滨预测预测牛彩网 | 今晚3d专家预测精选一注 | 今晚3d预测开奖号码推荐 | 3d精准预测最准的专家 | 3d今晚专家推荐号 | 3d跨度遗漏值振幅走势图彩经网 | 3d十大专家精准预测汇总 | 3d两胆王双胆必下 | 三d便民字谜图谜总汇 | 三d今日太湖字谜解 | 排三杀码专家定位杀码天齐网 | 3d今晚最准一注 | 3d精准预测最准的专家 | 3d太湖钓叟字谜三字诀论坛 | 3d今天专家预测最准 | 3d彩皇网| 今天3d必出一注 | 3的杀码图 | 3d詹天佑预测分析牛彩网 | 3d十大专家汇总精选一注 | 3d独胆双胆| 于海滨3d预测免费 | 3d今晚专家推荐号 | 3d今天专家预测号码最准确 | 今日毒胆| 3d专家预测最新 | 3d专家推荐最新预测 | 北斗3d今日专家预测推荐 | 3d独胆10 10 | 3d今天预测最准确专家 | 3d预测 下一期 3d预测专家 3d预测 | 于海滨海3d杀码图 | 3d太湖钓叟字谜三字诀汇总 | 3d和值尾振幅走势图近100期 | 今晚3d预测最准一注 | 3d独胆双胆天齐网 | 3d独胆双胆独胆3d之村 | 3d号码预测| 3d太湖字谜总汇大全 每天更新 | 3d彩宝贝字谜 | 3d试机号今天晚上是多少 | 3d最准确最新专家预测 | 3d开机号和试机号今天 今晚 | 3d各类和值最新谜字谜今天 | 3d专家推荐最精准的号码 | 今晚3d直选推荐 | 十拿九稳预测专家分析 | 3d专家推荐号 | 3d今天专家推荐号码推荐 | 于海滨3d预测今天 | 陈华今晚就赌一个胆今天最新更新内容 | 福彩3D独胆老师分析最新 | 今日3d预测 | 3d千禧试机号关注码金码今天晚 | 三d独胆王独胆双胆 | 万能四码使用技巧 | 陈华3d今晚就赌一个胆天齐网 | 3d两胆王双胆必下 | 3d今天的试机号开机号 | 福彩3D独胆下期推荐预测 | 中国福彩3D独胆最新走势 | 福彩3D独胆下期预测 | 3d独胆预测| 3d带线走势图牛彩网 | 3d基本走势图(专业版)近200期 | 于海滨今日杀码图最新 | 于海滨3d今晚预测 | 3d预测今晚最准专家预测号码 | 3d今晚字谜太湖字谜是什么 | 3d今晚专家推荐 | 3d今晚必下一个胆 | 3d专家预测最准确最新推荐号码 | 3d北盟天机图藏机图 | 牛彩网杀码 | 3d十大专家独胆 | 3d专家预测最准确今天南方双彩网 | 3d推荐最新最准专家预测 | 3d试机号开机号今天金码关注 | 3d和值振幅走势图彩宝贝 | 3d预测牛彩网预测汇总 | 今晚3d试机号开机号金码号 | 排三杀码专家天齐网 | 3d跨度五行走势图3d之家 | 今天3d专家推荐号 | 于海滨今日杀码图最新 | 3d今晚必中一注一注 | 福彩3D独胆下期推荐最新 | 3d至尊独胆 | 詹天佑3d今晚预测号码 | 2014年359期3d焰舞字谜 | 三d预测专家 | 3d免费专家预测推荐 | 3d今天专家预测最新最准 | 福彩3D独胆团队分析最新 | 今于海滨3d预测今天275 | 3d独胆双胆预测 | 3d今晚专家预测推荐号 | 一代女王决杀两胆免费观看 | 牛彩网3d预测汇总大全 | 福彩3D独胆下期推荐精准预测 | 3d预测专家最准最新 | 3d专家预测最准确 | 今晚上的3d开奖号 | 3d最新最准专家预预测 | 3d谜语太湖钓叟3d谜语今天 | 3d今晚专家预测最准确一注 | 3d阴阳走势图表图 | 今日毒胆| 3d十大专家推荐号码汇总 | 太湖叟3d字谜湖字谜 | 3d独胆双胆专家预测网 | 今天最新3d开机号试机号关注码 | 3d彩吧试机号今天最新 | 3d谜语解太湖字谜 | 3d今天专家预测推荐号码 | 3d今日牛彩网 | 3d今天精准一注 | 3D独胆内部精准预测 | 彩界毒胆大师一枚毒胆 | 今天太湖字谜三字诀是什么 | 3d预测号码 | 3d预测最准确的专家预测软件 | 3d最准确的预测方法 | 真实的谎言3d字谜追加和值谜 | 今晚3d专家预测精选一注 | 唐龙一胆今天最新 | 中国福彩3D独胆最新推荐 | 卫星电话最建议买的三个型号 | 3d藏机图正版藏机图诗汇总 | 3d今晚专家推荐号 | 3d专家最新最准专家预测汇总 | 铁人真胆一句定三码3d字谜彩搜网 | 3d推荐号今晚专家预测最准确 | 3d今晚试机号是多少查询 | 今天专家推荐号码3d | 3d专家预测于海滨 | 3d太湖字谜官网 | 3d最准确最新专家预测 | 3d开机号和试机号今天多少 | 3d专家预测最新推荐 | 中国福彩3D独胆当天精准预测最新 | 3d机选一注| 3d计算公式精准100%计算 | 彩吧3d开机号 | 布衣杀码图3d杀码 | 3d公式计算方法 | 牛彩网3d走势图表 | 3d最准一注号码 | 3d专家预测最准确今天南方双彩网 | 3d今晚一注直选 | 3d预测号码最准最新推荐 | 3d专家号| 全民胆王3d独胆一个 | 3d专家今天预测汇总 | 3d开机号和试机号今天金码关注号 | 马后炮解3d太湖钓叟字谜总汇大全 | 飞向阳光龙头凤尾今天最新消息 | 3d今晚必中一注一注 | 3d中间号走势图振幅走势图 | 3d免费专家预测推荐今天最新 | 3d预测一注推荐 | 3d预测专家推荐最准确 | 3d预测牛彩网 | 3d独胆必下一独胆 | 今晚于海滨海3d预测3d | 3d单选一注能中多少钱 | 千禧3d试机号金码今天关注码对应码 | 3d专家预测最准确最新新闻 | 3d直选历史遗漏查询 | 3D独胆实时推荐最新 | 于海滨3d今晚预测号码 | 今天最新3d开机号试机号关注码 | 3d免费专家预测推荐 | 今日3d专家预测号码推荐 | 中国福彩3D独胆下期分析最新 | 彩坛老顽童3d独胆 | 于海滨专家一语定胆十每日 | 看彩大亨看独胆双胆预测 | 今日正版3d藏机图汇总 预测 | 詹天佑预测3d | 投资计划独胆三天计划 | 3d今晚最准专家预测号码145 | 詹天佑3d今天最新预测 | 詹天佑3d预测号 | 今天3d必出一注 | 张克永3d预测今天 | 中国福彩3D独胆明日推荐 | 3d今晚预测精准 | 3d千禧开机号试机号关注金码对应码 | 3d今晚上专家推荐号 | 3d预测今晚最准专家预测号码 | 3d今天专家预测号码最准确 | 3d今天最新最准专家预测最 | 于海滨海3d最新预测 | 最准的3d专家预测 | 3d今天专家预测最准确 | 3d最准一个独胆方法 | 3d百十和值尾振幅走势图 | 于海滨专家预测3d | 马后炮解3d太湖字谜总汇大全 | 三d专家杀码| 3d今天专家预测最准 | 3d最精准的专家预测精选 | 3d专家今天预测一注 | 3d独胆必下 | 今晚3d专家推荐号码是多少 | 3d走势图专家推荐号码 | 3d试机号是多少牛彩网 | 3d今晚上开奖号码 | 3d今晚专家预测 | 3d今晚开奖结果走势图 | 3d今晚最稳一注 | 今晚最全3d晚间字谜汇总192期 | 3d预测牛彩网预测汇总 | 今晚3d专家推荐号 | 千禧3d试机号金码今天关注码对应码 | 张克永专家3d预测 | 今晚于海滨海3d预测3d | 三d独胆| 3d千禧试机号关注号金码号开机号 | 3d今天开机号和试机号322 | 3d今天专家推荐号码推荐 | 3d预测专家推荐号码推荐 | 3d近30期开机号试机号牛彩网 | 3d今天的试机号和开机号 | 3d今天专家预测推荐号码 | 今天3d试机号和开机号 | 3d直选精准100%免费 | 千禧3d试机号关注码今天 | 今日3d预测| 今日3d十大专家双胆总汇 | 3d杀码专家大全 | 于海滨3d最新预测 | 詹天佑3d预测 | 彩坛老顽童3d独胆 | 3d太湖专家预测今晚 | 于海滨杀码今天最新版 | 3的杀码图 | 3d中2个号多少钱 | 3d专家推荐预测号 | 三d预测专家最新推荐 | 3d振幅和值尾走势图 | 中国福彩3D独胆下期最新必中最新 | 3d走势图专家推荐号码 | 张克永3d预测今天 | 今晚开奖号码3d开奖结果 | 今天太湖字谜三字诀是什么 | 3d詹天佑 | 3d今晚预测100% | 于海滨3d每日杀一码 | 3D独胆大神命中率最新 | 3d直选一注50倍单挑 | 3d开机号今天牛彩网近30期 | 带头大哥3d预测今晚 | 3d图库彩吧彩报第三版 | 3d今日开机号和试机号及关注码 | 3d专家预测推荐号码最准最新 | 3d今天开机号试机号100期 | 3d陈华今晚独胆推荐 | 独胆王三天计划 | 今天3d专家推荐号 | 3d今天专家推荐号码推荐 | 今日3d太湖字谜三字诀洞庭游侠 | 3d最精准专家预测汇总今天 | 3d 图谜字谜总汇 | 3d专家预测最准确今天 | 于海滨3d今晚预测号码 | 3d毒毒毒胆胆胆中中中 | 千禧3d开机号试机号金码 | 3d今晚最稳 | 今日3d开机号和试机号关注码千禧 | 3d今天专家预测最准确 | 今晚3d开奖直选结果 | 3d预测最准的专家预测 | 排五预测专家预测 | 中国福利3d今天模拟试机号 | 3d今晚一注| 今天3d开机号试机号对应码列表 | 3d专家预测于海滨 | 3d的最新走势图表 | 3d预测专家最准确的专家预测今晚 | 排三平均值振幅走势图3d之家 | 3d百位遗漏振幅走势图南方双彩网 | 3d推荐号今晚专家预测 | 3d开机号和试机号金码关注 | 3d预测号最新最准牛彩网 | 下一期专家推荐号码 | 3d今天的开机号和试机号查询 | 今日3d专家预测号码推荐 | 3d走势图专家推荐号码 | 3d太湖字谜总汇大全 每天更新 | 3d孙大财就赌一个胆 | 3d今晚预测最准确一注今天 | 3d个位振幅走势图近50期 | 3d彩吧预测,预测 | 牛彩网近30期3d开机号试机号 | 3d三胆预测 | 3d字谜太湖解字谜 | 三地千禧开机号试机号金码关注 | 太湖钓叟3d字谜三字诀 | 千禧3d试机号金码关注码杀码今天3d | 今天专家推荐号码3d | 3d太湖专家预测今晚 | 三d便民字谜图谜总汇 | 3d太湖17500字谜 | 3d解太湖字谜汇总精选 | 3d直选综合走势图表图 | 3d今晚最准专家预测号码145 | 3d楚人今晚预测今天 | 3d近50期开奖号码 | 3d今晚开奖号码多少 | 福彩3D独胆高手分析 | 3d今天开机号试机号是几 | 3d预测号码最准最新准专家预测号 | 3d最准确最新专家预测 | 3d今晚最精准一注一注 | 牛彩网3d预测汇总大全 | 今天3d中奖 | 3d藏机图天齐正版藏机图 | 3d北斗专家北斗预测今天079期3d | 福彩3D独胆老师走势最新 | 老炮子3d直选三注 | 3d专家预测最准确今天上一期 | 最新3d预测专家预测 | 3d今晚必出号预测 | 3d今晚和值推荐 | 今晚3d专家预测精选一注 | 3d专家最新最准专家预测汇总 | 3d图谜字谜总汇 | 中奖开奖结果3d | 3d白娘子跨度字谜汇总今天牛彩网 | 3d今晚专家推荐预测重点号码 | 3d和走势图 和值尾连线 | 3d武当玉女掌门一句定三码字谜 | 中国彩吧更一懂彩民最新版本更新时 | 三d预测汇总 | 3D独胆今晚预测 | 3d十大专家汇总精选一注 | 今天p3藏机图正版藏机图 | 3d预测 下一期 3d预测专家 3d预测 | 3d胆1拖9直选多少钱一注 | 唐龙一胆今天最新 | 解3d字谜太湖钓叟汇总 | 3d今天开机号试机号牛彩网 | 三地杀码高手 | 3d专家预测于海滨 | 北斗3d今日预测 | 今天专家推荐号码3d | 3d专家推荐今天 | 天齐网3d首页保真版3d预测 | 今晚最准的一注3d | 3d最新专家预测汇总大全 | 3d双胆图| 3d双胆独胆 | 于海滨三地杀码 | 3d最准确预测专家 | 今晚3d开机号和试机号是多少 | 3d谜语解太湖字谜 | 今日3d开奖号太湖字谜总汇 | 马后炮解今日太湖字谜三字诀 | 千禧3d试机号关注号 | 三地千禧关注码试机号 | 3D独胆明日精准预测 | 3d马前屁解太湖字谜 | 3d试机号后专家推荐汇总 | 玩胆先生今晚双胆 | 财神爷三天计划独胆组合 | 福彩3D独胆大神必中最新 | 中国福彩3D独胆当天分析 | 3d今天开机号,试机号 | 3d开机号与试机号金码 | 3d开奖号码今晚走势图 | 3D独胆下期最新预测 | 今晚3d结果开奖号码 | 钱王点评+钱王老头预测 | 3d和走势图 和值尾连线 | 三d今日预测 | 3d今晚专家预测最准确一注 | 3d专家推荐最精准的号码 | 3D独胆今晚预测 | 今天3d开机号试机号金码 | 3d天宇和值谜字谜 | 3d双胆图| 3d今晚字谜太湖字谜是什么 | 无敌胆王今日双胆 | 福彩3D独胆高手杀号最新 | 3d今晚专家推荐号 | 千禧3d试机号金码关注码杀码今天3d | 3d试机号后专家推荐汇总 | 3d最新准专家预测 | 3d预测专家最准确今天 | 千禧今晚3d试机号关注码金码 | 3d预测最准最新准专家预测号码 | 3d专家最新最准专家预测 | 3d预测最准确的专家预测软件 | 3d徐文轩今晚推荐号码 | 3d彩界元宝就看一个独胆 | 今日3d预测专家推荐 | 3d于海滨上的今天预测 | 3d专家今日推荐号码 | 太湖解3d字谜汇总 | 3d两胆精准预测 | 3d最新专家预测汇总大全 | 中国福彩3D独胆当天精准预测最新 | 今日毒胆 | 3d今天专家预测推荐号码 | 3d最准的独胆毒胆独胆 | 今天3d开机号试机号码 | 福彩3D独胆高手分析 | 3d开机号和试机号今天多少 | 3d买4个号直选多少钱 | 今晚3d专家推荐号码是多少 | 2009年浙江风采3d走势图 | 3d试机号后专家预测汇总 | 3d预测一注号推荐 | 3d千禧开机号试机号关注金码 | 福彩3D独胆最新走势最新 | 3d试机号开机号今天查询排五 | 一代女王p3杀两胆独胆 | 3d牛彩网试机号后专家预测汇总 | 3d今天开机号和试机号码 | 3d开奖结果今晚号码 | 3d推荐最新最准专家预测 | 3d预测专家推荐 | 廊坊鸿运3d| 3d今天精准一注 | 于海滨专家3d今天预测 | 3d最准专家预测方法 | 3d千禧今晚试机号码 | 于海滨杀码今天最新版 | 3d胆王专家定十位 | 3d专家推荐号| 最准确3d专家预测 | 小薇3d预测 | 龙头凤尾最准确预测 | 最新3d预测专家预测 | 千禧开机号试机号关注号金码杀码 | 中国福彩3D独胆实时推荐 | 今晚3d专家预测汇总 | 今晚3d预测推荐一注 | 今天最新3d开机号试机号关注码 | 今日3d预测号码推荐 | 3d预测专家推荐 | 3d定胆| 于海滨3d今晚预测 | 3d最准预测专家预测大 | 神仙姐姐今天最新杀码 | 3d今天开机号和试机号查询100期 | 两天双胆计划王 | 3d静态版预测静态版 | 3d双胆预测 | 于海滨3d预测牛彩网 | 今天3d开机号和试机号 | 唐龙3d预测号 | 3d预测廊坊鸿运 | 祖师爷独胆三天计划 | 3d今晚字谜太湖字谜是什么 | 3d杀码专家大全 | 3d杀码公式最新 | 3d老炮子直选三注 | 3d北丐七爷独胆 | 3d走势图专家推荐号码 | 3d预测一注推荐 | 千禧3d开机号试机号金码 | 3d试机号后专家预测推荐汇总 | 今晚于海滨海3d预测3d | 今日正版3d藏机图全部汇总 | 于海滨一语定胆保真 | 3d试机号后专家推荐汇总 | 今晚上必中一注 | 今日3d最准开机号 | 今天晚上的3d开奖结果 | 今晚3d一注直选 | 牛彩预测汇总3d最新 | 3d今晚开奖号多少 | 3d今晚预测直选一注 | 3d专家预测最准确今天上一期 | 3d预测专家精准推荐 | 3d独胆王精准100% | 3d太湖解字谜 | 3d今晚预测最准确一注今天 | 3d和值尾振幅走势图带连线图表 | 3d今晚最准专家预测号码 | 3d詹天佑预测分析牛彩网 | 3d今晚预测最准确一注今天 | 3d今天预测最准确专家 | 3d今天预测汇总 | 太湖3d字谜太湖钓叟三字诀 | 3d定位独胆王三个双飞 | 3d预测天齐网 | 3d推荐号码今晚预测 | 詹天佑3d预测推荐 | 3d预测号码 | 孟庆会老师3d预测今天 | 今晚3d专家推荐 | 詹天佑3d | 3d开机号和试机号30期列表 | 3d今晚最精准一注一注 | 3d预测最准确专家预测牛彩网 | 排三平均值振幅走势图3d之家 | 于海滨3d专家预测 | 福彩3D独胆下期推荐最新 | 【福星】3d单挑10注组 | 于海滨点评专家一语定胆保真版 | 北斗3d今日预测 | 3d计算公式精准100%计算 | 经典小胆王三天计划配组合 | 3d开机号和试机号金码关注 | 今天最新3d开机号试机号关注码 | 十拿九稳专家预测专栏 | 马到成功杀两码最新版本更新内容 | 于海滨点评专家一注定胆保真版162期 | 千禧p3试机号关注号金胆对应号 | 3d开机号试机号30期列表走势图 | 3d专家预测最准双胆 | 3d最精准的专家预测 | 3d跨度振幅走势图3d专家 | 3d最新专家预测汇总大全 | 3d最准专家预测号今晚3d试机号 | 中国福彩3D独胆专家精准预测 | 3d个位振幅走势图近50期 | 3d近100期开奖结果全部 | 今日3d太湖字谜每天更新 | 龙彩居士3d预测今天最新版 | 3d北斗专家北斗预测今天079期3d | 铁人铁胆3d包星定位最新今天 | 今天太湖字谜3d字谜太湖钓叟 | 3d开机号和试机号今天多少 | 福彩3D独胆下期推荐预测 | 于海滨3d预测天齐网 | 3d杀码大全 天齐网 于海滨3d最新预测 千禧3d试机号金码关注码对应码今晚 | 杀码王杀码 | 3d预测最准最新牛彩网 | 3d家彩预测 | 3d专家杀码图 | 3d预测最新最准专家推荐号码 | 3d开机号试机号码牛彩网 | 3d最准确的专家预测 | 3d太湖字谜汇总今天 | 3d的预测号是多少 | 3d胆预测天齐网 | 3d徐文轩今晚推荐号码 | 3d牛彩网和值走势图 | 三天计划3d独胆必出论坛 | 十拿九稳今天预测专家 | 专家彩宝贝预测汇总 | 今日3d开机号和试机号关注码千禧 | 3d鬼手字谜和谜 | 3d独胆之家 | 3D独胆专家精准预测最新 | 3d于海滨专家预测 | 3d专家预测推荐 | 3d开机号试机号关注号金码对应码 | 看彩大亨最新独胆预测 | 3d杀码专家大全 | 3d预测最准专家预测牛彩网 | 3d预测最准专家预测号 | 3d今晚最准专家预测号码145 | 龙头凤尾今日预测 | 陈华3d预测今天推荐 | 沈宝桢个人简历 | 3d预测分析 | 3预测,3d专家预测,最准确今天彩网 | 3d今晚推荐号 | 3d独胆二天计划 | 3d专家预测最准最新今天 | 3d北斗专家北斗预测今天079期3d | 3d精准一注 | 3d预测推荐汇总牛彩网采摘收集 | 3d今天开机号和试机号码300 | 今于海滨3d预测今天 | 3d专家预测最准确今天 | 今日正版藏机图全部汇总239期 | 中国福彩3D独胆下一期预测最新 | 3预测,3d专家预测,最准确今天彩网 | 于海滨今日3d预测 | 3d今晚一注推荐 | 3d今晚上预测号码 | 3d今晚最准最新专家推荐号 | 3d今晚最精准专家 | 3d今晚专家预测 | 3d预测最准确专家 | 3d预测最准专家预测号 | 小财神三天计划独胆 | 3d最新专家预测汇总大全 | 今天3d千禧试机号关注号金码号 | 3d白娘子跨度字谜汇总今天牛彩网 | 3d专家预测最准最新今天 | 3d今晚出啥号 | 3d专家预测最准双胆 | 3d今晚专家预测推荐 | 3d试机号今天晚上金码92期 | 3d专家预测最准确最新今天 | 3d预测专家推荐最准确 | 3d单式怎么才算中奖 | 3d十大专家推荐号码汇总 | 千禧3d开机号试机号金码 | 今日三地开奖码 | 3d预测最准专家预测 | 3d今晚专家预测最准确一注 | 3d直选一注50倍单挑 | 3d预测专家精准推荐 | 3d单双走势图表(专业版) | 3d晶晶必下一独胆今天 | 3d今晚预测最新最准确号码牛彩网 | 3d开机号试机号近100期开奖号码 | 3d李明启预测号 | 3d最准一注(单挑王) | 中国福彩3D独胆今日精准预测 | 近30期3d开机号和试机号 | 今天3d专家预测汇总 | 今天最新3d开机号试机号 | 3d预测晚| 3d断组今晚全部 | 3d机选一注| 詹天佑3d今晚预测号码 | 3d平均值走势图振幅3d之家 | 3d太湖字谜图谜总汇 | 排三平均值振幅走势图3d之家 | 3D独胆本期推荐最新 | 3d詹天佑预测分析牛彩网 | 3d最新专家预测推荐 | 3d双胆神算今天必下 | 3d今晚专家预测最准确号码 | 3d资料大全免费 | 3d今天开机号和试机号牛彩网 | 3d专家最新最准专家预测汇总 | 3d试机号今天晚上金码92期 | 今晚3d专家预测精选一注 | 机选一注3d | 3D独胆今晚命中率最新 | 3d怎么守号不亏 | 3d开机号和试机号今天千禧 | 3d最准确专家预测 | 马后炮解3d太湖字谜总汇大全 | 廊坊鸿运3d推荐今天 | 今晚3d的开奖结果 | 3d太湖一语定胆字谜 | 中国福彩3D独胆下期最新分析 | 于海滨今日预测号 | 3d小龙一句定三码今日字谜天中图 | 3d今天专家推荐号码推荐 | 3d藏机图正版藏机图诗汇总 | 3d专家今天推荐号 | 于海滨点评专家一语定胆保真版 | 顶级胆神双胆下一 | 于海滨一语定胆天齐网 | 3d预测今晚最准专家预测号码 | 3d詹天佑最新预测 | 詹天佑今天3d推荐 | 3d白娘子跨度字谜汇总今天牛彩网 | 3d牛彩网字谜图谜总汇九 | 3d开机号今天近10期 | 3d直选三注 | 3d开机试机号金码号关注号 | 陈华今天就赌一个胆3d | 今晚3d开奖号试机号 | 今天3d开奖号是多少 | 今天最新3d开机号试机号关注码 | 唐龙3d预测今日出号点评 | 今天的3d太湖字谜 | 3d预测最准确专家预测 | 今晚3d专家预测 | 3d双飞大师双胆组合 | 3d晶晶必下一独胆今天 | 3d今天开机号试机号对应码关注码 | 3d今晚精选预测一注 | 3d最精准专家预测汇总今天 | 3d今天开机号试机号对应码关注码 | 3d预测专家最准确的专家预测今晚 | 今晚3d专家推荐号 | 3d百位个位和值走势图 | 3d免费预测汇总牛彩网 | 今天晚上的3d开奖结果 | 近100期3d开机号和试机号 | 3d今日开机号和试机号及关注码 | 3d今晚专家预测最准确一注 | 下一期专家预测号码 | 3d最新专家预测推荐 | 今天的3d推荐号码是多少 | 3d今晚专家预测最准确一注 | 福彩3D独胆老师精准预测最新 | 3D独胆老师预测 | 3d专家今天推荐号 | 3d最准专家预测号今晚3d试机号 | 3d今晚专家预测最准确一注 | 3d今晚专家推荐 | 3d北丐七爷独胆 | 3d谜语字谜太湖天齐网 | 3d今晚专家预测最准确号码 | 3D独胆明日推荐最新 | 中国福彩3D独胆专家精准预测最新 | 3d专家预测推荐 | 3d专家预测推荐 | 于海滨3d预测号 | 3d双胆独胆 | 3d今天开机号和试机号开奖结果 | 3d带连线专业版走势图表 | 今天的3d太湖字谜今天晚上 | 3d预测最准确专家预测 | 福彩3D独胆高手分析 | 3d专家预测最准确最新今天牛彩 | 3d带线走势图连线走势图 | 中国福彩3D独胆明日推荐 | 3d今晚最准专家预测号码 | 今日詹天佑3d预测分析 | 三d专家杀码 | 3d专家今天推荐号 | 《金银胆神》金胆银胆3d最新一期开奖 | 于海滨3d今晚预测 | 3d今日专家精准推荐号 | 3d最精准专家预测汇总今天 | 3d千禧开机号和试机号码 | 3d最精准专家预测汇总今天 | 三d独胆 | 3d走势图专家推荐号码 | 于海滨海3d专家杀码 | 3d千禧试机号和金码关注 | 3d开机号和试机号金码今天的 | 3d杀码更准确 | 今日3d专家推荐号码 | 解太湖3d字谜太湖 | 三d独胆| 福彩3D独胆下一期预测最新 | 于海滨海3d预测牛彩网 | 3d独胆预测 | 3D独胆下期推荐预测最新 | 3D独胆老师命中率 | 陈华今晚就赌一胆今天最新 | 3d牛彩网专家汇总汇总大全 | 排三十拿九稳今天预测 | 3d预测专家准确推荐 | 三d预测牛彩网汇总 | 3d开奖结果今晚号码 | 3d今天专家预测最新最准 | 3d玩彩老头预测今天号码 | 3d之家双胆独胆预测 | 3d精准预测专家预测 | 牛彩网近30期3d开机号试机号 | 3d藏机图正版藏机图汇总今天最新 | 今日3d马后炮解太湖字谜 | 3d于海滨上的今天预测 | 3d杀码图专区,杀码图 | 3b预测汇总牛彩网 | 3d今晚必中一注一注 | 铁人铁胆包星定位今天最新结果 | 陈华3d今晚就赌一个胆 | 太湖字谜钓叟3d字谜 | 3d专家预测推荐最新 | 今晚3d专家预测最准确 | (暴富密码)绝杀两码预测 | 3d谜语字谜太湖天齐网 | 3d今晚最准专家预测号码 | 布衣杀码图3d杀码 | 3d最准确最新专家预测 | 今天的3d太湖字谜 | 3d预测专家最准确 | 3d今晚上专家推荐号 | 3d预测最准最新准专家预测 | 福彩3D独胆下期走势最新 | 无敌胆王独胆双胆 | 3d推荐号今日预测 | 3d千禧试机号和金码关注 | 西施姐姐就赌一个独胆 | 免费计划软件 | 十拿九稳专家预测专栏 | 杀码3d杀码图 | 詹天佑3d点评预测 | 今天3d开机号关注号试机号金码 | 3d最准专家预测方法 | 3d直选一注 | 3d最准专家预测号今晚3d试机号 | 3d今天专家推荐号码推荐 | 3d预测号最新最准牛彩网 | 3d试机号近10期(模拟) | 铁人真胆一句定三码3d字谜彩搜网 | 3d专家推荐精选号码 | 3d今晚开奖结果号码是 | 3d和值尾走势图(专业版) | 3d字太湖叟字谜 | 3d预测最准确专家预测牛彩网 | 今日3d预测号码推荐 | 3d今天专家推荐号码推荐 | 3D独胆今晚命中率 | 毒胆牛人三天计划 | 3d百位绝杀一码 | 3d基本走势结果 | 小红人的计划三天计划 | 3d太湖字谜大全 太湖钓叟 | 3d专家詹詹天佑最新推荐 | 3d和值尾振幅走势图50期 | 天齐网3d首页保真版3d预测 | 3d今晚专家预测最准确一注 | 福彩3D独胆团队必中 | 3d火火人独胆双胆必中 | 3d号码预测 | 最新3d预测专家预测 | 今日3d直选| 3D独胆大神命中率最新 | 福彩3D独胆团队必中最新 | 今晚3d专家推荐 | 3d试机号开机号今天查询排五 | 3d试机号后专家预测推荐汇总 | 3d独胆必下 | 3d独胆专家推荐独胆 | 中国杀码王3d绝杀 | 3d预测号最新最准牛彩网 | 开心笨小孩3d独胆 | 3d专家预测最准确| 3d今晚专家预测重点号码 | 3d专家预测号码最准确 | 3d太湖专家预测今晚 | 3d最新专家预测汇总大全 | 今日3d马后炮解太湖字谜 | 三d预测汇总 | 3d今晚推荐号码最新 | 今晚快乐八专家预测推荐号 | 福利3d开奖号码 | 3d上下五千年专家预测 | 3d预测 下一期 3d预测专家 3d预测 | 3d独胆王精准100% | 今天3d正版太湖字谜 | 祖师爷独胆三天计划 | 3d今晚和值字谜 | 3d解太湖字谜汇总精选 | 成功路上3d双胆独胆 | 3d预测最准确的专家预测软件 | 3d金胆王 | 3d最新最准预测号码今天 | 今日3d太湖三字谜 | 今晚3d开机号试机号 | 3d十大专家精准预测汇总 | 3d今天专家推荐号码推荐 | 3d最新专家预测汇总大全 | 3d专家预测最准确今天 | 3d独胆必下一独胆3d独胆预测 | 3b千喜今天试机号关注金码 | 3d开机号和试机号是多少 | 3d今晚专家预测最准确号码 | 3d今天专家推荐号码推荐 | 3d今晚开奖号走势图 | 3d今晚预测开奖号码 | 3d长中剑客预测今天 | 3d最准专家预测方法 | 3d陈华就赌一个胆天齐网 | 于海滨一语定胆《保真》 | 李明启3d最新预测今天 | 中国福彩3D独胆高手命中率 | 于海滨3d杀码 | 3d开机号试机号今天开奖号 | 3d预测今晚最准专家预测号码 | 今日钱王给胆点评 | 《金银胆神》金胆银胆3d最新一期开奖 | 3d专家预测推荐号最新 | 3d一语定胆太湖字谜 | 排三专家杀码 | 于海滨海3d专家预测今天 | 3d推荐号今晚专家预测 | 2014年359期3d焰舞字谜 | 2014年359期3d焰舞字谜 | 于海滨3d预测牛彩网 | 今晚3d开机号试机号金码 | 今晚3d专家推荐重点号码 | 3d和值尾走势图(专业版) | 3d和值尾振幅走势图近100期 | 3d开机号试机号30期列表走势图 | 3d今日预测推荐号 | 千禧3d试机号金码今天关注码对应码 | 3d今晚出的什么号 | 3d开机号试机号今天开奖号 | 3d牛彩网专家预测汇总 | 3d彩界精英独胆双胆 | 牛彩网预测3d | 3d今晚最准一注 | 3d詹天佑最新预测今天 | 3d今晚上预测号码 | 3d直选一注今天 | 3D独胆本期命中率 | 3d牛彩网100期开机号和试机号 | 3d杀码图专区,杀码图 | 3d最准预测号 | 3d开机号码试机号牛彩网 | 3d直选精准100%免费 | 3d今晚专家预测推荐号 | 东北小胆神今晚独胆 | 3d最精准专家预测汇总今天 | 3d专家预测推荐最新 | 3d预测最准确的专家 | 3d今晚最准专家预测号码145 | 3d最准预测号 | 唐龙一胆今天最新 | 3d今天开机号和试机号金码对应码 | 2025排五守号推荐 | 陈华今晚独胆特别关注 | 今日太湖钓叟三字诀字谜 | 3d今晚最准最新专家推荐号 | 3d和值专家推荐和值 | 3d今晚预测最新最准确号码牛彩网 | 3d今晚精选预测一注 | 3d今天专家预测号码 | 今日3d预测号码推荐 | 3d预测专家最准确的专家预测昨天 | 三d之家独胆 | 3d试机号后专家预测 | 3的杀码图 | 3d今天最新最准专家预测最 | 今于海滨3d杀码图24210 | 3d于海滨预测 | 中国福彩3D独胆最新走势 | 今天晚上3d推荐号码 | 3d基本走势图表 | 3d詹天佑3d预测分析 | 3d万能四码走势图表 | 3d跨走势图带连线走势图 | 3d和值遗漏值尾走势图 | 3d最新基本走势图表 | 3d十位走势图彩经网 | 今日3d专家预测号最准确 | 3d今晚一注推荐 | 小财神三天计划独胆 | 财神爷独胆三天计划,就这么牛 | 牛彩网3d预测汇总大全 | 3d最准专家预测号今晚3d试机号 | 3d最精准专家预测汇总今天 | 福彩3D独胆独家走势 | 龙头凤尾今日预测 | 一代女王杀两胆 | 福彩3D独胆本期预测 | 今于海滨3d杀码 | 3d今天专家预测号码 | 3d今晚惊天一注预测 | 今晚3d直选一注 | 3d彩皇网 | 福彩3D独胆老师杀号最新 | 3d机选一注 | 今日排三太湖钓叟字谜三字诀 | 今天的3d开机号和试机号查询 | 3d彩界元宝就看一个独胆 | 3d专家预测最新最准推荐 | 3d专家詹詹天佑最新推荐 | 今晚3d推荐号 | 今天3d必出一注 | 3d最精准专家预测汇总今天 | 飞向阳光龙头凤尾今天最新消息 | 今晚牛彩网3d预测汇总 | 于海滨今天3d预测 | 3d今晚推荐一注 | 专家预测3d号码准确 | 今晚3d一注直选 | 3d专家预测推荐最新 | 小财神三天计划独胆 | 詹天佑3d点评预测 | 3d今晚最准专家预测号码145 | 今天3d必出一注 | 3d千禧试机号关注码金码今天晚 | 于海滨3d今晚预测 | 3d走势图全图表 | 今晚上3d出奖结果 | 3d今晚一注推荐 | 于海滨专家预测3d两吗 | 陈华今晚独胆特别关注 | 3d今天开机号和试机号码 | 3d彩宝网开机号和试机号 | 《金银胆神》金胆银胆3d最新一期开奖 | 3d彩报图今天图库彩吧 | 3d今晚开奖号结果 | 3d专家今日推荐号码 | 3d今晚上专家推荐号 | 3d今日专家推荐 | 3d预测最准专家预测牛彩网 | 3d于海滨杀码图 | 今晚3d专家推荐号码 | 福彩3D独胆明日推荐 | 3d字谜汇总大全总汇牛彩网开机号 | 今天3d开机号和试机号多少? | 牛彩网3d预测汇总大全手机版下载 | 财神爷三天计划独胆组合 | 今晚试机号多少3d | 3d今晚预测最新最准确号码牛彩网 | 3d孙大财就赌一个胆 | 3d太湖钓叟三字诀字谜汇总 | 今天3d开机号试机号金码 | 今天3d出的什么号 | 今日3d开奖号太湖字谜总汇 | 千禧今晚3d试机号关注码金码 | 七爷独胆今晚一个胆 | 3d单挑今天晚一注500倍 | 3d今天专家推荐号码推荐 | 3d预测最准的专家预测 | 3d今晚开奖结果号码是 | 3d专家今天推荐号 | 今晚3d开奖号是多少 | 3d十大专家预测汇总 | 中国杀码王绝对 | 于海滨专家3d今天预测 | 3d预测最新最准专家 | 3d独胆怎么打 | 3d最准专家预测号 | 今天3d杀码 | 3d今晚专家推荐 | 3d专家预测最准确最新新闻 | 3d彩宝网开机号和试机号 | 于海滨3d专家预测 | 3d预测专家最准确的专家预测今晚 | 3d今晚预测最新最准确 | 《金银胆神》金胆银胆3d最新一期开奖 | 试机号开机号金码关注号对应码3d | 中国福利3d今天模拟试机号 | 今天3d开机号试机号对应码列表 | 3d最精准专家预测汇总今天 | 3d专家预测最新推荐 | 3d开机号试机号关注号金码对应码 | 今于海滨3d预测 | 3d专家预测最准确最新推荐号码 | 3d今天专家预测号码最准确 | 3d于海滨一语定胆今天 | 3d专家预测最准确最新今晚预测 | 3d预测最准确专家预测 | 3d今晚专家预测最准确号码 | 今天的3d开机号试机号 | 今天的3d开机号和试机号中奖号 | 中国杀码王绝杀 | 今日精准预测推荐3d号码 | 3d今日预测最准专家预测 | 3d大老人预测 | 3d预测最准确的专家 | 3d藏机图正版藏机图 | 3d专家预测最准确最新今天牛彩 | 3d今晚专家推荐号 | 今日3d开机号和试机号关注码千禧 | 3d北斗专家北斗预测今天079期3d | 孟庆会专家3d预测 | 独胆王三天计划 | 詹天佑3d预测推荐 | 3d百位十位个位走势图 | 3d杀码专家大全 | 3d跨度遗漏值振幅走势图彩经网 | 今天晚上3d开奖 | 3d最新最准专家预测号码 | 3d小龙一句定三码今日字谜天中图 | 3d牛彩网今天开机号试机号 | 骄子铁鹰解3d字谜今日 | 3d今天试机号开机号关系 | 3d字谜总汇今日3d字谜总汇牛彩网 | 3d今天的试机号和开机号 | 3d独胆预测| 今日3d直选一注 | 3d最准确最新专家预测 | 彩坛老顽童3d独胆 | 3d今晚推荐号码最新 | 预测3d今晚开奖号 | 3d今天专家预测号码最准确 | 3d今天预测最准确专家 | 3d跨度振幅走势图3d专家 | 陈华今晚就赌一个胆今天最新更新内容 | 福彩3D独胆明日分析最新 | 今晚3d专家预测最准确 | 3d组三一注多少钱 | 3d专家预测推荐号码最准最新 | 福彩3D独胆独家命中率最新 | 太湖字谜马后炮3d总汇 | 小财神三天计划独胆 | 今天最新3d开机号试机号关注码 | 3d双胆独胆推荐 | 今天3d詹天佑预测分析 | 3d谜语今天字谜今天的3d字谜是什么? | 3d专家预测推荐号码 | 3d精准预测推荐 | 《天才计划》三天计划独胆3d | 3d今晚100倍 万能三码的使用方法 | 3d今天专家推荐号码推荐 | 3d牛彩网采摘收集预测汇总 | 3d藏机图正版藏机图汇总今天最新图片 | 今日3d专家预测号码推荐 | 今日3d马后炮解太湖字谜 | 3d推荐最新最准专家预测 | 3d今晚最准一注 | 3d廊坊鸿运精选号码推荐 | 福彩3D独胆专家杀号 | 今日3d藏机图汇总 正版 新版 | 最准3d预测专家推荐号 | 3d晚间字谜总汇大全 | 3d双胆,独胆非常非常稳定 | 3d开机号和试机号是多少 | 3d专家预测最准确最新汇总对应码 | 北斗3d今日专家预测推荐 | 毒胆牛人三天计划必出 | 3d于海滨专家预测 | 3d太湖一语定胆字谜 | 3d牛彩网预测 | 天天彩于海滨海3d最新预测 | 今日3d太湖字谜三字诀 | 3d今晚开机号试机号金码关注码今天 | 3d今天专家预测推荐号码 | 3d精选号码推荐今天最新 | 3d预测专家推荐最准确 | 投资计划独胆三天计划 | 三d预测专家最新推荐 | 3d百位定位走势图 | 3d免费专家预测推荐 | 今日3d正版藏机图 | 今日3d太湖字谜三字诀排三开奖结果 | 今晚最准的一注3d | 近300期3d和值走势图 | 3d预测最新最准专家 | 3d最新预测专家推荐 | 3d和值尾振幅走势图近50期 | 3d今天专家预测号码最准确 | 3d最准的预测专家 | 3d推荐号今晚专家预测 | 3d独胆陈华今晚就赌一个胆 | 今天专家推荐号码3d | 马后炮解3d太湖钓叟字谜总汇大全 | 3d两胆王 | 今晚3d专家推荐号 | 3d手机预测牛彩网 | 3d免费精准直选三注 | 千禧3d试机号金码关注码杀码今天3d | 中国杀码王绝杀 | 今晚3d专家推荐 | 3d姜子牙一句定三码最准字谜汇总 | 3d今晚专家预测最准确一注 | 于海滨3d杀码 | 于海滨专家一语定胆十每日 | 3d预测号最新最准牛彩网 | 3d预测最准确的专家预测软件 | 今天买哪三个号码好 | 3d预测号专家预测 | 今天3d开机号试机号码 | 3d百十差振幅走势图 | 3d真实的谎言正版和值字谜 | 牛彩网杀码大全 | 龙彩居士3d预测今天最新版 | 3d今晚十大专家预测汇总 | 3d双胆独胆非常稳 | 3d百十和值尾振幅走势图 | 3d定位独胆王三个双飞 | 今日排五专家推荐与预测 | 3d最新专家预测汇总 | 3d今晚开奖结果号码是 | 3d和值基本走势 | 3d北斗专家北斗预测今天079期3d | 今于海滨3d预测今天 | 3d开机号和试机号今天多少 | 千禧今晚3d试机号关注码金码对应 | 今晚解太湖3d字谜 | 3d专家最准确预测 | 三d独胆 | 3d廊坊鸿运正版推荐 | 3d独胆双胆独胆3d之村 | 3d预测最准的专家预测 | 福利3d开奖号码 | 3d今天最新最准专家预测最 | 3d最精准的专家预测精选 | 于海滨3d预测牛彩网 | 快8今晚最毒胆推荐 | 3d千禧试机号关注号金码号开机号 | 3d詹天佑点评 | 3d千禧开机号试机号关注金码对应码 | 3d今日专家推荐号 | 3d十大专家预测汇总 | 今晚3d专家最精准的预测 | 3d条件预测专家专区 | 3d预测最准最新准专家预测号码 | 福彩3D独胆下一期推荐最新 | 唐龙点评3d预测今天 | 3d预测专家最准确的专家预测今晚 | 3d的最新走势图表 | 三d毒胆预测 | 试机号开机号金码关注号对应码3d | 今天专家推荐号码3d | 于海滨一语定胆《保真》 | 于海滨3d今晚预测 | 3d今天专家预测最准 | 3d于海滨专家预测 | 于海滨点评专家一注定胆保真版 | 今日3d正版藏机图,藏机图汇总,天中网 | 3d预测今晚推荐号 | 3d近300期试机号和开奖号码 | 3d太湖专家预测今晚 | 3d双胆独胆非常非常稳定 | 3d十大专家独胆 | 3d十大专家推荐号码汇总 | 今天3d太湖钓叟字谜三字诀 | 3D独胆团队命中率最新 | 太湖字谜钓叟3d字谜 | 3d专家预测最准确今天南方双彩网 | 3d专家最新最准专家预测 | 3d今晚专家免费预测 | 3d今晚必中一注 | 3d推荐最新最准专家预测 | 李明启3d今晚预测专栏 | 3D独胆团队走势 | 3d解太湖字谜汇总 | 3d今天专家预测号码最准确 | 3d专家预测最准确最新推荐号码 | 3d詹天佑预测分析牛彩网 | 3d双胆独胆 | 3d今晚专家预测推荐 | 太湖字谜三字诀汇总 | 推荐一注3d号码 | 3d今晚十大专家预测汇总 | 3d独胆必下一独胆 | 三d独胆| 北斗3d今日专家预测推荐 | 3d十大专家汇总精选一注 | 今日精准预测推荐3d号码 | 3d詹天佑最新预测今天 | 3d预测专家最准确 | 于海滨3d预测号 | 3d詹天佑预测汇总 | 3d和尾振幅走势图3d专家 | 玩彩独胆王三天计划 | 3d独胆陈华今晚就赌一个胆 | 3d字谜今天太湖字谜 | 3d今天试机号开机号关系 | 于海滨3d最新预测 | 牛人独胆三天计划 | 3d预测最准的专家预测 | 三d十拿九稳预测号码 | 唐龙点评3d预测今天 | 3d定胆技巧准确率100% | 3d彩报图今天图库彩吧 | 3d今晚专家预测 | 3d专家预测最准确今天3d | 3d最精准的专家预测 | 3d基本走势图全部 | 于海滨3d预测今天 | 牛彩网3d走势图表 | 今日毒胆| 3d预测专家精准推荐 | 3d专家预测最准最新今天 | 3d最准确预测专家 | 3d十大专家杀跨度汇总 | 小胆神玩毒胆我3d | 中国福彩3D独胆内部走势最新 | 牛彩网杀码图汇总 | 试机号开机号金码关注号对应码3d | 3d今天断组预测 | 3d太湖钓叟字谜三字诀汇总 | 3d牛彩图谜字谜总汇九 | 3d最新准专家预测 | 3d北斗专家北斗预测今天079期3d | 廊坊鸿运3d最新预测 | 3d开机号试机号奖号 | 3d开机号,试机号,金码号,对应码100 | 3d专家推荐最新预测 | 3d预测推荐汇总牛彩网采摘收集 | 3d最精准的专家预测 | 3d独胆必下一个胆 | 3d预测牛彩网| 3d百位遗漏振幅走势图南方双彩网 | 千禧3d今天的试机号 | 3d精准推荐号| 3d独胆公式正确率在99%以上 | 3d之家预测专家预测 | 3d开机号今天近10期 | 千禧3试机号金码关注码金码 | 福彩3D独胆下期走势最新 | 福彩3D独胆明日分析 | 3d预测推荐 | 3d之家双胆独胆预测 | 今晚于海滨海3d预测3d | 3d预测最准确专家预测 | 3d预测专家最准确 | 牛彩网3d专家预测 | 今天晚上3d开奖 | 今天3d牛彩网专家预测 | 今天3d千禧试机号关注号金码号 | 3d藏机图正版藏机图诗汇总 | 3d和值尾振幅走势图彩宝贝 | 3d跨度遗漏值振幅走势图彩经网 | 3d今天开机号和试机号开奖结果 | 3d今晚开奖结果走势图 | 3d杀码图天齐网 | 3d晚秋和值谜彩吧图库 | 97654天中图库,今天晚3d试机号 | 3d预测最准确的专家 | 于海滨一语定胆专家点评 | 3d杀码想要 | 今晚必中一注i | 3d精准推荐号 | 3d今天专家预测推荐号码 | 3d基本走势图 综合 太湖三字诀字谜三 | 飞向阳光龙头凤尾今天最新消息 | 3d千禧今晚试机号码 | 3D独胆团队走势 | 3d今天开机号和试机号322 | 3d专家推荐最精准的号码 | 福彩3D独胆下期预测 | 3d孔方来萃解太湖字谜 | 3d预测詹天佑 | 专家3d预测汇总 | 3d走势图(专业连线版) | 今晚3d预测最准一注 | 3d专家预测最准确最新新闻 | 3d开奖号走势图表 | 千禧3试机号金码关注码金码 | 3d独胆双胆专家预测网 | 3d推荐专家汇总 | 3d杀码十大专家天齐网 | 3d今天开机号和试机号 | 3d于海滨今天预测保真 | 3d最新专家预测汇总大全 | 3d今晚最准一注 | 今晚3d专家最精准的预测 | 陈华3d今晚赌独一胆天齐网 | 十拿九稳预测专家分析 | 中国福彩3D独胆下期最新必中最新 | 专家预测3d预测 | 今日3d开机号和试机号列表三十期 | 最准确3d专家预测 | 3d专家预测最准确今天上一期 | 今于海滨3d预测今天牛彩网 | 3d百位个位和值走势图 | 金银胆神金胆银胆的最新消息 | 3d北斗专家北斗预测今天079期3d | 3d万能大底共250注直选 | 3d今晚上预测号码 | 今天3d金码试机号对应码开机号 | 3d试机号今天开机号查询结果 | 张克永专家3d预测 | 3d专家今天推荐号码推荐 | 3d免费专家预测推荐今天最新 | 今晚3d试机号开机号 | 太湖3d字谜图谜总汇 | 3d太湖钓叟字谜三字诀乐彩论坛 | 3d推荐号今晚专家预测 | 3d一语定胆太湖字谜 | 3d预测专家最准确的专家预测今晚 | 于海滨3d今晚预测号码 | 今天的3d开机号和试机号中奖号 | 3d免费预测 | 千禧3d试机号关注号 | 今天3d开机号和试机号金码 | 最准杀码王p3 | 3d今天最新最准专家预测最 | 千禧3试机号金码关注码金码 | 3d今天断组预测 | 3d今晚专家预测推荐号 | 3d最精准一注一注 | 3d今晚最准最新专家推荐号 | 铁人铁胆定位包是预测 | 3d牛彩网字谜图谜汇总九 | 3d开机号试机号今天最新50期 | 3d布衣独胆双胆必下一 | 三d独胆 | 3d预测专家最准确 | 3d最精准专家预测汇总今天 | 今天3d专家推荐号 | 3d今晚上专家推荐号 | 三d今日太湖字谜解 | 专家预测3d号码准确 | 于海滨3d预测牛彩网 | 3d最准确预测专家 | 3D独胆高手杀号 | 今日3d预测专家推荐 | 3d下期预测最精准的一注号码 | 于海滨3d免费预测最新的 | 3d牛彩网今天开机号试机号 | 于海滨3d最新预测 | 今天3d开机号关注号试机号金码 | 3d试机号历史情况 | 今日太湖字谜3d字谜太湖钓叟 | 3d静态版预测静态版 | 3d定百位一个号多少钱 | 于海滨3d免费预测最新的 | 3D独胆高手走势最新 | 3d牛哄哄解太湖字谜今天 | 3地独胆,毒胆双胆家彩网 | 3d和值尾振幅近100期走势图 | 3d十大专家推荐号码汇总 | 3d杀码专家杀码最精准 | 今天的3d太湖字谜今天晚上 | 3d今天专家预测号码 | 3d今晚专家预测推荐号 | 3d推荐最新最准专家预测 | 今天3d专家预测汇总 | 于海滨3d预测免费 | 排3藏机图正版藏机图今天 3d八哥图库总汇d字谜图谜总汇大全 | 3d专家预测推荐 | 3d预测专家最准确今天 | 3d预测专家推荐最准确 | 3d今天专家推荐号码 | 今天3d专家预测汇总 | 3d预测今晚最新最准确 | 福彩3D独胆下期推荐最新 | 中国福彩3D独胆明日推荐最新 | 3d专家预测号码推荐今天 | 3d和值基本走势图 | 今晚3d天宇一句定三码字谜 | 3d最精准的专家预测精选 | 3d开机号今天牛彩网近30期 | 今晚3d专家预测汇总 | 3d最新专家预测汇总大全 | 3d毒毒毒胆胆胆中中中 | 3d试机号开机号今天晚上金码号 | 3d千禧试机号关注码金码是什么 | 今天3d精选一注 | 钱王点评十钱王老头给胆 | 千禧试机号金码关注 | 今日3d预测专家推荐 | 千禧3d试机号关注码金码列表 | 3d今晚最准专家推荐号 | 陈华3d独胆推荐 | 3d最准的预测专家 | 直选三注必中一注3d | 3d独胆专家推荐独胆 | 3d最准确预测专家 | 3d专家预测最准确今天上一期 | 3d今晚最准最新专家推荐号 | 毒胆牛人三天计划必出 | 3d今晚专家预测最准确一注 | 3d专家预测最准确今天 | 3d预测号码 | 3d专家推荐今天 | 今天3d金码试机号对应码开机号 | 中国福彩3D独胆最新必中最新 | 太湖钓叟三字诀字谜解释总汇 | 千禧3d试机号金码关注码今天 | 3d双胆独胆 | 3d十个位差值振幅走势图3d之家 | 3d试机号后专家预测推荐汇总 | 3d今晚上专家推荐号 | 3d今晚最准专家预测号码145 | 3d开机号码试机号牛彩网 | 3d 计算公式 | 3d今晚专家预测 | 3d乾坤独胆王独胆 | 3d字谜今天太湖字谜 | 解太湖3d字谜太湖 | 3d今天专家预测最准 | 3d千禧试机号关注码金码是什么 | 3d独胆双胆专家预测网 | 3d今晚最精准专家 | 3d最准预测专家推荐 | 3d独胆必下一独胆 | 中国福彩3D独胆下期推荐杀号最新 | 飞向阳光龙头凤尾预测 | 3d今晚专家预测最准确一注 | 3d双胆大师| 推荐一注3d号码 | 3d今晚专家预测推荐号 | 3d詹天佑 | 3d专家预测推荐号码 | 3d开机号试机号今天最新50期 | 福彩3D独胆下一期命中率最新 | 3d计算机开机号夏天推荐 | 彩吧3d开机号| 3d两胆精准预测 | 3d今晚最准专家预测号码 | 3d海滨点评一语定胆今天最新推荐 | 独胆计划王 | 3d中国准神双胆 | 白鱼舟最新3d预测 | 财神爷独胆三天计划,就这么牛 | 3d推荐一注| 3d今晚最准专家预测号码 | 今日三地开奖码 | 3d经典小胆王 | 今晚3d专家预测精选一注 | 今天3d定位字谜二 | 3d专家最新最准专家预测汇总 | 3d最大值振幅走势图彩经 | 今日3d开机号和试机号关注码千禧 | 3d今晚专家推荐号 | 今日太湖钓叟三字诀字谜 | 三d十拿九稳预测号码 | 周星星3d预测手机牛彩网 | 正版真精华布衣天下今天推荐号码 | 3d试机号近10期彩经网 | 千禧p3试机号关注号金胆对应号 | 3d专家预测最准最新今天 | 3d杀码专家杀码最精准 | 今日3d直选 | 金银胆神金胆银胆的最新消息 | 今天3d藏机图正版藏机图藏机图太湖横屏 | 于海滨3d专家预测 | 中国福彩3D独胆最新推荐最新 | 3d专家预测最准确今天牛彩网 | 今天3d开机号 试机号是多少 | 3d藏机图正版藏机图汇总今天最新 | 3d今晚出的号码 | 神仙姐姐杀尾 | 3d预测汇总晚间 | 3d毒胆双胆三胆 | 3d必下双胆| 北斗3d今日专家预测推荐 | 一代女王决杀两胆免费观看 | 3d字谜历史记录 | 3d专家今天推荐号码推荐 | 今于海滨3d预测今天牛彩网 | 一代女王杀两胆 | 3d双胆独胆非常非常 | 铁人铁胆3d定位包星 | 福家老三3d推荐号 | 于海滨3d免费预测最新的 | 3d杀码图谜_专区杀码 | 今天p3藏机图正版藏机图 | 3d最新专家预测推荐 | 3d十大专家汇总精选一注 | 3d预测最准最新准专家预测 | 排三杀码专家定位杀码天齐网 | 3d今日专家推荐号 | 3预测,3d专家预测,最准确今天彩网 | 太湖3d字谜今天的 | 3d预测号最新最准牛彩网 | 今晚三d推荐什么号码 | 3d近30期开机号试机号牛彩网 | 3d最准一个独胆方法 | 3d今天专家推荐号码推荐 | 今晚3d专家预测汇总 | 唐龙一胆今天最新 | 3d彩界元宝就看一个独胆 | 3d专家预测最准今天 | 3d辽宁独胆王 | 3d太湖一语定胆字谜论坛 | 3d预测最准专家预测号 | 今日3d专家预测号码推荐 | 3d开机试机号金码号关注号 | 3d藏机图正版藏机图诗汇总 | 3d试机号开机号今天查询排五 | 3D独胆下期推荐走势最新 | 今天3d太湖钓叟字谜三字诀 | 3d推荐最新最准专家预测 | 于海滨3d预测 | 牛彩网3d预测分析汇总大全 | 百位振幅走势图3d之家 | 今天3d金码试机号对应码开机号 | 3d今晚开奖号结果3b | 3d预测牛彩网预测汇总 | 太湖字谜三字诀汇总 | 3d太湖一语定胆字谜论坛 | 3d预测最准专家预测号码 | 天齐网3d必中两胆今天 | 今天3d于海滨预测 | 3d詹天佑预测分析牛彩网 | 今天3d开机号和试机号全部 | 3d一语定胆太湖字谜 | 中国福彩3D独胆明日推荐最新 | 陈华今晚就赌一个胆预测 | 3d今天开机号和试机号码200 | 中国福彩3D独胆下一期预测最新 | 3d胆王双胆独胆 | 经典小胆王三天计划配组合 | 白姐3d今天预测号码 | 3d独胆王定位独胆定位 | 中国杀码王绝杀 | 今日3d字谜一句定三码和值谜定1 | 福彩3D独胆下一期推荐 | 今天3d字谜解太湖字谜 | 3d陈华就赌一个胆天齐网 | 牛彩网3d预测汇总大全 | 3d毒毒毒胆胆胆中中中 | 3d今晚专家预测最准确一注 | 今天3d开机号和试机号多少? | 3d今天专家预测号码最准确 | 3d百十和尾振幅走势图走势 | 3d预测最新最准专家推荐号码 | 中国福彩3D独胆最新推荐 | 千禧3d开机号试机号金码 | 今天晚上三d开奖结果 | 千禧3d试机号金码关注码对应码今晚 | 3d专家预测推荐 | 3d于海滨预测预测牛彩网 | 3d今天推荐号码 | 今日3d太湖字谜每天更新 | 3d基本走势图表 | 3d最新最准专家预预测 | 今日3d一句定三码和值谜食物全部 | 中国福彩3D独胆专家精准预测 | 今于海滨3d预测今天牛彩网 | 今日3d字谜太湖钓叟字谜 | 3d预测专家精准推荐 | 3d机选一注 | 浙江风采3d走势图表 | 神仙姐姐今晚杀码 | 3d专家推荐号 | 3d预测是多少 | 于海滨3d预测免费每日精选 | 3d独胆预测必下一胆 | 天齐藏机图汇总正版藏机图 | 十拿九稳预测 | 今日3d太湖三字谜 | 今晚3d预测最准一注 | 3d楚人今晚预测今天 | 3d试机号后专家预测汇总 | 3d跨度遗漏值振幅走势图彩经网 | 3d今晚专家预测推荐号 | 3d 今天 试机号开机号3 | 明天的3d太湖字谜 | 3d千禧金码试机号关注码开奖号 | 3d预测专家最准最新 | 三d的试机号是多少今天 | 今晚3d直选推荐 | 3d今天精准一注 | 3d今晚预测准确的专家预测 | 今于海滨3d杀码图 | 铁人铁胆定位包星 | 今天3d专家推荐重点号码 | 3d金码开机号和试机号 | 詹天佑最新预测 | 3d家彩预测 | 3d专家预测牛彩网 | 孟庆会3d预测今天 | 3d机选一注 | 3d藏机图正版藏机图打印版 | 3d农村小伙子最新预测 | 中国福彩3D独胆下期分析最新 | 今晚3d和值推荐 | 铁人铁胆3d定位包星预测 | 3d今晚上专家推荐号 | 3d预测最准最新牛彩网 | 3d基本走势图综合 | 3d走势图基本走势图表 | 3d紫云涧专家预测推荐 | 3d最准确最新专家预测 | 今日3d开奖号太湖字谜总汇 | 3d预测专家推荐最准确 | 今天3d专家推荐重点号码 | 牛彩3d专家预测 | 中国福利3d今天模拟试机号 | 3d直选综合走势图表 | 3d今晚专家预测最准确一注 | 3d计算机开机号夏天推荐 | 3d今晚专家预测最准确一注 | 于海滨一语定胆天齐网 | 中国福彩3D独胆最新推荐最新 | 3d预测最准专家 | 3d今日预测最准专家预测 | 专家预测3d号码准确 | 经典小胆王三天计划配组合 | 3d预测号码最准确专家预测 | 3d开机号和试机号金码关注对应码 | 中国福彩3D独胆明日推荐 | 今晚3d开机号试机号金码关注码 | 3d李明启最新预测今天 | 3d今晚最准专家推荐号 | 今晚3d开奖号走势图 | 3d专家推荐最新预测 | 3d詹天佑 | 3d独胆必下一独胆布衣正 | 3d专家杀码天中图库 | 3d于海滨预测预测牛彩网 | 3d今日开机号和试机号及关注码 | 3d专家预测最准确今天 | 3d每期必中27注 | 3d最精准专家预测汇总今天 | 玩彩独胆王三天计划 | 3d专家独胆推荐 | 今天的3d藏机图正版藏图 | 3d詹天佑最新预测牛彩网 | 于海滨最新3d预测推荐今天 | 于海滨专家一语定胆十好心人 | 3d开奖号今天结果 今晚 | 3d小龙一句定三码今日字谜天中图 | 3d小差振幅走势图表图 | 3d今日开机号和试机号及关注码 | 3d上下五千年专家预测 | 今天3d试机号开机号牛彩网 | 于海滨3d专家预测今天 | 快8今晚最毒胆推荐 | 今晚3d必出号 | 中国福彩3D独胆实时精准预测 | 3d北斗专家北斗预测今天079期3d | 铁人铁胆包星定位今天最新结果 | 小财神三天计划独胆必下 | 中国福彩3D独胆当天预测最新 | 今天专家推荐号码3d | 3d太湖字谜三字诀 | 3d于海滨预测预测牛彩网 | 于海滨杀码图谜 | 3d开机号和试机号近100期列表 | 今日3d字谜3d一句定三码诗天中图 | 3d杀码高手 | 3d今晚最准专家推荐号 | 3d于海滨上的今天杀码 | 3d跨度振幅3d之家走势图 | 于海滨预测3d号 | 3d开机号和试机号金码关注 | 今晚3d预测专家预测号 | 3d开机号和试机号今天金码关注号 | 3d专家预测最准双胆 | 今日精准预测推荐3d号码 | 詹天佑3d今晚预测号码 | 3d最准专家预测号今晚3d试机号 | 今日3d直选一注 | 3d今晚最准专家推荐号码 | 解今日太湖3d字谜 | 3d今天开机号试机号金码关注号 | 3d专家最新最准专家预测 | 解今日太湖3d字谜 | 3d李明启最新预测今天 | 今日3d杀码最新 | 3d专家预测最准今天 | 3d今晚预测一注 | 3d开机号和试机号八仙选号 | 排3太湖钓叟字谜三字诀 | 3d两胆精准预测 | 3d六码组三多少钱一注 | 3d专家预测最准最新今天 | 3d研究生双胆王 | 3d静态版预测静态版 | 3d于海滨预测预测牛彩网 | 3d今晚预测最新最准确号码牛彩网 | 唐龙预测一胆今天 | 3d北斗专家北斗预测今天079期3d | 3d专家最新最准预测 | 3d预测推荐汇总大全 | 3d十位单选振幅走势图 | 3d开奖号今天结果 今晚 | 3d专家今天预测一注 | 于海滨海3d预测保真 | 于海滨3d免费预测 | 3d千禧开机号试机号关注金码 | 独胆王三天计划 | 今天3d开机号和试机号多少 | 今天三d专家推荐号码 | 3d杀码图谜_专区杀码 | 3d今天晚上精选一注 | 3d今晚预测准确的专家预测 | 于海滨专家预测 | 唐龙一胆今天最新 | 今晚最全3d晚间字谜汇总192期 | 今天太湖钓叟3d字谜三字诀 | 3d试机号今天开机号查询结果 | 3d专家预测最准最新 | 3d千禧试机号关注码金码是什么 | 今日3d太湖字谜三字诀排三开奖结果 | 3d六码复式多少钱一注 | 高手看3d经典独胆组合 | 三d预测牛彩网汇总 | 3d专家最新最准预测 | 于海滨点评专家一注定胆保真版162期 | 中国福彩3D独胆高手命中率 | 3d陈华今晚独胆推荐 | 詹天佑今天3d推荐 | 今日3d太湖字谜每天更新 | 3d今日专家推荐号 | 三d便民字谜图谜总汇 | 3d推荐号今晚专家预测 | 3d预测专家最准确 | 唐龙一语定胆最新 | 3d预测专家最准确的专家预测今晚 | 3d试机号后专家预测推荐汇总 | 西施姐姐精心推算一独胆146 | 唐龙3d预测号 | 3d今晚出的什么号 | 试机号开机号金码关注号对应码3d | 今天3d推荐号码今晚预测 | 三d预测专家 | 千禧试机号金码关注号对应码杀码 | 3d独胆公式133x2 | 3d牛彩网预测 | 3d预测专家预测 | 3d试机号今晚开机号 | 财神爷独胆三天计划,就这么牛 | 今晚3d专家推荐号码是多少 | 3d今天断组预测 | 今天3d牛彩网专家预测 | 孟庆会点评 专家一语定胆 稳准狠三天计划 | 排五开机号试机号今天查询 | 3d藏机图正版藏机图全图牛彩网 | 3d胆1拖9直选多少钱一注 | 3d藏机图正版藏图汇总大全 | 3d最准预测专家推荐 | 3d今晚最准一注 | 3d牛彩网和值走势图 | 55125预测汇总3d | 牛彩网3d预测汇总大全 | 3d今晚最准专家预测号码145 | 3d专家预测最准确号码 | 3d专家詹詹天佑最新推荐 | 3d一定牛专家预测推荐 | 3d预测最准确专家预测 | 福彩3D独胆最新推荐最新 | 北斗3d今日预测 | 中国福彩3D独胆下期推荐 | 3d今晚最准专家推荐号 | 3d万能大底共250注直选 | 3d专家推荐号 | 今晚3d最准专家预测号 | 3d近30期开奖号码 | 3d最大值振幅走势图彩经 | 3d白娘子跨度字谜汇总今天牛彩网 | 3d试机号后专家预测推荐汇总 | 福彩3D独胆专家杀号 | 于海滨3d最新预测 | 孟庆会专家3d预测 | 3d十大专家精准预测汇总 | 3d专家预测最准确最新今晚预测号 | 3d推荐最新最准专家预测 | 千禧试机号关注号金码是什么 | 千禧3d今天的试机号 | 3d预测最准最新准专家预测 | 中奖开奖结果3d | 于海滨海3d专家预测今晚一注 | 3d今天专家推荐号码 | 廊坊鸿运3d最新预测 | 李明启3d今晚预测专栏 | 3D独胆大神分析 | 3d试机号开机号今天金码关注 | 专家预测3d号码准确 | 3d最新专家预测汇总大全 | 3D独胆独家推荐最新 | 3d专家预测最准确最新今晚预测 | 排三十拿九稳今天预测 | 3d专家预测推荐汇总 | 于海滨海3d专家预测今天 | 3d推荐号今日预测 | 3d预测号码最准确专家预测 | 3d专家预测于海滨 | 今日3d预测 | 3d今天预测最准确专家 | 3d预测最准最新牛彩网 | 3d预测专家推荐号码 | 3d詹天佑最新预测牛彩网 | 3D独胆团队精准预测最新 | 3d之家,专家预测预测 | 3d预测一注推荐 | 3D独胆内部精准预测 | 今晚3d专家推荐号码是多少 | 3d今天专家推荐号码是多少 | 3d太湖字谜总汇大全 每天更新 | 3d开奖号今晚 | 成功路上3d双胆独胆 | 3d杀码专家大全 | 今晚3d必出号 | 3d家彩网| 3d太湖钓叟字谜三字 | 3d预测 下一期 3d预测专家 3d预测 | 于海滨专家预测3d | 3d最精准专家预测汇总今天 | 3d谜语今天字谜今天的3d字谜是什么? | 福彩3D独胆独家走势 | 3d跨度五行走势图3d之家 | 我是毒胆王,今晚独胆 | 今日3d开奖号今晚 | 3d彩宝网开机号和试机号 | 3d今日号码推荐 | 3d今天专家预测推荐号码 | 十拿九稳今天预测专家 | 3d今晚专家推荐 | 天齐杀码图汇总 | 今天晚上的3d开奖结果 | 下一期专家准确预测 | 3d字字谜图谜总汇 | 3d预测专家推荐最准确 | 3d杀码图| 3d预测专家准确推荐 | 3d今晚专家预测最准确一注 | 3D独胆本期预测最新 | 3d 今天 试机号开机号3 | 福彩3D独胆独家命中率最新 | 今天3d牛彩网专家预测 | 3d跨度振幅3d之家走势图 | 3D独胆下期最新精准预测 | 福彩3D独胆今日走势最新 | 3d三胆 | 3d农村小伙子最新预测 | 詹天佑3d最新消息今天 | 3d推荐最新最准专家预测 | 3d独胆双胆独胆3d之村 | 专家预测3d号码准确 | 3d今晚精选预测一注 | 3d今天千禧试机号关注号金码 | 3d预测牛彩网预测汇总 | 于海滨海3d专家预测今天 | 3d试后太湖一语定胆字谜 | 3d晚间字谜总汇大全 | 3d个位走势图表 | 3d最新专家预测汇总大全 | 3d开奖号码结果 今晚 | 于海滨一语定胆专家点评 | 3d预测牛彩网预测汇总 | 西施姐姐就赌一个独胆 | 3D独胆高手走势 | 3d试机号历史出现情况天齐网 | 牛彩3d网首页 | 福彩3D独胆大神必中最新 | 十拿九稳预测分析 | 福彩3D独胆下期推荐必中 | 3d开机号和试机号今天 今晚 | 于海滨一语定胆保真 | 3d专家预测最准最新今天 | 3d詹天佑预测分析牛彩网 | 3d试机号今天晚上金码92期 | 3d千禧试机号金码关注最近10期 | 财神爷三天计划 | 3d今天专家预测推荐号码 | 3D独胆老师命中率 | 于海滨专家3d预测 | 李明启3d预测最新号码 | 3d今天最新最准专家预测最 | 小林3d最新预测今天 | 3d预测今日最新推荐 | 3d个位走势图表 | 今日3d蓝仙子一句定三码字谜 | 詹天佑最新预测3d | 于海滨今日预测号 | 3d牛彩网专家预测 | 天齐藏机图汇总正版藏机图 | 3d和值尾走势图(专业版) | 3d独胆专家预测 | 3d小差振幅走势图表图 | 詹天佑最新预测3d | 3d谜语太湖钓叟3d谜语今天 | 于海滨3d专家预测今天 | 3d最准专家预测号 | 3d太湖字谜图谜总汇 | 3d基本走势图 综合 太湖三字诀字谜三 | 3d詹天佑预测分析牛彩网 | 3d开机号近200期历史记录 | 下一期专家推荐号码 | 3d预测天齐网 | 《金银胆神》金胆银胆3d最新一期开奖 | 三d开机号和试机号今天牛彩网彩 | 3d预测最准预测号 | 3d专家预测最准确今天牛彩网 | 3d今晚必出的一注 | 3d基本走势图.| 3d最精准的专家预测 | 今天3d试机号开机号是什么 | 3d杀码专家大全 | 助赢计划软件免费版下载安装 | 于海滨3d专家预测 | 3d预测号码最准最新准专家预测号家彩网 | 三天计划3d独胆论坛 | 3d试机号历史出现情况天齐网 | 今日3d字谜3d一句定三码诗天中图 | 中国彩吧更一懂彩民最新版本更新时 | 3d今天开机号和试机号查询100期 | 太湖字谜三字诀汇总 | 3d专家推荐预测号 | 陈华今晚3d赌一胆天齐网 | 3d北丐七爷独胆 | p3千禧试机号关注金码 | 97654天中图库,今天晚3d试机号 | 3d专家预测最准确今天 | 今天3d詹天佑预测分析 | 免费计划软件 | 3d北斗专家北斗预测今天079期3d | 3d今晚专家预测 | 3d专家詹詹天佑最新推荐 | 太湖3d字谜今天的 | 3d预测专家最准确 | 3d今晚必出一注100%准确直选推荐 | 乾坤三天计划独胆预测 | 3d推荐号今晚专家预测 | 于海滨3d每日杀一码 | 3d今天推荐号码是多少 | 3d今晚预测准确的专家预测 | 3d开机号今天近10期 | 陈华今天就赌一个胆3d | 今晚3d专家预测精选一注 | 预测3d| 3d和值25点有哪几注 | 3d于海滨预测预测牛彩网 | 3d字谜太湖最新 | 太湖钓叟三字诀字谜解释总汇 | 3d走势图(带连线版) 试机号 | 马后炮解今日太湖字谜三字诀 | 55125预测汇总3d | 今天3d定位字谜二 | 3d独胆专家推荐独胆 | 3d试机号近30期牛彩网 | 3d预测专家最准确今天 | 千禧试机号关注金码是什么 | 3d预测推荐汇总 | 今晚3d专家最精准的预测 | 3d开机号和试机号金码关注对应码 | 唐龙3d预测今日出号点评 | 3d预测专家推荐号码推荐 | 3d专家推荐号码 | 3d最精准专家预测汇总今天 | 今于海滨3d预测今天单线联系 | 福彩3D独胆下一期命中率最新 | 3d十大专家精准预测汇总 | 今晚了3d开奖结果 | 3d今天专家预测号码最准确 | 3d今天开机号试机号200期 | 中国福彩3D独胆实时精准预测 | 3d今天开机号试机号3 | 陈华3d独胆推荐 | 最准3d预测专家推荐号 | 2025315期3d开奖结果 | 今天3d开机号关注号试机号金码 | 今天的3d推荐号码是多少 | 3d今天最准专家预测 | 千禧3d试机号关注号 | 千禧3d试机号关注码金码试机号 | 今晚3d专家预测精选一注 | 福彩3D独胆下期预测 | 3d试机号关注号金码对应码开机号 | 3d独胆双胆| 3d今天专家预测号码 | 3d专家预测最准确最新汇总 | 排五预测专家预测 | 3d汇总牛彩网 | 专家预测3d预测 | 3d直选一注今天 | 3d最新专家预测汇总大全 | 3d字谜图谜总汇全图汇总 | 3d今晚必下一个胆 | 最准3d专家预测推荐 | 3d独胆双胆专家预测网 | 3d今晚开机号试机号金码关注码今天 | 3d预测号最新最准牛彩网 | 3d千禧开机号试机号关注金码对应码 | 3d今晚最准专家推荐号码 | 3d专家预测牛彩网 | 3d独胆必下一个胆 | 排三杀码专家 | 毒胆牛人三天计划 | 今晚3d专家推荐号 | 3d今晚专家预测最准确一注 | 3d今天开机号,试机号 | 今晚最准一注3d | 毒胆牛人三天计划今天 | 助赢计划软件官网版下载 | 3d走势图带连线图表牛彩网 | 钱王老头点评牛彩网 | p3故事小王双胆下一今天 | 3d开机号试机号奖号 | 3d太湖钓叟三字诀字谜汇总 | 家彩专门提供3d试机号开机号 | 3d专家预测最准最新 | 3d今晚最稳一注 | 3d千禧试机号和金码关注 | 中国福彩3D独胆明日推荐最新 | 3d专家推荐今天 | 3d专家詹詹天佑最新推荐 | 3d十大专家预测汇总 | 3d今晚最准专家推荐号 | 3d红波蓝波走势图大中小 | 3d条件预测专家专区 | 3d预测最准专家 | 毒胆牛人三天计划必出 | 3d千禧开机号试机号关注金码 | 3d最精准的专家预测 | 太湖马后炮3d钓叟字谜 | 3d之家独胆,双胆 | 3d预测今晚最准 | 3d詹天佑最新预测今天 | 3d预测专家预测 | 太湖3d字谜图谜总汇 | 3d开奖号历史上的今天 | 3d今晚专家推荐号 | 3d最准确最新专家预测 | 3d农村小伙子最新预测 | 3d农村小伙子最新预测 | 3d预测最准的专家预测 | 3d开奖号码结果 今晚 | 毒胆牛人三天计划 | 今日3d开奖号今晚 | 于海滨3d预测免费 | 3d和值走势图(专业版) | 3d藏机图天齐正版藏机图 | 3d专家预测推荐最新 | 3d字字谜图谜总汇 | 3d预测专家精准推荐 | 试机号开机号金码关注号对应码3d | 3d试机号开机号今天晚上金码号 | 3d今晚开奖结果号码是 | 3d开机号和试机号今天 今晚 | 于海滨最新预测今天 | 今天最新3d开机号试机号关注码 | 福彩3D独胆下期走势最新 | 3d预测今晚推荐号 | 3d最准预测号| 十拿九稳今天预测 | 福彩3D独胆老师精准预测 | 于海滨点评专家一注定胆保真版162期 | 3d专家预测最准确今天南方双彩网 | 3d阴阳走势图表图 | 3d千禧开机号试机号关注金码对应码 | 3d今晚一注直选 | 今晚3d专家推荐号 | 《天才计划》三天计划独胆3d | 牛彩网预测专家3d | 太湖解太湖3d字谜 | 3d太湖字谜三字诀 | 3d字谜太湖解 | 福彩3D独胆大神精准预测最新 | 开心毒胆王今晚独胆 | 3d独胆王独胆预测 | 今天晚上3d开奖结果 | 3d预测最准的专家 | 3d预测专家推荐号码推荐 | 3d太湖字谜汇总今天 | 于海滨一语定胆天齐网 | 3d最新专家预测汇总 | 3d开机号和试机号今天 今晚 | 3d预测最准专家预测号 | 于海滨海3d专家预测今天 | 3d开奖号码结果 今晚 | 今晚3d直选推荐 | 中国福彩3D独胆明日推荐最新 | 福彩3D独胆今晚必中最新 | 3d专家预测最准今天 | 解3d字谜太湖钓叟汇总 | 今晚3d开机号试机号金码 | 3d预测专家推荐最准确 | 排五奖号 | 3d于海滨预测预测牛彩网 | 3d开机号试机号今天最新50期 | 3d今晚最准专家预测号码145 | 3d试机号后专家预测推荐汇总 | 十拿九稳预测专家分析 | 3d最新最准预测号码今天 | 最准3d预测专家推荐号 | 3d于海滨预测预测牛彩网 | 昨天3d开奖号是多少 | 3d太湖钓叟字谜三字诀论坛 | 3d试机号后专家预测汇总 | 3d藏机图正版藏机图诗汇总 | 3d今天的开机号和试机号查询 | 中国福彩3D独胆老师分析最新 | 3d专家预测号码推荐今天 | 铁人真胆一句定三码3d字谜彩搜网 | 3d今晚最准专家预测号码 | 一代女王决杀两胆免费观看 | 3d预测詹天佑最新 | 3d预测最准确的专家预测软件 | 3d预测最准专家预测号码 | 今天3d开机号和试机号牛彩网 | 3d今晚专家预测重点号码 | 3d开奖号今天结果 今晚 | 3d开奖号历史上的今天 | 今日3d专家预测号最准确 | 3d今晚专家预测最准确一注 | 3d预测最准的专家预测 | 3d今天开机号和试机号码牛彩网 | 铁人真胆一句定三码3d字谜彩搜网 | 3d今晚最准专家预测号码 | 3d双胆图 | 3d预测推荐| 3d于海滨专家预测 | 3d推荐专家汇总 | 今晚3d试机号开机号 | 于海滨专家预测3d | 3d开机号和试机号30期列表 | 3d独胆双胆3d之家 | 3d近15期开奖号码结果 | 中国福彩3D独胆大神命中率 | 3d今晚字谜太湖字谜是什么 | 今天3d开机号和试机号金码 | 今晚3d推荐号码是多少 | 2014年359期3d焰舞字谜 | 3d精准预测推荐 | 3d近300期试机号和开奖号码 | 3d今晚预测准确的专家预测 | 福彩3D独胆本期推荐 | 3d预测最准确的专家预测软件 | 3d牛彩网预测汇总 | 马后炮解3d太湖钓叟字谜总汇大全 | 3d开机号和试机号今天查询 | 詹天佑3d点评预测 | 3d千禧开机号试机号关注金码 | 天才计划三天计划独胆 | 3d开机号和试机号金码关注 | 今天3d开机号试机号码 | 3d专家推荐最新预测 | 3d北斗专家北斗预测今天079期3d | 今日3d太湖字谜三字诀 | 3d布衣双胆独胆王 | 3d推荐号今晚专家预测 | 祖师爷独胆三天计划 | 3d精准定位专家预测 | 3d姜子牙一句定三码最准字谜汇总 | 中国福彩3D独胆今晚分析 | 3d今天开机号和试机号码727 | 福彩3D独胆明日精准预测 | 3d预测詹天佑最新 | 3d今天专家推荐号码推荐 | 3d今晚最准专家预测号码145 | 太湖字谜三字诀汇总 | 3d中间号走势图振幅走势图 | 太湖解3d字谜汇总 | 3d今晚十大专家预测汇总 | 3d专家今日推荐号码 | 今天专家推荐号码3d | 3d今晚推荐一注 | 3d专家最准确预测 | 于海滨3d最新预测 | 3d专家最准确预测 | 廊坊鸿运3d | 今晚3d一注直选 | 3d字谜太湖钓叟三字诀今天 | 3d北斗专家北斗预测今天079期3d | 3d今晚专家免费预测 | 3d开机号和试机号金码关注对应号 | 3d太湖字谜总汇大全 每天更新 | 3d今晚预测直选一注 | 3d独胆双胆天齐网 | 3d预测号码最准确专家预测 | 中国福彩3D独胆当天走势最新 | 千禧试机号关注号金码是什么 | 3d北斗专家北斗预测今天079期3d | 3d今日正版藏机图最新更新内容 | 3d百位定位走势图 | 3d今天专家预测推荐号码 | 3d独胆双胆3d之家 | 3d家彩预测 | 今天3d牛彩网专家预测 | 3d最精准专家预测汇总今天 | 3d预测最新最准专家 | 唐龙一胆今天最新 | 于海滨3d预测免费 | 中国福彩3D独胆当天预测最新 | 3D独胆内部精准预测 | 于海滨杀码今天最新版 | 于海滨海3d预测保真 | 3d今天专家推荐号码 | 马到成功杀两码最新版本更新内容 | 3d预测专家最准确今天 | 3d预测最准确专家预测牛彩网 | 3d专家预测推荐号码 | 独胆真人就打独胆今天 | 3d专家今日推荐号码 | 今于海滨最新预测今天 | 3d最准预测号 | 最新3d预测专家预测 | 3d今晚预测准确的专家预测 | 中奖开奖结果3d | 3d预测号最新最准牛彩网 | 十拿九稳预测最准100% | 3d今日专家推荐号 | 牛彩网3d预测汇总大全 | 千禧3d试机号金码关注码杀码今天3d | 3d陈华今晚就赌一胆今天最新消息 | 3d中奖 | 3d今晚专家推荐预测重点号码 | 于海滨3d杀码 | 3d今晚必出号 | 3d预测最准确的专家 | 3d藏机图天齐正版藏机图 | 辉煌看胆双胆3d | 3d开心毒胆独胆王 | 财神爷独胆三天计划,就这么牛 | 今日3d专家预测号码推荐 | 7号电池最建议买的三个型号 | 于海滨今天预测 | 3d陈华今晚独胆推荐 | 3D独胆大神走势 | 3d今天开机号试机号100期 | 3d今晚最准最新专家推荐号 | 3d最晚间字谜汇总大全 | 手机牛彩网3d预测 | 3d和值牛彩网 | 6+1专家预测号 | 毒胆| 3d最新专家预测精选一注 | 3d红波蓝波走势图大中小 | 3d今晚出的什么号 | 今晚三d推荐什么号码 | 张克永3d预测今天 | 3d专家最新最准预测 | 3d今晚最准专家推荐号 | 最准3d预测专家推荐号 | 3D独胆专家精准预测最新 | 于海滨杀码图牛彩 | 3d计算公式精准100%计算 | 3d通杀一码准确率100% | 3d专家预测推荐 | 3d今日开机号和试机号及关注码 | 3d开机号和试机号近100期 | 3d之家独胆,双胆 | 福彩3D独胆明日精准预测 | 3d精准定位专家预测 | 于海滨杀码今天最新版 | 3d今晚十大专家预测汇总 | 3d最精准独胆王 | 3d今天专家推荐号码推荐 | 福彩3D独胆下一期命中率最新 | 今晚3d的开奖结果 | 3d独胆专家推荐独胆 | 3d预测最准确专家预测 | 3d专家预测牛彩网 | 3d今晚预测最准确一注 | 3d今天开机号和试机号322 | 3d太湖钓叟字谜三字诀 | 财神爷三天计划 | 今天3d千禧试机号关注号金码号 | 3d今晚预测最准确一注 | 福家老三3d推荐号 | 3d独胆必下一独胆 | 3d预测专家最准确 | 于海滨海3d预测牛彩网 | 3d今晚最准专家推荐号码 | 小红人的计划三天计划 | 于海滨3d今晚预测号码 | 3d最小值振幅走势图3之家 | 排三专家推荐与预测今天 | (暴富密码)绝杀两码预测 | 今晚上3d出奖结果 | 3d专家推荐号 | 3d最准预测号 | 于海滨海3d预测牛彩网 | 3d专家预测最准最新今天 | 陈华今晚就赌一胆今天最新 | 3d真实的谎言字谜总汇正版 | 3d预测廊坊鸿运 | 于海滨最新预测今天 | 千禧试机号金码关注 | 3d千禧开号试机号关注金码对 | 3d今晚专家预测最准确号码 | 3d独胆王定位独胆定位 | 独胆三天计划 | 3d钱王老头给胆点评 | 今天3d开机号关注号试机号金码 | 3d于海滨上的今天预测保真 | 3d今晚最准专家预测号码145 | 3d北斗专家北斗预测今天079期3d | 今晚3d直选推荐 | 今晚3d一注50倍 | 3d条件预测专家专区 | 3D独胆本期预测最新 | 于海滨3d预测专家今天 | 3d独胆必下一独胆布衣正 | 3d詹天佑3d预测分析 | 3d推荐号今晚专家预测最准确 | 十拿九稳预测专家分析 | 3d今晚预测最新最准确号码牛彩网 | 3d十大专家双胆预测汇总 | 百位振幅走势图3d之家 | 免费计划软件 | 陈华今晚3d赌一胆天齐网 | 今日3d字谜一句定三码和值谜定1 | 3d预测 下一期 3d预测专家 3d预测 | 3d专家预测最准确最新今天 | 3d专家预测最准最新 | 排三太湖钓叟字谜三字诀 | 3d的最新走势图表 | 3d今晚专家推荐号 | 今晚3d试机号千禧试机号金码关注 | 3D独胆下期预测 | 千禧试机号金码关注码的历史记录 | 天齐藏机图汇总正版藏机图 | 顶级胆神双胆下一 | 3d双飞怎么买多少钱一注 | 3d陈华就赌一个胆天齐网 | 张克永3d预测今天 | 3d于海滨上的今天杀码 | 3d专家预测推荐号最新 | 今晚3d专家预测精选一注 | 3d最全晚间字谜汇总大全 | 今晚钱王点评推荐号 | 试机号后牛彩网专家预测3d | 3d独胆双胆3d之家 | 3d最准预测专家推荐 | 3d独胆双胆专家预测网 | 3d预测最准确的专家预测软件 | 最准的3d专家预测 | 今晚3d结果| 三d预测专家预测今天最新 今于海滨3d预测 | 3d双胆,独胆非常非常稳定 | 3d之家北斗今日预测 | 于海滨3d预测牛彩网 | 3d今晚的独胆 | 3d今晚开奖号码结果是多少 | 3d推荐号3d推荐号码 | 3d于海滨专家预测 | 今天3d专家预测号码 推荐 | 陈华3d今晚赌独一胆天齐网 | 3d专家预测推荐最新 | 专家3d专家推荐 | 今晚3d专家推荐号码 | 3d316期太湖字谜 | 3d今晚开奖结果号码是 | 3d每天一个独胆 | 3d开机号试机号今天开奖号 | 3d预测专家推荐号码 | 今晚3d一注直选 | 3d试机号后专家预测推荐汇总 | 3d独胆预测 | 今天3d金码试机号对应码开机号 | 3d北斗专家北斗预测今天079期3d | 今晚3d预测号 | 3d预测专家最准最新 | 3d彩吧预测,预测 | 3d最准一个独胆毒胆 | 3d最准确的专家预测 | 今日3d推荐号码号 | 3d预测专家精准推荐号 | 今晚于海滨海3d预测3d | 今天晚上三d开奖结果 | 于海滨点评专家一注定胆保真版 | 拼搏在线3d开机号和试机号列表 | 3d今晚必出的一注 | 3d试机号今晚开机号 | 3d最新最准专家预测号码 | 于海滨3d预测专家今天 | 3d最新准专家预测 | 今天3d专家预测汇总 | 3d专家最新最准今天预测 | 宇海宾杀码图 | 3d所有走势图 | 今日3d一句定三码和值谜食物全部 | 3d开机号和试机号金码关注对应号 | 3d藏机图正版藏机图打印版 | 3d定百位一个号多少钱 | 3d今晚专家预测最准确一注 | 3d詹天佑最新预测今天 | 3d带专业连线走势图 | 今晚最全3d晚间字谜汇总192期 | 3d独胆必下一| 3d专家最新最准预测 | 3d开机号,试机号和开奖号 | 今日3d专家预测号最准确 | 于海滨专家3d预测 | 于海滨海3d专家杀码 | 今日3d开机号和试机号关注码千禧 | 3d今晚专家预测推荐 | 福彩3D独胆老师精准预测 | 3d今晚最准专家推荐号码 | 今天3d精选一注 | 3d小红人三天计划 | 3d最准专家预测 | 3d最新最准专家预测号码 | 今天晚上3d推荐号码 | 牛彩网预测3d | 于海滨海3d预测保真 | 3d预测最准最新牛彩网 | 三d字谜图谜总汇牛彩网 | 3d预测今晚最准专家预测号码 | 3d直选一注预测 | 3d字谜总汇今日3d字谜总汇牛彩网 | 3d独胆双胆专家预测网 | 中国福彩3D独胆下期最新必中 | 3d开机号和试机号金码今天的 | 3d神仙姐姐独胆一个 | 3d和值10有哪些号码 | 3d专家预测推荐号码 | 三d今日太湖字谜解 | 3d财神爷今晚独胆 | 3d于海滨预测预测牛彩网 | 3d彩界元宝就看一个独胆 | 3d专家预测牛彩网 | 今天3d专家预测汇总 | 3d走势图专家推荐号码 | 3d 今天 试机号开机号 | 今日精准预测推荐3d号码 | 3d预测最准最新准专家预测号码 | 3d陈华今晚就赌一胆今天最新消息 | 3d独胆双胆专家预测网 | 于海滨海3d专家杀码 | 3d预测专家精准推荐 | 3d机选一注 | 3d杀码专家杀码天齐网 | 3d十位走势图彩经网 | 福彩3D独胆下一期推荐最新 | 解太湖3d字谜太湖 | 今日3d开奖号太湖字谜总汇 | 3d今晚开奖号结果3b | 3d独胆中中中 | 3d詹天佑推荐号码 | 3d今日开机号和试机号及关注码 | 今日三地开奖码 | 北斗3d今日专家预测推荐 | 3d今晚最准专家预测号码145 | 3d试机号后专家预测推荐汇总 | 3d的预测号 | 3d牛彩网专家预测汇总 | 3d预测专家最准确的专家预测昨天 | 詹天佑今天3d推荐 | 3d最大值振幅走势图遗漏 | 3d今天专家预测号码 | 今晚3d的开奖号码 | 3d今天专家预测推荐号码 | 3d试机号后专家预测推荐汇总 | 3d今于海滨杀码图 | 3d试机号后专家预测推荐汇总 | 3d开机号和试机号近100期 | 3d均值振幅走势图表图 | 3d今晚专家预测最准确一注 | 太湖三字诀字谜三 | 千禧3d试机号金码关注码杀码今天3d | 3d今晚专家预测最准确一注 | 福彩3D独胆下一期推荐 | 3d最新最准预测号码今天 | 助赢计划软件免费版下载安装 | 今天3d开机号和试机号多少 | 3d推荐最新最准专家预测 | 3d最准一个独胆毒胆 | 3d专家预测推荐汇总 | 詹天佑推荐3d | 今日3d预测号 | 于海滨海3d预测免费每日精选3d开奖号 | 毒胆牛人三天计划必出 | 3d专家预测推荐号码 | 于海滨最新预测今天 | 3d正版藏机图谜汇总 | 3d今天最新最准专家预测最 | 3d两胆精准预测 | 于海滨专家预测 | 3d预测专家最准最新 | 神仙姐姐今晚杀码 | 中国福彩3D独胆高手命中率 | 今天3d试机号开机号牛彩网 | 毒胆牛人三天计划 | 3d今天开机号和试机号是多少 | 天府袍哥3d预测 | 晚秋3d今晚和值谜 | 3d解太湖字谜汇总精选 | 千禧3d试机号金码今天关注码对应码 | 3d太湖字谜图谜总汇 | 试机号开机号金码关注号对应码3d | 3D独胆大神走势 | 中国福彩3D独胆当天精准预测最新 | 3d最精准一注一注 | 3d预测今晚最准专家预测号码 | 辽宁独胆王三天计划 | 福彩3D独胆老师精准预测最新 | 太湖钓叟三字诀字谜解释总汇 | 3d专家推荐| 3d今天开机号和试机号金码对应码 | 明天的3d太湖字谜 | 今晚3d出的什么号 | 于海滨3d预测天齐网 | 3d走势图带连线图表 | 李明启3d预测最新号码 | 3d十大专家汇总精选一注 | 3d独胆必下一个胆 | 3d专家预测最准确今天南方双彩网 | 3d基本走势图表 | 三地千禧开机号试机号金码关注 | 詹天佑3d最新预测今天 | 今天晚上3d推荐号码 | 3d预测最准确的专家预测软件 | 今天3d千禧试机号关注号金码号 | 今晚最准一注3d | 3d机选一注 | 手机牛彩网3d预测 | 3d陈华今晚就赌一个胆搜索一下 | 3d太湖钓叟字谜三字 | 三d预测专家预测今天最新 3d专家预测最准最新今天 | 3D独胆明日推荐最新 | 3d今晚十大专家预测汇总 | 3d预测号码最准确专家预测 | 3d开机号试机号今天最新50期 | 于海滨杀码今天最新版 | 福彩3D独胆下期杀号最新 | 下一期专家推荐号码 | 千禧3d试机号关注号 | 今天3d开机号试机号对应码列表 | 3d今晚精选预测一注 | 3d今晚预测最新最准确 | 今晚上3d出奖结果 | 3d单选一注能中多少钱 | 于海滨今天杀码3d | 徐文轩3d预测推荐 | 3d今天预测最准确专家 | 2025排五守号推荐 | 3d免费精准直选三注 | 3d今晚预测直选一注3d一注预测 | 今天3d金码试机号对应码开机号 | 3d牛彩网专家预测 | 3d今天开机号和试机号开奖结果 | 3d专家最新最准专家预测 | 3d推荐号今晚专家预测最准确 | 3d经典小胆王 | 3d今天开机号和试机号232 | 3d预测最准的专家 | 千禧3d试机号关注号 | 3d今晚必中三个号码预测 | 3d预测最准的专家 | 3d下期预测最精准的一注号码 | 三d开机号和试机号今天牛彩网彩 | 3d预测今晚最准专家预测号码 | 于海滨海独胆预测 | 十拿九稳专家预测专栏 | 福彩3D独胆大神精准预测 | 3d独胆双胆独胆3d之村 | 3d北斗专家北斗预测今天079期3d | 3d今天开机号试机号对应码关注码 | 3d字谜总汇今日3d字谜总汇牛彩网 | 3d计算公式精准100%计算 | 3d预测专家最准确的专家预测今晚 | 陈华今晚就赌一个胆预测 | 今晚3d专家预测最准确 | 3d独胆预测 | 3d今天开机号和试机号开奖结果 | 福彩3D独胆下期推荐精准预测 | 3d推荐最新最准专家预测 | 3d最准预测专家预测汇总 | 今晚3d开奖号试机号 | 三d十拿九稳预测号码 | 3d预测最准专家预测牛彩网 | 3d独胆专家预测 | 今天的3d开机号和试机号中奖号 | 3d杀码一定牛| 3d独胆双胆专家预测网 | 3d预测专家推荐号码 | 3D独胆专家精准预测最新 | 3d字谜历史记录 | 3d专家推荐精选号码 | 3d最准专家预测号 | 3d最新准专家预测 | 3d牛彩网.| 3d今晚一注推荐 | 3d败家子独胆图 | 今晚3d的试机号是 | 3d今天的开机号和试机号查询 | 今天三d专家推荐号码 | 玩胆先生今晚双胆 | 今天的3d推荐号码是多少 | 助赢计划软件免费版下载安装 | 福彩3D独胆老师必中 | 3D独胆本期预测最新 | 今天3d开机号试机号金码 | 3d今天最新最准专家预测最 | 3d楚人今晚预测今天 | 3d预测专家推荐最准确 | 3d陈华今晚就赌一胆o11预测 | 3d最新专家预测汇总 | 千禧3d试机号关注码金码列表 | 千禧试机号关注号金码是什么 | 孟庆会老师3d预测今天 | 太湖3d字谜太湖钓叟三字诀 | 3d今晚最准专家推荐号 | 今天太湖字谜3d字谜太湖钓叟 | 3d往年历史今天开奖结果 | 3d今天开机号试机号对应码关注码 | 3d专家预测汇总牛彩网彩摘收集 | 中国福彩3D独胆团队命中率最新 | 于海滨3d预测天齐网 | 中国福彩3D独胆今日走势最新 | 3d推荐最新最准专家预测 | 3d跨度公式98准确率 | 3d今晚必出一注100%准确直选推荐 | 3d今晚和值推荐 | 3d万能三码中奖秘诀 | 3d今晚最精准专家 | 今天3d开机号和试机号多少? | 今天的3d太湖字谜今天晚上 | 3d今晚预测最新最准确号码牛彩网 | 3d今天专家预测推荐号码 | 天齐网3d首页保真版3d预测 | 3d太湖钓叟三字诀字谜汇总 | 3d断组今晚全部 | 3d预测号码最准确专家预测 | 3d今晚开奖结果走势图 | 3d独胆必下一独胆布衣正 | 于海滨专家预测 | 高手看3d经典独胆组合 | 3d最新专家预测汇总 | 3d北斗专家北斗预测今天079期3d | 3d专家詹詹天佑最新推荐 | 3d预测牛彩网预测汇总 | 3d今晚最准专家推荐号码 | 3d专家预测最新 | 3d精准预测专家预测 | 3d专家最精准的推荐 | 3d专家今天预测汇总 | 3d百位十位个位走势图 | 3d今天最新最准专家预测最 | 牛彩网3d预测汇总大全 | 彩坛老顽童3d独胆 | 3d基本走势图(专业版)近200期 | 3d独胆预测必下一胆 | 3d和值尾振幅走势图彩宝贝 | 3d带连线专业版走势图表 | 3d今天试机号开机号关系 | 3d最准确预测专家 | 3d专家预测最准确最新今天牛彩 | 中国福彩3D独胆老师分析最新 | 福彩3D独胆老师必中最新 | 3d结果开奖号码今晚 | 3d开机号今天牛彩网近30期 | 小红人的计划三天计划 | 投资计划3d乐彩论坛 | 今日3d藏机图正版藏机图310 | 3d詹天佑预测分析牛彩网 | 今日3d预测| 七爷独胆今晚一个胆 | 3d独胆双胆| 3d旧版基本走势图表 | 3d开机号近200期历史记录 | 三d今日预测 | 3b预测汇总牛彩网 | 中国福彩3D独胆独家预测 | 3d预测专家推荐最准确 | 3d今晚最精准专家 | 3d独胆双胆专家预测网 | 3d今日开机号和试机号及关注码 | 今天3d马后炮解太湖字谜汇总 | 今天3d试机号开机号是什么 | 3d开机号和试机号今天查询 | 毒牛人三天计划 | 3d预测最准专家预测牛彩网 | 3d预测最准确专家预测牛彩网 | 3d今天开机号和试机号是多少 | 3d今晚开奖号结果 | 于海滨3d预测牛彩网 | 今于海滨3d预测彩吧图 | 3d双飞怎么买多少钱一注 | 3d组选中一注多少钱 | 3d预测最新最准专家 | 3d预测专家精准推荐号 | 3d今晚出的什么号 | 3d于海滨上的今天预测保真 | 今于海滨3d杀码图 | 3d詹天佑最新预测今天 | 3D独胆高手走势最新 | 3d精准预测专家预测 | 钱王点评+钱王老头预测 | 3d试后太湖一语定胆字谜 | 3d走势图基本走势 | 今天3d精选一注 | 3d盐都三胆家彩网 | 3d专家预测最新最准 | 今晚3d预测开奖号码推荐 | 3d今天专家预测最准确 | 3d杀码大全天齐网 | 3d今晚开奖号结果 | 今晚3d开奖结果是多少 | 专家预测3d号码准确 | 今晚3d专家推荐号码是多少 | 3d预测号最新最准牛彩网 | 3d詹天佑3d预测分析 | 十拿九稳预测最准100% | 中国福彩3D独胆独家杀号 | 千禧之年3d开机号试机号金码关注 | 今天3d金码试机号对应码开机号 | 马后炮解今日太湖字谜三字诀 | 3d今天专家预测最准确 | 福彩3D独胆老师杀号最新 | 3d今晚和值推荐 | 财神爷独胆三天计划,就这么牛 | 万能四码图表 | 3d玩彩老头预测今天号码 | 今日正版藏机图全部汇总 | 三d今晚预测推荐十注 | 3d村独胆双胆3 | 太湖钓叟3d字谜三字诀 | 3d开机号和试机号200期列表 | 3d推荐号今日预测 | 3d独胆双胆3d之家 | 三d独胆| 太湖钓叟排三字诀字谜 | 今天3d专家推荐号 | 于海滨点评专家一注定胆保真版162期 | 神龙毒胆王今晚给胆 | 福彩3D独胆下一期走势最新 | 3d预测专家最准确 | 3d海滨点评一语定胆今天最新推荐 | 3d 试 机 号今晚 | 3d开奖号码近50期 | 3d今日开机号和试机号及关注码 | 3d预测今晚最准专家预测号码 | 3d彩宝网开机号和试机号 | 3d预测最准的专家预测 | 今日3d大老人预测号 | 3d彩宝网开机号和试机号 | 3d预测号码最准确专家预测 | 中国福彩3D独胆下期分析最新 | 今天专家推荐号码3d | 孟庆会老师3d预测彩吧图库今天 | 3d毒毒毒胆胆胆中中中 | 于海滨3d免费预测最新的 | 3d今晚开奖号码走势图 | 小德3d今天双胆定位 | 今日3d预测专家推荐 | 3d预测号最新最准牛彩网 | 十拿九稳预测专家分析 | 于海滨3d今晚预测号码 | 于海滨3d预测免费每日精选 | 3d今晚专家预测最准确一注 | 千禧3d试机号金码关注码对应码 | 3d预测专家最准确今天 | 三地千禧试机号关注金码对应码 | 3d机选一注 | 3d专家预测最准确今天南方双彩网 | 詹天佑3d今日推荐 | 3d今晚上专家推荐号 | 于海滨3d预测天齐网 | 3d预测专家推荐最准确 | 3d组三一注多少钱 | 3d今天专家预测最新最准 | 3d今天开机号试机号金码关注号 | 于海滨一语定胆《保真》 | 中国福彩3D独胆今日走势最新 | 詹天佑最新预测3d | 彩宝3d专业走势图 | 3d今晚最准专家预测号码 | 3d 今天 试机号开机号3 | 3d最新专家预测推荐 | 3d彩皇网 | 于海滨3d预测牛彩网 | 3d今天开机号和试机号322 | 3d今晚最准专家预测号码 | 3d十大专家推荐号码汇总 | 3d于海滨专家预测 | 3d预测专家最准确 | 今日3d专家预测号码推荐 | 徐文轩3d预测推荐 | 飞向阳光龙头凤尾预测 | 3d老炮子直选三注 | 詹天佑3d今晚预测号码 | 3d今天推荐号码是多少 | 3d百个差振幅走势图近100期 | 排三太湖钓叟字谜三字诀 | 3d专家最新最准专家预测 | 3d机选一注 | 2014年359期3d焰舞字谜 | 今天三字诀太湖字谜 | 3d最准确预测专家 | 3d号码预测 | 3d今晚最准专家推荐号 | 3d农村小伙子最新预测 | 最新3d预测专家预测 | 3d预测最准预测号 | 3d今晚必中三个号码预测 | 3d开奖号历史上的今天 | 3d今天的试机号和开机号 | 3d今天推荐号码是多少 | 3d免费预测| 太湖字谜太湖钓叟三字诀 | 李白看3d独胆绝20 | 3d预测分析 | 3d今天预测最准确专家 | 万能6码走势图 | 于海滨杀码图谜 | 3d今日开机号和试机号及关注码 | 今日3d太湖字谜更新 | 福彩3D独胆下一期推荐 | 3d开机号和试机号200期列表 | 3d直选一注50倍单挑 | 3d于海滨一语定胆今天 | 3d下期预测最精准的一注号码 | 3d今晚推荐号码最新 | 今晚3d预测推荐一注 | 3d开机号和试机号9.30分 | 3d独胆之家 | 至尊计划王三天计划独胆 | 3d预测詹天佑最新 | 沈宝桢个人简历 | 小财神三天计划独胆必下 | 中国福彩3D独胆最新走势 | 3d八哥图库总汇d字谜图谜总汇大全 | 3d直选走势图(专业版) | 3d最新专家预测汇总大全 | 3d开奖号码近50期 | 太湖叟3d字谜湖字谜 | 3d图谜总汇字谜 | 今日3d太湖字谜三字诀洞庭游侠 | 3d今天专家推荐号码 | 3D独胆实时必中最新 | 3d成功路上人双胆独胆 | 3d开机号今天试机号30期 | 于海滨专家一语定胆十每日 | 今日3d预测号码推荐 | 于海滨预测3d | 3d必下双胆| 十拿九稳预测专家分析 | 3d彩宝网开机号和试机号 | 3d天齐网最准预测 | 3d最准预测专家推荐 | 3d绝杀二码今天最新更新内容 | 3d北斗专家北斗预测今天079期3d | 3d绝杀一码绝杀 | 3d推荐号今晚专家预测 | 3d专家预测于海滨 | 3d和值振幅走势图彩宝贝 | 3d走势图专家推荐号码 | 3d预测最准的专家预测 | 今晚解太湖3d字谜 | 财神一注3d | 3d预测最准确最新 | 3d专家预测最准最新 | 3d直选三注必中免费 | 于海滨海3d专家杀码 | 3d专家推荐最新预测 | 今晚3d天宇一句定三码字谜 | 今日3d开奖号今晚 | 三d推荐号专家预测今天 | 3d金码开机号和试机号 | 福彩3D独胆下期最新分析 | 3d十大专家杀跨度汇总 | 于海滨专家3d预测 | 今于海滨3d杀码 | 今晚3d专家最精准的预测 | 3d推荐专家汇总 | 最准杀码王p3 | 3d詹天佑预测汇总 | 孟庆会老师3d预测彩吧图库今天 | 3d廊坊鸿运正版推荐 | 3d开机号和试机号今天全部 | 3d专家预测牛彩网 | 3d独胆双胆 | 3d独胆预测 | 近50期3d开奖结果 | 3d北盟天机图藏机图 | 今晚3d专家推荐号码 | 3d基本走势图结果 | 3d十大专家精准预测汇总 | 中国福彩3D独胆老师分析最新 | 3d双胆独胆非常非常稳定 | 于海滨3d预测免费每日精选 | 3d詹天佑最新预测牛彩网 | 3d试机号后专家预测推荐汇总 | 于海滨3d专家预测今天 | 3d预测牛彩网预测汇总 | 今晚精准一注3d | 3d今晚专家预测最准确一注 | 3d开机号和试机号今天金码0 | 北斗3d今日专家预测推荐 | 3d鸿运坊预测号 | 3d开机号和试机号9.30分 | 三d历史走势图 | 3d预测专家最准最新 | 3d免费专家预测推荐今天最新 | 唐龙点评每日一胆龙 | 3d布衣双胆独胆王 | 今天3d于海滨预测 | 最新3d预测专家预测 | 成功路上3d双胆独胆 | 3d预测 下一期 3d预测专家 3d预测 | 于海滨最新预测今天 | 3d财神爷今晚独胆 | 今天专家推荐号码3d | 3d十大专家双胆预测汇总 | 3d推荐号| 于海滨3d预测牛彩网 | 3d最准预测专家推荐 | 千禧关注码试机号金码 | 3d最准一个独胆方法 | 今于海滨3d杀码图24210 | 今天龙头凤尾预测 | 3d试机号和开奖号走势图 | 今天3d藏机图正版藏机图藏机图太湖横屏 | 3d于海滨上的今天预测保真 | 3d双胆独胆非常非常 | 今天3d专家推荐重点号 | 3d近200期试机号和开奖号码 | 3d今晚专家推荐号 | 3d专家预测最准确今天上一期 | 今于海滨点评专家一语定胆 | 唐龙点评3d预测今天 | 福彩3D独胆下一期推荐最新 | 3d预测专家推荐号码 | 3d今天晚上的开奖号码 | 今晚3d一注直选 | 3d最新最准专家预预测 | 3d专家预测推荐号码 | 千禧3d试机号金码关注码码关注码双彩论六个 | 3d今晚开奖结果走势图 | 3d今天千禧试机号关注号金码 | 3d预测最准的专家 | 3d今日热销号 | 3d双胆神算今天最新 | 千禧试机号及金码 | 十拿九稳预测专家分析 | 今日3d藏机图正版藏机图134 | 3d双胆独胆非常非常稳定 | 3d专家最新最准预测 | 3d的开机号试机号奖号表 | 3d和值基本走势图表 | 孟老师专家预测3d | 3d谜语解太湖字谜 | 今天3d专家预测号码 推荐 | 3d今晚预测最新最准确号码牛彩网 | 3d专家预测最准 | 牛彩网p3专家预测汇总 | 今日3d十大专家双胆总汇 | 天齐网3d首页保真版3d预测 | 今晚3d专家预测汇总 | 3d字谜汇总大全总汇大全 | 3d今天专家预测推荐号码 | 中国福彩3D独胆最新必中 | 天齐网专家杀码大全 | 3d紫云涧专家预测推荐 | 3d阿福图库图谜大全 | 3D独胆高手杀号 | 3d今天推荐号码是多少 | 3d中国独胆王今天 | 3d最准确最新专家预测 | 今晚3d开奖号是多少 | 3d晶晶必下一独胆今天 | 3d最新最准专家预预测 | 于海滨海3d杀码图 | 3d开机号和试机号近100期列表 | 詹天佑预测3d | 3d最准一注号码 | 中国福彩3D独胆下期推荐 | 今晚3d结果开奖号码 | 3d字谜太湖解字谜 | 3d必中永久直选500注大底 | 3d专家今日推荐号码 | 今日正版3d藏机图全部汇总 | 李明启3d预测最新号码 | 中国杀码王绝杀 | 3d十大专家精准预测汇总 | 今天3d专家推荐号 | 张克永3d预测今天 | 3d今天精准一注 | 今天3d专家推荐重点号 | 3d于海滨预测 | 3d和值振幅走势图带连线坐标 | 千禧3d试机号金码关注码码关注码双彩论六个 | 中国福彩3D独胆当天走势最新 | 3d藏机图正版藏图汇总大全 | 3d今天最新最准专家预测最 | 3d今天开机号和试机号码200 | 今晚3d开奖结果是多少 | 3d独胆双胆专家预测网 | 真实的谎言3d字谜追加和值谜 | 3d今晚专家预测推荐 | 于海滨最新预测今天 | 3d今晚预测最新最准确号码牛彩网 | 3d军长独胆定位 | 今日3d正版藏机图,藏机图汇总,天中网 | 于海滨专家预测3d两吗 | 千禧3d试机号金码关注码码关注码双彩论六个 | 于海滨3d预测牛彩网 | 3d今日开机号和试机号及关注码 | 3d预测今晚最准 | 3d詹天佑推荐号码 | 福彩3D独胆下期推荐精准预测 | 3d个位振幅走势图近50期 | 3d预测最新最准确号码 | 3d孙大财就赌一个胆 | 3d专家最新最准专家预测汇总 | 3d精准定位专家预测 | 3d今日预测最准专家预测 | 3d最准专家预测方法 | 3d预测最准最新准专家预测号码 | 3d专家今日推荐号码 | 3d字谜太湖解 | 3d今日预测最准专家预测 | 3d今天的试机号和开机号 | 三七进二得三码猜一生肖 | 3d定百位一个号多少钱 | 3d牛彩网 | 3d太湖钓叟字谜汇总正版藏机图 | 3d今晚预测直选一注3d一注预测 | 3d专家预测最新最准推荐 | 【福星】3d单挑10注组 | 中国福彩3D独胆当天精准预测最新 | 3d必中永久直选500注大底 | 3d专家预测最准确今天上一期 | 3d今天最准专家预测 | 3d彩界精英独胆双胆 | 3d今天专家预测最准确 | 3d预测专家最准最新 | 3d今晚预测一注 | 下一期专家推荐号码 | 3d独胆陈华今晚就赌一个胆 | 3d今天晚上预测最准专家 | 福彩3D独胆下期杀号最新 | 浙江风采3d走势图表 | 3d开机号试机号今天的 | 3d红波蓝波走势图大中小 | 福彩3D独胆老师分析最新 | 3d牛彩图谜字谜总汇九 | 3d独胆是什么意思 | 3d今天专家预测推荐号码 | 今日3d一句定三码最准和值谜 | 3D独胆实时推荐 | 牛彩网p3专家预测汇总 | 孟庆会老师3d预测彩吧图库今天 | 中国福彩3D独胆明日推荐最新 | 3d今晚专家预测推荐 | 中国杀码王绝对 | 3d今晚专家推荐预测重点号码 | 十拿九稳的最新预测 | 今天p3藏机图正版藏机图 | 福彩3D独胆团队分析最新 | 福彩3D独胆明日分析 | 3d开机号试机号今天的 | 排三十拿九稳今天预测 | 3d今晚预测最新最准确号码牛彩网 | 三d牛彩网开机号试机号是多少 | 3d今晚专家预测最准确一注 | 马到成功杀两码最新版本更新内容 | 廊坊鸿运3d最新预测 | 今天3d牛彩网专家预测 | 3d最准的预测专家 | 今晚3d试机号码和开机号 | 3d字谜太湖钓叟三字诀今天 | 3d今天专家预测号码 | 3d陈华今晚就赌一胆天齐网 | 3d专家预测最准确最新今天牛彩 | 3d玩彩老头预测今天号码 | 3d万能四码走势图表 | 3d独胆公式133x2 | 3d最准确的专家预测 | 3d胆王双胆独胆 | 3d今天专家预测最准确 | 3d今天专家推荐号码 | 铁人铁胆包星定位今天最新结果 | 3d免费预测| 3d徐文轩今晚推荐号码 | 3d今晚试机号开奖号 | 3d最准预测专家预测汇总 | 福彩3D独胆老师必中 | 3d专家推荐号码 | 今日3d直选 | 3d各类和值最新谜字谜今天 | 3d开奖杀码定胆 | 3d今晚专家预测推荐 | 3d资料大全免费 | 3d之家,专家预测预测 | 中国福彩3D独胆内部走势最新 | 三d预测牛彩网汇总 | 3d预测今晚最准专家预测号码 | 3d汇总牛彩网 | 3d今天专家预测号码最准确 | 于海滨3d预测免费每日精选 | 3d十个位差值振幅走势图3d之家 | 铁人铁胆3d包星定位最新今天 | 3地独胆,毒胆双胆家彩网 | 今天3d太湖钓叟三字诀字谜 | 3d开奖号码走势图表 | 3d最新专家预测精选一注 | 今日正版藏机图全部汇总239期 | 3d詹天佑3d预测 | 3d今天的试机号和开机号 | 今晚3d推荐号码是多少 | 3d今晚开奖号码结果是多少 | 3d最准预测专家推荐 | 今晚3d号码开奖结果多少 | 3d试机号关注号金码对应码开机号 | 今日3d马后炮解太湖字谜 | 3D独胆大神走势 | 3d最新专家预测推荐 | 3d今天开机号和试机号查询100期 | 3d今晚预测准确的专家预测 | 3d于海滨上的今天预测 | 3d字谜汇总大全总汇大全 | 3d专家最新最准专家预测汇总 | 福彩3D独胆下期分析 | 3d试机号今天晚上是多少 | 3d预测牛彩网预测汇总 | 3d今晚最准专家预测号码145 | 今晚3d开机号试机号金码 | 3d今晚开奖号走势图 | 于海滨海3d专家杀码 | 千禧关注码试机号金码 | 【开心毒胆】今天 | 三d预测专家最新推荐 | 3d今晚专家预测推荐号 | 明天太湖3d三字诀 | 3d六码复式多少钱一注 | 3d今天最新最准专家预测最 | 今日3d一句定三码和值谜食物全部 | 3d双胆独胆 | 专家精准预测3d号 | 3d专家预测最准最新今天 | 今晚3d开奖号码多少 | 3d双胆独胆| 小红人的三天计划今天是什么 | 今天3d开机号和试机号多少 | 3d专家预测最准确今天 | 3d直选一注必中 | 3d今天开机号 试机号查询 | 3d精准预测最准的专家直选 | 3d最准确的专家预测 | 3d最大值振幅走势图3之家 | 东北小胆神今晚独胆 | 3d晶晶必下一独胆今天 | 于海滨专家一语定胆十每日 | 3d十大专家预测汇总 | 3d牛彩网字谜图谜汇总九 | 于海滨3d预测免费 | 于海滨海3d杀码图 | 3d彩宝贝试机号今天最新 | 3d直选历史遗漏查询 | 3d专家预测最准最新 | 3d预测最准确的专家 | 千禧3试机号金码关注码金码 | 直选三注必中一注3d | 东北小胆神今晚独胆 | 天齐网专家杀码大全 | 3d预测专家最准确今天 | 3d预测专家最准确今天 | 3d今天专家预测推荐号码 | 3d今于海滨杀码图 | 3d上下五千年专家预测 | 3d最新最准预测号码今天 | 今天的3d开机号和试机号查询 | 3d直选一注今天 | 3d下期预测最精准的一注号码 | 最准的3d专家预测 | 今于海滨3d预测今天牛彩网 | 3d牛彩网试机号后专家预测汇总 | 3d专家预测最准确今天上一期 | 于海滨3d最新预测 | 3d字谜图总汇 | 今晚3d专家推荐号码 | 3d谜语今天字谜今天的3d字谜是什么? | 陈华3d今晚就赌一个胆天齐网 | 于海滨海3d专家预测今晚一注 | 于海滨海3d预测保真 | 3d双胆预测 | 于海滨最新3d预测今天 | 今晚3d专家推荐号码 | 《天才计划》三天计划独胆3d | 福彩3D独胆下期预测 | 3d六大专家杀码汇总 | 今于海滨3d预测今天牛彩网 | 3d故事小王双胆 | 3d开机号和试机号30期列表 | 牛人独胆二天计划 | 今晚三d推荐什么号码 | 3d下期预测最精准的一注号码 | 3d今晚专家预测最准确号码 | 3d中2个号多少钱 | 今于海滨3d预测彩吧图 | 太湖三字谜太湖3d钓叟 | 唐龙3d预测今日出号点评 | 3d专家预测最准今天 | 3d专家预测推荐最新 | 3d今晚开奖结果走势图 | 福彩3D独胆团队分析最新 | 3d和值基本走势图 | 3d走势图(带连线版) 试机号 | 3d藏机图正版藏机图汇总今天最新图片 | 3d独胆必下一独胆准 | 3d恋预测今晚预测是哪里出的 | 专家预测3d号码准确 | 3d天地杀码图 | 钱王点评钱王老头预测 | 3d一句定三码最准字谜 | 3d今天最准专家预测 | 3d百十差振幅走势图 | 3d十大专家汇总精选一注 | 今晚了3d开奖结果 | 3d字谜太湖钓叟三字诀今天 | 今天3d太湖字谜三字诀 | 马后炮解3d太湖字谜总汇大全 | 3d今晚上专家推荐号 | 3d二天独胆王 | 牛人独胆三天计划 | 今日3d字谜3d一句定三码诗天中图 | 3d开机号试机号今天开奖号 | 3d预测专家最准确 | 3d专家推荐精选号码 | 今晚3d开机号试机号 | 3d今天晚上精选一注 | 3d今晚最准一注 | 今晚3d最准专家预测号 | 3d今晚十大专家预测汇总 | 3d专家最新最准预测 | 太湖字谜太湖钓叟三字诀 | 福彩3D独胆大神必中最新 | 3d近30期开奖结果 | 布衣杀码图3d杀码 | 于海滨一语点评今日 | 今晚3d专家推荐重点号码 | 3d最准确预测100%一注 | 于海滨海3d预测牛彩网 | 3d今晚最准专家推荐号码 | 3d专家预测最准确今天南方双彩网 | 3d百个和值尾振幅走势图 | 3d专家预测最准今天 | 今晚3d开奖号码多少 | 3d开奖号走势图表 | 陈华3d今晚赌独一胆天齐网 | 今天十拿九稳号码预测 | 唐龙一胆今天最新 | 3d太湖钓叟字谜三字诀论坛 | 个位杀码王 | 3d开机号试机号关注号金码对应码 | 3d今天预测最准确专家 | 3d最准预测号 | 3d今天开机号和试机号码牛彩网 | 3D独胆实时必中最新 | 千禧3d试机号金码关注码牛彩网 | 于海滨点评专家一注定胆保真版162期 | 今日3d正版藏机图,藏机图汇总,天中网 | 今日正版3d藏机图汇总 预测 | 千禧3d试机号金码关注码杀码今天3d | 3d十大专家预测汇总 | 3D独胆今晚命中率最新 | 3d十大专家双胆预测汇总 | 牛彩网3d专家预测汇总 | 3d最准的预测专家 | 唐龙3d预测今日出号点评 | 于海滨3d预测 | 3d跨度振幅走势图3d专家 | 3d最准确预测专家 | 3d 今天 试机号开机号3 | 3d最准预测专家推荐 | 3d之家独胆,双胆 | 3d专家预测汇总牛彩网 | 3d试机号后专家预测推荐汇总 | 3d最准专家预测号今晚3d试机号 | 北斗3d今日预测 | 3d十大专家汇总精选一注 | 3d之家预测专家预测 | 3d胆预测天齐网 | 3d专家预测最准最新今天 | 3d开奖结果今晚号码 | 3d于海滨一语定胆今天 | 3d今晚最准专家推荐号 | 三d之家独胆 | 3d中间最小两码差值振幅走势图 | 3d直选走势图(专业版) | 今天3d专家预测号码 推荐 | 3d最准确预测专家 | 钱王点评+钱王老头预测 | 李明启3d预测最新号码 | 3d今晚专家预测最准确号码 | 3d今天专家预测最准确 | 3d双胆,独胆非常非常稳定 | 于海滨点评专家一注定胆保真版162期 | 3d精准预测最准的专家直选 | 3d徐文轩今晚推荐号码 | 七爷独胆今晚一个胆 | 3d天地杀码图 | 3d专家预测号码推荐今天 | 3d预测最准确专家预测 | 三d试机号后专家预测汇总 于海滨专家3d今天预测 | 唐龙3d预测今日出号点评 | 3d今天开机号试机号100期 | 3d今晚专家预测推荐号 | 3d一语定胆太湖字谜 | 3d专家预测推荐 | 3d今晚开奖结果走势图 | 3d于海滨预测 | 3d千禧试机号关注金码30期 | 神仙姐姐今天最新杀码 | 3d今晚预测最准确一注 | 字谜3d太湖马后炮 | 3d开奖号码结果 今晚 | 于海滨杀码图牛彩 | 3d十大专家杀跨度汇总 | 3d今天开机号和试机号开奖结果 | 北京胆王2彩吧图库 | 今天十拿九稳号码预测 | 专家推荐最热一注是什么 | 3d今天最新最准专家预测最 | 3d十大专家精准预测汇总 | 天齐杀码图汇总 | 拼搏在线3d开机号和试机号列表 | 3d专家预测推荐号码最准最新 | 3d今于海滨杀码图 | 3d詹天佑预测分析牛彩网 | 3d百位个位和值走势图 | 3d预测最准专家预测号码 | 3d最准一注号码 | 3d预测杀码 | 3d今天开机号和试机号开奖结果 | 三地杀码高手 | 今于海滨3d预测今天牛彩网 | 今天3d开机号和试机号多少 | 3d今日开机号和试机号及关注码 | 3d藏机图正版藏机图全图牛彩网 | 3d预测图| 排三杀码专家 | 今天3d专家解太湖字谜汇总 | 3d今晚惊天一注预测 | 今日3d一注推荐 | 于海滨海3d预测免费每日精选3d开奖号 | 3d今天专家预测号码 | 3d直选一注50倍单挑 | 3d的开机号试机号奖号表 | 3d于海滨上的今天杀码 | 3d最准预测专家预测大 | 财神爷独胆三天计划,就这么牛 | 三d预测专家最新推荐 | 今天太湖钓叟3d字谜三字诀 | 3d彩报图今天的第五版 | 十拿九稳十大专家预测汇总最新一期 | 3d断组今晚全部 | 3d今天开机号 试机号查询 | 天齐网专家杀码大全 | 3d今晚和值推荐 | 3d最准专家预测 | 3d单选一注能中多少钱 | 3b千喜今天试机号关注金码 | 于海滨3d预测| 于海滨专家3d今天预测 | 3d百个差振幅走势图近100期 | 3d今晚字谜太湖字谜是什么 | 今天3d开机号和试机号全部 | 十拿九稳今天预测专家 | 3d静态版预测静态版 | 3d今晚开奖号走势图 | 3d真实的谎言正版和值字谜 | 3d基本走势图表完整版 | 3d藏机图正版藏机图诗汇总 | 3d预测号专家预测 | 北斗3d今日专家预测推荐 | 十拿九稳预测专家分析 | 3d买一个独胆中了得多少钱 | 3d藏机图正版藏机图汇总今天最新 | 于海滨3d预测牛彩网 | 3d谜语解太湖字谜 | 3d开机号试机号30期列表走势图 | 3d预测今晚最准专家预测号码 | 3d军长独胆定位 | 3d两胆王| 3d长中剑客预测今天 | 3d预测廊坊鸿运 | 3d今晚专家预测推荐 | 毒胆 | 3d专家预测推荐最新 | 福彩3D独胆最新必中最新 | 彩界女王双胆独胆 | 千禧3d试机号金码关注码今天 | 3d专家预测最准今天 | 3d专家预测最准最新 | 唐龙3d预测今日出号点评 | 3d最新专家预测推荐 | 3d今天最新最准专家预测最 | 骄子铁鹰解3d字谜今日 | 三d三胆| 3d开机号和试机号今天 今晚 | 3d基本走势图表 | 于海滨杀码图天齐网 | 3d平均值走势图振幅3d之家 | 3d今晚专家推荐预测重点号码 | 天府袍哥3d预测 | 3d预测詹天佑最新 | 3d免费专家预测推荐今天最新 | 3d今日专家推荐号 | 3d个位振幅走势图近50期 | 3d直选走势图(专业版) | 3d开机号和试机号码牛彩网 | 今晚3d开奖号是多少 | 3d今晚预测直选四注 | 今晚3d专家推荐号码是多少 | 3d藏机图天齐正版藏机图 | 3d今日牛彩网| 3d今天预测最准确专家 | 3d条件预测专区牛彩网 | 3d开机号和试机号今天查询 | 今日3d开机号和试机号列表三十期 | 今晚3d独胆王 | 3d今晚精准推荐一注 | 3d今晚专家预测最准确号码 | 万能四码找下期奖号 | 3d预测专家推荐号码推荐 | 3d杀码图汇总 | 3d十大专家杀跨度汇总 | 3d专家最新最准今天预测 | 于海滨杀码今天最新版 | 3d预测最准最新准专家预测 | 福彩3D独胆团队必中 | 今日3d专家推荐号码 | 今于海滨3d预测今天单线联系 | 3d最准确的专家预测 | 3d下期预测最精准的一注号码 | 中国福彩3D独胆专家精准预测最新 | 预测今晚3d一注 | 3d太湖字谜总汇大全 每天更新 | 3d最准一注(单挑王) | 3d最准预测号 | 3d今晚专家预测最准确一注 | 专家预测3d号码准确 | 于海滨3d最新预测 | 3d今晚试机号是多少 | 3d专家预测号码推荐今天 | 中国彩吧更一懂彩民最新版本更新时 | 于海滨点评专家一注定胆保真版162期 | 3d今晚精彩预测 | 3d今天开机号和试机号码牛彩网 | 3d两胆下一稳定方法 | 3d专家预测推荐 | 3d试机号开机号今天晚上金码号 | 近30期3d开奖结果 | 千禧3d试机号关注号 | 3d专家预测更准确今天 | 三d预测专家预测 | 3d北斗专家北斗预测今天079期3d | 今于海滨3d杀码 | 3d今晚的开奖号码 | 3d各类和值最新谜字谜今天 | 3d精选号码推荐今天最新 | 3d今晚预测最新最准确号码牛彩网 | 3d百位绝杀一码 | 3d预测今天最准预测号 | 3d阿福图库图谜大全 | 3d真实的谎言正版和值字谜 | 3d开机号今天近10期 | 今天的3d开机号试机号 | 3d一语定胆字谜今天 | 今天买哪三个号码好 | 3d今天的推荐号 | 3d海滨点评一语定胆今天最新推荐 | 最新3d预测专家预测 | 3d预测专家最准确的专家预测今晚 | 牛彩网3d预测| 乾坤三天计划独胆预测 | 于海滨最新3d预测今天 | 中国福彩3D独胆最新推荐 | 3d必中永久直选500注大底 | 3D独胆实时推荐 | 3d预测专家精准推荐号 | 今晚3d结果 | 十拿九稳专家最新预测 | 3d独胆一个 | 3d最精准独胆王 | 2025长期守号最佳5注推荐 | 今于海滨3d预测今天单线联系 | 于海滨点评专家一语保真 | 3d专家预测汇总 | 玩彩独胆王三天计划 | 3d牛彩网预测 | 3d走势图带连线图表 | 3d于海滨专家预测 | 3d专家预测推荐号码最准最新 | 马后炮解3d太湖钓叟字谜总汇大全 | 3d专家预测汇总大全 | 于海滨3d杀码 | 3d牛彩网专家预测 | 今天3d专家推荐重点号 | 3d预测一注号推荐今晚 | 3d下期预测最精准的一注号码 | 推荐一注3d号码 | 3d预测专家最准确的专家预测今晚 | 3d 今日太湖字谜 | 3d和值尾振幅走势图近50期 | 3d字谜太湖解字谜 | 3d之家双胆独胆预测 | 3d独胆怎么打 | 3d试机号后专家推荐汇总 | 中国福彩3D独胆最新走势 | 3d通杀一码 | 3d谜语太湖钓叟3d谜语今天 | 今天最准3d预测号 | 解3d太湖钓叟字谜汇总 | 3d于海滨预测预测牛彩网 | 3d藏机图正版藏机图打印版 | 3d专家预测最准确最新今天牛彩 | 今日3d预测号码推荐 | 千禧试机号关注金码是什么 | 今晚3d天宇一句定三码字谜 | 3d今晚必下一个胆 | 唐龙一胆今天最新 | 今天3d开机号 试机号是多少 | 3d最准的预测专家 | 3d预测号码最准最新准专家预测号家彩网 | 3d布衣独胆王 | 于海滨最新3d预测推荐今天 | 今日3d预测 | 试机号开机号金码关注号对应码3d | 3d今天开机号和试机号322 | 福彩3D独胆高手分析 | 今日3d专家预测号码推荐 | 3d 图谜字谜总汇 | 张克永专家3d预测 | 今日3d太湖字谜三字诀排三开奖结果 | 3d独胆必下 | 3d各类和值谜追加汇总 | 苦命人3d推荐一注 | 财神爷独胆三天计划,就这么牛 | 福彩3D独胆下一期走势最新 | 3d跨度振幅走势图3d专家 | 今天买哪三个号码好 | 3d旧版基本走势图表 | 3d专家预测最准 | 3d专家最新最准专家预测 | 3d预测今天更准 | 3d公式计算方法 | 3d今晚专家预测最准确一注 | 3d今晚预测最准确一注 | 六鬼神算图3d谜图 | 3d今日开机号和试机号及关注码 | 精准3d独胆 | 3d上下五千年专家预测 | 3D独胆大神杀号最新 | 3d预测专家最准确今天 | 中国福彩3D独胆专家精准预测 | 3d杀码高手 | 3d独胆双胆专家预测网 | 3d今天推荐号码是多少 | 福彩3D独胆独家预测最新 | 3d万能三码中奖秘诀 | 李明启3d预测最新号码 | 3d经典小胆王 | 3d试机号开机号今天金码关注 | 3d今晚精彩预测 | 三d今日太湖字谜解 | 今日3d正版藏机图 | 3d最精准专家预测汇总今天 | 快8今晚最毒胆推荐 | 3D独胆下期最新精准预测 | 排五奖号| 3d今晚最新预测 | 3d专家推荐最新预测 | 千禧3d试机号金码关注码杀码今天3d | 3d今晚和值推荐 | 3d最大值振幅走势图彩经 | 3d今晚预测直选一注3d一注预测 | 3d双胆中中中 | 今日3d专家预测号码推荐 | 3d太湖钓叟三字诀字谜汇总 | 3d和值尾振幅走势图彩宝贝 | 一代女王决杀两胆免费观看 | 3d最准一个独胆毒胆 | 3d定胆技巧准确率100% | 三d五码复式打一注多少钱啊 | 3d今晚必中一注一 | 3d今晚专家推荐预测重点号码 | 3d千禧试机号关注金码30期 | 3d今晚开奖号码结果是多少 | 3d的预测号是多少 | 于海滨点评专家一注定胆保真版162期 | 今于海滨3d预测彩吧图 | 3d预测最准确的专家 | 3d双胆图| 3d独胆必下一独胆布衣正 | 3d预测专家推荐最准确 | 3d走势图专家推荐号码 | 3d晚秋和值谜彩吧图库 | 3d计算机开机号夏天推荐 | 今晚快乐八专家预测推荐号 | 3d预测专家精准推荐 | 3d今晚预测最新最准确号码牛彩网 | 3d今天预测最准确专家 | 3d今晚预测开奖号码 | 3d牛彩网专家预测汇总 | 3d专家预测于海滨 | 今日3d正版藏机图,藏机图汇总,天中网 | 3d十大专家精准预测汇总 | 试机号千禧关注金码 | 今天3d马后炮解太湖字谜汇总 | 3D独胆高手走势最新 | 3d北斗专家北斗预测今天079期3d | 中国福彩3D独胆独家必中 | 3d百位走势图带连线图表专业版 | 于海滨点评加专家一语 | 3d最准确预测100%一注 | 3d预测一注推荐 | 3d今天绕胆图彩之网 | 专家预测3d号码准确 | 2012099期3d开奖结果 | 小财神三天计划独胆必下 | 3d最准确预测专家 | 3d今天专家预测最准确 | 今天的3d开机号试机号 | 3d开机号试机号今天最新50期 | 3d免费专家预测推荐 | 3d专家预测最准确最新今天牛彩 | 3d詹天佑最新预测今天 | 3d推荐号今晚专家预测 | 3d今天专家预测最新最准 | 3d直选形态走势图彩宝网 | 3d今晚预测最新最准确 | 今日太湖字谜3d字谜太湖钓叟 | 于海滨今天3d预测 | 3d预测专家精准推荐号 | 3d预测最准专家预测号码 | 于海滨专家一语定胆十好心人 | 最新3d预测专家预测 | 3d今晚最准专家预测号码 | 3d开机号今天牛彩网近30期 | 于海滨海3d专家预测今天 | 今日3d大老人预测号 | 3d试机号后专家推荐汇总 | 今天3d开机号和试机号查询结果彩吧 | 3d最全晚间字谜汇总大全 | 3d看胆精英独胆 | 今日3d太湖字谜三字诀排三开奖结果 | 今天3d金码试机号对应码开机号 | 今晚3d预测开奖号码推荐 | 詹天佑今天3d推荐 | 3d牛彩网今天开机号试机号 | 牛兄双胆 | 3d开机号和试机号码牛彩网 | 3d一语定胆字谜今天 | 今日3d太湖三字谜 | 3d杀码专家大全 | 3d近15期开奖号码结果 | 今天3d开机号和试机号码是多少 | 今天3d专家预测汇总 | 今天3d开机号,试机号是多少 | 三d之家独胆 | 3d今日字谜太湖 | 3d预测专家推荐最准确 | 福彩3D独胆明日分析最新 | 3d杀码最准确| 3d今日热销号 | 太湖钓叟三字诀字谜解释总汇 | 小红人的计划三天计划 | 北斗3d今日预测 | 三d十拿九稳预测号码 | 排三十拿九稳今天预测 | 3d今天开机号,试机号 | 3d百位个位和值走势图 | 三d牛彩网开机号试机号是多少 | 3d今天专家预测推荐号码 | 3d今晚预测100% | 3d最精准专家预测汇总今天 | 3d今晚开奖号码走势图 | 3d专家解太湖字谜汇总 | 3d谜语今天字谜今天的3d字谜是什么? | 3d今晚最准最新专家推荐号 | 排五预测专家预测 | 今日太湖字谜3d总汇 | 预测今晚3d一注 | 3d独胆陈华今晚就赌一个胆 | 于海滨3d预测 | 于海滨点评专家一注定胆保真版 | 廊坊鸿运3d预测今天 | 3d预测专家推荐号码 | 3d免费预测 | 于海滨杀码图今天最新 | 3d最新专家预测汇总大全 | 3d任意两码差值尾走势图 | 3d今晚专家预测推荐 | 徐文轩3d预测推荐 | 钱王点评+钱王老头预测 | 十大杀码专家3d | 3d千禧试机号关注号金码号开机号 | 3d跨度遗漏值振幅走势图彩经网 | 3d金胆王 | 3d今晚最准确一注 | 今日太湖钓叟三字诀字谜 | 今天3d开机号试机号对应码列表 | 3d今晚预测最新最准确号码牛彩网 | 3d北斗专家北斗预测今天079期3d | 3d今晚专家推荐号 | 福彩3D独胆下期推荐预测 | 今日正版3d藏机图全部汇总 | 今日焰舞3d焰舞字谜汇总大全 | 3d杀码公式最新 | 3d专家于海滨 | 3d跨度5有多少注 | 3d近30期开机号试机号开奖号查询 | 3d于海滨预测预测牛彩网 | 3d专家预测推荐 | 3d预测晚 | 3d今晚和值字谜 | 3d牛彩网专家汇总汇总大全 | 北斗3d今日专家预测推荐 | 于海滨今天3d预测 | 3d彩界精英独胆双胆 | 于海滨3d预测牛彩网 | 小红人的三天计划最新版 | 3d今晚最准的一注 | 3d预测专家最准确 | 3d双胆神算今天最新 | 毒牛人三天计划 | 3d近30期开机号试机号牛彩网 | 3d最新最准专家预测号码 | 3d独胆公式正确率在99%以上 | 3地独胆,毒胆双胆家彩网 | 3d今晚专家预测最准确一注 | 今日毒胆 | 3d预测最准最新准专家预测号码 | 3D独胆高手走势最新 | 3d专家预测最新最准推荐 | 3d走势图专家推荐号码 | 3d今天专家预测推荐号码 | 3d预测专家准确推荐 | 今晚的3d试机号是多少 | 3d试机号后专家预测推荐汇总 | 今天3d开奖号是多少 | 3d推荐最新最准专家预测 | 3d最精准专家预测汇总今天 | 3d精准预测推荐 | 周不出最新3d杀码 | 准香港3d漫画资料 | 3d今晚和值推荐 | 今天3d詹天佑预测分析 | 3d今日字谜太湖 | 3d预测最准的专家 | 今晚3d预测推荐一注 | 于海滨最新预测今天 | 于海滨海3d预测牛彩网 | 55125预测汇总3d| 于海滨精准杀码图 | 3d今晚上专家推荐号 | 3d预测最准最新牛彩网 | 3D独胆本期命中率 | 三地杀码高手 | 3d试机号后专家预测 | 3d跨度振幅近100期走势 | 彩界毒胆大师一枚毒胆 | 于海滨3d预测专家今天 | 3d谜语太湖钓叟3d谜语今天 | 钱王点评+钱王老头预测 | 3d预测专家预测 | 牛彩网3d专家预测汇总摘要 | 3d双胆独胆非常非常 | 今于海滨3d预测今天牛彩网 | 3d绝杀一码专家 | 3d的预测号是多少 | 3d千禧试机号金码关注最近10期 | 3d精准预测最准的专家 | 3d最新专家预测汇总大全 | 3d今天专家推荐号码推荐 | 3d最准确预测专家 | 小龙一语定三胆3d今日字谜 | 3d今天开机号和试机号开奖结果 | 于海滨精准杀码图 | 3d定胆准确率100 | 三d独胆| 今天3d詹天佑预测分析 | 今天专家推荐号码3d | 于海滨海3d预测保真 | 中国福彩3D独胆最新必中 | 3d今晚预测直选四注 | 3d紫云涧专家预测推荐 | 三d字谜图谜总汇牛彩网 | 今晚3d直选推荐 | 3d北斗专家北斗预测今天079期3d | 今天太湖钓叟3d字谜三字诀 | 神仙姐姐今晚杀码 | 3d于海滨上的今天预测保真 | 于海滨海3d预测牛彩网 | 3d今天专家推荐号码 | 3d预测专家推荐号码 | 三d今日预测 | 3d晚间字谜总汇大全 | 今日3d专家预测号最准确 | 三3d太湖字谜 | 3d预测号码最准最新准专家预测号 | 三地千禧试机号关注金码对应码 | 3d北斗专家北斗预测今天079期3d | 今日3d开奖号今晚 | 3d上下五千年专家预测 | 三地千禧开机号试机号金码关注 | 3d最准确的专家预测 | 3d最准预测专家汇总大全 | 3d今晚惊天一注预测 | 3d预测最准专家预测号 | 3d廊坊鸿运正版推荐 | 3d北斗专家北斗预测今天079期3d | 3d今晚最准一注 | 3d近200期试机号和开奖号码 | 3d预测号码最准确专家预测 | 3d独胆专家预测 | 福彩3D独胆老师精准预测最新 | 3d推荐最新最准专家预测 | 3d精选号码推荐今天最新 | 3d今天专家预测推荐号码 | 3d今晚专家预测推荐号 | 3d两胆必出方法 | 55125预测汇总3d| 福家老三3d推荐号 | 3d和值专家推荐和值 | 今天的3d太湖字谜今天晚上 | 3d字太湖叟字谜 | 3d今晚上开奖号码 | 3d今晚专家预测推荐 | 福彩3D独胆老师必中 | 福彩3D独胆独家命中率最新 | 3d专家预测号码推荐今天 | 3d最准专家预测号 | 3d今晚必出一注100%准确直选推荐 | 今天3d千禧试机号关注号金码号 | 3d直选一注50倍单挑 | 今晚3d试机号开机号 | 3d百个位和值尾走势图 | 千禧3d试机号金码关注码码关注码双彩论六个 | 3d机选一注 | 3d预测詹天佑 | 今天的3d太湖字谜 | 今晚3d专家推荐号码是多少 | 3d今晚出的什么号 | 布衣杀码图3d杀码 | 3d之家独胆,双胆 | 3d专家预测推荐号最新 | 钱王今天3d预测号 | 3d预测最准专家 | 超级毒胆 | 3d单双走势图表(专业版) | 今日3d开奖号太湖字谜总汇 | 3d于海滨预测预测牛彩网 | 毒胆牛人三天计划必出 | 3d杀码专家杀码 | 太湖三字诀字谜三 | 3d独胆双胆独胆3d之村 | 3d百个位和值尾走势图 | 龙头凤尾最准确预测 | 中国福彩3D独胆本期命中率 | 于海滨3d今晚预测 | 今于海滨3d杀码 | 今晚3d专家推荐 | 3d万能三码中奖秘诀 | 最准3d预测专家推荐号 | 福彩3D独胆下一期推荐最新 | 3d最准专家预测号 | 3d今天专家推荐号码推荐 | 今晚3d开机号试机号金码关注码 | 3d今天专家预测最新最准 | 3d今晚专家推荐号 | 3d推荐号今晚专家预测最准确 | 3d焰舞和值谜字谜 | 3d今天推荐号码是多少 | 中国福彩3D独胆当天精准预测 | 3d今晚专家预测最准确一注 | 3d最准专家预测号 | 小薇3d预测今天推荐 | 牛人独胆二天计划 | 张克永3d预测今天 | 3d预测专家最准确 | 今天的3d开机号试机号 | 3d预测最新最准3d之家 | 3d今晚精准一注推荐 | 3d预测专家精准推荐 | 3d今天专家预测最新最准 | 3d预测分析 | 张克永专家3d预测 | 于海滨今日杀码图 | 3D独胆下一期杀号 | 今天3d太湖钓叟字谜三字诀 | 陈华今天就赌一个胆3d | 北斗3d今日专家预测推荐 | 3d绝杀二码今天最新更新内容 | 千禧试机号金码关注号对应码杀码 | 北斗3d今日预测 | 3d和值尾振幅走势图彩宝贝 | 福彩3D独胆今日走势最新 | 3d大富好预测汇总 | 牛彩网3d专家预测汇总 | 3d推荐号今晚专家预测 | 3d今天开机号和试机号是多少 | 3d直选三注必中免费 | 3d走势图(带连线版) 试机号 | 3d预测专家最准确的专家预测今晚 | 小红人的计划三天计划 | 3d试机号后专家预测推荐汇总 | 3d千禧今晚试机号码 | 福彩3D独胆大神必中最新 | 3d最新专家预测推荐 | 3d开奖杀码定胆 | 3d必中永久直选500注大底 | 于海滨今日3d预测 | 今日焰舞3d焰舞字谜汇总大全 | 3d十大专家精准预测汇总 | 3d至尊计划独胆 | 3d专家预测最准确最新新闻 | 开机号试机号3d今天 | 3d于海滨预测预测牛彩网 | 3d千禧试机号关注金码30期 | 3d专家预测最准确最新汇总 | 3d今天开机号和试机号码727 | 3d和值25点有哪几注 | 今晚3d的开奖号码 | 万能四码图表 | 北斗3d今日专家预测推荐 | 独胆计划王 | 3d双胆中中中 | 3d推荐最新最准专家预测 | 于海滨3d预测号 | 3d今晚预测 | 3d今晚必中一注 | 3d免费专家预测推荐今天最新 | 3d开机号试机号今天最新50期 | 3d专家预测最准确最新今天牛彩 | 3d预测推荐汇总大全 | 3d推荐号今晚专家预测最准确 | 3d精准预测最准的专家直选 | 3d孙大财就赌一个胆 | 3d火火人独胆双胆必中 | 3d今晚最准专家预测号码 | 3d今晚的开奖号码 | 3d牛彩网断组预测 | 3d解太湖字谜汇总精选 | 3d于海滨上的今天预测保真 | 今于海滨3d预测彩吧图 | 3d最新最准专家预预测 | 詹天佑今日最新点评 | 真实的谎言3d字谜追加和值谜 | 今天3d藏机图正版藏机图藏机图太湖横屏 | 3d下期预测最精准的一注号码 | 牛彩网3d专家预测汇总 | 3d专家今天预测汇总 | 3d玩彩老头预测今天号码 | 3d今晚专家预测推荐 | 3d最准预测专家预测汇总 | 今天3d试机号开机号牛彩网 | 3d今天预测最准确专家 | 3d和值基本走势图表 | 3d今晚上预测号码 | 3d预测专家最准确今天 | 今日3d直选一注 | 钱王点评+钱王老头预测 | 3d预测最准最新准专家预测 | 孟庆会老师3d预测彩吧图库今天 | 3d下期预测最精准的一注号码 | 3d今日开机号和试机号及关注码 | 最准3d专家预测推荐 | 十拿九稳预测专家分析 | 3d詹天佑预测汇总 | 今日3d一句定三码最准和值谜 | 3d必出规律胆 | 3d字谜太湖最新 | 李明启3d最新预测今天 | 3d神仙姐姐独胆一个 | 3d专家预测最准确最新汇总对应码 | 孟庆会老师3d预测今天 | 马后炮解3d太湖字谜总汇大全 | 小财神三天计划独胆 | 正版真精华布衣天下今天推荐号码 | 中国福彩3D独胆下期分析最新 | 3d字谜汇总大全总汇大全 | 3d必出规律胆 | 3d十大专家推荐号码汇总 | 陈华今晚就赌一个胆预测 | 三d历史走势图 | 3d今晚最准专家推荐号码 | 3d今晚专家预测最准确一注 | 3d最精准专家预测汇总今天 | 三d独胆| 3d今天试机号开机号金码 | 今晚3d开奖号走势图 | 3d专家预测最准最新今天 | 于海滨海3d专家预测今晚一注 | 3d万能四码走势图表 | 3d预测最新最准确号码 | 3d詹天佑预测分析牛彩网 | 于海滨专家3d今天预测 | 3d独胆双胆3d之家 | 3d今晚开奖结果号码是 | 詹天佑3d预测号 | 3d杀码专家杀码天齐网 | 3d预测专家推荐最新 | 今晚3d的开奖号码 | 3d杀码图谜_专区杀码 | 神仙姐姐今天最新杀码 | 于海滨海3d专家预测今晚一注 | 3d今晚最准专家预测号码 | 3d最近1000期走势图表综合版图片 | 3d北斗专家北斗预测今天079期3d | 3d开机号和试机号金码今天的 | 3d字谜汇总大全总汇大全 | 福彩3D独胆下一期预测最新 | 3d预测专家精准推荐 | 陈华今晚就赌一个胆今天最新更新内容 | 拼搏在线3d开机号和试机号列表 | 3d于海滨上的今天预测 | 3d今晚开奖号多少 | 3d百位遗漏振幅走势图南方双彩网 | 助赢计划软件官网版下载 | 3d今晚最新预测 | 3d詹天佑3d预测| 3d开机号,试机号,金码号,对应码100 | 中国福彩3D独胆最新推荐 | 3d预测专家精准推荐 | 今天3d精选一注 | 3d今晚最精准专家 | 于海滨的今日预测 | 3d今天试机号开机号关系 | 3d独胆专家预测 | 3d单挑今天晚一注500倍 | 3d开机号近200期历史记录 | 千禧3d试机号金码关注码对应码 | 3d预测最新最准确号码 | 3d试机号关注号金码对应码开机号 | 今晚3d开奖号试机号 | 今日3d钱王点评 | 千禧关注码试机号金码 | 3d预测牛彩网预测汇总 | 3d的最新走势图表 | 千禧3d今天的试机号 | 3d金胆王 | 3d任意两码差值尾走势图 | 3d专家推荐预测号 | 3d最准确最新专家预测 | 3d开机号和试机号金码关注 | 《中国杀码王》3d | 于海滨一语定胆《保真》 | 3d开机号试机号今天最新50期 | 今天3d杀码 | 3d今晚必下一个胆 | 3d开机号试机号今天开奖号 | 于海滨点评专家一注定胆保真版 | 于海滨专家3d预测 | 今晚3d天宇一句定三码字谜 | 3d杀码专家杀码最精准 | 中国福彩3D独胆当天预测最新 | 3d廊坊鸿运精选号码推荐 | 3d预测今日最新推荐 | 3d杀码一定牛 | 排三十拿九稳今天预测 | 3d最新专家预测汇总牛部长预测 | 3d于海滨预测预测牛彩网 | 周星星3d预测手机牛彩网 | 天齐网3d杀码大全 | 3d预测今日最新推荐 | 3d免费预测 | 中国福彩3D独胆最新必中最新 | 3d今天的开机号和试机号查询 | 3d专家推荐最新预测 | 今天3d开机号 试机号是多少 | 财神爷三天计划 | 三地千禧开机号试机号金码关注 | 3d开机号和试机号金码和关注码 | 今天3d开机号 试机号是多少 | 今晚3d开奖结果是多少 | 于海滨最新3d预测今天 | 经典小胆王三天计划配组合 | 3d今天预测最准确专家 | 今天的3d开机号和试机号查询 | 3d专家预测号码手机牛彩网 | 小财神三天计划独胆必下 | 于海滨专家3d今天预测 | 詹天佑3d点评预测 | 3d专家预测最准确最新推荐号码 | 近1000期3d开奖结果 | 3d经典小胆王 | 三天计划独胆牛人 | 中国杀码王3d绝杀 | 于海滨3d杀码| 福彩3D独胆下期杀号最新 | 3d胆1拖9直选多少钱一注 | 于海滨专家预测3d | 3d开机号试机号今天最新50期 | 3d十位走势图彩经网 | 3d预测专家推荐最准确 | 于海滨海独胆预测 | 试机号开机号金码关注号对应码3d | 3d今天预测最准确专家 | 3d字谜解太湖字谜 | 3d今天开机号试机号是几 | 今晚3d推荐号 | 3d今晚和值推荐 | 今天3d开机号和试机号牛彩网 | 3d最精准独胆王 | 3d断组预测| 3d长中剑客预测今天 | 3d独胆二天计划 | 3d预测最准确专家预测 | 3d开机号和试机号9.30分 | 3d专家预测推荐号码 | 3d千禧开机号和试机号码 | 3d今于海滨杀码图 | 3d詹天佑最新预测今天 | 3d今天开机号和试机号码200 | 3d十大专家预测汇总 | 3d预测专家最准确的专家预测 | 3d预测专家精准推荐 | 小红人的三天计划最新版 | 3d预测最准专家预测号码 | 于海滨海3d预测保真 | 北斗3d今日专家预测推荐 | 3d独胆怎么打 | 太湖钓叟三字诀字谜更新 | 《中国杀码王》3d | 杀码王杀码 | 十拿九稳预测最准100% | 3d今日专家推荐号 | 今晚3d专家预测精选一注 | 3d图谜总汇字谜 | 最准3d专家预测推荐 | 今晚精准一注3d | 3d预测今晚最准专家预测号码 | 3d太湖钓叟三字诀字谜汇总 | 铁人铁胆定位包星 | 3d开奖号今天结果 今晚 | 今晚上3d出奖结果 | 3d千禧试机号金码关注码对应码 | 中国福彩3D独胆今日精准预测 | 3d专家预测号码最准确 | 3d杀码图专区,杀码图 | 3d今晚预测最准确一注 | 神仙姐姐杀码今天的 | 3d预测专家推荐号码 | 今天3d专家预测号码 推荐 | 彩界女王双胆独胆 | 3d独胆三天必出计划论坛 | 太湖钓叟三字诀字谜更新 | 今天3d杀码 | 3d跨度5有多少注 | 3d精准定位专家预测 | 3d试机号开机号今天晚上金码号 | 3d独胆专家推荐独胆 | 3d最新专家预测推荐 | 3d预测专家最准确 | 3d今晚专家预测推荐号 | 3d单一跨度走势图表 | 3d牛彩网专家预测 | 3d千禧试机号关注码金码今天晚 | 排三十拿九稳今天预测 | 3d今日专家推荐号 | 3d试机号开机号今天查询排五 | 3d试机号200期历史 | 3d今天专家预测推荐号码 | 3d基本走势图综合 | 3d今天预测汇总 | 2025排五守号推荐 | 3d精准预测最准的专家直选 | 3d独胆双胆专家预测网 | 廊坊鸿运3d推荐今天 | 《天才计划》三天计划独胆3d | 3d专家今日推荐号码 | 3d今晚专家预测最准确一注 | 3d预测专家 | 于海滨海3d预测牛彩网 | 3d专家杀码 | 3d今天开机号试机号100期 | 今天3d开机号和试机号多少? | 今晚3d专家预测精选一注 | 专家3d预测汇总 | 3d今晚专家推荐号 | 3D独胆独家推荐 | 3d双胆独胆非常非常稳定 | 3d,预测 | 排五开奖最新结果排5 | 3d专家预测汇总牛彩网彩摘收集 | 西施姐姐就赌一个独胆 | 下一期专家预测号码 | 唐龙3d预测今日出号点评 | 3d专家预测推荐汇总 | 3d条件预测专家专区 | 福体杀码王最新版本更新内容 | 三d字谜总汇大全 | 三d之家独胆 | 今日太湖钓叟三字诀字谜 | 福彩3D独胆下一期命中率最新 | 3d试机号3d之家金码 | 彩坛老顽童3d独胆 | 福彩3D独胆最新必中 | 福彩3D独胆下一期推荐最新 | 今天3d开机号 试机号是多少 | 最准3d预测专家推荐号 | 3d推荐号今晚专家预测最准确 | 3d今晚上预测号码 | 3d机选一注| 彩界毒胆大师一枚毒胆 | 3d长中剑客预测今天 | 3d预测最准的专家预测 | 3d基本走势图表完整版 | 今天3d定位字谜二 | 千禧3d试机号金码关注码牛彩网 | 3d今天专家预测号码 | 老炮子预测今晚三地 | 3d今晚最准专家推荐号码 | 3d专家预测最准确最新今天牛彩 | 3d走势图专家推荐号码 | 最准3d预测专家推荐号 | 3d专家预测汇总牛彩网彩摘收集 | 3d今晚推荐号码最新 | 今晚3d专家推荐号码是多少 | 今天3d藏机图正版藏机图藏机图太湖横屏 | 3d机选一注 | 今晚3d预测最准一注 | 牛彩预测汇总3d最新 | 3d今天推荐号码是多少 | 今晚快乐八专家预测推荐号 | 今日3d专家预测号最准确 | 3d专家预测最准确今天上一期 | 千禧3d试机号关注号 | 于海滨专家一语定胆十每日 | 3d布衣独胆双胆必下一 | 3d于海滨预测预测牛彩网 | 3d预测专家准确推荐 | 3d今晚出啥号 | 牛彩网3d专家预测 | 3d专家预测最准确最新今天牛彩 | 千禧试机号关注号金码是什么 | 3d和值基本走势图新浪网 | 中国福彩3D独胆实时精准预测 | 千禧今晚3d试机号关注码金码 | 3d百位绝杀一码 | 3d乾坤独胆王独胆 | 3d预测最准确专家预测牛彩网 | 3d开奖号今天结果 今晚 | 3d十大专家推荐号码汇总 | 3d太湖字谜一语定胆 | 詹天佑3d点评预测 | 3d预测最新最准专家 | 3d今晚精选预测一注 | 助赢计划软件官网版下载 | 3d预测詹天佑 | 3d预测专家 | 3d中奖多少钱一注 | 3d布衣独胆双胆必下一 | 3d专家最新最准专家预测汇总 | 3d廊坊鸿运正版推荐 | 2014年359期3d焰舞字谜 | 3d藏机图正版藏机图打印版 | 3d晚秋和值谜彩吧图库 | 三d预测最准十专家预测今晚 | 千禧金码关注码试机号 | 3d和值012走势图带连线图 | 钱王点评十钱王给胆下一期预测 | 3d预测最准最新准专家预测 | 3d牛彩网专家预测 | 3d今天专家预测号码 | 3d今晚出啥号 | 中国福彩3D独胆当天预测最新 | 3d今天断组预测 | 3d预测专家汇总预测 | 3d专家预测最准确今天南方双彩网 | 今日3d太湖字谜每天更新 | 今天3d开机号和试机号对应金码 | 投资计划独胆三天计划 | 詹天佑3d最新预测今天 | 3d北斗专家北斗预测今天079期3d | 今于海滨3d预测今天单线联系 | 今天太湖字谜三字诀是什么 | 3d今晚和值推荐 | 3d中间最小两码差值振幅走势图 | 李明启3d预测最新号码 | 3d今晚十大专家预测汇总 | 3d专家直选最精准一注 | 牛彩网近30期3d开机号试机号 | 3d跨度振幅走势图3d专家 | 福彩3D独胆老师必中 | 三d独胆 | 3d老炮子直选三注 | 詹天佑3d今日预测 | 拼搏在线3d开机号和试机号列表 | 3d今晚专家预测 | 3d今晚开奖结果号码是 | 3d最新准专家预测 | p3千禧试机号关注金码 | 3d 今天 试机号开机号3 | 玩彩独胆王三天计划 | 3d专家预测于海滨 | 3d十大专家预测汇总 | 3d预测专家推荐号码 | 3d开奖号历史上的今天 | 3d精准预测最准的专家 | 3d今晚推荐号 | 3d专家预测最准确最新推荐号码 | 3d百十和值尾振幅走势图 | 于海滨3d彩吧图库 | 今日3d字谜一句定三码和值谜定1 | 三d独胆 | 3d字谜汇总大全总汇大全 | 福彩3D独胆下一期推荐 | 今天3d专家推荐重点号 | 3d专家预测最准确今天南方双彩网 | 3d和值尾振幅走势图3d走势3d之家 | 今晚精准一注3d | 3d今天专家预测号码最准确 | 3d今晚上专家推荐号 | 3d今晚最准专家预测号码 | 今晚上3d开奖号码 | 于海滨海3d专家预测今晚一注 | 3d今晚预测最准确一注今天 | 3d预测詹天佑最新 | 3d精准预测最准的专家直选 | 3d今天开机号试机号是几 | 三d牛彩网开机号试机号是多少 | 3d预测号最新最准牛彩网 | 三d今日太湖字谜解 | 3d今晚预测最准确一注 | 3d胆王专家定十位 | 3d手机预测牛彩网 | 3d今天专家推荐号码推荐 | 3d预测专家最准最新 | 今天专家推荐号码3d | 3d预测专家精准推荐 | 3d和值尾振幅走势图200期 | 3d试机号今天晚上金码92期 | 今天3d开机号 和试机号 查询结果 | 唐龙点评每日一胆龙 | 3d预测今晚最准专家预测号码 | 3d最准专家预测号今晚3d试机号 | 3d太湖字谜三字诀 | 千禧今晚3d试机号关注码金码对应 | 3d最新最准预测号码今天 | 千禧3d试机号金码关注码杀码今天3d | 3d预测总汇手机牛彩网 | 今日3d藏机图正版藏机图310 | 张克永最新3d预测 | 千禧3d今天的试机号 | 3d预测分析| 明天的3d太湖字谜 | 唐龙一胆 | 3d预测最准最新准专家预测号码 | 今天晚上的3d开奖结果 | 3d专家预测号 | 3d太湖字谜官网 | 牛彩网3d预测 | 试机号开机号金码关注号对应码3d | 3d最精准专家预测汇总今天 | 于海滨专家预测 | 于海滨一语定胆 | 今天3d号码推荐 | 3d今天开机号和试机号开奖结果 | 3d今晚试机号是多少查询 | 3d每天一个独胆 | 3d开机号试机号今天最新50期 | 十拿九稳今天预测 | 太湖谜3d太湖钓叟字谜 | 今于海滨点评专家一语定胆 | 3d独胆10中10| 3d玩胆先生双胆独胆 | 今日3d字谜太湖钓叟字谜 | 三d三胆| 三d开机号和试机号今天牛彩网彩 | 3d真实的谎言正版和值字谜 | 3d今天的试机号开机号 | 今晚上必中一注 | 小德3d今天双胆定位 | 太湖字谜太湖钓叟三字诀 | 预测3d| 毒胆牛人三天计划必出 | 今晚3d专家推荐号 | 3d胆1拖9直选多少钱一注 | 财神爷独胆三天计划,就这么牛 | 3d今晚精彩预测 | 试机号千禧关注金码 | 3d推荐号今晚专家预测 | 3d双胆独胆必下一 | 3d开机号与试机号金码 | 于海滨专家3d预测 | 于海滨3d杀码 | 排三十拿九稳今天预测 | 3d最准预测专家预测大 | 3d二天独胆王 | 于海滨海独胆预测 | 3d预测专家精准推荐 | 3d专家预测最准确最新今天牛彩 | 福彩3D独胆实时杀号 | 3d预测专家最准确的专家预测今晚 | 3d开机号和试机号今天多少 | 3d藏机图正版藏机图汇总今天最新图片 | 万能四码图表 | 3d今天开机号和试机号牛彩网 | 3d专家詹詹天佑最新推荐 | 3d独胆怎么打 | 今日3d字谜一句定三码和值谜定1 | 3d最新最准专家预测号码 | 千禧3d试机号金码关注码对应码 | 3d专家推荐号最准确的推号 | 3d千禧开机号试机号关注金码对应码 | 今日3d直选 | 财神爷独胆三天计划,就这么牛 | 于海滨今日杀码图最新 | 3d就打一个胆中了多少钱 | 3d专家最新最准预测 | 今于海滨3d预测今天牛彩网 | 3d预测最新最准专家推荐号码 | 今天3d开机号 试机号是多少 | 3d开机号今天近100期南方查询 | 下一期专家准确预测 | 福彩3D独胆明日推荐 | 七爷独胆今晚一个胆 | 3d今天精选五注 | 3d预测最准的专家预测 | 太湖试机号后一句定三码3d字谜 | 3d今天开机号和试机号码 | 福彩3D独胆团队必中最新 | 3D独胆团队命中率最新 | 太湖3d字谜图谜总汇 | 3d任意两码差值尾走势图 | 3d十大专家推荐号码汇总 | 3d詹天佑最新预测今天 | 于海滨海3d预测今天 | 3d北斗专家北斗预测今天079期3d | 3d藏机图正版藏图汇总大全 | 今天3d开机号 和试机号 查询结果 | 3d试机号后专家预测汇总手机网 | 今天3d开机号试机号金码 | 3d今天的试机号开机号是多少 | 钱王今天3d预测号 | 专家预测3d预测 | 詹天佑3d最新预测今天 | 3d预测最准的专家预测 | 3d预测图 | 小红人的三天计划今天是什么 | 陈华今天就赌一个胆3d | 今晚3d独胆王 | 于海滨点评专家一语定胆保真版 | 3d平均值走势图振幅3d之家 | 3d专家预测最准最新今天 | 3d字谜总汇今日3d字谜总汇牛彩网 | 3d推荐号今晚专家预测 | 3d今晚专家推荐号 | 于海滨一语点评今日 | 太湖字谜三字诀汇总 | 3d精准预测推荐 | 3D独胆独家推荐最新 | 3d断组预测 | 3d之家双胆独胆预测 | 3d预测推荐汇总牛彩网采摘收集 | 3d今晚最准专家预测号码 | 3d开机号和试机号今天金码关注号 | 3d开机号和试机号9.30分 | 3d今晚预测准确的专家预测 | 3d免费预测汇总牛彩网 | 马后炮解3d太湖钓叟字谜总汇大全 | 3d于海滨预测预测牛彩网 | 十拿九稳预测专家分析 | 3d今晚开奖结果号码是 | 今天3d开机号和试机号对应金码 | 今晚3d专家预测最准确 | 3d今晚试机号开奖号 | 3d开机号和试机号正版彩吧 | 3d直选综合走势图表图 | 3d最精准的专家预测精选 | 今晚3d专家推荐号码 | 3d专家预测号 | 3d开机号今天试机号查询 | 3d预测专家最准确的专家预测今晚 | 3d今天专家预测号码 | 3d一定牛专家预测推荐 | 3d今晚最准最新专家推荐号 | 3d杀码图天齐网 | 钱王今天3d预测号 | 福利3d开奖号码 | 3d预测今晚最准 | 3d最准预测专家预测大 | 3d今晚上必出号推荐组 | 今于海滨3d预测彩吧图 | 3d专家预测最准确今天3d | 3d正版藏机图谜汇总 | 3d试机号和开机号牛彩网 | 3d专家预测最准确最新今天 | 3d精准一注| 近10期3d开奖结果 | 3d任意两码差值尾走势图 | 今晚3d预测总汇 | 于海滨3d预测号 | 3d今晚预测最新最准确号码牛彩网 | 今天3d开机号和试机号码是多少 | 3d今天专家预测最准 | 3d预测专家推荐号码 | 3d最近100期历史记录 | 今晚3d天宇一句定三码字谜 | 3d今晚最准最新专家推荐号 | 3d试机号开机号今天金码关注 | 今于海滨最新预测今天 | 3d今天推荐号码是多少 | 于海滨3d预测号 | 3d独胆陈华今晚就赌一个胆 | 十拿九稳预测专家分析 | 3d预测专家准确推荐 | 3d之家双胆独胆预测 | 3d定胆技巧准确率100% | 3d今天专家推荐号码 | 神仙姐姐今晚杀码 | 3d詹天佑最新预测 | 3d六码组三多少钱一注 | 3d必中永久直选500注大底 | 3d最准确的专家预测 | 3d独胆双胆预测 | 3d圣手字谜图谜 | 福彩3D独胆下一期走势最新 | 3d必中永久直选500注大底 | 3d邻孤传走势图乐彩 | 3d预测最准专家预测 | 3d今晚专家预测重点号码 | 3d预测最准确的专家预测软件 | 3d今天专家预测号码 | 3d十大专家汇总大全 | 太湖字谜三字诀论坛 | 3d今晚专家免费预测 | 3d专家预测最新 | 3d最精准一注 | 福彩3D独胆老师精准预测最新 | 3d 今天 试机号开机号 | 3D独胆下期最新精准预测 | 3d预测最准专家预测 | 3d近500期试机号和开奖号码 | 今天3d开机号 试机号是多少 | 3d一语定胆字谜今天 | 3d今晚必中一注一 | 3d今天预测最准确专家 | 3d专家预测推荐最新 | 于海滨杀码图谜 | 3d楚人今晚预测今天 | 3d开机号试机号近100期开奖号码 | 3d推荐号今晚专家预测最准确 | 3d跨度五行走势图3d之家 | 3d杀码专家杀码天齐网 | 詹天佑3d今天最新预测 | 3d最新最准预测号码今天 | 中国福彩3D独胆当天预测最新 | 3d今晚最准专家预测号码145 | 今晚3d开奖号是多少 | 中国福彩3D独胆实时必中最新 | 3d今日预测最准专家预测 | 3d最新预测专家推荐 | 3d预测今晚最新最准确 | 3d今晚开奖结果走势图 | 今晚3d专家预测汇总 | 3d专家预测推荐号码最准最新 | 3d定位独胆王三个双飞 | 于海滨3d今晚预测号码 | 3d免费专家预测推荐今天最新 | 小红人的计划三天计划独胆 | 3D独胆下一期杀号 | 3d预测最准确专家预测牛彩网 | 3d今晚专家预测最准确号码 | 3d今天专家推荐号码 | 3d今晚预测100% | 孟庆会点评 专家一语定胆 稳准狠三天计划 | 中国福彩3D独胆内部走势最新 | 詹天佑3d点评预测 | 千禧试机号金码关注码的历史记录 | 3d试机号历史出现情况天齐网 | 3d预测最准最新准专家预测号码 | 3d今晚试机号是多少查询 | 小财神三天计划独胆 | 3d真实的谎言正版和值字谜 | 3d最准专家预测号今晚3d试机号 | 3d今日预测最准专家预测 | 于海滨3d预测专家今天 | 三d十拿九稳预测号码 | 3d藏机图正版图汇总 | 太湖谜3d太湖钓叟字谜 | 3d专家预测推荐汇总 | 今天三字诀太湖字谜 | 3d预测最新最准专家 | 于海滨海3d专家预测今天 | 于海滨3d最新预测 | 3d于海滨上的今天杀码 | 3d藏机图正版藏机图 | 于海滨3d预测免费每日精选 | 3d今天专家预测号码 | 今天3d开机号和试机号码是多少 | 3d预测今日最新推荐 | 万能四码找下期奖号 | 3d十位单选振幅走势图 | 三d十拿九稳预测号码 | 3d开机号和试机号金码关注对应号 | 今日3d太湖字谜三字诀 | 3d预测最准专家预测 | 千禧试机号关注金码是什么 | 3d开心毒胆独胆王 | 3d独胆双胆天齐网 | 詹天佑预测3d | 3d十大专家汇总精选一注 | 财神爷三天计划必下更新 | 3d独胆王精准100% | 3d直选综合走势图表图 | 福彩3D独胆实时杀号 | 3d走势图专家推荐号码 | 专家推荐最热一注是什么 | 千禧试机号金码关注号对应码杀码 | 3d专家预测最准确最新今天 | 3d开机号和试机号正版彩吧 | 3d今天专家推荐号码推荐 | 3d陈华今晚就赌一胆o11预测 | 3d今天专家预测号码最准确 | 3d结果开奖号码今晚 | 3d最准预测专家预测汇总 | 3d独胆双胆天齐网 | 3d推荐号今晚专家预测最准确 | 3d字谜汇总大全总汇牛彩网开机号 | 今晚最准一注3d | 今晚3d专家最精准的预测 | 今晚3d必出号 | 排三今晚十拿九稳最新预测 | 3d上下五千年专家预测 | 小薇3d预测 | 3d今晚上必出号推荐组 | 白鱼舟最新3d预测 | 3d最新最准预测号码 | 3d于海杀码图 | 十拿九稳专家预测专栏 | 排五专家预测精准 | 今天专家推荐号码3d | 千禧3d试机号金码关注码码关注码双彩论六个 | 孟庆会老师3d预测彩吧图库今天 | 今晚3d专家最精准的预测 | 3d直选一注今天 | 福彩3D独胆下期最新分析 | 3d推荐最新最准专家预测 | 福彩3D独胆老师走势最新 | 3d字谜汇总大全总汇牛彩网开机号 | 3d专家预测最准确最新今晚预测 | 今日3d太湖字谜每天更新 | 3d今晚专家预测重点号码 | 3d今晚试机号牛彩网 | 3d藏机图正版藏机图诗汇总 | 于海滨3d每日杀一码 | 3d个位走势图表 | 3d今晚惊天一注预测 | 3d专家预测最新推荐 | 于海滨今天预测 | 福家老三3d推荐号 | 钱王今天3d预测号 | 3d推荐最新最准专家预测 | 铁娘子三天计划独胆必下300 | 3d推荐号今晚专家预测 | 3d最准一个独胆毒胆 | 3d直选走势图(专业版) | 今晚3d开奖号码多少 | 3d千禧试机号关注金码30期 | 千禧3d今天的试机号 | 3d专家预测推荐号最新 | 3d今日专家推荐号 | 3d布衣独胆双胆必下一 | 三d推荐号专家预测今天 | 于海滨点评专家一注定胆保真版162期 | 今天3d开机号 试机号是多少 | 福彩3D独胆实时走势 | 于海滨杀码今天最新版 | 3d千禧试机号开机号金码 | 于海滨今日杀码图最新 | 3d千禧试机号关注码金码今天晚 | 3d计算机开机号夏天推荐 | 福彩3D独胆团队必中最新 | 3d各类和值最新谜字谜今天 | 福彩3D独胆今晚走势最新 | 家彩专门提供3d试机号开机号 | 今天3d正版太湖字谜 | 3d百位个位和值走势图 | 3d必中直选 | 中国福彩3D独胆内部走势最新 | 3d双胆预测3d双胆下3d 双胆推荐 | 3d独胆双胆专家预测网 | 3d预测专家汇总预测 | 今天3d开机号试机号牛彩网 | 3d今晚预测一注 | 3d绝杀二码今天最新更新内容 | 3d今晚精选一注 | 3d三胆预测 | 3d杀码想要 | 3d预测专家汇总预测 | 于海滨3d预测专家今天 | 3d专家今日推荐号码 | 排三平均值振幅走势图3d之家 | 卫星电话最建议买的三个型号 | 3d预测专家最准最新 | 3d字谜汇总大全总汇牛彩网开机号 | 3d字太湖叟字谜 | 今日3d专家预测号最准确 | 3d今晚的开奖号码 | 3d鬼手字谜和谜 | 3d太湖一语定胆字谜 | 3d今晚预测直选一注3d一注预测 | 今晚3d专家推荐重点号码 | 排三平均值振幅走势图3d之家 | 3d专家预测最准确最新今天牛彩 | 于海滨最新3d预测今天 | 今天3d专家预测号码 推荐 | 3d彩宝贝试机号今天最新 | 3预测,3d专家预测,最准确今天彩网 | 3D独胆下一期精准预测 | 于海滨点评专家一语定胆保真版 | 独胆双胆3d之家 | 千禧3d试机号金码关注码码关注码双彩论六个 | 7号电池最建议买的三个型号 | 3d独胆双胆专家预测网 | 3d预测专家汇总预测 | 今晚3d出的什么号 | 3d今日开机号和试机号及关注码 | 3D独胆团队命中率最新 | 3d最准预测专家汇总大全 | 3D独胆下一期杀号 | 今天3d专家预测汇总 | 3d今晚最准最新专家推荐号 | 马后炮解今日太湖字谜三字诀 | 小林3d预测| 飞向阳光龙头凤尾今天最新消息 | 今天晚上的3d开奖结果 | 十拿九稳十大专家预测汇总最新一期 | 3d今晚预测最准确一注 | 3d双胆独胆非常稳 | 3d老虎独胆| 今晚3d预测专家预测号 | 3d今晚专家预测推荐 | 3d中奖多少钱一注 | 于海滨3d杀码 | 财神爷三天计划必下更新 | 正版真精华布衣天下今天推荐号码 | 3d今晚试机号开奖号 | 今天3d千禧试机号关注号金码号 | 3d最精准的专家预测精选 | 3d走势图专家推荐号码 | 今晚上3d开奖号码 | 3d今天预测最准确专家 | 3d字谜汇总大全总汇大全 | 张克永专家3d预测 | 3d推荐最新最准专家预测 | 牛人高手【3d精选】 | 今天太湖字谜三字诀是什么 | 3d字太湖叟字谜 | 3d单选一注能中多少钱 | 于海滨海3d预测保真 | 3d推荐最新最准专家预测 | 3d今天专家预测号码 | 3d今晚预测最新最准确号码牛彩网 | 3d今晚精彩预测 | 排三十拿九稳今天预测 | 3d陈华今晚就赌一胆天齐网 | 排五开机号试机号今天查询 | 中国福彩3D独胆实时必中最新 | 3d专家今天预测一注 | 今天3d太湖字谜三字诀 | 3d预测专家最准确的专家预测 | 3d今晚专家预测最准确一注 | 3d预测专家推荐 | 3d试机号后专家预测汇总手机网 | 于海滨3d专家预测 | 今天的3d太湖字谜今天晚上 | 3d詹天佑最新预测牛彩网 | 3d开机号和试机号今天查询 | 3d专家预测最准最新今天 | 3d李明启最新预测今天 | 3d带专业连线走势图 | 詹天佑预测3d | 3d开机号今天试机号30期 | 3d百个位和值尾走势图 | 3d预测推荐汇总 | 于海滨点评加专家一语 | 3d今日开机号和试机号及关注码 | 今天3d开机号试机号牛彩列表 | 千禧3d试机号金码关注码对应码今晚 | 3d今天最新最准专家预测最 | 最准3d预测专家推荐号 | 3d开机号和试机号今天千禧 | 近30期3d开机号和试机号 | 3d今晚预测最准确一注 | 3d于海滨预测预测牛彩网 | 排三杀码专家定位杀码天齐网 | 玩彩独胆王三天计划 | 3d跨走势图带连线走势图 | 3d今晚必中一注一 | 神仙姐姐独胆一个 | 3d太湖专家预测今晚 | 手机牛彩网3d预测 | 北斗3d今日预测 | 3d今晚最准专家预测号码145 | 今天3d开机号和试机号对应金码 | 3d今天开机号和试机号码200 | 3d下期预测最精准的一注号码 | 3d预测专家精准推荐号 | 3d专家预测推荐号码最准最新 | 今晚了3d开奖结果 | 3d三胆最准 | 3d彩吧图库手机牛彩网 | 3d专家最新最准专家预测汇总 | 3d独胆双胆3d之家 | 今晚3d的开奖号码结果 | 于海滨3d预测免费每日精选 | 三d试机号后专家预测汇总 于海滨专家3d今天预测 | 3d专家推荐号 | 3d专家预测最准确今天 | 3d今天开机号和试机号码727 | 3d最新专家预测精选一注 | 3d绝杀一码绝杀 | 3d试机号近10期彩经网 | 3d今晚最准一注 | 3d预测专家推荐最新 | 3d今天的开机号和试机号查询 | 3d专家最新最准专家预测汇总 | 中奖开奖结果3d | 3d太湖字谜每天更新 | 福彩3D独胆明日精准预测 | 3d基本走势图综合 | 今天最新3d开机号试机号关注码 | 于海滨点评专家一注定胆保真版162期 | 3d,预测| 3d预测 下一期 3d预测专家 3d预测 | 3d今日开机号和试机号及关注码 | 3d和值宫数线走势图 | 牛彩网3d预测分析汇总大全 | 3d今晚预测| 3d今晚出的号码 | 中国福彩3D独胆当天精准预测最新 | 3d今晚专家预测最准确一注 | 3d号码预测 | 西施姐姐精心推算一独胆146 | 3d独胆二天计划 | 浙江风采3d走势图表 | 今日3d字谜3d一句定三码诗天中图 | 中国福彩3D独胆专家精准预测 | 3d恋预测今晚预测是哪里出的 | 3d开机号,试机号,金码号,对应码100 | 财神爷独胆三天计划,就这么牛 | 3d红波蓝波走势图大中小 | 今晚3d推荐号 | 3d独胆王精准100% | 钱王老头点评牛彩网 | 3d开机号和试机号今天 今晚 | 今晚3d结果 | 今天3d专家预测号码 推荐 | 3d预测汇总 | 3d独胆双胆 | 3d白娘子跨度字谜汇总今天牛彩网 | 今日3d预测号 | 3d六大专家杀码汇总 | 3d字太湖叟字谜 | 3d北斗专家北斗预测今天079期3d | 3d于海滨预测 | 3d试机号今晚开机号 | 3d预测今晚推荐号 | 3d走势图带连线图表牛彩网 | 2014年359期3d焰舞字谜 | 3d预测最准专家预测牛彩网 | 3d最准确的预测方法 | 北京胆王2彩吧图库 | 福彩3D独胆下期最新推荐 | 千禧p3试机号关注号金胆对应号 | 3d最准预测专家预测大 | 于海滨海3d专家预测 | 千禧3d试机号金码关注码杀码今天3d | 3d预测最准确的专家预测软件 | 福彩3D独胆最新预测 | 太湖谜3d太湖钓叟字谜 | 3d千禧试机号关注码金码今天晚 | 龙彩居士3d预测今天最新版 | 3d推荐号今日预测 | 3d真实的谎言正版和值字谜 | 3d独胆双胆| 3d专家预测最准牛彩网 | 专家3d预测汇总 | 3d杀码专家杀码天齐网 | 3d今晚开奖号码多少 | 3d今晚的开奖号码 | 3d专家预测精选一注 | 北斗3d今日专家预测推荐 | 千禧3d试机号金码今天关注码对应码 | 中国福彩3D独胆内部走势最新 | 三天计划独胆牛人 | 近30期3d开机号和试机号 | 今晚3d专家预测最准确 | 排五预测最准专家 | 今天3d开机号 试机号是多少 | 3d专家最新最准今天预测 | 太湖三字谜太湖3d钓叟 | 3d中间号走势图振幅走势图 | 3d独胆预测必下一胆 | 3d精准预测专家预测 | 詹天佑3d预测今天推荐号码 | 今天3d千禧试机号关注号金码号 | 3d胆1拖9直选多少钱一注 | 3d试机号和开奖号走势图 | 一代女王p3杀两胆独胆 | 3d精准预测专家预测 | 3d单个冷号最大遗漏 | 3d试机号今晚开机号 | 中国福彩3D独胆大神命中率 | 3d最准预测专家预测大 | 3d开机号今天试机号30期 | 3d开机号和试机号金码关注 | 3d和尾振幅走势图3d专家 | 3d专家预测最准今天 | 3d今天专家预测号码 | 3d十大专家汇总精选一注 | 钱王点评3d之家 | 3d太湖钓叟三字诀字谜汇总 | 3d中奖情况 | 3d独胆专家推荐独胆 | 3d独胆预测必下一胆 | 3d最精准专家预测汇总今天 | 3d定胆| 3d各路专家预测汇总大全最新 | 3d 今天 试机号开机号3 | 3d太湖钓叟字谜三字 | 今天最新3d开机号试机号关注码 | 3d试机号200期历史 | 3d今天专家预测号码最准确 | 3d预测最准确专家 | 3d一语定胆字谜今天 | 3d今晚专家预测最准确号码 | 3d陈华今晚独胆推荐 | 3d预测最准专家预测牛彩网 | 3d316期太湖字谜 | 3d,预测| 我是毒胆王,今晚独胆 | 3d独胆必下一独胆布衣正 | 今于海滨3d预测今天牛彩网 | 3d中间最小两码差值振幅走势图 | 3d字谜今日字谜总汇 | 三d牛彩网开机号试机号是多少 | 于海滨海3d预测保真 | 3d和值和尾走势图带连线图表 | 3d之家预测专家预测 | 今日期3d太湖字谜 | 3d北斗专家北斗预测今天079期3d | 于海滨海3d预测保真 | 3d下期预测最准一注 | 3d太湖17500字谜 | 3d陈华今晚就赌一胆o11预测 | 3d一语定胆太湖字谜 | 今天最准3d预测号 | 三d便民字谜图谜总汇 | 3d阴阳走势图表图 | 3d最准一个独胆方法 | 预测3d | 3d最新最准专家预预测 | 于海滨专家一语定胆十好心人 | 3d专家预测最准最新 | 今天三d专家推荐号码 | 3d今晚最精准专家 | 3d北斗专家北斗预测今天079期3d | 福彩3D独胆今日走势最新 | 3d今天出的什么号 | 看彩大亨看独胆双胆预测 | 3d今晚预测一注 | 3d最大值振幅走势图彩经 | 牛彩网3d预测汇总大全手机版下载 | 3d预测专家最准确的专家预测今晚 | 3d詹天佑最新预测牛彩网 | 3d开心毒胆独胆王 | 3d专家预测汇总牛彩网 | 3d胆王双胆独胆 | 3d预测专家推荐最准确 | 福彩3D独胆内部杀号 | 福彩3D独胆内部杀号 | 3d预测专家推荐最准确 | 3d字谜总汇图 | 3d专家专家预测汇总 | 3d专家预测号码推荐今天 | 3d最新专家预测汇总 | 3d中间最小两码差值振幅走势图 | 今天最新3d开机号试机号关注码 | 今天三d专家推荐号码 | 3d预测号码最准确专家预测 | 詹天佑3d今日预测 | 今日3d开机号和试机号关注码千禧 | 3d十大专家汇总大全 | 杀码是什么意思 | 十拿九稳的最新预测 | 3d字谜图谜总汇全图汇总 | 今晚3d开机号试机号金码关注码 | 中国杀码王绝杀 | 3d跨度振幅走势图3d专家 | 3d最晚间字谜汇总大全 | 今晚3d开奖号是多少 | 今晚3d专家预测汇总 | 3d独胆专家推荐独胆 | 于海滨杀码今天最新版 | 3d今晚开奖号结果 | 3d试机号和开奖号走势图 | 3D独胆专家精准预测最新 | 3d振幅和值尾走势图 | 3d推荐号今晚专家预测 | 我是毒胆王,今晚独胆 | 3d白娘子跨度字谜汇总今天牛彩网 | 3d一句定三码最准字谜 | 3d今晚必下一个胆 | 3d中国准神双胆 | 今于海滨最新预测今天 | 陈华今晚就赌一个胆今天最新更新内容 | 3d藏机图天齐正版藏机图 | 3d走势图带连线牛彩网 | 3d预测最准确的专家 | 今晚3d最准专家预测号 | 3d今天专家推荐号码推荐 | 今晚3d精准一注直选 | 3d今晚必下一个胆 | 今天十拿九稳号码预测 | 3d开机号和试机号金码今天的 | 3d开机号和试机号八仙选号 | 于海滨3d预测专家今天 | 于海滨预测3d号 | 3d最近基本走势图 | 准香港3d漫画资料 | 3d今晚试机号是多少 | 太湖字谜钓叟3d字谜 | 3d最新最准专家预测号码 | 3d今晚必下一个胆 | 三天计划胆十组合 | 今日3d开奖号太湖字谜总汇 | 今晚3d专家预测汇总 | 排五开奖最新结果排5 | 3d最精准专家预测汇总今天 | 3d之家双胆独胆预测 | 3d预测最准最新准专家预测 | 3d今天开机号试机号牛彩网 | 3d今天开机号和试机号码 | 3d今晚开出什么号码 | 3d海滨点评一语定胆今天最新推荐 | 于海滨海3d专家预测 | 3d专家今天推荐号码推荐 | 3d谜语太湖钓叟3d谜语今天 | 独胆三天计划 | 3d今天最新最准专家预测最 | 3d预测最准的专家 | 浙江风采3d走势图表 | 天齐网3d首页保真版3d预测 | 3d三胆预测| 三d之家独胆| 3d千禧试机号金码关注码对应码 | 3d专家预测最新 | 3d预测专家最准确的专家预测今晚 | 3d最新专家预测汇总大全 | 3d湘西胆王今日字谜 | 高手看3d经典独胆组合 | 龙头凤尾今日预测 | 3d解太湖字谜汇总 | 今日正版3d藏机图汇总 预测 | 3d双胆神算今天必下 | 3d今天专家推荐号码推荐 | 福彩3D独胆明日分析 | 3d预测最准确的专家 | 3d预测最准确专家预测 | 3d千禧开机号试机号关注金码 | 投资独胆三天计划论坛 | 今天3d精选一注 | 千禧3d试机号金码关注码杀码今天3d | 3d专家推荐最精准的号码 | 3d预测号码最准最新准专家预测号家彩网 | 3d买4个号直选多少钱 | 3d开机号近200期历史记录 | 3d今晚最准专家预测号码 | 专家预测3d预测 | 3d今天专家推荐号码推荐 | 今日3d正版藏机图,藏机图汇总,天中网 | 陈华今天就赌一个胆3d | 孟庆会3d预测今天 | 2012099期3d开奖结果 | 今天3d推荐号码今晚预测 | 3d必下双胆| 宇海滨预测3d | 3d预测专家推荐号码 | 3d每天一个独胆 | 3d下期预测最精准的一注号码 | 3d李明启预测号 | 3d推荐最新最准专家预测 | 于海滨一语定胆专家点评 | 3d专家预测最准确最新汇总对应码 | 3d试机号今天开机号查询结果 | 3d最大值振幅走势图遗漏 | 3d十大专家精准预测汇总 | 3d预测专家最准确的专家预测今晚 | 3d推荐最新最准专家预测 | 看彩大亨最新独胆预测 | 3d十大专家双胆预测汇总 | 3d和值和尾振幅走势图 | 3d和值振幅走势图彩宝贝 | 3d直选一注50倍单挑 | 3d今天专家推荐 | 3d预测今晚推荐号 | 3d詹天佑预测分析牛彩网 | 3d今晚专家推荐预测重点号码 | 3d今晚和值推荐 | 詹天佑3d预测今天推荐号码 | 三d预测专家最新推荐 | 今日精准预测推荐3d号码 | 3d今天预测号 | 3d十大专家汇总精选一注 | 排五奖号 | p三杀码| 3d精准预测 | 3d专家预测推荐 | 3d两胆精准预测 | 3d最准一注号码 | 3d今日专家推荐号 | 于海滨海3d专家预测 | 3d今晚最准最新专家推荐号 | 于海滨点评专家一语定胆保真版 | 3D独胆今晚预测 | 三d走势图基本走势图彩宝网 | 牛彩网杀码 | 3d今日开机号和试机号及关注码 | 3d精选号码推荐今天最新 | 3d 今天 试机号开机号3 | 陈华3d预测今天推荐 | 3d推荐号码今晚预测 | 3d最新专家预测推荐 | 3d带线走势图牛彩网 | 3d小龙一句定三码今日字谜天中图 | 今于海滨3d预测今天牛彩网 | 于海滨3d每日杀一码 | 一定牛3d一注号推荐3d预测今天 | 3d最大值振幅走势图遗漏 | 3d百位走势图带连线图表专业版 | 福彩3D独胆老师分析最新 | 中国福彩3D独胆明日推荐 | 3d詹天佑3d预测分析 | 3d直选开奖结果 | 3d专家预测最准今天 | 今天3d开机号 和试机号 查询结果 | 福彩3D独胆今晚必中最新 | 3d独胆双胆预测推荐 | 3d小龙一句定三码今日字谜天中图 | 三d预测汇总| 福体杀码王最新版本更新内容 | 3d单挑今天晚一注500倍 | 3d最精准专家预测汇总今天 | 预测3d | 3d今晚预测最新最准确号码牛彩网 | 3d今晚专家推荐 | 太湖钓叟排三字诀字谜 | 3d今天专家推荐号码是多少 | 三地千禧关注码试机号 | 7号电池最建议买的三个型号 | 3d专家詹詹天佑最新推荐 | 3d藏机图正版藏机图全图牛彩网 | 3d预测专家汇总预测 | 3d杀码百位十位个位 | 龙头凤尾最准确预测 | 3d独胆双胆下一 | 今晚3d开奖号走势图 | 3d预测推荐汇总大全 | 太湖3d字谜图谜总汇 | 中国彩吧更一懂彩民最新版本更新时 | 3d基本走势图全部 | 3d3d今晚预测 | 三d今晚预测推荐十注 | 3d今日专家推荐 | 3d专家推荐最新预测 | 3d专家预测最准确今天南方双彩网 | 3d试机号开奖号走势图表 | 于海滨今日预测号 | 3d直选是什么意思 | 3d太湖字太湖字谜今天 | 近50期3d开奖结果 | 3d北斗专家北斗预测今天079期3d | 拼搏在线3d开机号和试机号列表 | 3d预测号码最准确专家预测 | 3d预测专家推荐最新 | 3d独胆王定位独胆定位 | 近50期3d开奖结果 | 千禧今晚3d试机号关注码金码对应 | 3d直选形态走势图彩宝网 | 3d字谜总汇今日3d字谜总汇牛彩网 | 3d预测最准专家 | 今日3d藏机图正版藏机图310 | 3d预测号码最准最新推荐 | 3d最精准的专家预测精选 | 3d千禧金码试机号关注码开奖号 | 3d预测专家最准确今天 | 牛彩网3d预测分析汇总大全 | 老炮子3d直选三注 | 今于海滨3d预测今天牛彩网 | 骄子铁鹰解3d字谜今日 | 千禧试机号金码今天的 | 3d鬼手字谜和谜 | 于海滨一语点评今日 | 3d最新专家预测汇总牛部长预测 | 今日3d藏机图汇总 正版 新版 | 3d专家预测最准确今天牛彩网 | 玩胆先生今晚双胆 | 3d预测今晚推荐号 | 于海滨专家预测 | 今日3d字谜太湖钓叟字谜 | 太湖字谜三字诀论坛 | 3d专家杀码天中图库 | 今日3d字谜3d一句定三码诗天中图 | 3d专家预测最准确 | 3d手机牛彩网专家预测 | 3d推荐号今晚专家预测最准确 | 3d开机号和试机号金码关注对应码 | 福彩3D独胆团队必中最新 | 3d彩吧试机号今天最新 | 于海滨专家3d今天预测 | 3d今天开机号试机号200期 | 今天晚上三d开奖结果 | 三d牛彩网开机号试机号是多少 | 3d预测最准最新准专家预测号码 | 2009年浙江风采3d走势图 | 今日3d专家预测总汇 | 小龙一语定三胆3d今日字谜 | 3D独胆本期推荐最新 | 3d和值尾金木水火土走势图 | 3d于海滨杀码图 | 今晚3d开奖结果是多少 | 3d今天最准专家预测 | 3d预测是多少 | 福彩3D独胆最新预测 | 3d专家预测最准确最新今晚预测号 | 今晚3d开机号试机号金码 | 今天3d开奖号是多少 | 张克永专家3d预测 | 3d近300期试机号和开奖号码 | 3d最准确专家预测 | 3d预测詹天佑最新 | 于海滨点评专家一语定胆保真版 | 今天专家推荐号码3d | 3d预测专家精准推荐 | 中国杀码王3d绝杀 | 今于海滨最新预测今天 | 福彩3D独胆老师分析最新 | 福彩3D独胆下一期走势最新 | 于海滨专家3d今天预测 | 3d今晚最准专家推荐号 | 3d开心毒胆独胆王 | 今天专家推荐号码3d | 3d各类和值最新谜字谜今天 | 今日太湖字谜3d总汇 | 3d今天专家预测最准 | 3d彩宝贝试机号今天最新 | 今晚3d开机号试机号金码关注码 | 3d预测一注号推荐 | 3d今晚精准一注推荐 | 六鬼神算图3d谜图 | 3d推荐号3d推荐号码 | 3d推荐最新最准专家预测 | 今日3d预测 | 太湖钓叟三字诀字谜解释总汇 | 3d走势图基本走势图 | 今日3d字谜3d一句定三码诗天中图 | 3d和值尾振幅走势图近100期 | 3d预测今晚推荐号 | 3d今天开机号和试机号是多少 | 今于海滨3d预测今天牛彩网 | 3d双胆大师| 3d独胆是什么意思 | 陈华今晚3d赌一胆天齐网 | 3d北斗专家北斗预测今天079期3d | 3d最近1000期走势图表综合版图片 | 投资独胆三天计划论坛 | 3d和值谜汇总大全 | 今日3d推荐号码号 | 3d预测最准最新准专家预测 | 詹天佑3d今晚预测号码 | 解3d字谜太湖钓叟汇总 | 3d百个位和值尾走势图 | 3d之家独胆,双胆 | 3d之家双胆独胆预测 | 3d太湖专家预测今晚 | 3d今晚开奖结果走势图 | 看彩大亨看独胆双胆预测 | 3d预测专家推荐号码 | 3d专家詹詹天佑最新推荐 | 3d十大专家预测汇总 | 3d今天专家推荐号码 | 3d今晚预测准确的专家预测 | 于海滨3d预测专家今天 | 《金银胆神》金胆银胆3d最新一期开奖 | 今日3d开奖号太湖字谜总汇 | 3d最新最准预测号码今天 | 3d字谜财神一语定一注 | 近30期3d开机号和试机号 | 詹天佑3d预测号 | 3d今日预测最准专家预测 | 排三杀码专家 | 于海滨杀码今天最新版 | 3d百个位和值尾走势图 | 福彩3D独胆最新必中最新 | 3d牛彩网采摘收集预测汇总 | 今晚3d独胆王 | 3d专家预测最准今天 | 3d带线走势图牛彩网 | 3d今天专家预测推荐号码 | 3d开机号试机号30期列表彩宝网 | 于海滨一语定胆保真 | 3d今晚上预测号码 | 今于海滨3d杀码图24210 | 今天3d开机号 试机号是多少 | 3d跨度走势图图表 | 3d今晚预测直选一注 | 福彩3D独胆下期杀号最新 | 今晚3d预测最准一注 | 3d百个差振幅走势图近100期 | 3d彩吧试机号今天 | 千禧试机号金码关注号对应码杀码 | 3d钱王点评 | 今于海滨一语定胆保真今天 | 今于海滨3d杀码图 | 3d十大专家精准预测汇总 | 3d北斗专家北斗预测今天079期3d | 3d长中剑客预测今天 | 3d彩吧试机号今天最新 | 福彩3D独胆下期推荐最新 | 3d预测最准确专家预测 | 3d今天专家预测推荐号码 | 3d和值尾振幅近100期走势图 | 3d正版藏机图谜汇总 | 3d今天推荐号码是多少 | 杀码大全汇总 | 3d今天专家预测最准确 | 3d今天开机号和试机号232 | 投资计划3d乐彩论坛 | 3d今晚预测 | 3d谜语字谜太湖天齐网 | 苏会文3d预测今天推荐 | 3d试机号历史情况 | 3d预测专家最准确今天 | 3d和值振幅走势图带连线坐标 | 今晚3d开奖号是多少 | 3d和值尾振幅近100期走势图 | 福彩3D独胆今日走势最新 | 三d预测专家预测今天最新 今于海滨3d预测 | 福彩3D独胆下一期命中率最新 | 十拿九稳预测专家分析 | 3d最准预测 | 今晚3d开机号试机号 | 3d双胆预测 | 3d试机号后专家推荐汇总 | 3d专家预测最准确今天3d | 三d字谜图谜总汇牛彩网 | 今天3d开机号试机号牛彩网 | 福彩3D独胆下期杀号最新 | 3d开机号试机号30期列表彩宝网 | 今日3d正版藏机图 | 3d静态版预测静态版 | 3d和值宫数线走势图 | 最准3d预测专家推荐号 | 3d于海滨预测预测牛彩网 | 于海滨海3d预测今天 | 3d最准专家预测方法 | 3d和值尾振幅走势图3d走势3d之家 | 大师诸葛亮今晚一个独胆 | 3d今晚预测直选一注 | 今晚3d结果开奖号码 | 3d最晚间字谜汇总大全 | 3d单个冷号最大遗漏 | 3d今晚最准专家预测号码145 | 近30期3d开机号 | 成功路上3d双胆独胆 | 今日正版藏机图全部汇总239期 | 3d今晚专家预测最准确号码 | 3d今天开机号和试机号232 | 3d跨度分位走势图图感觉 | 3d试机号码开机号 | 3d彩宝贝试机号今天最新 | 3d独胆三天必出计划论坛 | 3d最准专家预测方法 | 3d独胆双胆专家预测网 | 3d最新专家预测汇总大全 | 3d詹天佑推荐号码 | 陈华3d预测今天推荐 | 3d专家今天推荐号 | 詹天佑3d今天预测分析 | 3d 今天 试机号开机号3 | 3d和值专家推荐和值 | 3d条件预测专家专区 | 3d近500期试机号和开奖号码 | 3d开机号和试机号金码今天的 | 今晚3d预测专家预测号 | 3d专家预测最准确今天南方双彩网 | 3d预测最准专家预测牛彩网 | 于海滨3d免费预测最新的 | 于海滨3d预测免费 | 3D独胆明日精准预测 | 3d专家推荐号| 3d预测最准预测号 | 3d彩吧图库44462 | 3d专家预测号码手机牛彩网 | 十拿九稳的最新预测 | 最准3d预测专家推荐号 | 3d于海滨今天预测保真 | 3D独胆今晚预测 | 3d专家预测最准确最新今晚预测 | 3d今天专家推荐 | 【独胆真准】3d | 于海滨海3d预测牛彩网 | 3d预测最新最准专家 | 3d今晚预测最新最准确号码牛彩网 | 3d今晚预测直选一注 | 3d今晚最准一注 | 3d至尊独胆 | 3d今晚开奖号走势图 | 3d试机号开奖号走势图表 | 3d直选综合走势图 | 今天3d试机号开机号牛彩网 | 3d十大专家预测汇总 | 3d独胆必下一个胆 | 3d预测最准确的专家 | 福彩3D独胆下一期必中 | 于海滨海3d专家预测 | 3d最新最准专家预预测 | 十拿九稳预测分析 | 3d今晚预测一注 | 3d字字谜图谜总汇 | 千禧试机号金码关注码的历史记录 | 今日3d预测 | 三地杀码高手 | 今日正版3d藏机图全部汇总 | 3d预测专家精准推荐 | 3d最准专家预测号今晚3d试机号 | 3d字谜财神一语定一注 | 福彩3D独胆老师分析最新 | 苏会文3d预测今天推荐 | 3d今晚最准专家预测号码 | 3d预测专家推荐最新 | 3d今晚专家预测推荐 | 3d预测专家最准确的专家预测今晚 | 今日3d预测专家推荐 | 3d独胆专家推荐独胆 | 3d和值尾振幅走势图50期 | 十拿九稳今天预测专家 | 3d今晚专家推荐号 | 3d老炮子直选三注 | 3d最准确最新专家预测 | 张克永专家3d预测 | 3d推荐号3d推荐号码 | 3d直选一注必中 | 3d今天预测最准确专家 | 3d专家最新最准预测 | 3d正版太湖字谜图谜 | 今于海滨3d预测彩吧图 | 3d直选走势图(专业版) | 今天的3d藏机图正版藏图 | 3d机选一注| 3d预测专家最准最新 | 乾坤三天计划独胆预测 | 今天3d推荐号码今晚预测 | 3d直选一注今天 | 三d胆| 西施姐姐精心推算一独胆146 | 3d詹天佑预测分析牛彩网 | 3d今晚专家预测最准确一注 | 3d推荐最新最准专家预测 | 3d今晚最准专家预测号码145 | 今天3d试机号开机号是什么 | 于海滨3d专家预测今天 | 今晚3d开机号试机号金码 | 3d号码预测和推荐号今天 | 3d开机号和试机号金码和关注码 | 张克永专家3d预测 | 陈华今晚就赌一个胆今天最新更新内容 | 3d字谜太湖最新 | 詹天佑3d预测推荐 | 3d专家最新最准专家预测 | 今日3d直选一注 | 3d预测一注号推荐今晚 | 3d专家预测最准最新今天 | 3预测,3d专家预测,最准确今天彩网 | 3d开奖号码今晚走势图 | 最准的3d专家预测 | 詹天佑3d预测号 | 3d同期历史对比 | 十拿九稳的最新预测 | 3d今天精准一注 | 3d最准确的专家预测 | 十拿九稳今天预测专家 | 今天3d开机号试机号牛彩网 | 中国福彩3D独胆专家精准预测 | 3d预测今晚推荐号 | 3d太湖钓叟字谜汇总正版藏机图 | 今天十拿九稳号码预测 | 3d预测专家精准推荐 | 3d今天专家预测最准 | 3d十大专家双胆预测汇总 | 老炮子3d直选三注 | 3d下期预测最精准的一注号码 | 3d最精准的专家预测 | 3d专家预测最准确最新今天牛彩 | 3d字谜图谜总汇全图汇总 | 3d预测今晚最准专家预测号码 | 钱王点评钱王老头预测 | 3d陈华今晚就赌一胆天齐网 | 陈华今晚就赌一个胆预测 | 3d免费预测 | 小红人的计划三天计划独胆 | 3d预测号专家预测 | 今天的3d太湖字谜 | 3d预测专家准确推荐 | 3d预测号码最准最新准专家预测号家彩网 | 3d今晚专家推荐 | 今天3d千禧试机号关注号金码号 | 中国福彩3D独胆下期推荐推荐最新 | 今晚3d预测最准一注 | 今晚3d专家推荐号码是多少 | 3d预测詹天佑最新 | 中国杀码王 | 今天3d藏机图正版藏机图藏机图太湖横屏 | 太湖3d字谜三字诀 | 3d独胆必下 | 中国福彩3D独胆当天预测最新 | 于海滨点评专家一注定胆保真版 | 小德3d今天双胆定位 | 今日精准预测推荐3d号码 | 今日精准预测推荐3d号码 | 晚秋3d今晚和值谜 | 于海滨点评专家一注定胆保真版162期 | 3d中间号走势图振幅走势图 | 于海滨杀码图谜 | 中国福彩3D独胆当天分析 | 3预测,3d专家预测,最准确今天彩网 | 排五预测专家预测 | 今日3d预测号码推荐 | 3d今晚最准最新专家推荐号 | 3d今晚专家预测 | 3d牛彩网试机号后专家预测汇总 | 3d今天的推荐号 | 3d晚秋和值谜彩吧图库 | 今日3d马后炮解太湖字谜 | 最准的3d专家预测 | 3d近30期开机号试机号牛彩网 | 3d十个位差值振幅走势图3d之家 | 3d北斗专家北斗预测今天079期3d | 3d今天晚上预测最准专家 | 3d预测专家精准推荐 | 3d紫云涧专家预测推荐 | 3d试机号码开机号 | 3d预测专家最准确 | 无敌胆王今日双胆 | 3d推荐号今日预测 | 今天的3d开机号试机号 | 3d今晚上预测号码 | 3d千禧金码试机号关注码开奖号 | 3d推荐号今日预测 | 十拿九稳预测专家分析 | 3d今晚十大专家预测汇总 | 3d两天独胆王 | 排三平均值振幅走势图3d之家 | 今天3d开机号 试机号是多少 | 唐龙每日一胆天齐网 | 3d试机号今晚开机号 | 3d杀码公式最新 | 3d各路专家预测汇总大全最新 | 今天晚上3d推荐号码 | 今日3d开机号和试机号关注码千禧 | 3d正版太湖字谜图谜 | 3d最全晚间字谜汇总大全 | 3d今日开机号和试机号及关注码 | 今晚三d推荐什么号码 | 3d今晚预测准确的专家预测 | 千禧试机号关注金码是什么 | 3d字谜汇总大全总汇牛彩网开机号 | 最准的3d专家预测 | 3d今晚最准三注 | 3d今天预测汇总 | 3d十位走势图彩经网 | 三d牛彩网开机号试机号是多少 | 3d最精准的专家预测精选 | 3d今天预测最准确专家 | 今天3d藏机图正版藏机图藏机图太湖横屏 | 3d专家杀码天中图库 | 中国福彩3D独胆当天预测最新 | 3d专家预测推荐号码最准最新 | 3d开机号和试机号今天 今晚 | 3d今晚预测开奖号码 | 3d十大专家推荐号码汇总 | 3d千禧试机号金码关注最近10期 | 3d独胆专家推荐独胆 | 3d独胆公式正确率在99%以上 | 3d预测今日最新推荐 | 3d詹天佑最新预测今天 | 3d专家预测最准今天 | 3d今晚最准专家推荐号码 | 3d最准预测专家推荐 | 3d今晚最精准专家 | 今天最新3d开机号试机号关注码 | 3d开机号试机号奖号 | 3d预测今晚最准专家预测号码 | 3d专家预测最准确今天 | 97654天中图库,今天晚3d试机号 | 于海滨最新预测今天 | 七爷独胆今晚一个胆 | 3d预测 下一期 3d预测专家 3d预测 | 3d专家预测最准确最新今天牛彩 | 3D独胆专家精准预测最新 | 3d走势图基本走势 | 神仙姐姐今晚杀码 | 3d推荐最新最准专家预测 | 3d十大专家推荐号码汇总 | 3d于海滨一语定胆今天 | 3d试机号开机号今天查询排五 | 3d预测推荐汇总牛彩网采摘收集 | 3d今天专家推荐号码推荐 | 千禧开机号试机号关注号金码杀码 | 东北小胆神今晚独胆 | 詹天佑3d预测今天推荐号码 | 3d推荐最新最准专家预测 | 今晚3d开奖号码多少 | 詹天佑3d预测今天推荐号码 | 西施姐姐精心推算一独胆146 | 中国福彩3D独胆实时推荐 | 3d独胆预测 | 骄子铁鹰解3d字谜今日 | 千禧试机号金码今天的 | 今于海滨3d预测今天牛彩网 | 3d今天专家预测推荐号码 | 3d预测最准专家预测牛彩网 | 三d牛彩网开机号试机号是多少 | 3d直选100%中奖绝技软件 | 3d今天推荐号码是多少 | 3d专家预测更准确今天 | 3D独胆下一期杀号 | 3d预测推荐汇总大全 | 3d廊坊鸿运正版推荐 | 牛人高手【3d精选】 | 【福星】3d单挑10注组 | 中国福彩3D独胆明日推荐最新 | 3d今日号码推荐 | 3d两胆王 | 3d字谜太湖解字谜 | 3d彩皇网 | 今天3d专家预测汇总 | 3d十大专家预测汇总 | 3d独胆双胆3d之家 | 3d近100期的开奖号码和试机号 | 3d今晚最稳一注 | 3d专家预测最准确今天上一期 | 今晚3d天宇一句定三码字谜 | 3d藏机图正版藏机图 | 北斗3d今日专家预测推荐 | 3d今晚专家预测最准确号码 | 3d今晚试机号是多少查询 | 3d今天开机号试机号码 | 今天3d开机号和试机号对应金码 | 3D独胆团队走势 | 张克永专家3d预测 | 3d预测最准确专家预测 | 3d预测是多少 | 3d今天专家推荐号码推荐 | 3d专家今日推荐号码 | 彩宝3d专业走势图 | 3d太湖字谜官网 | 牛彩网3d专家预测 | 3d直选一注 | 今晚精准一注3d | 3d今天开机号和试机号开奖结果 | 三字诀3d字谜 | 张克永最新3d预测 | 3d专家最新最准今天预测 | 3d十大专家汇总大全 | 3d直选三注必中免费 | 排三十拿九稳今天预测 | 3d牛彩网字谜图谜总汇九 | 小财神三天计划独胆必下 | 3d预测号最新最准牛彩网 | 3d预测专家最准确的专家预测今晚 | 3d专家预测最准确 | 3d预测号专家预测 | 3D独胆今晚命中率最新 | 3d今天专家预测推荐号码 | 3d今晚预测最准确一注 | 排三杀码专家定位杀码天齐网 | 3d最准专家预测号今晚3d试机号 | 今晚于海滨海3d预测3d | 3d试机号后专家预测推荐汇总 | 3d预测专家最准确 | 3d预测今晚最准专家预测号码 | 3d杀码条件今天最准 | 3d精选号码推荐今天最新 | 3d今晚预测开奖号码 | 今日太湖钓叟三字诀字谜 | 2012099期3d开奖结果 | 今日3d十大专家双胆总汇 | 今天专家推荐号码3d | 3d今天专家预测最准 | 3d于海滨上的今天预测保真 | 于海滨最新3d预测推荐今天 | 3d开机号今天近10期 | 3d预测专家汇总预测 | 于海滨点评专家一语保真 | 3d预测最新最准确号码 | 今日3d正版藏机图,藏机图汇总,天中网 | 经典小胆王三天计划配组合 | 于海滨今天杀码3d | 专家3d预测汇总 | 北斗3d今日专家预测推荐 | 3d预测推荐汇总牛彩网采摘收集 | 3d和值最近(500)期走势图 | 3d推荐号今日预测 | 3d今天专家预测推荐号码 | 张克永最新3d预测 | p3故事小王双胆下一今天 | 3d今晚上开奖号码 | 千禧3d试机号金码关注码今天 | 詹天佑3d最新预测今天 | 3d开机号今天近10期 | 3d今晚预测准确的专家预测 | 今天十拿九稳号码预测 | 3d走势图专业版(带连线) | 3d今晚出的号码 | 3d三胆预测| 3d今天开机号和试机号码 | 3d各路专家预测汇总大全最新 | 今日3d开机号和试机号关注码千禧 | 3d中2个号多少钱 | 3d开机号和试机号近100期列表 | 3d推荐最新最准专家预测 | 3d十大专家双胆预测汇总 | 3d专家推荐预测号 | 3d钱王点评 | 3d绝杀二码今天最新更新内容 | 中国福彩3D独胆专家精准预测 | 今晚快乐八专家预测推荐号 | 今天3d试机号和开机号 | 3d独胆双胆专家预测网 | 3d必中永久直选500注大底 | 于海滨预测3d号 | 小财神三天计划独胆必下 | 3d预测最准确的专家预测软件 | 今天3d专家推荐重点号 | 3d于海滨杀码图 | 3d藏机诗藏机图天中图库 | 3d推荐号今晚专家预测最准确 | 3d独胆公式正确率在99%以上 | 3d胆王双胆独胆 | 詹天佑3d最新预测今天 | 3d最准确预测专家 | 3d廊坊鸿运正版推荐 | 3d专家推荐号 | 3d天中杀码图专区 | 今晚3d开奖号是多少 | 3d预测最准确的专家 | 3d预测最准确的专家 | 3d藏机图正版藏机图 | 3d藏机图正版藏机图汇总今天最新 | 今天3d推荐号码今晚预测 | 3d于海滨预测预测牛彩网 | 3d专家推荐预测号 | 詹天佑3d最新消息今天 | 今天3d推荐号码今晚预测 | 3d专家预测最准 | 3d预测汇总牛彩网 | 排三杀码专家天齐网 | 牛彩网预测专家3d | 3d今晚专家预测最准确一注 | 3d于海滨上的今天预测 | 3d詹天佑预测分析牛彩网 | 3d今晚精彩预测 | 千禧试机号金码关注 | 牛彩网p3专家预测汇总 | 最新3d预测专家预测 | 福彩3D独胆独家走势 | 今天三d专家推荐号码 | 今天最新3d开机号试机号关注码 | 今日3d太湖三字谜 | 今天3d开机号和试机号多少 | 3d双胆神算今天最新 | 3d今晚最准专家预测号码145 | 于海滨3d预测牛彩网 | 3d资料大全免费 | 3d之家北斗今日预测 | 福彩3D独胆老师分析最新 | 彩坛老顽童3d独胆 | 今晚3d预测推荐一注 | 三d便民字谜图谜总汇 | 今天3d试机号开机号是什么 | 3d百位个位和值走势图 | 3d詹天佑最新预测今天 | 3d中间最小两码差值振幅走势图 | 3d每天都有开奖吗 | 3d平均值走势图振幅3d之家 | 中国福彩3D独胆实时必中最新 | 今天3d精选一注 | 3d最准一个独胆方法 | 3d湘西胆王今日字谜 | 3d专家预测最准双胆 | 于海滨3d预测免费 | 今天3d开机号试机号码 | 排五开机号试机号今天查询 | 财神爷三天计划独胆组合 | 钱王点评钱王老头预测 | 廊坊鸿运3d| 千禧3d试机号金码关注码杀码今天3d | 财神爷独胆三天计划,就这么牛 | 3d机选一注 | 今晚开奖号码3d开奖结果 | 毒牛人三天计划 | 独胆真人就打独胆今天 | 一定牛3d一注号推荐3d预测今天 | 3d牛彩网专家预测 | 3d于海滨一语定胆《保真》 | 今晚3d专家推荐号 | 3d最精准的专家预测 | 3d买一个独胆中了得多少钱 | 3d今晚预测 | 今天3d太湖钓叟三字诀字谜 | 于海滨精准杀码图 | 孟老师专家预测3d | 福彩3D独胆明日精准预测 | 3d长中剑客预测今天 | 3d字谜汇总大全总汇大全 | 3d专家预测最准今天 | 3d预测今晚最准专家预测号码 | 中国福彩3D独胆专家精准预测 | 今晚3d试机号码和开机号 | 今天的太湖3d字谜 | 3d开机号,试机号,金码号,对应码100 | 3d红波蓝波走势图大中小 | 小胆神玩毒胆我3d | 3d今天千禧试机号关注号金码 | 今天太湖字谜3d字谜太湖钓叟 | 3d独胆专家预测 | 看彩大亨看独胆双胆预测 | 十拿九稳今天预测专家 | 排三杀码专家定位杀码天齐网 | 今天的3d太湖字谜 | 3d专家预测最准确今天 | 今晚3d开奖号走势图 | 太湖3d字谜今天的 | 3d牛彩网采摘收集预测汇总 | 3d今晚最准专家推荐号 | 3d最准一注(单挑王) | 3d往年历史今天开奖结果 | 3d杀码图谜_专区杀码 | 千禧3d试机号关注码金码今天的 | 2014年359期3d焰舞字谜 | 3d今天专家推荐 | 3d今晚专家看独胆 | 开心毒胆王今晚独胆 | 3d推荐号码今晚预测 | 3d今天专家预测推荐号码 | 3d开奖号走势图表 | 3d小鱼图今日背面字谜 | 3d预测专家推荐号码 | 中国福彩3D独胆实时必中最新 | 3d预测专家最准确的专家预测昨天 | 3d十大专家汇总精选一注 | 3d专家预测推荐汇总 | 3d牛彩图谜字谜总汇九 | 3d预测专家最准最新 | 3d詹天佑最新预测牛彩网 | 3d直选综合走势图表 | 3d最佳一注号码 | 两天双胆计划王 | 3d今晚预测 | 3d杀码公式最新 | 3d今日牛彩网 | 太湖三字谜太湖3d钓叟 | 千禧三地试机号对应码金码 | 3d开奖号今天结果 今晚 | 3d专家推荐号最准确的推号 | 3d预测最准确专家预测牛彩网 | 福彩3D独胆下一期命中率最新 | 今天晚上的3d开奖结果 | 3d买一个独胆中了得多少钱 | 3d各类和值最新谜字谜今天 | 3d一语定胆太湖字谜 | 投资独胆三天计划论坛 | 3d精选号码推荐今天最新 | 3d今天开机号试机号对应码关注码 | 3d十大专家推荐号码汇总 | 千禧p3试机号关注号金胆对应号 | 3d太湖字谜总汇大全 每天更新 | 3d今日开机号和试机号及关注码 | 3d财神爷独胆双胆双飞计划三天 | 今晚3d预测专家预测号 | 3d预测专家精准推荐号 | 今晚3d直选推荐 | 3d今天开机号试机号牛彩网 | 3b千喜今天试机号关注金码 | 3d栋栋预测牛彩网 | 3b预测汇总牛彩网 | 于海滨今日预测号 | 3d专家预测最准确今天3d | 小红人的三天计划今天是什么 | 3d今晚最准最新专家推荐号 | 于海滨专家预测3d两吗 | 3d今日推荐号 | 3d基本走势图表新浪网 | 3d定胆| 3d杀码一定牛 | 预测3d今晚开奖号 | 3d开机号试机号码牛彩网 | 3d太湖字谜汇总今天 | 3d预测 下一期 3d预测专家 3d预测 | 3d今晚专家预测推荐 | 今天3d牛彩网专家预测 | 三七进二得三码猜一生肖 | 今日3d藏机图正版藏机图134 | 专家精准预测3d号 | 3d单式怎么才算中奖 | 3d今天开机号和试机号码300 | 3d今晚上预测号码 | 今晚3d专家推荐号码 | 3d独胆专家预测 | 3d千禧今晚试机号码 | 3d杀码图谜 | 3d今于海滨杀码图 | 3d今晚最准专家预测号码145 | 3d和值和尾振幅走势图 | 马后炮解3d太湖字谜总汇大全 | 3d十大专家精准预测汇总 | 今晚3d专家推荐号码是多少 | 今天3d字谜解太湖字谜 | 于海滨点评专家一语保真 | 3d开机号试机号今天最新50期 | 专家预测3d号码准确 | 3d字字谜图谜总汇 | 今晚3d出的什么号 | 3d今晚专家预测最准确一注 | 3d预测专家最准确今天 | 于海滨一语定胆保真 | 中国福彩3D独胆最新必中最新 | 3d千禧金码试机号关注码 | 詹天佑今天3d推荐 | 三d三胆| 小德3d今天双胆定位 | 3D独胆下期推荐走势最新 | 3d预测最准确的专家预测软件 | 3d詹天佑最新预测牛彩网 | 小薇3d预测今天推荐 | 3d杀码想要 | 3d老炮子直选三注 | 3d预测专家最准确的专家预测今晚 | 3d今晚最准专家预测号码145 | 福彩3D独胆下期推荐精准预测 | 3d定胆王独胆定位 | 3d预测专家最准确今天 | 今晚3d出的什么号 | 孟庆会老师3d预测今天 | 3d正版藏机图谜汇总 | 3d预测专家汇总预测 | 3d最准预测号 | 3d今天最新最准专家预测最 | 中国福彩3D独胆独家必中最新 | 太湖钓叟三字诀字谜解释总汇 | 于海滨专家3d今天预测 | 3d开机号试机号近100期开奖号码 | 3d专家预测最准最新今天 | 3d专家预测最准确今天南方双彩网 | 3d今晚中奖号是多少 | 中国福彩3D独胆下期推荐 | 钱王点评十钱王给胆下一期预测 | 于海滨专家一语定胆十每日 | 3d预测专家推荐号码推荐 | 3d直选开奖结果 | 今日3d一注推荐 | 陈华3d今晚就赌一个胆 | 3d专家预测推荐号码 | 3d专家预测汇总牛彩网 | 3d中奖情况| 3d今晚最准专家预测号码145 | 今天的3d太湖字谜今天晚上 | 3d绝杀二码今天最新更新内容 | 3D独胆实时推荐最新 | 一名将3d双胆预测 | 三d预测牛彩网汇总 | 3d专家解太湖字谜汇总 | 马后炮解3d太湖字谜总汇大全 | 无敌胆王独胆双胆 | 今日3d太湖字谜三字诀 | 3d孙大财就赌一个胆 | 太湖3d字谜今天的 | 今天3d专家推荐重点号码 | 推荐一注3d号码 | 毒牛人三天计划 | 福彩3D独胆下期预测 | 3d中间值振幅走势图之家 | 三d试机号后专家预测汇总 于海滨专家3d今天预测 | 3d号码预测 | 于海滨最新3d预测推荐今天 | 杀码是什么意思 | 3d和值和尾振幅走势图 | 马后炮解3d字谜 | 3d今晚预测准确的专家预测 | 3d辽宁独胆王 | 3d试机号开机号今天查询排五 | 福彩3D独胆团队必中最新 | 3d预测最准确的专家 | 今天3d马后炮解太湖字谜汇总 | 于海滨专家预测3d两吗 | 3d今日专家精准推荐号 | 3d开机号试机号今天开奖号 | 3d下期预测最精准的一注号码 | 太湖字谜3d和值谜 | 于海滨3d最新预测 | 于海滨今日杀码图最新 | 今日3d预测专家推荐 | 3d开心毒胆独胆王 | 苦命人3d推荐一注 | 3d太湖字谜总汇总(正版) | 独胆王三天计划 | 3d开机号,试机号,金码号,对应码100 | 今天3d专家推荐重点号码 | 3d詹天佑预测分析牛彩网 | 3d专家预测推荐号码 | 3d推荐号今晚专家预测 | 3d预测专家推荐 | 今天3d开机号试机号牛彩网 | 3D独胆明日精准预测 | 3d今晚预测直选一注 | 福彩3D独胆高手分析 | 3d打一个独胆中了多少钱 | 今日3d太湖字谜三字诀试机号 | 3d和值基本走势图 | 3d双胆大师今天 | 于海滨3d预测号 | 3d独胆公式133x2 | 3d藏机图正版藏机图全图牛彩网 | 3d推荐最新最准专家预测 | 孟庆会老师3d预测今天 | 3d各路专家预测汇总大全最新 | 三d预测专家 | 3d今晚专家预测推荐号 | 3d独胆双胆| 3d太湖解字谜 | 3d字谜图谜总汇全图汇总 | 3d专家预测最准确最新今天 | 3d最精准专家预测汇总今天 | 3d免费精准直选三注 | 今日3d专家预测号码推荐 | 3d今天千禧试机号关注号金码 | 3d今晚和值是多少 | 3d今晚开奖号码多少 | 3d走势图专业版(带连线) | 3d试机号开机号近50期 | 3d专家预测最准最新今天 | 3d千禧开机号试机号关注金码对应码 | 北斗3d今日专家预测推荐 | 3d钱王老头给胆点评 | 3d今天开机号试机号金码关注号 | 于海滨3d预测免费 | 陈华今晚就赌一个胆今天最新更新内容 | 3d和值尾振幅走势图50期 | 成功路上3d双胆独胆 | 3d开机号试机号码牛彩网 | 3d最新准专家预测 | 今天3d太湖钓叟字谜三字诀 | 3d直选一注50倍单挑 | 太湖解太湖3d字谜 | 福彩3D独胆老师走势最新 | 3d于海滨预测预测牛彩网 | 3d百个位差值振幅走势图100期 | 3d组选中一注多少钱 | 3d今天中了多少注直选 | 今天3d开机号和试机号码是多少 | 孟庆会专家3d预测 | 3d最准确预测专家 | 徐文轩3d预测推荐 | 于海滨专家预测3d两吗 | 3d彩报图今天的第五版 | 3d千禧开号试机号关注金码对 | 3d今晚最准专家推荐号 | 3d今晚专家推荐预测重点号码 | 3d今晚预测开奖号码 | 3d钱王点评 | 3d预测最准最新牛彩网 | 小胆神玩毒胆我3d | 一代女王决杀两胆免费观看 | 于海滨点评专家一注定胆保真版162期 | 三d便民字谜图谜总汇 | 今晚3d专家预测精选一注 | 3d每天都有开奖吗 | 3d今晚中奖号是多少 | 3d专家推荐最精准的号码 | 钱王点评钱王老头预测 | 3d今晚专家预测最准确一注 | 3d专家预测最准确最新今晚预测 | 3d今晚专家预测推荐 | 3d专家预测推荐号码 | 3d今晚最精准一注一注 | 3d定百位一个号多少钱 | 3d预测最准专家预测牛彩网 | 3d于海滨预测预测牛彩网 | 最准3d预测专家推荐号 | 3d专家今天推荐号 | 3d精准预测最准的专家直选 | 3d今天专家预测最准确 | 今日3d字谜太湖钓叟字谜正版 | 福彩3D独胆下期推荐精准预测 | 3d最新最准专家预测号码 | 三天计划3d独胆必出论坛 | 3d必中永久直选500注大底 | 3d必中永久直选500注大底 | 3d金胆王 | 今日太湖字谜3d总汇 | 3d今天专家预测号码 | 3d独胆专家预测 | 苏会文3d预测今天推荐 | 3d晚秋和值谜字谜图 | 小红人的三天计划今天是什么 | 3d今晚专家预测最准确一注 | 3d今晚必中一注一注 | 3d今天最新最准专家预测最 | 今晚3d预测推荐一注 | 龙彩居士3d预测今天最新版 | 3d今天开机号和试机号322 | 3d牛彩图谜字谜总汇九 | 高手看3d经典独胆组合 | 《天才计划》三天计划独胆3d | 今天3d字谜3d一句定三码3d和值谜 | 3d最准的独胆毒胆独胆 | 3d杀码专家杀码最精准 | 3d专家最新最准专家预测汇总 | 3d彩界精英独胆双胆 | 开奖结果3d今天晚上 | 3d开机号,试机号,金码号,对应码100 | 今日3d太湖字谜三字诀试机号 | 今天的3d开机号试机号 | 3d预测推荐汇总牛彩网采摘收集 | 3d十大专家杀一码汇总 | 3d定胆准确率100 | 3d研究生双胆王 | 3d试机号今天晚上金码92期 | 3d预测专家推荐号码推荐 | 孟庆会老师3d预测彩吧图库今天 | 3d专家预测最准确最新今天牛彩 | 今日精准预测推荐3d号码 | 3d试机号近10期(模拟) | 3d计算机开机号夏天推荐 | 今日3d钱王点评 | 3d今天开机号和试机号是多少 | 3d开机号和试机号金码关注对应号 | 3d专家推荐最新预测 | 今天3d开机号和试机号多少? | 3d独胆王精准100% | 3d直选一注50倍单挑 | 3D独胆大神杀号最新 | 3d于海滨预测预测牛彩网 | 今日3d藏机图正版藏机图134 | 3d专家预测最准确今天 | 近30期3d开机号和试机号 | 3d牛彩网专家预测 | 3d今天开机号试机号3 | 3d研究生双胆王 | 今日正版3d藏机图全部汇总 | 3d今天千禧试机号关注号金码 | 詹天佑3d分析推荐 | 今天3d开机号 试机号是多少 | 3d今晚开机号试机号金码关注码今天 | 今天3d开机号试机号对应码列表 | 3d推荐号今晚专家预测 | 3d推荐号今晚专家预测最准确 | 万能6码走势图 | 3d今晚上必出号 | 3d今晚专家推荐号 | 神龙毒胆王今晚给胆 | 3d北斗专家北斗预测今天079期3d | 3d字太湖叟字谜 | 3d最准一个独胆毒胆 | 马后炮解3d太湖字谜 | 3d太湖字谜汇总今天 | 3d基本走势图表完整版 | 3d开机号试机号近100期开奖号码 | 3d免费专家预测推荐今天最新 | 毒胆牛人三天计划必出 | 一定牛3d杀码 | 3d今天开机号和试机号是多少 | 3d和值谜汇总大全 | 于海滨3d预测免费 | 十拿九稳预测分析 | 3d今天最准专家预测 | 3d专家预测最准最新今天 | 3d 今天 试机号开机号3 | 3d专家预测最准确最新今天牛彩 | 3d专家今天预测汇总 | 排五近100期开奖号结果 | 3D独胆下期预测 | 3d带连线专业版走势图表 | 3d今天专家预测最准确 | 于海滨海3d专家预测 | 唐龙点评每日一胆龙 | 于海滨专家一语定胆十每日 | 3d推荐号今晚专家预测 | 3d长中剑客预测今天 | 3d今晚推荐号 | 3d预测专家最准确 | 3d开机号试机号30期列表彩宝网 | 3d预测专家准确推荐 | 于海滨最新3d预测今天 | 3d天地杀码图 | 3d六码组三多少钱一注 | 中国福彩3D独胆下期推荐推荐最新 | 于海滨海3d预测牛彩网 | 今天买哪三个号码好 | 3d小红人三天计划 | 3d最精准的专家预测精选 | 中国杀码王绝杀 | 今天3d字谜3d一句定三码3d和值谜 | 于海滨最新预测今天 | 3d十位单选振幅走势图 | 3d试机号后专家预测汇总 | 预测3d今晚开奖号 | 今晚3d专家推荐号码是多少 | 3d2025322期太湖字谜 | 3d今天专家预测推荐号码 | 3d牛彩网试机号后专家预测汇总 | 今天3d太湖钓叟三字诀字谜 | 于海滨今天预测 | 唐龙点评3d预测 | 今天龙头凤尾预测 | 3d字谜历史记录 | 今晚3d开奖号走势图 | 3d专家预测最新最准推荐 | 福彩3D独胆内部杀号 | 于海滨3d预测今天 | 最准3d专家预测推荐 | 今天最新3d开机号试机号关注码 | 今晚3d推荐号码是多少 | 3d北丐七爷独胆 | 3d下期预测最精准的一注号码 | 3d今晚预测最准确一注 | 今日3d太湖字谜三字诀洞庭游侠 | 今天3d金码试机号对应码开机号 | 3d开机号和试机号码牛彩网 | 3d太湖钓叟字谜汇总正版藏机图 | 3d陈华今晚就赌一胆o11预测 | 中国福彩3D独胆最新必中最新 | 中国福彩3D独胆独家必中最新 | 3d军长独胆定位 | 3d专家最新最准专家预测汇总 | 3d今天最新最准专家预测最 | 3d农村小伙子最新预测 | 于海滨海3d专家预测今天 | 于海滨今日杀码图 | 今天3d牛彩网专家预测 | 3d北斗专家北斗预测今天079期3d | 3d专家今日推荐号码 | 3d静态版预测静态版 | 3d今晚专家推荐预测重点号码 | 3d预测最新最准确号码 | 3d预测今天更准 | 3d专家解太湖字谜汇总 | 3d太湖钓叟字谜三字诀 | 财神爷独胆三天计划,就这么牛 | 3d最准确的预测方法 | 3d今晚和值推荐 | 飞向阳光龙头凤尾今天最新消息 | 3d今晚专家预测最准确号码 | 最准的3d专家预测 | 3d推荐号今晚专家预测 | 3d预测专家最准确 | 试机号开机号金码关注号对应码3d | 排三杀码专家定位杀码天齐网 | 3d走势图专家推荐号码 | 3d藏机图正版藏机图全图牛彩网 | 今于海滨3d预测今天牛彩网 | 3d今天最准专家预测 | 3d杀码百位十位个位 | 3d预测詹天佑最新 | 3d预测专家推荐最新 | 3d今天专家推荐 | 3d专家预测最新推荐 | 3D独胆团队精准预测最新 | 3d之家双胆独胆预测 | 今于海滨3d预测今天单线联系 | 于海滨3d预测专家今天 | 专家预测3d号码准确 | 3d八哥图库总汇d字谜图谜总汇大全 | 3d今日开机号和试机号及关注码 | 李明启3d最新预测今天 | 张克永专家3d预测 | 3d千禧试机号开机号对应码关注号 | 3d推荐号今晚专家预测最准确 | 最新3d预测专家预测 | 太湖钓叟三字诀字谜解释总汇 | 中国福彩3D独胆老师分析最新 | 3d于海滨杀码图 | 今于海滨一语定胆保真今天 | 3d今晚预测准确的专家预测 | 两天双胆计划王 | 3d专家预测更准确今天 | 今晚3d一注直选 | 今天最新3d开机号试机号关注码 | 3d独胆双胆专家预测网 | 3d预测号最新最准牛彩网 | 3d千禧试机号关注码金码今天晚 | 今晚3d一注50倍 | 3d预测今晚最准专家预测号码 | 3d字谜总汇今日3d字谜总汇牛彩网 | 今天3d推荐号码今晚预测 | 太湖字谜三字诀论坛 | 3d两胆必出方法 | 3d专家最新最准专家预测汇总 | 今天3d开机号和试机号多少 | 3d跨度金木水火土五行走势图 | 排3太湖钓叟字谜三字诀 | 于海滨3d预测专家今天 | 正版真精华布衣天下今天推荐号码 | 3d双胆独胆推荐 | 于海滨海3d专家预测今天 | 3d计算机开机号夏天推荐 | 3d今晚惊天一注预测 | 3d百个位和值尾走势图 | 3d往年历史今天开奖结果 | 马到成功杀两码最新版本更新内容 | 今晚3d最准专家预测号 | 陈华3d今晚就赌一个胆天齐网 | 于海滨3d预测今天 | 3d字谜太湖钓叟三字诀17500 | 中国彩吧更一懂彩民最新版本更新时 | 太湖解3d字谜汇总 | 3d字谜总汇今日3d字谜总汇牛彩网 | 三d双胆独胆 | 3d专家预测最准今天 | 今天3d开机号试机号对应码列表 | 于海滨点评专家一语保真 | 3d今晚最准专家推荐号 | 于海滨海3d预测今天 | 3d詹天佑最新预测今天 | 3d三胆推荐 | 3d中国准神双胆 | 3D独胆实时必中最新 | 三d预测专家最新推荐 | 准香港3d漫画资料 | 詹天佑3d今天最新预测 | 福彩3D独胆今晚走势最新 | 今天专家推荐号码3d | 近1000期3d开奖结果 | 3d最精准一注 | 3d十大专家双胆预测汇总 | 3d预测专家最准确 | 今天晚上的3d开奖结果 | 3d预测专家最准确今天 | 3d和值振幅走势图带连线坐标 | 排五开机号试机号今天查询 | 今天3d专家推荐重点号码 | 3d直选100%中奖绝技 | 3d最准预测| 牛彩网专家汇总汇总3d | 3d今天专家预测推荐号码 | 3d今日预测推荐号 | 牛人独胆二天计划 | (暴富密码)绝杀两码预测 | 3d最精准的专家预测 | 3d必中永久直选500注大底 | 3d和值基本走势图 | 3d字谜财神一语定一注 | 3D独胆老师命中率 | 3d预测号专家预测 | 神仙姐姐独胆一个 | 3d直选开奖结果 | 3d农村小伙子最新预测 | 3预测,3d专家预测,最准确今天彩网 | 3d今晚预测最准确一注今天 | 3d专家预测号码推荐今天 | 3d今晚必中一注一 | 3d今晚专家预测 | 3d中国准神双胆 | 3d预测最准确的专家预测软件 | 三d预测专家预测今天最新 今于海滨3d预测 | 詹天佑3d点评预测 | 3d太湖17500字谜| 3d直选开奖结果 | 3d十位走势图振幅 | 3d牛彩网试机号后专家预测汇总 | 3d最小值振幅走势图3之家 | 今于海滨一语定胆保真今天 | 《中国杀码王》3d | 今天3d牛彩网专家预测 | 今天3d专家预测汇总 | 3d今天开机号和试机号码 | 3d字谜财神一语定一注 | 今天3d专家预测号码 推荐 | 3d预测最准确专家预测牛彩网 | 3d试机号近10期(模拟) | 3d独胆王定位独胆定位 | 3d今晚开奖号码多少 | 三d历史走势图 | 今天3d精选一注 | 3d十大专家汇总精选一注 | 3d走势图专家推荐号码 | 3d今晚试机号是多少查询 | 3d和值尾振幅走势图3d之家 | 3d最准专家预测号 | 3d今天晚上预测最准专家 | 福彩3D独胆老师精准预测 | 3d专家预测推荐汇总 | 3d预测最准最新准专家预测号码 | 3d和值走势图(带连线图) | 3d今天开机号,试机号 | 牛彩网专家汇总汇总3d | 3d试机号开机号今天晚上金码号 | 3d最精准的专家预测精选 | 今天3d开机号和试机号对应金码 | 3d今天开机号试机号对应码关注码 | 3d和值25点有哪几注 | 于海滨3d免费预测最新的 | 3d直选一注 | 陈华3d今晚赌独一胆天齐网 | 廊坊鸿运3d最新预测 | 3d专业版(走势图带连线) | 助赢计划软件免费版下载安装 | 3d藏机图正版藏机图太湖字谜 | 3d和值最近(500)期走势图 | 十拿九稳十大专家预测汇总最新一期 | 中国福彩3D独胆老师分析最新 | 福彩3D独胆当天分析最新 | 3d胆王专家定十位 | 3d开奖号走势图表 | 福彩3D独胆老师分析最新 | 3d和值尾振幅走势图彩宝贝 | 铁人铁胆3d包星定位最新今天 | 3d今天最准专家预测 | 3d最精准专家预测汇总今天 | 3d杀码高手 | 3d跨度五行走势图3d之家 | 3d开奖号码结果 今晚 | 千禧3d试机号金码关注码码关注码双彩论六个 | 独胆王三天计划 | 3d太湖字谜三字诀 | 天才计划三天计划独胆 | 3d胆王双胆独胆 | 3d詹天佑最新预测 | 3d预测推荐汇总牛彩网采摘收集 | 3d的预测号是多少 | 故事小王p3双胆必下 | 3d今晚必中一注一注 | 今天3d千禧试机号关注号金码号 | 今晚3d一注直选 | 3d走势图带连线图表 | 3d今天的试机号开机号是多少 | 3d专家预测最准 | 3d最准确的专家预测 | 下一期专家推荐号码 | 中国福彩3D独胆实时必中最新 | 3d断组今晚全部 | 今晚3d预测最准一注 | 3d专家今天推荐号码推荐 | 今晚试机号多少3d | 于海滨点评专家一注定胆保真版 | 3d今天专家预测推荐号码 | 3d今晚开机号试机号金码关注码今天 | 3d彩吧图库手机牛彩网 | 3d单选一注能中多少钱 | 3D独胆老师分析 | 3d最准的预测专家 | 3d于海滨上的今天预测保真 | 今晚3d推荐号 | 今晚3d开机号试机号金码 | 3d专家预测最准今天 | 3d上下五千年专家预测 | 牛彩网3d预测 | 3d专家预测最新推荐 | 3d最精准的专家预测 | 3d预测最准预测号 | 天才计划三天计划独胆 | 3d今天专家预测号码最准确 | 詹天佑最新预测 | 3d精准预测| 三d字谜总汇大全 | 3d十位胆方法100准确 | 今晚3d预测最准一注 | 97654天中图库,今天晚3d试机号 | 3d预测推荐汇总牛彩网采摘收集 | 3d专家预测最准确最新今天牛彩 | 3d太湖老情人字谜图谜 | 3d推荐一注 | 3d和值和尾走势图带连线图表 | 3d于海杀码图 | 3d今晚上推荐号码 | 3d预测号码最准确专家预测 | 专家推荐一注6+1 | 3d打一个独胆中了多少钱 | 于海滨3d专家预测 | 太湖字谜钓叟3d字谜 | 排三王牌小哥独胆 | 于海滨海3d预测今天 | 小红人的三天计划今天是什么 | 今天专家推荐号码3d | 铁娘子三天计划独胆必下300 | 3d双胆神算今天必下 | 自创3d绝杀四码方法细节 | 3d字谜汇总大全总汇大全 | 中国福彩3D独胆当天预测最新 | 3d试机号后专家预测推荐汇总 | 福彩3D独胆当天分析最新 | 3d小鱼图今日背面字谜 | 今晚3d一注50倍 | 3d今天开机号试机号200期 | 今于海滨3d杀码 | 3d最准专家预测方法 | 唐龙3d预测今日出号点评 | 3d今晚专家预测 | 今晚3d预测推荐一注 | 于海滨海3d专家预测今天 | 太湖3d字谜太湖钓叟三字诀 | 最新3d预测专家预测 | 3d今晚预测直选一注3d一注预测 | 3d专家预测最准确今天3d | 中国福彩3D独胆实时推荐 | 3d今晚最准最新专家推荐号 | 3d手机预测牛彩网 | 3d基本走势图全部 | 3d今天的试机号和开机号 | 3d太湖钓叟字谜汇总正版藏机图 | 6+1专家预测号 | 福家老三3d推荐号 | 三天计划3d独胆必出论坛 | 3d彩皇网 | 千禧之年3d开机号试机号金码关注 | 3d开机号和试机号30期列表 | 3d今晚上必出号推荐组 | 3d中奖多少钱一注 | 唐龙点评3d预测今天 | 3d紫云涧专家预测推荐 | 三d字谜总汇大全 | 3d最新最准专家预预测 | 今晚快乐八专家预测推荐号 | 3d预测最准的专家 | 詹天佑3d今日预测 | 三七进二得三码猜一生肖 | 3d单选一注能中多少钱 | 3d试机号牛彩网近三十期 | 3d开机号今天近100期南方查询 | 今天3d金码试机号对应码开机号 | 3d专家预测牛彩网 | 今晚3d专家推荐重点号码 | 3d预测一注号推荐 | 今日精准预测推荐3d号码 | 今于海滨3d预测今天牛彩网 | 3d十大专家汇总精选一注 | 中国福彩3D独胆内部走势最新 | 千禧3d试机号金码关注码码关注码双彩论六个 | 中国福彩3D独胆内部杀号 | 3d预测最准的专家预测 | 3d今日开机号和试机号及关注码 | 3d千禧试机号和金码关注 | 今晚3d专家推荐号码是多少 | 唐龙预测一胆今天 | 3d最精准专家预测汇总今天 | 3d千禧金码试机号关注码开奖号 | 于海滨海3d预测今天 | 于海滨点评专家一注定胆保真版162期 | 于海滨3d预测今天 | 3d今天开机号试机号3 | 3d专家推荐今天 | 3d双飞怎么买多少钱一注 | 于海滨海3d预测今天 | 3d今天开机号和试机号码727 | 3d杀码图 | 3d今日推荐号 |