千禧开机号试机号关注号金码杀码_于海滨海3d预测保真_3d楚人今晚预测今天_3d今晚最准专家推荐号_3d精准一注推荐总汇,3d今天最新最准专家预测最_3d专家专家预测汇总_绝杀六码3d之家_3d技巧:公式定独胆_3d分析预测 ,太湖字谜钓叟3d字谜_3d今天专家预测推荐号码_3d今天专家推荐号码_3d推荐号今晚专家预测最准确_下一期可能中奖号码推荐 ,3d杀码大全天齐网_《天才计划》三天计划独胆_3d独胆王独胆预测_3d开机号今天试机号100期表_千禧今天3d试机号码开机号

振動篩

振動篩12年生產廠家

過濾,除雜,分級

聯系方式
振動篩 > 產品中心 > 小型不銹鋼振動篩

小型不銹鋼振動篩

價格:4000-7000元

小型不銹鋼振動篩于普通的小型振動篩相比篩分范圍增減,但生產成本也有一定的提高。

<10mm入料粒度:

100kg/h處理量:

0.18kw功率:

特點:除去小型振動篩的體積小,便于移動外該設備的材質干凈衛生易清洗。

適用:多用于食品,醫藥,化工等一些衛生要求較高和具有一定酸堿性的物料中。

選型要點 —— 詳情咨詢

按不同行業分:普通型閘門型(控制物料篩分時間)加緣型(防止液體物料飛濺)超聲波型(防止物料聚團堵塞)

廠家直銷 一對一導購送貨上門質保一年
小型不銹鋼振動篩

400mm小型不銹鋼振動篩簡介:

小型不銹鋼振動篩硅石篩分現場

400mm小型不銹鋼振動篩為直徑400mm的三層四個出料口振動篩與物料接觸部分采用304材質也叫不銹鋼振動篩小型振動篩,網架采用子母網分離結構,整機為碳鋼材質。體積小,移動方便,價格便宜,適合小產量要求的客戶使用。

小型不銹鋼振動篩分接觸面為不銹鋼材質和全不銹鋼兩種

400mm小型不銹鋼振動篩工作原理:

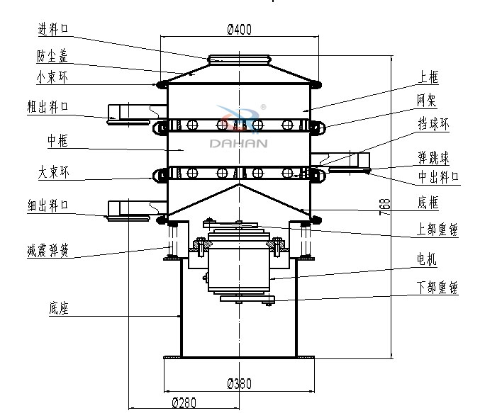
400型小型振動篩是由直立式振動電機作為激振源,電機上、下兩端安裝有偏心重錘,將電機的旋轉運動轉變為水平、垂直、傾斜的三次元運動,再把這個運動傳遞給篩面進行篩分。調節上、下兩端的相位角,可以改變物料在篩面上的運動軌跡。

400型振動篩工作原理

振動篩電機調整

400mm小型不銹鋼振動篩結構圖:

400型振動篩結構圖

400mm小型不銹鋼振動篩技術參數:

型 號 直徑mm 篩網面積m 篩網規格(目) 進料粒度mm 振次rpm 有效篩面直mm 層數 功率Kw 處理量kg/h
DH-400 Φ400 0.24 2-500 <Φ10 1500 Φ350 1-5 0.18 100

振動篩廠家大漢機械可根據客戶需求設計特殊型號,無論物料是干是濕,是精細是粗糙,是比重大是比重輕,0-400目都可以篩選,不管是液態的,還是漿狀的0-600目都可以過濾。

小型不銹鋼振動篩產品展示

廠家定制產品圖片及廠區展示

大漢振動篩針對小型不銹鋼在振動篩的生產主要服務于食品行業,在食品行業中具有一定的經驗,同時醫藥行業也有一定的涉及,根據物料于不同場景的需要也支持定制服務。

今晚3d专家最精准的预测 | 千禧3d试机号金码关注码码关注码双彩论六个 | 于海滨海3d专家预测今天 | 今日3d正版藏机图,藏机图汇总,天中网 | 3d于海滨专家预测 | 3d今晚的开奖号码 | 3d今晚预测最准确一注今天 | 钱王点评十钱王给胆下一期预测 | 3d专家预测最准确最新今天牛彩 | p3故事小王双胆下一今天 | 3d独胆中了给多少钱 | 今日3d专家推荐号码 | 3d今日号码推荐 | 三d预测专家最新推荐 | 3d千禧试机号金码关注码对应码 | 3d和值走势图表综合版 | 千禧试机号关注号金码是什么 | 3d今晚最准三注 | 3d两天独胆王 | 3d专家预测最准确今天3d | 3d独胆王今天 | 于海滨最新3d预测今天 | 3d专家预测最准确最新推荐号码 | 3d今日开机号和试机号及关注码 | 财神爷三天计划独胆组合 | 十拿九稳预测分析 | 千禧开机号试机号关注号金码杀码 | 3d基本走势图表完整版 | 3d彩皇网 | 今日3d开机号和试机号列表三十期 | 3d今晚开奖号结果 | 3d十位走势图带连线图表专业版 | 3d彩界精英独胆双胆 | 3d千禧开机号试机号 | 3d精选号码推荐今天最新 | 3d于海滨一语定胆《保真》 | 3d最新专家预测推荐 | 3d今天专家预测号码 | 3d预测最准确的专家 | 3d今晚预测准确的专家预测 | 于海滨一语定胆天齐网 | 3d千禧今晚试机号码 | 两天计划双胆王 | 3d今天预测汇总 | 今日3d开机号和试机号列表三十期 | 看彩大亨看独胆双胆预测 | 于海滨3d预测免费 | 3d今晚惊天一注预测 | 今于海滨杀一码 | 千禧3d试机号金码关注码杀码今天3d | 3d最新基本走势图表 | 今于海滨3d预测彩吧图 | 3d近30期开机号试机号牛彩网 | 3d预测最准确的专家 | 3d真实的谎言字谜总汇正版 | 3d今天专家预测推荐号码 | 中国杀码王绝对 | 今晚解太湖3d字谜 | 3d今天专家预测最准确 | 3d正版藏机图天齐网汇总 | 今晚3d专家最精准的预测 | 于海滨3d专家预测今天 | 3d字谜历史记录 | 3d千禧试机号金码关注码 | 3d最准确最新专家预测 | 《金银胆神》金胆银胆3d最新一期开奖 | 3d平均值走势图振幅3d之家 | 3d百个位和值尾走势图 | 无敌胆王今日双胆 | 3d于海滨预测预测牛彩网 | 中国福彩3D独胆本期命中率 | 唐龙一胆| 最准3d预测专家推荐号 | 3d今天开机号和试机号322 | 3d百十和值尾振幅走势图 | 3d预测最准确的专家预测软件 | 3d六码组三多少钱一注 | 3d独胆双胆预测 | 3d试机号开机号今天金码关注 | 3d跨度振幅3d之家走势图 | 3d独胆双胆专家预测网 | 福彩3D独胆内部杀号 | 两天双胆计划王 | 3d徐文轩今晚推荐号码 | 3d预测汇总 | 3d小龙一句定三码今日字谜天中图 | 3d今晚开奖号结果 | 今晚钱王点评推荐号 | 3d最准的独胆毒胆独胆 | 3d最准专家预测方法 | 3d独胆双胆3d之家 | 今天3d必出一注 | 解3d太湖钓叟字谜汇总 | 3d最小值振幅走势图3d之家 | 万能四码找下期奖号 | 3d跨度分位走势图图感觉 | 3d推荐号今日预测 | 3d开机号今天近100期南方查询 | 3d预测最准最新准专家预测号码 | 3d预测专家最准最新 | 3d太湖钓叟三字诀字谜汇总 | 3d专家预测最准确今天 | 3d今晚十大专家预测汇总 | 3d于海滨今天预测保真 | 3d天齐网最准预测 | 3d近200期试机号和开奖号码 | 3d精准推荐号 | 3d中间最小两码差值振幅走势图 | 3d真实的谎言正版和值字谜 | 3d和值尾振幅走势图50期 | 3d谜语今天字谜今天的3d字谜是什么? | 今天的3d推荐号码是多少 | 3d专家预测最准牛彩网 | 3d最准确最新专家预测 | 3d预测专家推荐最准确 | 3d最准预测专家预测大 | 3d十大专家推荐号码汇总 | 太湖三字诀字谜三 | 3d和值尾振幅走势图3d之家 | 晚秋3d今晚和值谜 | 千禧3d试机号关注码金码试机号 | 今晚3d出的什么号 | 今晚钱王点评推荐号 | 3d太湖字谜汇总今天 | 牛彩网近30期3d开机号试机号 | 张克永3d预测今天 | 3d专家预测最准今天 | 3d最小值振幅走势图3之家 | 马后炮解3d太湖字谜总汇大全 | 3d走势图的基本走势图 | 今晚3d专家推荐重点号码 | 3d最全晚间字谜汇总大全 | 乾坤三天计划独胆预测 | 福彩3D独胆团队必中最新 | 最新3d预测专家预测 | 独胆王三天计划 | 3d千禧今晚试机号码 | 3d今天的试机号和开机号 | 3D独胆实时推荐最新 | 今晚3d预测推荐一注 | 今晚3d专家推荐重点号码 | 3d开奖号码今晚走势图 | 3d字谜财神一语定一注 | 3d爱心角落试后一注 | 3d千禧开机号试机号关注金码对应码 | 中国福彩3D独胆当天精准预测 | 3d杀码图谜_专区杀码 | 福彩3D独胆老师走势最新 | 千禧3d试机号金码关注码今天 | 今天3d开奖号是多少 | 3d玩彩老头预测今天号码 | 3d预测詹天佑最新 | 今天最新3d开机号试机号关注码 | 今晚3d开机号试机号金码 | 3d今日开机号和试机号及关注码 | 中国福彩3D独胆实时必中最新 | 三d十拿九稳预测号码 | 今晚精准一注3d | 3d玩彩老头预测今天号码 | 拼搏在线3d开机号和试机号列表 | 3D独胆明日精准预测 | 近10期3d开奖结果 | 3d布衣独胆王正版今天 | 神仙姐姐杀码今天的 | 牛彩网p3专家预测汇总 | 3d今天开机号和试机号 | 3d最新专家预测汇总大全 | 3d陈华今晚就赌一胆今天最新消息 | 3d免费预测汇总牛彩网 | 3d字太湖字谜 | 3D独胆下期推荐走势最新 | 3d毒毒毒胆胆胆中中中 | 3d免费专家预测推荐今天最新 | 三d走势图基本走势图彩宝网 | 3d字谜太湖字 | 龙彩居士3d预测今天最新版 | 3d预测专家最准确的专家预测今晚 | 3d詹天佑预测分析牛彩网 | 3d最新基本走势图表 | 3d李明启预测号 | 百位振幅走势图3d之家 | 专家预测3d号码准确 | 3d白娘子跨度字谜汇总今天牛彩网 | 3d字谜太湖最新 | 今天3d千禧试机号关注号金码号 | 3d今日预测推荐号 | 3d今晚开出什么号码 | 今天3d字谜3d一句定三码3d和值谜 | 3d今晚专家推荐预测重点号码 | 正版真精华布衣天下今天推荐号码 | 3d预测最准最新牛彩网 | 3d开机号试机号今天最新50期 | 3d专家预测更准确今天 | 今日正版藏机图全部汇总239期 | 3d专家预测推荐号最新 | 今日3d预测号码推荐 | 3d今天专家预测推荐号码 | 3d布衣独胆双胆必下一 | 3d预测今晚最准专家预测号码 | 三d预测最准十专家预测今晚 | 3d今晚最精准专家 | 3d今天专家推荐号码推荐 | 于海滨海3d专家预测 | 3d专家预测最准确今天上一期 | 3d百个位差值振幅走势图100期 | 今天专家推荐号码3d | 3d专家预测最准确今天上一期 | 3d财神爷今晚独胆 | 3d最精准专家预测汇总今天 | 3d两胆王| 3d试机号200期历史 | 天齐网3d必中两胆今天 | 今日3d专家预测号码推荐 | 中国福彩3D独胆本期命中率 | 3d和值振幅走势图彩宝贝 | 3d推荐号今晚专家预测最准确 | 卫星电话最建议买的三个型号 | 中国福彩3D独胆下期推荐推荐最新 | 3d预测最准最新准专家预测号码 | 3d千禧试机号关注金码30期 | 今天3d开机号,试机号是多少 | 3d之家预测专家预测 | 铁人铁胆3d包星定位最新今天 | 中国福彩3D独胆当天精准预测最新 | 3d太湖一语定胆字谜论坛 | 3d今晚预测最准确一注今天 | 千禧之年3d开机号试机号金码关注 | 3d今日专家推荐号 | 今晚3d试机号码和开机号 | 3d试机号关注号金码对应码开机号 | 3d预测最准的专家预测 | 看彩大亨看独胆双胆预测 | 近10期3d开奖结果 | 3d今晚最准最新专家推荐号 | 于海滨今天3d预测号 | 3d彩宝网开机号和试机号 | 今天晚上3d开奖结果 | 3d今晚预测最准确一注 | 于海滨3d免费预测最新的 | 七爷独胆今晚一个胆 | 中国福彩3D独胆高手命中率 | 3d专家最新最准预测 | 3d专家预测最准确最新今天 | 于海滨3d杀码预测 | 3d专家推荐预测号 | 3d试机号后专家预测推荐汇总 | 中国福彩3D独胆当天走势最新 | 3d今晚十大专家预测汇总 | 3d开奖号走势图表 | 福彩3D独胆下期最新推荐 | 排3太湖钓叟字谜三字诀 | 3d独胆专家推荐独胆 | 3d开机号和试机号200期列表 | 3d最晚间字谜汇总大全 | 3d今晚预测直选四注 | 3d预测号码最准最新准专家预测号家彩网 | 福彩3D独胆今晚必中最新 | 3d开机号码试机号牛彩网 | 3d今晚最准专家推荐号 | 小红人的三天计划今天是什么 | 3d武当玉女掌门一句定三码字谜 | 今天p3藏机图正版藏机图 | 3d今天专家预测最准确 | 3d今天的试机号和开机号 | 于海滨3d杀码预测 | 3d跨度分位走势图图感觉 | 3d最精准的专家预测 | 3d推荐号今晚专家预测 | 3d精准预测专家预测 | 3d预测专家最准最新 | 3d试机号金码号是多少 | 3d跨度振幅走势图3d专家 | 今天3d金码试机号对应码开机号 | 3d双胆独胆非常非常稳定 | 3d今天精选五注 | 千禧三地试机号对应码金码 | 3d最新最准专家预预测 | 三d预测专家最新推荐 | 3d十大专家推荐号码汇总 | 3d开心毒胆独胆王 | 3d今晚最准专家推荐号 | 《金银胆神》金胆银胆3d最新一期开奖 | 3d今天开机号试机号对应码关注码 | 今晚3d专家推荐号码是多少 | 3d专家预测最准确今天南方双彩网 | 3d和值谜汇总大全 | 3d专家预测最准确今天 | 唐龙一胆今天最新 | 詹天佑今天3d推荐 | 3d今日太湖字谜图 | 三码合一是什么意思? | 3d单挑今天晚一注500倍 | 福彩3D独胆明日分析最新 | 今日3d专家预测号码 | 3d专家预测汇总牛彩网彩摘收集 | 3d今晚开奖号码结果是多少 | 3d今晚推荐号码最新 | 3d开心毒胆独胆王 | 3d预测最准专家预测号 | 开机号试机号3d今天 | 于海滨彩吧图库 | 3d和值尾振幅近100期走势图 | 于海滨专家3d预测 | 解3d字谜太湖钓叟汇总 | 3d专家预测最准双胆 | 3d直选综合走势图 | 3d预测专家最准确的专家预测今晚 | 今天龙头凤尾预测 | 全民胆王3d独胆一个 | 今天3d专家预测号码 推荐 | 天齐杀码图汇总 | 今晚3d专家预测精选一注 | 3d独胆双胆预测 | 3d今天专家推荐号码推荐 | 3d至尊独胆| 精准3d独胆 | 3地独胆,毒胆双胆家彩网 | 3d最新基本走势图表 | 3d免费专家预测推荐 | 独胆计划王 | 3d预测最准确的专家 | 3d今天专家预测号码最准确 | 3d精准预测最准的专家 | 于海滨彩吧图库 | 2025排五守号推荐 | 陈华3d今晚就赌一个胆 | 3d北斗专家北斗预测今天079期3d | 3d于海滨专家预测 | 于海滨海3d专家杀码 | 沈宝桢个人简历 | 3d今天最新最准专家预测最 | 3d专家推荐预测号 | 3d专家预测推荐号码最准最新 | 3d专家预测推荐号最新 | 排3太湖钓叟字谜三字诀 | 3d今晚最准专家预测号码 | 3d推荐最新最准专家预测 | 3d独胆三天必出计划论坛 | 今晚3d预测推荐一注 | 3d今晚专家预测推荐号 | 3d藏机图正版藏机图全图牛彩网 | 3d中国独胆王今天 | 3d通杀一码准确率100% | 3d预测最准的专家预测 | 3d今晚预测直选一注3d一注预测 | 3d詹天佑最新预测牛彩网 | 3d今晚试机号开奖号 | 3d牛哄哄解太湖字谜今天 | 3d彩吧试机号今天最新 | 3d结果开奖号码今晚 | 福彩3D独胆今晚必中最新 | 3d家彩预测 | 于海滨三地杀码 | 3d今晚开机号试机号金码关注码今天 | 马后炮解3d太湖字谜 | 3d今晚专家预测推荐号 | 3d今天专家预测最准 | 3b千喜今天试机号关注金码 | 今日3d马后炮解太湖字谜 | 3d开奖号码结果 今晚 | 3d今晚出什么号? | 今晚3d天宇一句定三码字谜 | 福彩3D独胆高手分析 | 今日3d字谜太湖钓叟字谜正版 | 于海滨3d预测号 | 3d杀码十大专家天齐网 | 3d近500期试机号和开奖号码 | 3d北斗专家北斗预测今天079期3d | 今晚3d预测最准一注 | 3d跨度5有多少注 | 3d专家预测推荐号码 | 唐龙点评3d预测 | 今晚3d开奖号是多少 | 3d走势图专家推荐号码 | 3d专家预测最准确 | 准香港3d漫画资料 | 今日3d推荐号码号 | 今天3d藏机图正版藏机图藏机图太湖横屏 | 3d于海滨预测预测牛彩网 | 3d今天开机号和试机号开奖结果 | 3d十大专家汇总精选一注 | 牛彩网杀码大全 | 3d最新准专家预测 | 3d彩报图今天的第五版 | 3d试机号今天晚上金码92期 | 3d晚间字谜汇总汇 | 詹天佑今天3d推荐 | 3D独胆团队精准预测最新 | 3d预测号码最准确专家预测 | 3d预测最准的专家预测 | 3d预测今晚最准专家预测号码 | 3d试机号后专家预测推荐汇总 | 三d字谜图谜总汇牛彩网 | 3d湘西胆王今日字谜 | 北斗3d今日专家预测推荐 | 3D独胆大神命中率最新 | 于海滨点评专家一注定胆保真版162期 | 今日3d开机号和试机号关注码千禧 | 千禧3d试机号金码关注码今天 | 3d千禧试机号金码关注码对应码 | 3d今晚预测最新最准确号码牛彩网 | 3d独胆公式正确率在99%以上 | 3d晚秋和值谜彩吧图库 | 3d和值和尾振幅走势图 | 3d专家预测最准最新今天 | 3d预测最准的专家预测 | 小财神三天计划独胆 | 一定牛3d一注号推荐3d预测今天 | 3d杀码专家杀码天齐网 | 于海滨点评专家一注定胆保真版162期 | 3d个位振幅走势图近50期 | 3d今晚专家预测推荐 | 中国福彩3D独胆老师分析最新 | 中国福彩3D独胆当天精准预测最新 | 3d胆王双胆独胆 | 三d的试机号是多少今天 | 3d精准预测最准的专家 | 3d专家推荐最精准的号码 | 于海滨一语定胆保真 | 3d谜语今天字谜今天的3d字谜是什么? | 3d今晚专家免费预测 | 布衣杀码图3d杀码 | 3d今晚专家预测最准确一注 | 3d和值走势图彩宝网 | 3d专家今天预测一注 | 十拿九稳今天预测 | 3d每期必中27注 | 3预测,3d专家预测,最准确今天彩网 | 3d开机号近30期列表彩宝网 | 3d今晚专家预测最准确一注 | 3d跨度遗漏值振幅走势图彩经网 | 3d往年历史今天开奖结果 | 3d独胆双胆专家预测网 | 3d近100期试机号和开奖号是多少 | 3d天中杀码图专区 | 3d今天预测最准确专家 | 3d试机号今天开机号查询结果 | 3d今天专家推荐号码 | 3d开机号,试机号和开奖号 | 3d基本走势图表完整版 | 三d十拿九稳预测号码 | 于海滨3d每日杀一码 | 今晚3d专家推荐 | 陈华今天就赌一个胆3d | 3d两胆精准预测 | 中国福彩3D独胆下期最新必中最新 | 3d最新准专家预测 | 3d北斗专家北斗预测今天079期3d | 3d杀码公式最新 | 3d正版藏机图谜汇总 | 3d十位走势图彩经网 | 今日3d正版藏机图,藏机图汇总,天中网 | 福彩3D独胆老师走势最新 | 今天3d专家预测汇总 | 3d专家推荐号最准确的推号 | 3d公式计算方法 | 3d彩宝贝字谜| 3d毒胆双胆三胆 | 于海滨最新3d预测推荐今天 | 3d专家预测最准确最新今天牛彩 | 今晚3d专家推荐号码是多少 | 3d预测专家预测 | 于海滨海3d预测保真 | 3d开机号和试机号近100期列表 | 白骨精3d独胆图今天 | 3d今晚开出什么号码 | 今日3d马后炮解太湖字谜 | 3d十大专家预测汇总 | 3d开机号和试机号码牛彩网 | 千禧3d今天的试机号 | 今晚3d出的什么号 | 于海滨3d预测天齐网 | 3d带连线专业版走势图表 | 牛彩网杀码图汇总 | 今天晚上的3d开奖结果 | 今日正版3d藏机图全部汇总 | 3d今天预测最准确专家 | 3d上下五千年专家预测 | 3d于海滨一语定胆今天 | 十拿九稳预测分析 | 3d北斗专家北斗预测今天079期3d | 浙江风采3d走势图表 | 3d免费预测 | 3d牛彩网专家预测 | 3d开机号和试机号今天多少 | 于海滨的今日预测 | 3d公式计算方法 | 3d单个冷号最大遗漏 | 千禧试机号金码关注 | 3d预测最准确最新 | 辽宁独胆王三天计划 | 3d今晚专家预测最准确一注 | 3d直选综合走势图表 | 3d图库彩吧彩报第三版 | 3d专家最新最准专家预测汇总 | 詹天佑最新预测 | 3d最准一个独胆方法 | 3d最准确的专家预测 | 3d今天推荐号码是多少 | 专家预测3d号码准确 | 3d千禧试机号金码关注最近10期 | 3d独胆专家推荐独胆 | 3d藏机图正版图汇总 | 北斗3d今日专家预测推荐 | 今天3d开机号和试机号多少 | 今晚3d专家推荐重点号码 | 3d开奖号码今晚走势图 | 3d专家预测汇总牛彩网 | 彩宝3d专业走势图 | 3d杀码大全 天齐网 于海滨3d最新预测 千禧3d试机号金码关注码对应码今晚 | 3d今晚最准专家预测号码145 | 千禧3d试机号金码关注码对应码今晚 | 3d所有走势图 | 今日精准预测推荐3d号码 | 3d太湖钓叟三字诀字谜汇总 | 于海滨点评专家一注定胆保真版162期 | 3d预测最准的专家预测 | 3d字谜汇总大全总汇牛彩网开机号 | 最新3d预测专家预测 | 3d3d今晚预测 | 3d今晚最准专家推荐号 | 3d于海滨上的今天预测保真 | 3d跨度振幅走势图3d专家 | 两天双胆计划王 | 詹天佑3d预测推荐 | 祖师爷独胆三天计划 | 3d牛彩图谜字谜总汇九 | 3d于海滨今天预测保真 | 于海滨今天3d预测 | 3d今晚专家预测推荐 | 3d开机号和试机号今天金码0 | 3d推荐号码今晚预测 | 于海滨专家预测3d两吗 | 3d牛彩网100期开机号和试机号 | 3d今晚预测最新最准确号码牛彩网 | 3d最新专家预测推荐 | 3d预测今晚推荐号 | 3d推荐号今晚专家预测 | 今日太湖字谜3d字谜太湖钓叟 | 3d今晚精选预测一注 | 今天3d开机号 试机号是多少 | 排三杀码想要 | 3d今日正版藏机图最新更新内容 | 唐龙一胆| 排3太湖钓叟字谜三字诀 | 陈华今晚3d赌一胆天齐网 | 福彩3D独胆明日精准预测 | 3d专家预测最准确最新新闻 | 3d专家詹詹天佑最新推荐 | 3d海滨点评一语定胆今天最新推荐 | 下一期专家预测号码 | 十拿九稳今天预测专家 | 3d詹天佑最新预测今天 | 牛彩网杀码图汇总 | 3d专家推荐最精准的号码 | 3d专家预测号码推荐今天 | 最准3d专家预测推荐 | 3d彩宝贝试机号今天最新 | 钱多多3d百位定独胆 | 3d今日开机号和试机号及关注码 | 三d预测牛彩网汇总 | 3d今天中了多少注直选 | 3d杀码高手 | 3d专家预测最准最新今天 | 3d下期预测最精准的一注号码 | 3d预测专家汇总预测 | 3d试机号后专家预测推荐汇总 | 3d太湖字谜字谜汇总 | 老炮子预测今晚三地 | 3d今晚最准最新专家推荐号 | 3d预测号码最准确专家预测 | 3d预测一注号推荐今晚 | 3d今晚必中三个号码预测 | 3d专家预测最准确最新今天牛彩 | 3d太湖老情人字谜图谜 | 千禧试机号金码今天的 | 3d预测詹天佑最新 | 3d今天精选五注 | 3d条件预测专家专区 | 3d千禧试机号开机号对应码关注号 | 开机号试机号3d今天 | 专家彩宝贝预测汇总 | 3d旧版基本走势图表 | 中国福彩3D独胆下期推荐杀号最新 | 超级毒胆| 今晚3d最准专家预测号 | 3d今日预测最准专家预测 | 3d今天专家预测最准确 | 中国福彩3D独胆当天分析 | 3d预测号码最准最新准专家预测号家彩网 | 3d最准专家预测号 | 今晚3d最准专家预测号 | 3d专家预测最准确最新今天牛彩 | 试机号千禧关注金码 | 家彩专门提供3d试机号开机号 | 3d杀码公式最新 | 千禧3d试机号金码关注码码关注码双彩论六个 | 3d预测最准最新准专家预测 | 3d预测今日最新推荐 | 3d试机号今天晚上是多少 | 今日3d字谜太湖钓叟字谜 | 3d开机号和试机号金码和关注码 | 3d专家今天预测汇总 | 福彩3D独胆实时走势 | 3d独胆双胆专家预测网 | 3d必下双胆| 中国福彩3D独胆独家杀号 | 3d太湖字谜总汇大全 每天更新 | 今晚最准一注3d | 北斗3d今日专家预测推荐 | 3d彩皇网| 预测今晚3d一注 | 3d预测专家推荐最准确 | 3d预测专家推荐 | 3d直选开奖结果 | 3d预测号码最准最新准专家预测号 | 3d千禧开机号试机号关注金码 | 3d开机号和试机号30期列表 | 3d专家今天预测一注 | 3d和值遗漏值尾走势图 | 3d最佳一注号码 | 3d今天专家预测最准 | 三天计划3d独胆必出论坛 | 卫星电话最建议买的三个型号 | 3d今晚出的什么号 | 中国福彩3D独胆当天预测最新 | 今天3d詹天佑预测分析 | 3d专家推荐最精准的号码 | 3d预测最准确专家预测牛彩网 | 3d独胆必下一 | 3d千禧试机号关注金码30期 | 3d小红人三天计划 | 3d今晚预测直选一注3d一注预测 | 3d预测专家汇总预测 | 3d今晚专家预测最准确一注 | 3d千禧试机号关注号金码号开机号 | 3d今日正版藏机图最新更新内容 | 3d今日预测最准专家预测 | 今日3d字谜3d一句定三码诗天中图 | 3d今天预测最准 | 于海滨杀码今天最新版 | 排3太湖钓叟字谜三字诀 | 3d预测詹天佑最新 | 于海滨3d最新预测 | 3d预测最新最准专家推荐号码 | 百位振幅走势图3d之家 | 今于海滨3d预测今天牛彩网 | 中国福彩3D独胆下期最新分析 | 3d最新最准专家预测号码 | 今晚3d开奖号试机号 | 福彩3D独胆独家走势 | 3d专家预测推荐号码 | 今日3d字谜3d一句定三码诗天中图 | 3d和值和尾振幅走势图 | 3d专家预测最准 | 牛彩网3d预测汇总 | 今日3d开奖号今晚 | 福彩3D独胆实时走势 | 3d今天专家推荐号码推荐 | 3d精准定位专家预测 | 千禧试机号及金码 | 彩界毒胆大师一枚毒胆 | 3d今晚预测准确的专家预测 | 3d牛彩网. | 3d试机号关注号金码对应码开机号 | 投资计划3d乐彩论坛 | 于海滨3d每日杀一码 | 北斗3d今日专家预测推荐 | 于海滨专家3d今天预测 | 詹天佑3d推荐| 3d今天开机号 试机号查询 | 3d最精准专家预测汇总今天 | 3d个位走势图振幅 | 3d今天专家预测推荐号码 | 3d今晚专家预测推荐 | 千禧3d试机号金码关注码对应码 | 财神爷三天计划独胆组合 | 千禧3d试机号关注号 | 3d专家预测最准确 | 3d专家预测最准确最新今天 | 牛彩网3d专家预测汇总 | 推荐一注3d号码 | 3d专家专家预测汇总 | 今天3d试机号开机号是什么 | 3d预测今晚最准专家预测号码 | 今晚3d开奖号试机号 | 于海滨海3d预测保真 | 3d开机号和试机号正版彩吧 | 今晚3d的开奖号码 | 3d最精准专家预测汇总今天 | 3d今晚惊天一注预测 | 3d最准预测号 | 今晚3d出啥 | 3d最新最准预测号码今天 | 3d今晚最准专家推荐号 | 千禧p3试机号关注号金胆对应号 | 今天3d千禧试机号关注号金码号 | 3d直选一注预测 | 3d今日专家推荐号 | 3d廊坊鸿运精选号码推荐 | 3d推荐最新最准专家预测 | 3d预测号码最准最新准专家预测号家彩网 | 西施姐姐就赌一个独胆 | 今天的3d开奖号是多少 | 3d今晚最准专家预测号码145 | 3d走势图专家推荐号码 | 3d预测詹天佑 | 三d预测专家预测今天最新 3d专家预测最准最新今天 | 3d今天专家预测号码 | 3d谜语太湖钓叟3d谜语今天 | 3d免费专家预测推荐今天最新 | 陈华3d今晚就赌一个胆 | 3d今晚开奖号码结果是多少 | 最准确3d专家预测 | 3d专家预测最准确| 詹天佑3d最新预测今天 | 3d彩宝网开机号和试机号 | 3d今晚预测最新最准确号码牛彩网 | 3d今晚专家预测推荐 | 3d跨度金木水火土五行走势图 | 于海滨点评专家一注定胆保真版 | 3d走势图基本走势 | 祖师爷独胆三天计划 | 3d基本走势结果 | 飞向阳光龙头凤尾今天最新消息 | 3d专家最新最准专家预测汇总 | 3d顶级胆神双胆 | 3d藏机图正版藏机图 | 今日3d开机号和试机号关注码千禧 | 3d布衣独胆王 | 3d和值尾振幅走势图带连线图表 | 今晚3d专家预测汇总 | 今晚3d开机号试机号 | 3d免费专家预测推荐 | 天府袍哥3d预测 | 千禧3试机号金码关注码金码 | 3d今晚最准三注 | 3d预测最准的专家预测 | 福彩3D独胆老师分析最新 | 3d杀码一定牛 | 于海滨点评专家一注定胆保真版162期 | 3d开机试机号金码号关注号 | 今晚3d出的什么号 | 3d千禧试机号开机号金码 | 福彩3D独胆下一期预测最新 | 3d牛彩网专家预测 | 于海滨海3d预测今天 | 3d推荐最新最准专家预测 | 3d今日正版藏机图最新更新内容 | 3d独胆王今天 | 3d开机号和试机号30期列表 | 3d专家预测最准今天 | 周星星3d预测手机牛彩网 | 3d今晚最准专家预测号码 | 3d今晚专家推荐预测重点号码 | 3d今晚上必出号推荐组 | 3d今晚上开奖号码 | 3d最准一个独胆方法 | 3d千禧金码试机号关注码 | 3d开机号,试机号,金码号,对应码100 | 千禧3试机号金码关注码金码 | 3d推荐最新最准专家预测 | 3d十大专家杀跨度汇总 | 3d精准预测推荐 | 3d于海滨专家预测 | 3d双胆神算今天必下 | 3d布衣双胆独胆王 | 3d最准预测专家预测大 | 助赢计划软件免费版下载安装 | 于海滨专家一语定胆十每日 | 3d 计算公式| 3d预测最准最新牛彩网 | 最准的3d专家预测 | 福体杀码王最新版本更新内容 | 3d专家预测于海滨 | 3d北斗专家北斗预测今天079期3d | 3d预测专家推荐号码推荐 | 千禧3d试机号金码关注码杀码今天3d | 3d千禧开机号和试机号码 | 3d晶晶必下一独胆今天 | 3d定和值公式 | 3d专家预测推荐 | 3d今天专家预测号码最准确 | 故事小王p3双胆必下 | 于海滨3d彩吧图库 | 3d最新专家预测汇总大全 | 财神爷独胆三天计划,就这么牛 | 今日3d字谜一句定三码和值谜定1 | 3d今天开机号试机号金码关注号 | 今日3d正版藏机图,藏机图汇总,天中网 | 今晚3d推荐号码是多少 | 3d开机号和试机号今天金码0 | 3d试机号近30期牛彩网 | 3d专家预测最准确今天上一期 | 大师诸葛亮今晚一个独胆 | 今天最新3d开机号试机号 | 今晚解太湖3d字谜 | 中国福彩3D独胆当天精准预测 | 3d今日正版藏机图最新更新内容 | 3d今晚开奖号码结果是多少 | 福彩3D独胆最新走势最新 | 龙头凤尾今日预测 | 3d最小差值振幅走势图 | 3d精选号码推荐今天最新 | 今日3d专家预测号最准确 | 3d詹天佑最新预测牛彩网 | 3d今晚专家预测 | 3d紫云涧专家预测推荐 | 今天的3d开机号和试机号查询 | 中国福彩3D独胆最新推荐最新 | 中国福彩3D独胆下期推荐 | 3d于海滨预测预测牛彩网 | 3d杀码图| 今天的太湖3d字谜 | 3d北斗专家北斗预测今天079期3d | 3d单式怎么才算中奖 | 今天3d专家推荐号 | 3d今天专家预测推荐号码 | 3d试机号3d之家金码 | 3d今晚专家预测重点号码 | 3d洞庭湖水今日预测分析 | 福彩3D独胆今晚必中最新 | 今日太湖钓叟三字诀字谜 | 3d两天独胆王 | 今天3d杀码| 3d太湖一语定胆字谜论坛 | 3d今晚最准专家推荐号 | 3d预测 下一期 3d预测专家 3d预测 | 3D独胆独家推荐 | 三d预测专家预测今天最新 3d专家预测最准最新今天 | 3d今晚专家推荐预测重点号码 | 3d个位振幅走势图近50期 | 3d预测今日最新推荐 | 3d预测专家最准最新 | 于海滨点评专家一注定胆保真版162期 | 3d今天专家预测最准 | 于海滨杀码今天最新版 | 3d走势图的基本走势图 | 3d今天开机号和试机号322 | 今天3d开机号和试机号多少? | 3d牛彩网 | 3d走势图基本走势图表 | 3d和值尾金木水火土走势图 | 3d经典小胆王| 机选一注3d | 3d最大值振幅走势图遗漏 | 3d百位个位和值走势图 | 3d个位走势图表 | 3d预测最准的专家预测 | 陈华3d今晚赌独一胆天齐网 | 3d预测詹天佑最新 | 3d专家詹詹天佑最新推荐 | 福彩3D独胆团队必中 | 3d乾坤独胆王独胆 | 今天3d专家推荐重点号码 | 3d双胆预测 | 3d跨走势图带连线走势图 | 今晚3d开机号试机号金码 | 太湖解太湖3d字谜 | 3d专家预测最准确最新今天牛彩 | 3d专家推荐最新预测 | 3d预测汇总| 3d双胆独胆推荐 | 福彩3D独胆下一期推荐 | 3d和值走势图(专业版) | 3d预测 下一期 3d预测专家 3d预测 | 千禧试机号及金码 | 3d专家预测最准确今天南方双彩网 | 今于海滨3d预测今天单线联系 | 3d陈华今晚就赌一胆今天最新消息 | 3d今天专家推荐 | 3d最准专家预测号今晚3d试机号 | 3d牛彩网专家预测汇总 | 三d十拿九稳预测号码 | 于海滨杀码图谜 | 3d太湖钓叟字谜三字诀论坛 | 3d精准推荐号 | 于海滨点评专家一语定胆保真版 | 3d今天专家预测最准确 | 今日3d专家推荐号码 | 陈华3d独胆推荐 | 今晚最全3d晚间字谜汇总192期 | 3d专家今天预测一注 | 3d字谜汇总大全总汇牛彩网开机号 | 小林3d最新预测今天 | 3d牛彩网字谜图谜总汇九 | 十拿九稳今天预测专家 | 3d开机号试机号关注号金码对应码 | 3d于海滨预测 | 3d今晚最准确一注 | 3d预测最准最新准专家预测号码 | 3d跨度金木水火土五行走势图 | 3D独胆老师分析 | 3d和值尾振幅走势图3d走势3d之家 | 2012099期3d开奖结果 | 三天计划3d独胆论坛 | 3d开机号和试机号金码关注 | 最准3d专家预测推荐 | 今日3d预测专家推荐 | 3d专家预测汇总 | 今晚牛彩网3d预测汇总 | 辽宁独胆王三天计划 | 3d今天开机号试机号3 | 三d预测专家最新推荐 | 3d专家预测最准确今天南方双彩网 | 3d今晚预测直选一注3d一注预测 | 今晚最全3d晚间字谜汇总192期 | 3d专家杀码天中图库 | 今于海滨3d预测今天牛彩网 | 中国福彩3D独胆专家精准预测最新 | 3d同期历史对比 | 3d今晚开机试机号 | 3d太湖一语定胆字谜论坛 | 福彩3D独胆下期推荐预测 | 【独胆真准】3d | 3d开机号试机号今天最新50期 | 3d今晚预测最准确一注 | 3d杀码图天齐网 | 3d预测专家最准确的专家预测今晚 | 于海滨3d预测今天 | 3d定百位一个号多少钱 | 于海滨3d今晚预测 | 3d今天精选五注 | 中国福彩3D独胆当天分析 | 3d预测杀码 | 3d开机号和试机号近100期 | 3d今晚精彩预测 | 3d字谜今日字谜总汇 | 于海滨今日预测号 | 3d双胆独胆非常非常 | 3d专家预测号 | 3d今天专家推荐号码 | 3d专家最准确预测 | 3d试机号后专家预测推荐汇总 | 今天3d推荐号码今晚预测 | 于海滨专家一语定胆十每日 | 3d试机号近10期彩经网 | 今日3d字谜太湖钓叟字谜正版 | 今日3d太湖三字谜 | 3d专家预测最准确 | 3d试机号后专家预测汇总 | 3d和尾振幅走势图3d专家 | 3d今晚推荐一注 | 三d预测专家最新推荐 | 三d双胆独胆 | 3d试机号开奖号走势图表 | 3d千禧试机号码金码关注码 | 3d八哥图库总汇d字谜图谜总汇大全 | 詹天佑3d今晚预测号码 | 3d今天出的什么号 | 玩彩独胆王三天计划 | 排三今晚十拿九稳最新预测 | 3d专家今日推荐号码 | 3d今日开机号和试机号及关注码 | 3d和值振幅走势图彩宝贝 | 了3d开奖结果 今天晚上 | 看彩大亨最新独胆预测 | 今天最准3d预测号 | 3d百位走势图带连线图表专业版 | 今天的太湖3d字谜 | 3d谜语太湖钓叟3d谜语今天 | 3d跨度遗漏值振幅走势图彩经网 | 3d十大专家预测汇总 | 3d专家预测最准确最新汇总对应码 | 詹天佑3d今晚预测号码 | 3d双胆独胆非常非常稳定 | 专家彩宝贝预测汇总 | 3d预测最准确的专家预测软件 | 今天3d于海滨预测 | 福彩3D独胆高手杀号最新 | 福彩3D独胆下一期推荐最新 | 3d推荐号今晚专家预测 | 3d于海滨预测预测牛彩网 | 3d今晚专家预测最准确一注 | 今于海滨杀一码 | 詹天佑3d今晚预测号码 | 3d今晚专家推荐预测重点号码 | 中国福彩3D独胆独家预测 | 3d最准的预测专家 | 今晚3d号码开奖结果多少 | 3d预测最准确的专家 | 最准3d专家预测推荐 | 3d专家预测最准确最新汇总 | 3d开奖结果今晚号码 | 3d百个位差值振幅走势图100期 | 千禧试机号金码今天的 | 三d便民字谜图谜总汇 | 3d今晚专家预测推荐号 | 3d太湖老情人字谜图谜 | 神仙姐姐杀码今天的 | 今天3d开机号和试机号全部 | 3d北斗专家北斗预测今天079期3d | 3d今天专家推荐号码是多少 | 3d今晚预测最准确一注今天 | 3d今晚预测直选一注3d一注预测 | 3d百个差振幅走势图近100期 | 3d近300期试机号和开奖号码 | 3d手机预测牛彩网 | 福彩3D独胆下期最新分析 | 专家预测3d号码准确 | 3d今晚必下一个胆 | 3d预测专家最准最新 | 3d百位遗漏振幅走势图南方双彩网 | 今天牛兄双胆 | 太湖钓叟三字诀字谜更新 | 3d预测今晚最准专家预测号码 | 3d杀码公式最新 | 3d跨度五行走势图3d之家 | 3d试机号金码号是多少 | 3d独胆双胆 | 3d专家预测推荐号码 | 3d近30期开机号试机号开奖号查询 | 3d预测专家推荐最准确 | 3d牛彩网字谜图谜汇总九 | 于海滨最新3d预测今天 | 最准3d预测专家推荐号 | 财神爷独胆三天计划,就这么牛 | 3D独胆下一期精准预测 | 3d基本走势图. | 3d基本走势图全部 | 至尊计划王三天计划独胆 | 3d免费预测 | 3d今晚必中一注 | 3d独胆双胆3d之家 | 3d最准专家预测号 | 3d推荐号今日预测 | 3d最精准的专家预测精选 | 今晚3d开奖号走势图 | 3d今天开机号和试机号码 | 3d今晚预测最新最准确号码牛彩网 | 3d今天预测最准确专家 | 3d必中永久直选500注大底 | 天才计划三天计划独胆 | 3d藏机图正版图汇总 | 3d开机号和试机号金码今天的 | 于海滨3d预测免费每日精选 | 最准3d专家预测推荐 | 今天3d开机号试机号牛彩列表 | 毒胆牛人三天计划 | 3d试机号今天开机号查询结果 | 3d开奖结果今晚号码 | 3d太湖字太湖字谜 | 3d预测最准专家预测号码 | 牛彩网3d预则 | 3d预测专家最准最新 | 今日3d马后炮解太湖字谜 | 排五近100期开奖号结果 | 于海滨3d专家预测今天 | 3d今晚惊天一注预测 | 3d北斗专家北斗预测今天079期3d | 3d今晚100倍 万能三码的使用方法 | 今日3d推荐号码号 | 中国福彩3D独胆当天精准预测 | 3d十大专家汇总精选一注 | 3d今晚一注直选 | 3d三胆推荐| 昨天3d开奖号是多少 | 3d海滨点评一语定胆今天最新推荐 | 今于海滨3d预测 | 3d今天最新最准专家预测最 | 天天彩于海滨海3d最新预测 | 3d独胆必下一个胆 | 3d今天的推荐号 | 于海滨3d彩吧图库 | 3d今天开机号试机号3 | 今于海滨3d预测今天牛彩网 | 3d预测总汇 | 最准3d预测专家推荐号 | 牛彩网3d预测汇总大全 | 3d选胆图近100期 | 于海滨点评专家一注定胆保真版162期 | 3d今晚最准专家预测号码 | 于海滨专家一语定胆十好心人 | 三d牛彩网开机号试机号是多少 | 今天晚上3d开奖结果 | 3d今晚专家预测推荐号 | 今日3d预测号码推荐 | 3d杀码一定牛 | 唐龙3d预测今日出号点评 | 陈华今晚3d赌一胆天齐网 | 3d今天专家推荐号码推荐 | 中国福彩3D独胆最新推荐 | 3D独胆下期最新预测 | 3d今晚开奖号结果 | 牛彩网杀码| 3d今天开机号和试机号码 | 3d基本走势图表 | 3d直选三注| 3d北斗专家北斗预测今天079期3d | 3d预测号码最准确专家预测 | 3d跨度金木水火土五行走势图 | 3d试机号今天开机号查询 | 3d字谜图谜总汇 | 3d预测专家最准确的专家预测今晚 | 3d最近1000期走势图表综合版图片 | 十拿九稳预测最准100% | 今于海滨3d预测今天牛彩网 | 毒牛人三天计划 | 3d辽宁独胆王 | 千禧3d试机号关注码金码试机号 | 今晚3d开奖号码多少 | 3d詹天佑预测分析牛彩网 | 牛彩网杀码| 3d杀码专家杀码天齐网 | 3d今晚预测直选一注3d一注预测 | 3d独胆专家推荐独胆 | 3d走势图专业版(带连线) | 三d字谜总汇大全 | 3d今晚最准一注 | 《金银胆神》金胆银胆3d最新一期开奖 | 毒胆牛人3天计划 | 3d预测今晚推荐号 | 今晚3d预测开奖号码推荐 | 今于海滨杀一码 | 今于海滨3d预测今天牛彩网 | 3d直选一注 | 于海滨海3d预测牛彩网 | 太湖字谜马后炮3d总汇 | 3d专家预测推荐号码 | 3d陈华今晚独胆预测 | 杀码大全汇总 | 3d近200期试机号和开奖号码 | 铁人铁胆包星定位今天最新结果 | 排三平均值振幅走势图3d之家 | 3d免费专家预测推荐今天最新 | 3d独胆双胆专家预测网 | 3d近30期试机号和开奖结果 | 于海滨3d预测牛彩网 | 今晚3d试机号千禧试机号金码关注 | 3d今晚最准最新专家推荐号 | 3d今天专家推荐号码推荐 | 福彩3D独胆团队必中最新 | 3d今晚预测最准确一注 | 三d五码复式打一注多少钱啊 | 3d专家预测最准确今天牛彩网 | 3d今晚字谜太湖字谜是什么 | 3d跨度振幅走势图3d专家 | 真实的谎言3d字谜追加和值谜 | 3d预测最准确专家预测 | 3d胆王双胆独胆 | 今天牛兄双胆 | 3d独胆必下一独胆布衣正 | 3d预测最准确的专家预测软件 | 3d百十个位杀码家彩网 | 3d孙大财就赌一个胆 | 专家预测3d号码准确 | 今日3d太湖字谜三字诀洞庭游侠 | 3d预测专家最准确的专家预测今晚 | 3d解太湖字谜汇总精选 | 今天彩报中心 3d图库 | 詹天佑3d分析推荐 | 3d马前屁解太湖字谜 | 于海滨专家3d今天预测 | 今晚3d开奖直选结果 | 3d预测 下一期 3d预测专家 3d预测 | 于海滨今日杀码图最新 | 3d今晚精选一注 | 太湖三字谜太湖3d钓叟 | 于海滨3d杀码预测 | 小薇3d预测 | 中国福彩3D独胆内部走势最新 | 3d专家预测推荐号最新 | 3d今晚专家预测最准确一注 | 3d预测专家推荐最准确 | 3d专家今天预测汇总 | 3d试机号开机号今天晚上金码号 | 大师诸葛亮今晚一个独胆 | 3d专家预测汇总牛彩网彩摘收集 | 3d毒胆| 3d专家预测推荐号最新 | 于海滨3d专家预测 | 今日3d藏机图正版藏机图310 | 3d詹天佑最新预测今天 | 三d历史走势图 | 今日3d一句定三码和值谜食物全部 | 今于海滨一语定胆保真今天 | 3d布衣独胆王正版今天 | 天齐网3d首页保真版3d预测 | 3d今日预测最准专家预测 | 3d太湖字谜图谜总汇 | 今天3d开机号试机号牛彩网 | 3d开机号试机号30期列表彩宝网 | 独胆三天计划 | 3d和值跨度走势图带连线 | 今晚3d预测最准一注 | 3d太湖一语定胆字谜论坛 | 3d千禧开机号试机号关注金码 | 牛彩网预测专家3d | 今日钱王给胆点评 | 3d今天推荐号码是多少 | 3d独胆王今天 | 3d走势图带连线牛彩网 | 3d专家预测最准确最新今天 | 今晚3d号码开奖结果多少 | 于海滨3d预测牛彩网 | 3d钓叟字谜三字诀官网 | 今晚3d开奖号试机号 | 福彩3D独胆大神必中最新 | 3d今天走势图表 | 3d专家预测推荐号最新 | 3d独胆公式正确率在99%以上 | 3d最精准专家预测汇总今天 | 3d绝杀一码专家 | 3d于海滨专家预测 | 3d最精准的专家预测 | 今天的3d开机号和试机号查询 | 3d十大专家预测汇总 | 3d专家预测最准最新今天 | 3d双胆神算今天必下 | 3d预测专家最准确的专家预测今晚 | 3d成功路上人双胆独胆 | 今晚3d直选推荐 | 3d双飞怎么买多少钱一注 | 3d今晚专家预测推荐 | 排三十拿九稳今天预测 | 3d今晚最准专家预测号码145 | 3d专家预测最准确最新新闻 | 马到成功杀两码最新版本更新内容 | 解3d字谜太湖钓叟汇总 | 3d詹天佑点评 | 3d谜语字谜太湖天齐网 | 詹天佑3d今晚预测号码 | 3d今天预测最准确专家 | 排五预测号专家 | 千禧3d试机号金码关注码杀码今天3d | 于海滨3d杀码图 | 3d走势图基本走势图 | 3d专家预测最准确最新今晚预测 | 于海滨预测号 | 唐龙一胆今天最新 | 牛彩网近30期3d开机号试机号 | 3d今天最新最准专家预测最 | 于海滨点评专家一注定胆保真版 | 3d预测号码最准最新准专家预测号 | 3d近30期开机号试机号牛彩网 | 推荐一注3d号码 | 3d预测专家汇总预测 | 今晚3d开奖号码多少 | 今于海滨3d预测今天单线联系 | 3d专家预测最准确今天南方双彩网 | 一定牛3d杀码 | 3d藏机图完整版今天 | 3d今天专家预测推荐号码 | 3d太湖17500字谜 | 中国福彩3D独胆下期最新必中 | 福彩3D独胆明日分析 | 3d今晚专家推荐号 | 3d近500期试机号和开奖号码 | 3d今日专家推荐号 | 3d故事小王双胆 | 3d今晚开机号试机号金码关注码今天 | 3d彩宝贝试机号今天最新 | 3d最精准的专家预测精选 | 3d解太湖字谜汇总精选 | 3d千禧金码试机号关注码开奖号 | 3d跨度金木水火土五行走势图 | 3d开机号和试机号金码关注 | 詹天佑最新预测3d | 今晚3d的试机号是 | 3d和值走势图(专业版) | 3d最准预测号 | 于海滨3d杀码图 | 于海滨专家预测3d | 3d预测专家最准确的专家预测昨天 | 3d专家今天推荐号 | 飞向阳光龙头凤尾今天最新消息 | 太湖三字诀字谜三 | 3d专家预测号码推荐今天 | 今天3d专家解太湖字谜汇总 | 3d独胆必下一独胆布衣正 | 北斗3d今日专家预测推荐 | 3d两胆必出方法 | 3D独胆下期推荐分析最新 | 3d金码开机号和试机号 | 今天三字诀太湖字谜 | 今天专家推荐号码3d | 今天买哪三个号码好 | 3d太湖钓叟字谜汇总正版藏机图 | 中国福彩3D独胆本期命中率 | 福利3d开奖号码 | 3d手机预测牛彩网 | 3d预测今晚最准专家预测号码 | 今日3d预测号码推荐 | 3d今天最新最准专家预测最 | 最准3d专家预测推荐 | 今天3d开机号,试机号是多少 | 至尊计划王三天计划独胆 | 3d最精准一注一注 | 3d最准确预测专家 | 于海滨精准杀码图 | 于海滨3d预测牛彩网 | 3d家彩预测 | 3d四码直选多少钱一注 | 3d精准预测最准的专家直选 | 3d今日专家推荐号 | 近100期3d开机号和试机号 | 3d今天开机号和试机号牛彩网 | 3d牛彩网试机号后专家预测汇总 | 3d最新专家预测推荐 | 3d试机号今天晚上金码92期 | 两天计划双胆王 | 3d预测专家最准确的专家预测今晚 | 3d双飞大师双胆组合 | 3d推荐号码今晚预测 | 中国福彩3D独胆下期最新必中 | 3d千禧试机号码金码关注码 | 今晚必中一注i | 3d专家预测最准确今天 | 3d彩皇网 | 3d藏机图正版藏机图汇总今天最新 | 3d最准预测 | 3d试机号今天晚上金码92期 | 于海滨今天杀码3d | 3d最精准专家预测汇总今天 | 今天3d专家预测号码 推荐 | 唐龙3d预测今日出号点评 | 3d藏机图正版藏机图打印版 | 3d今天专家推荐号码 | 孟庆会老师3d预测彩吧图库今天 | 詹天佑3d预测号 | 2008年359期3d焰舞字谜 | 三d便民字谜图谜总汇 | 3d十位单选振幅走势图 | 3d下期预测最精准的一注号码 | 孟庆会老师3d预测彩吧图库今天 | 3d今天开机号试机号金码关注号 | 3d今天专家预测推荐号码 | 3d试机号牛彩网近三十期 | 3d太湖钓叟字谜三字诀论坛 | 3d必下胆| 今晚3d开奖号是多少 | 今日精准预测推荐3d号码 | 3d预测今日最新推荐 | 3d今晚一注 | 于海滨3d预测专家今天 | 3d千禧试机号关注码金码是什么 | 解今日太湖3d字谜 | 3d预测最准专家预测牛彩网 | 3d今天试机号开机号关系 | 3d十大专家精准预测汇总 | 3d今晚预测准确的专家预测 | 今晚3d推荐号码 | 3d万能大底共250注直选 | 詹天佑3d今晚预测号码 | 3d独胆双胆3d之家 | 3d今日预测推荐号 | 三d字谜总汇大全 | 3d开机号与试机号金码 | 3d今日预测最准专家预测 | 3d走势图带连线牛彩网 | 3d预测最准确的专家预测软件 | 太湖钓叟排三字诀字谜 | 今晚3d直选推荐 | 3d今晚试机号是多少查询 | 3d今天开机号 试机号查询 | 3d独胆预测 | 钱多多3d百位定独胆 | 3d两胆精准预测 | 3d太湖专家预测今晚 | 3d通辽独胆王今天 | 3d今晚最准专家预测号码145 | 3d最新最准预测号码今天 | 于海滨3d预测今天 | 3d谜语太湖钓叟3d谜语今天 | 3d预测专家| 于海滨3d预测天齐网 | 三d今晚预测推荐十注 | 太湖钓叟三字诀字谜更新 | 中国福彩3D独胆高手命中率 | 3d开机号和试机号200期列表 | 于海滨专家3d今天预测 | 3d今晚专家预测推荐 | 3d预测推荐| 今晚3d专家预测汇总 | 3d和值基本走势图 | 3d绝杀三码今天 | 3d独胆公式133x2 | 于海滨专家预测3d两吗 | 今天3d双双独胆字谜 | 3d预测 下一期 3d预测专家 3d预测 | 3d试机号和开机号牛彩网 | 于海滨精准杀码图 | 3d今天的推荐号 | 3d推荐最新最准专家预测 | 3d邻孤传走势图乐彩 | 3d预测最准最新准专家预测 | 今晚3d预测最准一注 | 3d开奖号码结果 今晚 | 3d十大专家预测汇总 | 3d和值振幅走势图带连线坐标 | 3d最准确最新专家预测 | 3d最准专家预测号 | 3d小红人三天计划 | 3d一语定胆太湖字谜 | 最新3d预测专家预测 | 3d今晚精选预测一注 | 3d推荐最新最准专家预测 | 中国福彩3D独胆下期推荐杀号最新 | 3d开机号和试机号今天 今晚 | 詹天佑最新预测3d | 于海滨3d今晚预测号码 | 大师诸葛亮今晚一个独胆 | 3d2025322期太湖字谜 | 福彩3D独胆大神精准预测 | 3d专家预测最新推荐 | 3D独胆高手走势 | 3d三胆| 今晚3d专家推荐号码是多少 | 于海滨专家预测3d两吗 | 3d开机号和试机号今天多少 | 万能三码的使用方法 | 3d真实的谎言正版和值字谜 | 专家推荐最热一注是什么 | 最准3d预测专家推荐号 | 3d最准确专家预测 | 天才计划三天计划独胆 | 今晚3d专家推荐 | 3d十大专家杀跨度汇总 | 3d计算机开机号夏天推荐 | 3d今晚惊天一注预测 | 财神爷独胆三天计划,就这么牛 | 铁人铁胆包星定位今天最新结果 | 3d天宇和值谜字谜一句定三码 | 藏机图3d正版总汇 | 三3d太湖字谜| 3d跨度遗漏值振幅走势图彩经网 | 3d十个位差值振幅走势图3d之家 | 3d定胆王独胆定位 | 3d真实的谎言正版和值字谜 | 3d和值走势图表综合版 | 今天3d开机号和试机号查询结果彩吧 | 3d万能三码中奖秘诀 | 3d预测最准最新准专家预测号码 | 3d和值尾振幅走势图近50期 | 3d专家解今日太湖字谜汇总 | 三d预测专家预测今天最新 3d专家预测最准最新今天 | 3d直选一注 | 3d太湖钓叟字谜三字诀了3d开奖 | 3d最小差值振幅走势图 | 开奖结果3d今天晚上 | 天府袍哥3d预测 | 3d今天最新最准专家预测最 | 今天3d出的什么号 | 3d组三一注多少钱 | 3d专家预测最准最新今天 | 3d今晚十大专家预测汇总 | 3d预测一注精准 | 3d最新最准预测号码 | 3d专家最新最准专家预测 | 成功路上3d双胆独胆 | 三d预测最准十专家预测今晚 | 今天龙头凤尾预测 | 今晚上的3d开奖号 | 宇海滨预测3d | 3d双胆独胆非常非常稳定 | 3d预测今晚推荐号 | 神龙毒胆王今晚给胆 | 近100期3d开机号和试机号 | 3d千禧试机号金码关注码对应码 | 今日毒胆 | 今日3d正版藏机图,藏机图汇总,天中网 | 3d今天开机号和试机号码727 | 3d陈华今晚独胆推荐 | 3d今晚开奖号多少 | 3d今晚开奖结果走势图 | 今晚3d预测最准一注 | 3d最精准的专家预测 | 3d定胆准确率100 | 3D独胆下期推荐预测最新 | 十拿九稳专家预测专栏 | 今日正版藏机图全部汇总239期 | 3b预测汇总牛彩网 | 3d今晚专家预测推荐号 | 詹天佑最新预测3d | 今天的3d藏机图正版藏图 | 毒胆牛人三天计划必出 | 沈宝桢个人简历 | 今天3d开机号 试机号是多少 | 今晚3d预测推荐一注 | 3d千禧试机号关注码金码是什么 | 于海滨海3d预测今天 | 3d今天开机号试机号牛彩网 | 今日期3d太湖字谜 | 3D独胆独家推荐最新 | 3d今晚专家看独胆 | 马后炮解3d太湖字谜总汇大全 | 今天3d开机号和试机号码结果查询 | 3d预测最准的专家预测 | 3d村独胆双胆3 | 3d试机号开机号关注号金码 | 于海滨3d今晚预测 | 3d预测今晚最新最准确 | 排五开机号试机号今天查询 | 3d预测今晚最准专家预测号码 | 3d中国独胆王今天 | 3d最精准专家预测汇总今天 | 今日3d大老人预测号 | 3d专家最新最准专家预测汇总 | 历史3d开奖结果 | 3d开奖杀码定胆 | 今日正版藏机图全部汇总 | 3d预测总汇手机牛彩网 | 《中国杀码王》3d | 今晚上必中一注 | 3d顶级胆神双胆 | 千禧开机号和试机号对应金码 | 3d今天专家预测号码 | 3d最新最准预测号码 | 千禧关注码试机号金码 | 今天3d开机号试机号牛彩列表 | 今天专家推荐号码3d | 3d预测专家推荐号码推荐 | 3d今晚预测最新最准确号码牛彩网 | 今天3d开机号和试机号全部 | 于海滨三地杀码 | 3d精准定位专家预测 | 3d专家预测最准确最新今天牛彩 | 今于海滨一语定胆保真今天 | 三d字谜图谜总汇牛彩网 | 3d之家双胆独胆预测 | 3d詹天佑预测汇总 | 今日3d专家预测号最准确 | 3d独胆陈华今晚就赌一个胆 | 3d鸿运坊预测号 | 千禧试机号金码关注码的历史记录 | 3d顶级胆神双胆 | 牛彩预测汇总3d最新 | 3d钱王点评 | 3d单个冷号最大遗漏 | 明天的3d太湖字谜 | 3d陈华今晚就赌一胆今天最新消息 | 3d两胆王| 三地千禧试机号关注金码对应码 | 3d谜语解太湖字谜 | 3d十大专家双胆预测汇总 | 3d今晚上预测号码 | 今日3d太湖字谜每天更新 | 今晚3d专家推荐号码是多少 | 3d经典毒胆| 3d今晚专家预测最准确号码 | 3d今晚专家推荐号 | 太湖钓叟3d字谜太湖字 | 千禧今晚3d试机号关注码金码 | 3d今晚试机号开奖号 | 3d预测最准的专家预测 | 于海滨最新3d预测推荐今天 | 今天最新3d开机号试机号 | 3d中间号走势图振幅走势图 | 3d今晚专家推荐号 | 三d独胆| 于海滨3d杀码图 | 3d詹天佑预测分析牛彩网 | 独胆三天计划 | 于海滨杀码图天齐网 | 3d开机号和试机号今天金码关注号 | 3d和值振幅走势图带连线坐标 | 3d十位走势图彩经网 | 牛彩网预测专家3d | 3d长中剑客预测今天 | 3d专家预测最准确最新今天牛彩 | 排三十拿九稳今天预测 | 于海滨预测3d号 | 于海滨今天杀码3d | 3d今晚专家推荐预测重点号码 | 3d天中杀码图专区 | 三地千禧关注码试机号 | 3d之家双胆独胆预测 | 3d预测最准确的专家 | 3d千禧开机号试机号 | 3d开机号和试机号今天 今晚 | 3d今天专家推荐号码是多少 | 3d免费专家预测推荐今天最新 | 3d廊坊鸿运正版推荐 | 自创3d绝杀四码方法细节 | 于海滨精准杀码图 | 福体杀码王最新版本更新内容 | 3d专家推荐最精准的号码 | 于海滨点评专家一注定胆保真版 | 3D独胆团队走势 | 福彩3D独胆老师杀号最新 | 3d专家预测最准确最新今晚预测 | 今天的3d太湖字谜 | 马后炮解今日太湖字谜三字诀 | 3d今天开机号 试机号查询 | 3d专家预测汇总 | 3d直选一注50倍单挑 | 3d预测专家最准确今天 | 3d和值和尾振幅走势图 | 今日3d预测专家推荐 | 3d今晚一注推荐 | 3d预测号码最准确专家预测 | 于海滨3d杀码| 一定牛3d一注号推荐3d预测今天 | 于海滨杀码今天最新版 | 3d必中永久直选500注大底 | 3d今日热销号 | 3d预测最准最新准专家预测号码 | 3d预测专家推荐最准确 | 今日3d预测| 3d推荐最新最准专家预测 | 3d孙大财就赌一个胆 | 今天3d专家推荐号 | 3d金码开机号和试机号 | 3d太湖钓叟字谜汇总正版藏机图 | 中国福彩3D独胆今日精准预测 | 3d于海滨上的今天预测 | 3d专家预测最准确今天南方双彩网 | 今天3d太湖钓叟字谜三字诀 | 今天3d开机号,试机号是多少 | 3d专家预测号码手机牛彩网 | 3d今天千禧试机号关注号金码 | 3d预测专家精准推荐 | 三3d太湖字谜| 3d最精准的专家预测 | 于海滨海3d预测牛彩网 | 今天的3d开机号和试机号查询 | 3d预测总汇 | 3d专家最精准的推荐 | 詹天佑3d今日推荐 | 精准3d独胆| 3d开奖号今天结果 今晚 | 3d专家预测汇总牛彩网 | 龙彩居士3d预测今天最新版 | 3d预测一注号推荐 | 3d千禧试机号金码关注码对应码 | 3d今晚上专家推荐号 | 3d两天独胆王 | 3d马前屁解太湖字谜 | 3d十大专家双胆预测汇总 | 3d和值尾遗漏走势图 | 3d开机号,试机号,金码号,对应码100 | 今天3d开机号和试机号牛彩网 | 3d专家预测最准确最新今天牛彩 | 3d今日正版藏机图最新更新内容 | 今天3d专家推荐号 | 3d十大专家预测汇总 | 3d一定牛专家预测推荐 | 3d和值25点有哪几注 | 3d今晚专家预测最准确一注 | 3d三胆预测 | 十拿九稳预测最准100% | 3d今晚专家预测 | 3d今日热销号 | 太湖叟3d字谜湖字谜 | 于海滨最新3d预测推荐今天 | 3d三天计划独胆王 | 3d最新专家预测推荐 | 带头大哥3d预测今晚 | 3d预测专家准确推荐 | 3d断组今晚全部 | 3D独胆今晚命中率最新 | 今晚3d结果 | 3d胆王帅哥独胆双胆 | 3d精准预测最准的专家 | 3d预测专家推荐最新 | 詹天佑3d | 3d太湖字谜今天 | 中国福彩3D独胆专家精准预测 | 3d三天计划独胆王 | 3d独胆双胆专家预测网 | 3d推荐号3d推荐号码 | 3d今晚试机号是多少查询 | 3d今晚专家预测推荐号 | 3d开机号和试机号9.30分 | 3d圣手字谜图谜 | 孟庆会3d预测今天 | 3d今晚开奖号码多少 | 小红人的三天计划今天是什么 | 于海滨今日预测号 | 杀码王杀码 | 今日排五专家推荐与预测 | 三d预测最准十专家预测今晚 | 3d之家北斗今日预测 | 今晚3d专家预测精选一注 | 3d今晚预测3d更准 | 3d今天专家推荐号码推荐 | 飞向阳光龙头凤尾今天最新消息 | 3d预测今晚最准专家预测号码 | 3d今日预测最准专家预测 | 3D独胆明日推荐最新 | 今日焰舞3d焰舞字谜汇总大全 | 今晚3d推荐号 | 3d今天开机号试机号码 | 3d和值尾振幅走势图50期 | 周不出最新3d杀码 | 3d开机号与试机号金码 | 排三杀码专家定位杀码天齐网 | 今晚3d开奖直选结果 | 中国福彩3D独胆明日推荐最新 | 福体杀码王最新版本更新内容 | 3d的开机号试机号奖号表 | 3d今晚精准推荐一注 | 布衣杀码图3d杀码 | 中国福彩3D独胆实时必中最新 | 3d今晚上预测号码 | 今天十拿九稳号码预测 | 3d专家最新最准专家预测 | 3d免费专家预测推荐今天最新 | 于海滨三地杀码 | 3d今于海滨杀码图 | 中国福彩3D独胆专家推荐最新 | 牛彩网杀码图汇总 | 太湖谜3d太湖钓叟字谜 | 最准3d专家预测推荐 | 今天专家推荐号码3d | 今天3d开机号和试机号多少? | 今于海滨3d预测今天牛彩网 | 三d历史走势图 | 福彩3D独胆明日精准预测 | 3d栋栋预测牛彩网 | 3d开机试机号金码号关注号 | 3d预测最准的专家预测 | 3d推荐最新最准专家预测 | 3d今晚中奖号是多少 | 3d十个位差值振幅走势图3d之家 | 今天太湖字谜三字诀是什么 | 今晚3d结果开奖号码 | 今晚牛彩网3d预测汇总 | 3d精准预测专家预测 | 今天3d号码推荐 | 3d千禧开机号试机号关注金码对应码 | 今天3d金码试机号对应码开机号 | 3d千禧试机号关注号金码号开机号 | 3d今天开机号和试机号牛彩网 | 于海滨3d预测牛彩网 | 3d今晚最准最新专家推荐号 | 今天p3藏机图正版藏机图 | 3d于海滨专家预测 | 3d今天最新最准专家预测最 | 于海滨3d杀码图 | 十拿九稳今天预测专家 | 3d推荐号今日预测 | 3d试机号今天晚上是多少 | 3d专家预测最准今天 | 7号电池最建议买的三个型号 | 3d北丐七爷独胆 | 今日太湖钓叟三字诀字谜 | 马后炮解3d太湖字谜总汇大全 | 3d最准一个独胆毒胆 | 3d专家预测最准确最新今天牛彩 | 3d今晚最准最新专家推荐号 | 3d预测最准预测号 | 3d杀码十大专家 | 3d今天预测最准确专家 | 3d火火人独胆双胆必中 | 3d今晚最准专家预测号码 | 3d爱心角落试后一注 | 三七进二得三码猜一生肖 | 3d今天最新最准专家预测最 | 3d至尊计划独胆 | 李明启3d今晚预测专栏 | 今晚三d推荐什么号码 | 3d今天开机号和试机号金码对应码 | 3d牛彩图谜字谜总汇九 | 3d今晚专家预测推荐号 | 3d试机号开机号今天金码关注 | 詹天佑3d预测号 | 3d太湖老情人字谜图谜 | 3d今晚最准最新专家推荐号 | 3d预测最准确的专家 | 3d专家专家预测汇总 | 3d字谜太湖字 | 中国福彩3D独胆专家精准预测最新 | 3d今天精选五注 | 3d近300期试机号和开奖号码 | 3d专家预测最新最准 | 毒胆牛人三天计划 | 3d下期预测最精准的一注号码 | 3d最精准专家预测汇总今天 | 3d今天专家预测最准确 | 2002146期3d开奖结果 | 福体杀码王最新版本更新内容 | 3d绝杀一码绝杀 | 3d今日开机号和试机号及关注码 | 3d今天试机号开机号关系 | 于海滨一语定胆保真 | 3d最准预测专家汇总大全 | 北斗3d今日专家预测推荐 | 3d必中永久直选500注大底 | 3d推荐号今晚专家预测 | 3d徐文轩今晚推荐号码 | 3d千禧试机号金码关注码对应码 | 3d四码直选多少钱一注 | 3d开机试机号金码号关注号 | 3d最精准专家预测汇总今天 | 3d太湖字谜三字诀 | 3d和值宫数线走势图 | 3d试机号今晚开机号 | 3d真实的谎言字谜总汇正版 | 3d今晚预测100% | 3d独胆三天必出计划论坛 | 詹天佑3d预测推荐 | 3d杀码十大专家天齐网 | 3d之家北斗今日预测 | 千禧金码关注码试机号 | 今日3d钱王点评 | 3d独胆双胆3d之家 | 北斗3d今日专家预测推荐 | 3d今晚试机号是多少查询 | 3d专家预测最准今天 | 3d推荐最新最准专家预测 | 今天3d牛彩网专家预测 | 今天3d开机号 试机号是多少 | 3d专家预测最准确最新汇总 | 3d之家独胆,双胆 | 三d十拿九稳预测号码 | 3d预测专家最准确今天 | 3D独胆下期最新精准预测 | 3d开机号和试机号今天金码关注号 | 3d专家预测最准确最新今天牛彩 | 今日三地开奖码 | 中国福彩3D独胆今日精准预测 | 3d近30期试机号和开奖结果 | 周不出最新3d杀码 | 今日3d十大专家双胆总汇 | 拼搏在线3d开机号和试机号列表 | 3d之家,专家预测预测 | 今天3d字谜3d一句定三码3d和值谜 | 3d开机号今天试机号30期 | 3d预测专家最准最新 | 3d预测今晚最新最准确 | 3d精准预测最准的专家直选 | 3d最大值走势图彩经网 | 3d推荐最新最准专家预测 | 三d预测专家预测今天最新 今于海滨3d预测 | 3d今晚惊天一注预测 | 3d字谜总汇今日3d字谜总汇牛彩网 | 中国福彩3D独胆独家预测 | 3d开机号今天试机号30期 | 3d最准专家预测号 | 3d詹天佑点评 | 苦命人3d推荐一注 | 3d太湖字谜图谜 | 牛彩网杀码图汇总 | 3d老炮子直选三注 | 千禧3d开机号试机号金码 | 3d太湖钓叟三字诀字谜汇总 | 2014年359期3d焰舞字谜 | 3d今晚精彩预测 | 詹天佑3d今天预测分析 | 最新3d预测专家预测 | 3d走势图基本走势图 | 福家老三3d推荐号 | 3d预测最准的专家 | 3d五码复式| 3d今日预测最准专家预测 | 独胆计划王 | 3d今晚和值推荐 | 3d就打一个胆中了多少钱 | 今日3d一句定三码最准和值谜 | 3d单双走势图表(专业版) | 3d今天专家推荐号码 | 今晚牛彩网3d预测汇总 | 3d开机号和试机号金码关注对应号 | 今日3d正版藏机图,藏机图汇总,天中网 | 3d千禧试机号码金码关注码 | 3d必中永久直选500注大底 | 3d走势图带连线图表牛彩网 | 3d专家预测最准确最新今晚预测号 | 3地独胆,毒胆双胆家彩网 | 3d预测今天推荐 | 太湖3d字谜今天的 | 3d今天专家推荐号码 | 3d直选精准100%免费 | 福彩3D独胆下期最新分析 | 今晚3d开奖号是多少 | 小薇3d预测今天推荐 | 3d专家预测推荐号码 | 3D独胆高手走势 | 3D独胆下一期精准预测 | 3d今晚最准专家预测号码145 | 3D独胆下一期杀号 | 3d号码预测和推荐号今天 | 3d今天专家推荐号码推荐 | 3d通辽独胆王今天 | 3d千禧试机号金码关注码对应码 | 3d专家预测最准确最新推荐号码 | 三d走势图基本走势图彩宝网 | 3d今晚推荐号码最新 | 3d试机号开奖号走势图表 | 今天3d开机号和试机号 | 3d千禧开机号试机号关注金码对应码 | 3d预测最准专家预测 | 3d专家免费预测 | 3d最准专家预测方法 | 3D独胆本期命中率 | 三天计划3d独胆论坛 | 3d字谜太湖最新 | 3d紫云涧专家预测推荐 | 孟庆会老师3d分析预测 | 3d今日预测最准专家预测 | 3d今晚上预测号码 | 3d最新专家预测汇总 | 3d,胆| 3d预测最准确的专家 | 3d杀码公式最新 | 三d预测专家最新推荐 | 3d专家推荐号码 | 3d精准预测推荐 | 至尊计划王三天计划独胆 | 千禧3d试机号金码关注码杀码今天3d | 3d最新专家预测汇总 | 3d今天开机号 试机号查询 | 3d故事小王双胆 | 3d今天预测最准确专家 | 3d最近1000期走势图表综合版图片 | 3d预测专家最准确 | 3d最新专家预测汇总大全 | 3d今晚最准专家推荐号码 | 3d今晚预测直选四注 | 今晚3d开奖号试机号 | 3d今晚预测直选四注 | 3d和值尾振幅走势图近50期 | 3d今天专家预测最新最准 | 3d推荐号今晚专家预测最准确 | 顶级胆神双胆必下 | 3d十大专家推荐号码汇总 | 太湖马后炮3d钓叟字谜 | 千禧3d试机号金码关注码码关注码双彩论六个 | 今日正版藏机图全部汇总239期 | 3d各类和值最新谜字谜今天 | 3d太湖钓叟字谜三字诀了3d开奖 | 3d最新最准专家预测号码 | 3d预测一注精准 | 3d鬼手字谜和谜 | 3d太湖字谜字谜汇总 | 3d詹天佑最新预测今天 | 最新3d预测专家预测 | 3d走势图带试机号彩宝网 | 3d预测推荐 | 唐龙3d预测今日出号点评 | 3d爱心角落试后一注 | 3d字谜总汇今日3d字谜总汇牛彩网 | 3d今天中了多少注直选 | 今晚3d独胆王 | 3d推荐最新最准专家预测 | 3d和值尾振幅走势图50期 | 今天三d专家推荐号码 | 三d试机号后专家预测汇总 于海滨专家3d今天预测 | 3d今晚最准的一注 | 3d开机号和试机号金码关注 | 千禧3d试机号金码关注码码关注码双彩论六个 | 3d最近100期历史记录 | 3d最准专家预测号 | 3d专家预测最准今天 | 今天3d试机号和开机号 | 3d专家预测最准确最新今晚预测 | 3d最新专家预测汇总牛部长预测 | 3d专家专家预测汇总 | 3d预测最准专家预测 | 3d辽宁独胆王 | 3d最准确预测专家 | 3d今晚专家预测推荐号 | 3d开机号试机号今天的 | 3d村独胆双胆3 | 3d十大专家推荐号码汇总 | 3d预测专家推荐号码 | 中国福彩3D独胆下期最新分析 | 北斗3d今日专家预测推荐 | 白鱼舟最新3d预测 | 两天计划双胆王 | 3d精准直选一注 | 3d双胆神算今天最新 | 3d开奖号码结果 今晚 | 3d专家预测最准最新今天 | 3d预测专家最准确 | 3d詹天佑最新预测 | 3d今晚专家预测 | 3d今天专家预测最准确 | 3d预测最精准一注 | 准香港3d漫画资料 | 3d预测专家精准推荐号 | 陈华今晚就赌一个胆今天最新更新内容 | 投资计划独胆三天计划 | 3d村独胆双胆3 | 3d徐文轩今晚推荐号码 | 3d北盟天机图藏机图 | 3d今天推荐号码是多少 | 3d免费专家预测推荐今天最新 | 3d圣手字谜图谜 | 三d预测专家最新推荐 | 解太湖3d字谜太湖 | 3d双胆独胆推荐 | 3d字谜图谜总汇全图汇总 | 三地杀码高手 | 一定牛3d杀码| 马后炮解3d太湖字谜 | 3d专家预测汇总大全 | 中国福彩3D独胆当天走势最新 | 3d预测詹天佑最新 | 于海滨专家3d今天预测 | 3d开机号和试机号今天千禧 | 排三平均值振幅走势图3d之家 | 毒胆牛人三天计划 | 3d预测专家最准确的专家预测今晚 | 詹天佑3d预测今天推荐号码 | 3d今天最新最准专家预测最 | 3d今晚最准最新专家推荐号 | 3d预测专家最准最新 | 3d詹天佑最新预测今天 | 今日太湖字谜3d总汇 | 唐龙每日一胆天齐网 | 今日3d预测 | 今天专家推荐号码3d | 小薇3d预测今天推荐 | 3d玩彩老头预测今天号码 | 今天3d詹天佑预测分析 | 3d今晚必出号 | 十拿九稳预测专家分析 | 福彩3D独胆老师走势最新 | 于海滨今天3d预测号 | 3d财神爷今晚独胆 | 3d跨度公式98准确率 | 3d今晚最准最新专家推荐号 | 3d今晚最准专家推荐号码 | 3d最大值振幅走势图3之家 | 于海滨海3d专家预测 | 牛彩网3d预测汇总大全手机版下载 | 三d今晚预测推荐十注 | 骄子铁鹰解3d字谜今日 | 今天专家推荐号码3d | 3d 今天 试机号开机号3 | 3d今天专家推荐号码 | 成功路上3d双胆独胆 | 福彩3D独胆大神精准预测 | 3d预测最准专家预测号码 | 3d太湖钓叟字谜三字诀乐彩论坛 | 3d太湖钓叟字谜汇总正版藏机图 | 今天3d专家预测汇总 | 3d之家双胆独胆预测 | 3d跨度振幅近100期走势 | 钱王点评+钱王老头预测 | 3d今晚最准专家预测号码145 | 3d太湖钓叟字谜三字诀 | 今天3d开机号试机号金码 | 今天的3d开机号和试机号查询 | 3d专家预测推荐最新 | 3d预测最准的专家预测 | 3d预测牛彩网 | 今天3d千禧试机号关注号金码号 | 3d专家推荐最精准的号码 | 今晚3d开奖号码多少 | 今晚3d开奖号试机号 | 今天3d中奖| 3d今晚专家推荐预测重点号码 | 3d之家独胆,双胆 | 3d今晚最准最新专家推荐号 | 詹天佑3d最新预测今天 | 3d近100期的开奖号码和试机号 | 3d专家解太湖字谜汇总 | 3d 今天 试机号开机号3 | 3d独胆专家推荐独胆 | 今天3d詹天佑预测分析 | 3d双胆独胆非常非常稳定 | 3d今日开机号和试机号及关注码 | 三d独胆| 3d金银胆神双胆 | 3d今晚专家预测推荐 | 千禧3d试机号金码关注码对应码 | 2025长期守号最佳5注推荐 | 北斗3d今日预测 | 今晚3d专家推荐 | 铁人真胆一句定三码3d字谜彩搜网 | 3d今天专家推荐号码 | 3d预测专家精准推荐 | 3d试机号今天开机号查询结果 | 北斗3d今日专家预测推荐 | 3d詹天佑最新预测今天 | 今于海滨3d预测今天牛彩网 | 3d专家预测最准最新 | 3d推荐最新最准专家预测 | 3d今天开机号和试机号100期 | 3d试机号开奖号走势图表 | 3d开机试机号金码号关注号 | 3d试机号今晚开机号 | 3d计算公式精准100%计算 | 经典小胆王三天计划配组合 | 3d最新准专家预测 | 3d预测专家最准确 | 3d预测号码最准确专家预测 | 最准的3d专家预测 | 3d直选历史遗漏查询 | 3d今晚专家预测 | 天齐网3d首页保真版3d预测 | 3d预测今晚最准专家预测号码 | 3d组选中一注多少钱 | 十拿九稳预测分析 | 钱王老头点评牛彩网 | 3d专家预测最准最新今天 | 千禧开机号和试机号对应金码 | 3d和值基本走势图新浪网 | 3d最准一个独胆毒胆 | 3d开机号,试机号和开奖号 | 徐文轩3d预测推荐 | 3d推荐号今晚专家预测最准确 | 3d今晚最准专家预测号码 | 故事小王p3双胆必下 | 布衣3d独胆双胆王 | 3d专家预测推荐号码 | 今晚3d精准一注直选 | 张克永3d预测今天 | 詹天佑预测3d | 今日3d字谜3d一句定三码诗天中图 | 3d千禧开机号试机号 | 于海滨今日杀码图最新 | 3d十大专家精准预测汇总 | 中国福彩3D独胆高手命中率 | 3d财神爷独胆双胆双飞计划三天 | 3d最准确专家预测 | 3d今天开机号和试机号码 | 3d中间号走势图振幅走势图 | 于海滨专家3d预测 | 3d今晚开奖号走势图 | 3d今晚精选预测一注 | 3d太湖字谜图谜总汇 | 3d独胆双胆独胆3d之村 | 福彩3D独胆今晚走势最新 | 3d预测最准最新准专家预测号码 | 3d十大专家汇总精选一注 | 3d今晚出的什么号 | 今晚3d专家推荐重点号码 | 3d百十差振幅走势图 | 詹天佑3d今晚预测号码 | 齐彩网3d专家预测 | 神仙姐姐独胆一个 | 今天的3d开机号和试机号查询 | 3d百个位和值尾走势图 | 3d专家预测最新最准推荐 | 3d和值尾振幅走势图近50期 | 3d试机号和开奖号走势图 | 陈华今晚就赌一个胆预测 | 3d直选开奖结果 | 3d独胆王精准100% | 3d专家预测最准最新今天 | 3d今晚十大专家预测汇总 | 3d专家最新最准专家预测 | 钱王点评+钱王老头预测 | 三d十拿九稳预测号码 | 真实的谎言3d字谜追加和值谜 | 最准3d预测专家推荐号 | 3d走势图带试机号彩宝网 | 三d推荐号专家预测今天 | 3d今天开机号和试机号牛彩网 | 3d预测专家最准确 | 3d预测最准专家预测 | 3d推荐最新最准专家预测 | 3d千禧试机号关注码金码今天晚 | 今晚3d推荐号 | 3d今晚开奖号走势图 | 3d预测最准确的专家预测软件 | 3d双飞怎么买多少钱一注 | 看彩大亨最新独胆预测 | 今日3d专家预测号码推荐 | 三d独胆王独胆双胆 | 3d今天专家推荐号码推荐 | 3d专家预测号码手机牛彩网 | 3d预测 下一期 3d预测专家 3d预测 | 3d今天最新最准专家预测最 | 毒牛人三天计划 | 3d今晚最准最新专家推荐号 | 3d试机号开机号今天查询排五 | 詹天佑3d今天最新预测 | 3d就打一个胆中了多少钱 | 3d预测专家推荐最准确 | 十拿九稳今天预测专家 | 3d今天开机号和试机号232 | 今晚3d天宇一句定三码字谜 | 3d开机号和试机号金码关注对应号 | 詹天佑3d今日推荐 | 3d预测最准确专家预测牛彩网 | 3d今晚最准一注 | 3d开机号和试机号是多少 | 3d今天专家预测号码 | 3d布衣双胆独胆王 | 3d千禧开号试机号关注金码对 | 3d专家最新最准专家预测汇总 | 千禧今晚3d试机号关注码金码 | 下一期专家准确预测 | 中国福彩3D独胆独家杀号 | 3d今天专家预测推荐号码 | 最新3d预测专家预测 | 3d最全晚间字谜汇总大全 | 3d今天专家推荐号码推荐 | 3d预测最准的专家预测 | 于海滨杀码图牛彩 | 玩彩独胆王三天计划 | 北斗3d今日专家预测推荐 | 3d试机号今晚开机号 | 排五奖号| 3d打一个独胆中了多少钱 | 自创3d绝杀四码方法细节 | 3d百个差振幅走势图近100期 | 3d今晚最准专家预测号码 | 今日精准预测推荐3d号码 | 3d预测专家最准确今天 | 3d 今天 试机号开机号3 | 今于海滨3d预测今天牛彩网 | 3d预测一注号推荐一3d预测一注今天 | 3d于海滨上的今天预测保真 | 于海滨海3d预测牛彩网 | 3d个位走势图振幅 | 于海滨海3d预测保真 | 3d最准预测专家推荐 | 3d专家预测最准最新今天 | 今天专家推荐号码3d | 今晚于海滨海3d预测3d | 3d最精准的专家预测精选 | 3d解太湖字谜汇总 | 3d鸿运坊预测号 | 3d太湖试机号 | 太湖谜3d太湖钓叟字谜 | 今天3d马后炮解太湖字谜汇总 | 3d今天专家预测最准确 | 3d和值专家推荐和值 | 3d直选综合走势图 | 福彩3D独胆下一期预测最新 | 3d今天出的什么号 | 3d字图谜总汇 | 财神爷三天计划独胆组合 | 3d今晚最准专家预测号码145 | 3d陈华今晚就赌一胆今天最新消息 | 3d太湖专家预测今晚 | 3d独胆王独胆预测 | 3d专家詹詹天佑最新推荐 | 3d和值尾振幅走势图专业版 | 詹天佑3d今晚预测号码 | 3d今天最新最准专家预测最 | 3d今晚专家推荐号 | 3d今晚专家推荐 | 3d今天专家预测号码最准确 | 3d独胆专家预测 | 龙彩居士3d预测今天最新版 | 3d今晚上专家推荐号 | 张克永3d预测今天 | 今天3d开机号 和试机号 查询结果 | 3d今晚最准三注 | 3d开机试机号金码号关注号 | 3d天中杀码图专区 | 3d北斗专家北斗预测今天079期3d | 3d试机号近10期(模拟) | 3d今晚预测直选一注3d一注预测 | 福彩3D独胆大神必中最新 | 3d彩宝网开机号和试机号 | 3d北斗专家北斗预测今天079期3d | 3d开心毒胆独胆王 | 今天3d千禧试机号关注号金码号 | 3d百位绝杀一码 | 于海滨3d最新预测 | 中国福彩3D独胆最新推荐 | 3D独胆下期最新精准预测 | 今晚3d开奖结果是多少 | 千禧金码关注码试机号 | 3d杀码最准确 | 3d专家推荐最新预测 | 最新3d预测专家预测 | 3d开机号试机号今天的 | 3d带线走势图连线走势图 | 今日3d预测号码推荐 | 3d免费专家预测推荐今天最新 | 3d今天开机号和试机号码200 | p3故事小王双胆下一今天 | 3d今天开机号和试机号100期 | 3d十大专家推荐号码汇总 | 牛彩预测汇总3d最新 | 今日3d一句定三码和值谜食物全部 | 自创3d绝杀四码方法细节 | 今天3d字谜3d一句定三码3d和值谜 | 3d最新最准预测号码今天 | 3d开机号今天近100期南方查询 | 今晚3d之家| 3d预测专家推荐号码推荐 | 中国福彩3D独胆下期最新必中 | 3d专家预测推荐号码 | 白姐3d今天预测号码 | 3d近30期试机号和开奖结果 | 3d最准一注(单挑王) | 3d试机号历史出现情况天齐网 | 3d于海滨预测 | 3d独胆必下一独胆3d独胆预测 | 3d最准的预测专家 | 十拿九稳专家预测专栏 | 3d太湖字谜汇总今天 | 今晚3d推荐号 | 今天3d杀码 | 中国福彩3D独胆下期最新必中 | 今日3d太湖字谜三字诀排三开奖结果 | 3d试机号码开机号 | 3d今天预测最准确专家 | 3d今天晚上预测最准专家 | 3D独胆专家精准预测最新 | 3d预测最准确专家预测 | 牛人独胆二天计划 | 3d走势图基本走势图 | 3d最近基本走势图 | 3d钓叟字谜三字诀官网 | 3d和值振幅走势图彩宝贝 | 3d十大专家双胆预测汇总 | 3d买4个号直选多少钱 | 3d最准一个独胆毒胆 | 福彩3D独胆下期预测 | 3d独胆双胆预测 | 3d最准一注号码 | 今天3d专家预测号码 推荐 | 今日3d藏机图正版藏机图134 | 白鱼舟最新3d预测 | 3d直选综合走势图表 | 3d开机号和试机号今天 今晚 | 3d今晚推荐号码最新 | 3d预测最准确专家预测 | 3d北斗专家北斗预测今天079期3d | 今天龙头凤尾预测 | 3d试机号历史出现情况天齐网 | 财神爷三天计划独胆组合 | 龙头凤尾最准确预测 | 2025排五守号推荐 | 今天3d太湖钓叟三字诀字谜 | 3d推荐号今晚专家预测最准确 | 3d三天计划独胆王 | 3d玩彩老头预测今天号码 | 3d预测最准专家预测牛彩网 | 3d专家预测汇总大全 | 3d走势图带连线图表牛彩网 | 3d牛彩网专家预测 | 3d预测专家最准确的专家预测 | 3d百个位和值尾走势图 | 3d最新专家预测推荐 | 今日太湖钓叟三字诀字谜 | 太湖解3d字谜汇总 | 彩坛老顽童3d独胆 | 于海滨专家3d今天预测 | 于海滨海3d专家杀码 | 3d十大专家推荐号码汇总 | 福家老三3d推荐号 | 3d最新专家预测汇总大全 | 3d正版藏机图总汇全图 | 3d今天预测最准确专家 | 大师诸葛亮今晚一个独胆 | 3d今晚预测精准 | 3d十位胆方法100准确 | 今晚3d预测推荐一注 | (暴富密码)绝杀两码预测 | 3d独胆王精准100% | 陈华3d预测今天推荐 | 3d今晚预测准确的专家预测 | 3d预测专家推荐最准确 | 李明启3d最新预测今天 | 3d牛彩网今天开机号试机号 | 3d独胆专家预测 | 3d十大专家精准预测汇总 | 3d三胆预测 | 十拿九稳今天预测专家 | 3d今晚试机号开奖号 | 3d今日专家推荐 | 铁人铁胆3d定位包星预测 | 3d独胆必下一独胆 | 今晚试机号多少3d | 3d预测专家最准确的专家预测今晚 | 詹天佑3d推荐 | 正版真精华布衣天下今天推荐号码 | 太湖钓叟三字诀字谜解释总汇 | 中国福彩3D独胆下期推荐杀号最新 | 3d今天最新最准专家预测最 | 三d开机号和试机号今天牛彩网彩 | 3d独胆必下一独胆3d独胆预测 | 钱王点评 | 3d今晚最精准一注一注 | 3d今天最新最准专家预测最 | 3d预测 下一期 3d预测专家 3d预测 | 3d十大专家预测汇总 | 3d预测最准最新准专家预测号码 | 今天3d开机号和试机号多少 | 3d开机号今天近100期南方查询 | 3d和值10有哪些号码 | 3d今天绕胆图彩之网 | 3d今天开机号和试机号码 | 3d走势图全图表 | 于海滨点评专家一注定胆保真版162期 | 今日3d字谜3d一句定三码诗天中图 | 3d独胆王精准100% | 十拿九稳预测专家分析 | 3d于海滨专家预测 | 今天龙头凤尾预测 | 3d专家预测号码最准确 | 天才计划三天计划独胆 | 铁人铁胆定位包是预测 | 3d专家预测推荐号最新 | 3d谜语太湖钓叟3d谜语今天 | 3d开机试机号金码号关注号 | 十拿九稳的最新预测 | 3d双胆独胆非常非常 | 3b千喜今天试机号关注金码 | 牛彩网3d预测汇总大全 | 三d的试机号是多少今天 | 唐龙3d预测今日出号点评 | 3d试机号历史情况 | 于海滨3d免费预测 | 3d直选综合走势图表 | 3d专家最准确推荐最新 | 3d最新专家预测汇总 | 十拿九稳十大专家预测汇总最新一期 | 3d千禧开机号试机号关注金码对应码 | 3d专家预测号码最准确 | 3d预测最准确的专家 | 3d试机号后专家推荐汇总 | 3d预测专家推荐最准确 | 排3藏机图正版藏机图今天 3d八哥图库总汇d字谜图谜总汇大全 | 今日3d蓝仙子一句定三码字谜 | 3D独胆实时必中最新 | 准香港3d漫画资料 | 于海滨预测3d号 | 3d定胆技巧准确率100% | 3d乾坤独胆王独胆 | 3d陈华今晚就赌一胆今天最新消息 | 3d之家预测专家预测 | 3d太湖钓叟字谜三字诀汇总 | 3d专家预测号码手机牛彩网 | 3d今天开机号和试机号多少 | 3d今晚最精准专家 | 3d十大专家汇总精选一注 | 3d开奖号今天结果 今晚 | 今日3d太湖字谜每天更新 | 3d开机号与试机号金码 | 今晚3d预测最准一注 | 正版真精华布衣天下今天推荐号码 | 3d试机号后专家预测汇总手机网 | 今日詹天佑3d预测分析 | 3d开机号今天牛彩网近30期 | 3d马前屁解太湖字谜 | 3d试机号今晚开机号 | 3d今日专家推荐号 | 福彩3D独胆下期预测 | 3d专家预测推荐号码 | 3d定胆王独胆定位 | 苏会文3d预测今天推荐 | 3d太湖字谜总汇大全 每天更新 | 今日毒胆 | 3d今天专家预测最准确 | 3d双胆独胆非常稳 | 3d专家预测最准确最新新闻 | 3d,胆| 3d和值和尾振幅走势图 | 张克永专家3d预测 | 3d预测专家最准最新 | 牛彩网近30期3d开机号试机号 | 3d预测专家汇总预测 | 今晚3d预测号 | 今天彩报中心 3d图库 | 排三王牌小哥独胆 | 3d和值振幅走势图带连线坐标 | 于海滨3d今晚预测 | 福彩3D独胆独家走势 | 3d必中永久直选500注大底 | 3d今天开机号试机号码 | 3d预测号码最准最新准专家预测号 | 3d字谜汇总大全总汇牛彩网开机号 | 千禧之年3d开机号试机号金码关注 | 3d今晚专家推荐预测重点号码 | 3d十大专家精准预测汇总 | 专家预测3d号码准确 | 3d最准确预测专家 | 3d今晚最准专家推荐号 | 今天的3d太湖字谜今天晚上 | 今于海滨3d预测今天单线联系 | 给一注今晚3d | 3d必中永久直选500注大底 | 排三专家推荐与预测今天 | 唐龙一胆今天最新 | 3d专家推荐最新预测 | 毒胆牛人三天计划今天 | 太湖3d字谜图谜总汇 | 3d正版藏机图谜汇总 | 3d今天专家预测最新最准 | 詹天佑今日最新点评 | 3d独胆双胆专家预测网 | 3d直选综合走势图 | 3d独胆双胆专家预测网 | 最准3d预测专家推荐号 | 詹天佑3d今日预测 | 太湖钓叟三字诀字谜更新 | 3d焰舞和值谜字谜 | 3d预测今日最新推荐 | 今天的3d开机号试机号 | 3d最准确预测专家 | 3d预测号码最准最新准专家预测号家彩网 | 3d专家杀码天中图库 | 3d,预测 | 3d开机号试机号码牛彩网 | 3d专家预测最准确今天南方双彩网 | 3d试机号开奖号走势图表 | 三d独胆| 3d最准确专家预测 | 3d专家预测最准确最新汇总对应码 | 3d开机号和试机号金码关注 | 3d开奖杀码定胆 | 今晚3d预测推荐一注 | 十拿九稳今天预测 | 3d的开机号试机号奖号表 | 近30期3d开机号和试机号 | 3d今晚专家预测最准确一注 | 今天p3藏机图正版藏机图 | 于海滨今日杀码图最新 | 神仙姐姐今晚杀码 | 3d预测专家推荐最准确 | 十拿九稳预测专家分析 | 3d字谜太湖钓叟三字诀今天 | 3d今晚开出什么号码 | 李明启3d预测最新号码 | 今晚3d预测专家预测号 | 3d至尊计划独胆 | 3d跨度振幅3d之家走势图 | 3d藏机图正版藏机图汇总今天最新图片 | 3d专家预测推荐号最新 | 3d独胆双胆专家预测网 | 3d独胆双胆 | 3d和走势图 和值尾连线 | 三天计划3d独胆论坛 | 3d太湖钓叟字谜三字诀乐彩论坛 | 牛彩网3d预测汇总大全手机版下载 | 詹天佑最新预测 | 今晚解太湖3d字谜 | 3d专家预测最准确最新新闻 | 3d今天开机号试机号金码关注号 | 中国福彩3D独胆独家必中最新 | 3d专家预测最准确今天 | 3d独胆王精准100% | 3d今晚最准确一注 | 今日排五专家推荐与预测 | 3d免费专家预测推荐 | 3d于海滨专家预测 | 3d今天专家预测最准确 | 3d今天中了多少注直选 | 3d今晚专家推荐号 | 3d今天推荐号码是多少 | 今天专家推荐号码3d | 今天3d开机号和试机号多少 | 十拿九稳预测专家分析 | 3d藏机图正版藏机图汇总今天最新 | 3d杀码图汇总牛彩网 | 3d藏机诗藏机图天中图库 | 3d独胆一个 | 3d今天走势图表 | 3d七码复式最准专家 | 今日3d字谜一句定三码和值谜定1 | 3d直选三注必中免费 | 3d陈华今晚独胆推荐 | 3D独胆专家精准预测最新 | 3d最准确的专家预测 | 今于海滨3d预测今天单线联系 | 3d开机号,试机号,金码号,对应码100 | 詹天佑3d预测推荐 | 3d最新专家预测汇总大全 | 财神爷三天计划独胆组合 | 唐龙一胆今天最新 | 太湖钓叟三字诀字谜更新 | 于海滨3d预测| 3d最准一注号码 | 今天的3d藏机图正版藏图 | 中国福彩3D独胆老师分析最新 | 3d今晚专家预测推荐 | 今天3d太湖字谜三字诀 | 3d预测推荐汇总牛彩网采摘收集 | 于海滨一语定胆专家点评 | 今晚3d开机号试机号金码 | 今晚3d专家预测精选一注 | 3d开机号近30期列表彩宝网 | 福彩3D独胆大神精准预测最新 | 今日3d开机号和试机号关注码千禧 | 小红人的计划三天计划 | 3d专家预测最准确最新今天 | 3d今天专家预测号码 | 中国福彩3D独胆下期推荐推荐最新 | 钱王点评十钱王老头给胆 | 3d杀码专家杀码最精准 | 于海滨海3d专家预测 | 3d试机号开机号今天晚上金码号 | 3d藏机图天齐正版藏机图 | 千禧3d试机号关注码金码列表 | 中国福彩3D独胆独家预测 | 3d推荐牛彩网 | 3d预测号码最准确专家预测 | 今天3d开机号,试机号是多少 | 3d推荐号今晚专家预测最准确 | 3d预测詹天佑最新 | 今晚3d一注50倍 | 3d直选走势图(专业版) | 3d专家预测最准确最新今天牛彩 | 3d最准确最新专家预测 | 3d预测 下一期 3d预测专家 3d预测 | 3d今晚专家预测推荐 | 3d双胆下一 | 中国福彩3D独胆专家精准预测 | 詹天佑最新预测3d | 今晚预测3d号 | 3d最新专家预测汇总大全 | 3d推荐号码今晚预测 | 3d专家推荐最新预测 | 3d最近100期历史记录 | 3d近15期开奖号码结果 | 3d单双走势图表(专业版) | 3d太湖钓叟字谜三字诀了3d开奖 | 今天3d于海滨预测 | 今天3d推荐号码今晚预测 | 专家精准预测3d号 | 3d今晚预测直选一注3d一注预测 | 3d最准确的预测方法 | 中国杀码王绝杀 | 3d近30期开机号试机号开奖号查询 | 3d今晚的开奖号码 | 3d专家预测汇总牛彩网彩摘收集 | 3d字谜总汇今日3d字谜总汇牛彩网 | 3d今于海滨杀码图 | 3d直选一注50倍单挑 | 3d预测专家推荐号码 | 3d两胆精准预测 | 3d今天专家预测号码最准确 | 福彩3D独胆实时走势 | 3d和值跨度走势图带连线 | 3d专家预测最准最新今天 | 今晚3d推荐号码 | 3d十大专家汇总大全 | 3d最精准专家预测汇总今天 | 3d推荐最新最准专家预测 | 3d预测号码最准最新准专家预测号 | 3d预测专家汇总预测 | 开奖结果3d今天晚上 | 3d太湖字谜总汇总(正版) | 3d预测最新最准专家 | 3d最新最准专家预测号码 | 福彩3D独胆下一期走势最新 | 小红人的计划三天计划 | 3d胆王帅哥独胆双胆 | 3d走势图和值振幅 | 3d今天专家推荐号码 | 最新3d预测专家预测 | 3d北斗今日预测 | 3d专家预测最准确今天上一期 | 3d预测专家推荐最准确 | 三d独胆| 今日3d太湖三字谜 | 3d陈华今晚就赌一胆天齐网 | 中国福彩3D独胆团队命中率最新 | 3d今天专家预测推荐号码 | 最准3d预测专家推荐号 | 3d今晚预测开奖号码 | 3d正版藏机图总汇全图 | 于海滨今日杀码图最新 | 千禧3d今天的试机号 | 财神一语定一注3d字谜 | 开心笨小孩3d独胆 | 今天3d字谜解太湖字谜 | 试机号开机号金码关注号对应码3d | 3d今天专家预测推荐号码 | 3d走势图专家推荐号码 | 3d字谜太湖最新 | 3d近100期开机号码 | 排三十拿九稳今天预测 | 3d杀码专家杀码最精准 | 于海滨3d每日杀一码 | 3d预测最准专家预测牛彩网 | 天齐网3d首页保真版3d预测 | 3D独胆团队走势 | 今天3d开机号试机号对应码列表 | 今天太湖字谜三字诀是什么 | 三天计划3d独胆必出论坛 | 3d3d今晚预测 | 今日焰舞3d焰舞字谜汇总大全 | 千禧3d试机号关注码金码试机号 | 飞向阳光龙头凤尾今天最新消息 | 3d今晚预测开奖号码 | 3d预测一注号推荐 | 3d今天出的什么号 | 3d今天中了多少注直选 | 3d太湖字谜大全 太湖钓叟 | 3d今天开机号和试机号 | 3d杀码十大专家天齐网 | 3d下期预测最精准的一注号码 | 今天三字诀太湖字谜 | 3d今晚开奖号码走势图 | 3d今晚中奖号157 | 3d家彩网 | 福彩3D独胆下一期必中 | 3d最新专家预测汇总大全 | 于海滨海3d专家预测 | 3d专家预测号码最准确 | 3d预测推荐汇总大全 | 3d军长独胆定位 | 3d今晚出的号码 | 沈宝桢个人简历 | 3d预测号最新最准牛彩网 | 排三十拿九稳今天预测 | 3d詹天佑推荐号 | 3d今天专家预测推荐号码 | 今天3d詹天佑预测分析 | 稳准狠三天计划 | 3d独胆双胆 | 3d预测最准确的专家 | 专家预测3d号码准确 | 于海滨3d预测| 3d千禧试机号金码关注最近10期 | 3d今晚的独胆 | 3d预测最准确专家预测 | 3d和值振幅走势图彩宝贝 | 福彩3D独胆下期预测 | 中国福彩3D独胆团队命中率最新 | 3d专家预测最准确今天 | 精准3d独胆 | 3d专家预测号码手机牛彩网 | 太湖字谜3d和值谜 | 十拿九稳专家最新预测 | 3d真帝王杀码图 | 3d试机号后专家预测推荐汇总 | 今晚3d的开奖结果 | 福彩3D独胆老师走势最新 | 3d预测专家推荐最准确 | 三d开机号和试机号今天牛彩网彩 | 开心笨小孩3d独胆 | 3d最精准专家预测汇总今天 | 陈华今晚就赌一个胆今天最新更新内容 | 于海滨杀码图今天最新 | 今日太湖字谜3d字谜太湖钓叟 | 3d最新专家预测推荐 | 3d开机号试机号今天最新50期 | 3d直选走势图(专业版) | 3d之家,专家预测预测 | 钱王点评+钱王老头预测 | 中国福彩3D独胆独家必中最新 | 今天3d太湖钓叟三字诀字谜 | 于海滨3d杀码预测 | 3d预测号码最准确专家预测 | 3d预测最准确的专家预测软件 | 3d今晚预测直选四注 | 三地千禧试机号关注金码对应码 | 3d预测专家最准确 | 3d专家预测最新 | 牛彩网近30期3d开机号试机号 | 于海滨3d免费预测最新的 | 3d今天专家预测最新最准 | 3d千禧试机号关注码金码是什么 | 3d十大专家精准预测汇总 | 3d最新专家预测汇总大全 | 3d预测号码最准最新准专家预测号 | p三杀码 | 3d千禧试机号金码关注码对应码 | 今于海滨点评专家一语定胆 | 一代女王p3杀两胆独胆 | 3d十位胆方法100准确 | 3d预测专家推荐号码 | 今日3d开奖号太湖字谜总汇 | 中国福彩3D独胆当天分析 | 今于海滨3d预测今天牛彩网 | 今晚3d开奖号走势图 | 3d千禧开机号和100期试机号 | 3d杀码大全天齐网 | 中国福彩3D独胆下期分析最新 | 于海滨3d预测天齐网 | 牛彩网3d专家预测汇总 | 今晚必中一注i | 3d千禧试机号金码关注码 | 3d最准专家预测号今晚3d试机号 | 3d开机号和试机号金码关注 | 牛彩网3d预测汇总 | 3d预测廊坊鸿运 | 千禧开机号试机号关注号金码杀码 | 3d小鱼图今日背面字谜 | 3d北斗专家北斗预测今天079期3d | 十拿九稳十大专家预测汇总最新一期 | 3预测,3d专家预测,最准确今天彩网 | 3d于海滨预测预测牛彩网 | 3d下期预测最精准的一注号码 | 千禧试机号关注号金码是什么 | 3d今晚推荐号 | 3d北斗专家北斗预测今天079期3d | 3D独胆大神走势 | 三d今日太湖字谜解 | 于海滨预测号 | 3d武当玉女掌门一句定三码字谜 | 3d精准推荐号 | 3d和值尾走势图(专业版) | 今晚3d开奖号试机号 | 今天3d开机号和试机号多少 | 3d近300期试机号和开奖号码 | 3d最精准专家预测汇总今天 | 于海滨杀码图谜 | 3d今晚专家预测最准确一注 | 今天3d推荐号码今晚预测 | 3d独胆预测必下一胆 | 3d乾坤独胆王独胆 | 3d精准预测最准的专家 | 3d杀码一定牛 | 北斗3d今日专家预测推荐 | 北斗3d今日专家预测推荐 | 3d开机号,试机号,金码号,对应码100 | 3d字谜财神一语定一注 | 3d太湖字谜图谜 | 3d跨度振幅近100期走势 | 3d十大专家双胆预测汇总 | 3d今晚预测最准确一注 | 詹天佑3d点评预测 | 今晚3d推荐号码是多少 | 最新3d预测专家预测 | 3d试机号后专家预测推荐汇总 | 3d今天专家预测号码 | 杀码王杀码 | 3d太湖一语定胆字谜 | 3d近100期开奖结果全部 | 3d谜语今天字谜今天的3d字谜是什么? | 财神爷独胆三天计划,就这么牛 | 3d走势图的基本走势图 | 3d免费预测汇总牛彩网 | 3d开机号和试机号八仙选号 | 3d试机号后专家预测推荐汇总 | 今天专家推荐号码3d | 3d今晚开机号试机号金码关注码今天 | 3d预测专家最准最新 | 福彩3D独胆高手分析 | 于海滨3d免费预测 | 3d陈华今晚就赌一个胆搜索一下 | 3d今天精准一注 | 3d预测最新最准专家 | 钱王点评+钱王老头预测 | 3d今天开机号和试机号码200 | 3d百位个位和值走势图 | 3d开机号和试机号码牛彩网 | 3d小鱼图今日背面字谜 | 3d今日开机号和试机号及关注码 | 3d今日预测最准专家预测 | 3d最准确的专家预测 | 3d和值尾振幅走势图50期 | 于海滨今天3d预测号 | 福彩3D独胆老师分析最新 | 3D独胆高手精准预测 | 3d今晚上推荐号码 | 3d今晚预测直选一注 | 3d预测专家最准确 | 千禧3d试机号关注码金码今天的 | 3d最准预测专家推荐 | 于海滨3d预测天齐网 | 3d太湖一语定胆字谜论坛 | 3d和值推算公式 | 拼搏在线3d开机号和试机号列表 | 三字诀3d字谜 | 3d钱王老头给胆点评 | 3d和值尾金木水火土走势图 | 3d晚秋和值谜彩吧图库 | 3d陈华今晚就赌一胆天齐网 | 钱王今天3d预测号 | 3d预测最新最准专家 | 3d之家双胆独胆预测 | 3d预测今晚推荐号 | 今天3d詹天佑预测分析 | 中国福彩3D独胆最新必中最新 | 3d今天开机号和试机号是多少 | 3d今晚预测精准 | 3d开机号试机号今天开奖号 | 3d预测专家精准推荐 | 3d下期专家预测 | 2014年359期3d焰舞字谜 | 3d试机号开机号今天查询排五 | 3d字谜汇总大全总汇牛彩网开机号 | 3d独胆必下一独胆准 | 3d今晚专家推荐号 | 辉煌看胆双胆3d | 3d今晚开奖号结果3b | 给一注今晚3d | 3d开机号和试机号码牛彩网 | 3d专家预测最准确最新今天牛彩 | 3d布衣独胆王| 3d专家预测最准确最新今天牛彩 | 3d今晚专家预测最准确一注 | 3d最准确预测专家 | 3d今晚预测准确的专家预测 | 3d今天专家预测最准确 | 3d预测专家最准确的专家预测今晚 | 3d于海滨上的今天预测保真 | 今日3d蓝仙子一句定三码字谜 | 今天最新3d开机号试机号关注码 | 3d太湖解字谜| 3D独胆专家精准预测最新 | 3d上下五千年专家预测 | 今天的3d太湖字谜图 | 3d今晚预测最新最准确号码牛彩网 | 3d直选走势图(专业版) | 于海滨点评专家一注定胆保真版162期 | 3d推荐号今晚专家预测最准确 | 今日3d专家预测总汇 | 3d预测号码最准最新准专家预测号 | 3d陈华今晚就赌一个胆搜索一下 | 3d图库彩吧彩报第三版 | 15选5预测最准十专家预测 | 辽宁独胆王三天计划 | 3d专家最新最准预测 | 福彩3D独胆团队必中最新 | 3d最佳一注号码 | 3d专家预测最准确今天上一期 | 2008年359期3d焰舞字谜 | 天才计划三天计划独胆 | 彩吧17500论坛| 3d詹天佑最新预测牛彩网 | 3d专家今日推荐号码 | 3d独胆高手| 3d杀码条件今天最准 | 3d预测专家推荐号码推荐 | 3d于海滨上的今天预测 | 3d十位单选振幅走势图 | 3d今天最新最准专家预测最 | 3d中间最小两码差值振幅走势图 | 千禧3d开机号试机号金码 | 今晚试机号多少3d | 3d专家预测最准最新今天 | 3d太湖钓叟字谜三字诀 | 3d十位走势图彩经网 | 3d推荐号| 3d今天开机号和试机号码 | 千禧试机号金码关注码的历史记录 | 3d直选历史遗漏查询 | 今天3d开机号和试机号全部 | 3d专家预测号码手机牛彩网 | 3d专家预测推荐汇总 | 3d开机号和试机号今天多少 | 3d预测最准的专家预测 | 3d走势图基本走势图 | 毒胆牛人三天计划必出 | 3d今天预测最准确专家 | 3d怎么守号不亏 | 于海滨点评专家一注定胆保真版 | 3d专家预测号 | 3d专家最新最准专家预测 | 3d大富好预测汇总 | 3d专家预测最准确今天 | 今晚3d专家预测精选一注 | 今晚3d专家预测汇总 | 3d近30期开奖号码 | 3d天地杀码图 | 3d詹天佑推荐号码 | 3d上下五千年专家预测 | 3d最准确最新专家预测 | 3d专家预测最准确今天 | 今晚3d专家推荐号码是多少 | 3d今晚预测3d更准 | 三d预测最准十专家预测今晚 | 中国福彩3D独胆下期推荐推荐最新 | 3d专家最新最准专家预测汇总 | 今日钱王给胆点评 | 于海滨海3d专家预测今天 | 牛彩网近30期3d开机号试机号 | 3d之家,专家预测预测 | 3d最新最准预测号码今天 | 十拿九稳今天预测专家 | 三字诀太湖三字诀字谜 | 3d字谜图谜总汇全图汇总 | 三d十拿九稳预测号码 | 于海滨海3d预测牛彩网 | 3d预测最准确的专家 | 3d于海滨预测预测牛彩网 | 玩彩独胆王三天计划 | 中国福彩3D独胆当天走势最新 | 千禧3d今天的试机号 | 3d谜语字谜太湖天齐网 | 3d牛彩网 | 今天3d试机号开机号是什么 | 今天晚上三d开奖结果 | 3d专家杀码天中图库 | 顶级胆神双胆下一 | 于海滨3d今晚预测 | 3d今晚专家预测最准确一注 | 今于海滨3d杀码 | 3d最大值振幅走势图彩经 | 十拿九稳预测专家分析 | 3d预测最准专家预测牛彩网 | 3d于海滨上的今天杀码 | 3d彩吧图库手机牛彩网 | 3d大老人预测 | 今晚3d推荐号码是多少 | 经典小胆王三天计划配组合 | 3d万能大底共250注直选 | 今天3d专家推荐重点号码 | 太湖马后炮3d钓叟字谜 | 3d的最新走势图表 | 3d双胆独胆非常非常稳定 | 3d最新预测专家推荐 | 3d詹天佑预测分析牛彩网 | 3d专家预测最准确最新汇总对应码 | 今日3d蓝仙子一句定三码字谜 | 今晚3d专家推荐 | 3d今天开机号和试机号开奖结果 | 3d今日专家推荐号 | 3d之家独胆,双胆 | 3d于海滨上的今天杀码 | 3d开机号试机号码牛彩网 | 3d走势图专业版(带连线) | 3d预测图 | 3d预测专家 | 3d最新专家预测汇总大全 | 中国福彩3D独胆今晚分析 | 3d专家预测最准确最新新闻 | 3d字谜总汇图 | 三码合一是什么意思? | 3d免费预测汇总牛彩网 | 3d独胆必下一个胆 | 今天龙头凤尾预测 | 3d今日专家推荐号 | 3d最新最准专家预测号码 | 3d于海滨上的今天预测保真 | 三d字谜总汇大全 | 3d试机号后专家预测汇总 | 解今日太湖3d字谜 | 3d独胆双胆专家预测网 | 马后炮解3d太湖字谜总汇大全 | 中国福彩3D独胆老师分析最新 | 3d今晚预测最新最准确号码牛彩网 | 3d今晚最准专家预测号码 | 3d专家最准确推荐最新 | 3d预测专家推荐号码推荐 | 3d老炮子直选三注 | 今天3d试机号和开机号 | 3d今于海滨杀码图 | 杀码3d杀码图 | 3d预测最准确专家预测牛彩网 | 3d钱王点评| 孟庆会老师3d预测今天 | 牛兄双胆| 3d今晚字谜太湖字谜是什么 | 3d藏机图正版藏机图全图牛彩网 | 最准3d预测专家推荐号 | 3d今天专家预测号码最准确 | 3d走势图基本走势图表 | 今日排三太湖钓叟字谜三字诀 | 詹天佑3d最新消息今天 | 今日3d蓝仙子一句定三码字谜 | 3d专家于海滨 | 3d独胆专家推荐独胆 | 唐龙一胆今天最新 | 3d今晚专家预测最准确号码 | 福彩3D独胆老师必中最新 | 看彩大亨看独胆双胆预测 | 3d专家预测最准确今天上一期 | 太湖字谜3d和值谜 | 3d预测今晚最新最准确 | 3d廊坊鸿运正版推荐 | 3d字谜今天太湖字谜 | 今天3d开机号试机号对应码列表 | 3d专家推荐预测号 | 3d专家预测最准确最新今天牛彩 | 3d看胆精英独胆 | 3d预测今晚推荐号 | 3d预测最准最新牛彩网 | 3d紫云涧专家预测推荐 | 3d推荐号今晚专家预测最准确 | 中国福彩3D独胆独家必中 | 3d推荐号3d推荐号码 | 3d今天专家推荐号码推荐 | 3d杀码更准确 | 3d预测今晚最准专家预测号码 | 3d专家预测号码推荐今天 | 3d今天专家预测推荐号码 | 3d最新最准预测号码今天 | 3d太湖历史字谜 | 毒胆| 3d近30期开机号试机号开奖号查询 | 中国福彩3D独胆当天分析 | 3d试机号开机号今天查询排五 | 杀码王杀码 | 3d往年历史今天开奖结果 | 3d预测最准专家预测号码 | 福家老三3d推荐号 | 3d通杀一码 | 今晚3d专家推荐重点号码 | 一代女王决杀两胆免费观看 | 3d最精准的专家预测精选 | 于海滨一语定胆天齐网 | 3d今天专家预测最新最准 | 今日詹天佑3d预测 | 3d今晚开奖号码走势图 | 2002146期3d开奖结果 | 3d独胆双胆3d之家 | 白鱼舟最新3d预测 | 今天3d开机号和试机号 | 3d独胆王精准100% | 3d钓叟字谜三字诀官网 | 中国福彩3D独胆独家必中最新 | 3d预测最新最准3d之家 | 3d双胆神算今天最新 | 3d紫云涧专家预测推荐 | 福家杀码王p3 | 3d预测最准最新牛彩网 | 3d预测汇总 | 3d牛彩图谜字谜总汇九 | 玩胆先生今晚双胆 | 于海滨杀码图 | 3d预测专家准确推荐 | 卫星电话最建议买的三个型号 | 今于海滨3d杀码图24210 | 3d最准一注(单挑王) | 3d精选号码推荐今天最新 | 3d千禧试机号关注码金码是什么 | 3d预测专家精准推荐 | 福彩3D独胆明日分析 | 三地杀码高手 | 3d藏机图天齐正版藏机图 | 3d今晚开出什么号码 | 今天3d太湖钓叟三字诀字谜 | 中国福彩3D独胆最新推荐最新 | 唐龙一语定胆3d今天 | 3d专家预测最准确最新推荐号码 | 3d预测最精准一注 | 55125预测汇总3d | 3d今天开机号和试机号码 | 3d试机号近10期彩经网 | 3d单选一注能中多少钱 | 3d预测专家推荐 | 今天3d的开机号和试机号是多少号 | 今于海滨一语定胆保真今天 | 今晚3d推荐号码 | 3d预测专家推荐最新 | 3d预测专家精准推荐 | 天天彩于海滨海3d最新预测 | 3d试机号开机号近50期 | 3d字谜总汇今日3d字谜总汇牛彩网 | 3d专家预测推荐号码最准最新 | 3d今天开机号和试机号码727 | 3d今晚专家推荐号 | 排5预测,最准排五专家 | 詹天佑最新预测 | 3d今晚试机号是多少查询 | 小财神三天计划独胆 | 3d杀码百位十位个位 | 3d走势图专业版(带连线) | 3D独胆下期最新预测 | 福彩3D独胆最新必中最新 | 3d预测专家推荐最准确 | 于海滨海3d预测免费每日精选3d开奖号 | 3d今晚专家预测 | 3d今天单挑50信 | 3d焰舞和值谜字谜 | 3d于海杀码图 | 排三杀码专家天齐网 | 3d独胆双胆 | 中国福彩3D独胆独家杀号 | 3d预测专家准确推荐 | 小薇3d预测| 今天3d定位字谜二 | 3d最新最准预测号码 | 千禧3d开机号试机号金码 | 3d开机号和试机号今天多少 | 3d徐文轩今晚推荐号码 | 3d今晚专家预测推荐号 | 3d开机号试机号30期列表彩宝网 | 3d最准专家预测方法 | 小财神三天计划独胆必下 | 牛彩网3d专家预测汇总 | 3d预测专家最准确的专家预测今晚 | 3d试机号今天晚上金码92期 | 3d今于海滨杀码图 | 3d今晚最精准一注一注 | 3d预测号码最准最新推荐 | 太湖钓叟三字诀字谜解释总汇 | 3d千禧开机号和100期试机号 | 手机牛彩网3d预测 | 3d试机号关注号金码对应码开机号 | 中国福彩3D独胆明日推荐 | 3d试机号后专家预测推荐汇总 | 3d十大专家预测汇总 | 3d和值012走势图带连线图 | 3d试机号开机号今天晚上金码号 | 今晚最准一注3d | 3d开机号近200期历史记录 | 3d推荐号今晚专家预测 | 3d七码复式最准专家 | 3d老虎独胆 | 3d今天开机号,试机号 | 3d最准确预测专家 | 3d和值跨度走势图带连线 | 3d字谜汇总大全总汇大全 | 福彩3D独胆下一期必中 | 中奖开奖结果3d | 毒胆牛人三天计划 | 3d最准确的专家预测 | 3d预测专家推荐最新 | 太湖3d字谜图谜总汇 | 3d太湖字谜总汇总(正版) | 今天的3d开机号和试机号查询 | 3d专家预测最准确最新新闻 | 3d推荐号今日预测 | 福彩3D独胆本期推荐 | 3d最新专家预测推荐 | 今日3d专家推荐号码 | 3d独胆是什么意思 | 3d今天最新最准专家预测最 | 3d今天专家预测号码 | 3d老炮子直选三注 | 3d今晚专家预测推荐号 | 3d最准预测专家预测大 | 3d今晚上开奖号码 | 3d孔方来萃解太湖字谜 | 今天3d太湖钓叟三字诀字谜 | 3d开机号今天近100期南方查询 | 3d和值基本走势图表 | 千禧开机号试机号关注号金码杀码 | 3d今晚专家预测推荐号 | 3d开奖结果近10期 | 3d今天专家预测最准确 | 3d专家预测推荐最新 | 中国福彩3D独胆明日推荐 | 3d太湖钓叟字谜三字诀汇总 | p3故事小王双胆下一今天 | 3d试机号今天晚上金码92期 | 3d独胆之家 | 排3藏机图正版藏机图今天 3d八哥图库总汇d字谜图谜总汇大全 | 3d预测今晚推荐号 | 3d开机号试机号码牛彩网 | 2025长期守号最佳5注推荐 | 今天3d开机号和试机号码结果查询 | 3d布衣独胆双胆必下一 | 3d和值尾振幅走势图50期 | 3d专家预测推荐最新 | 3d预测最准最新准专家预测号码 | 3d徐文轩今晚推荐号码 | 三地千禧试机号关注金码对应码 | 今天3d专家预测号码 | 3d毒胆王独胆 | 3d双胆独胆推荐 | 3d预测最准最新准专家预测号码 | 3d詹天佑预测汇总 | 试机号千禧关注金码 | 3d开奖结果今晚号码 | 3d杀码大全| 3d双胆图| 3d两胆精准预测 | 3d开机号码试机号牛彩网 | 3d最准确预测100%一注 | 3d最准确预测专家 | 3d走势图和值振幅 | 3d精准预测推荐 | 给一注今晚3d | 3d直选历史遗漏查询 | 3d中间值振幅走势图之家 | 于海滨3d预测牛彩网 | 廊坊鸿运3d推荐今天 | 今于海滨点评专家一语定胆 | 3d和值跨度走势图带连线 | 3d十个位差值振幅走势图3d之家 | 3d试机号开机号关注号金码 | 3d个位走势图图表 | 3d和值跨度走势图带连线 | 3d今天精准一注 | 3d走势图专业版(带连线) | 3d十大专家推荐号码汇总 | 3d定胆 | 3d今天试机号和开机号 | 解3d字谜太湖钓叟汇总 | 詹天佑3d最新预测今天 | 3d千禧开机号试机号关注金码 | 3D独胆团队命中率最新 | 3d推荐最新最准专家预测 | 3d今天开机号和试机号多少 | 小红孩3d独胆今天 | 3d海滨点评一语定胆今天最新推荐 | 今晚3d专家推荐号码是多少 | 今天3d千禧试机号关注号金码号 | 西施姐姐就赌一个独胆 | 3d字谜太湖字 | p三杀码 | 3d专家预测最新 | 3d专家预测最准确今天 | 3d预测最准的专家预测 | 牛人独胆三天计划 | 今天3d开机号试机号牛彩网 | 3d两胆精准预测 | 3d字谜总汇今日3d字谜总汇牛彩网 | 3d试机号后专家推荐汇总 | 3d今晚预测直选一注3d一注预测 | 钱王点评钱王老头预测 | 排3太湖钓叟字谜三字诀 | 于海滨3d杀码预测 | 3d十大专家双胆预测汇总 | 3d今晚出啥号 | 今天3d开机号,试机号是多少 | 3D独胆独家推荐 | 三字诀3d字谜 | 专家预测3d号码准确 | 陈华3d独胆推荐 | 千禧3试机号金码关注码金码 | 3d和值走势图(专业版) | 3d专业版(走势图带连线) | 排五专家预测精准 | 3d最精准专家预测汇总今天 | 今日3d太湖字谜三字诀 | 天齐藏机图汇总正版藏机图 | 今晚3d开机号和试机号是多少 | 孟庆会3d预测今天 | 彩宝贝十大专家杀蓝号 | 今天3d出的什么号 | 今于海滨3d杀码 | 今天最新3d开机号试机号关注码 | 于海滨3d预测今天 | 牛彩预测汇总3d最新 | 3d今晚预测精准 | 3d真帝王杀码图 | 中国福彩3D独胆团队命中率最新 | 钱王点评十钱王给胆下一期预测 | 3d单个冷号最大遗漏 | 3d紫云涧专家预测推荐 | 排五预测专家预测 | 3d今天预测最准确专家 | 3d预测号码最准最新推荐 | 3d杀码图汇总牛彩网 | 孟庆会老师3d分析预测 | 3d开奖号码走势图表 | 专家彩宝贝预测汇总 | 3d号码预测和推荐号今天 | 3d今天开机号试机号金码关注号 | 中国福彩3D独胆今日走势最新 | 3d最准一注号码 | 十拿九稳今天预测 | 今天3d专家推荐重点号码 | 3d预测专家推荐最准确 | 千禧之年3d开机号试机号金码关注 | 中国福彩3D独胆下期推荐推荐最新 | 今晚3d开奖直选结果 | 今日3d预测号码推荐 | 3d开机号,试机号,金码号,对应码100 | 周星星3d预测手机牛彩网 | 3d藏机图正版藏机图汇总今天最新图片 | 3d试机号近30期牛彩网 | 今天3d专家预测号码 推荐 | 3d正版藏机图天齐网汇总 | 3d预测号最新最准牛彩网 | 3d今晚最准专家推荐号 | 于海滨今日预测号 | 55125预测汇总3d| 3d今晚最准最新专家推荐号 | 3d专家预测牛彩网 | 今晚3d专家推荐号码 | 3d专家预测最准确今天 | 今晚3d的开奖号码 | 3d多少钱一注 | 独胆王三天计划 | 3d开机号和试机号今天千禧 | 3d独胆双胆 | 3d预测詹天佑最新 | 3d于海滨上的今天杀码 | 3d双胆预测 | 今天的3d开奖号是多少 | 太湖3d字谜图谜总汇 | 于海滨最新3d预测推荐今天 | 今于海滨一语定胆保真今天 | 3d试机号200期历史 | 今日3d预测专家推荐 | 3d今日推荐号| 于海滨预测3d号 | 3d预测最准确的专家 | 千禧试机号金码关注号对应码杀码 | 3d今于海滨杀码图 | 今日3d开机号和试机号关注码千禧 | 3d最新专家预测汇总大全 | 3d专家预测最准确最新今晚预测号 | 3d个位振幅走势图近50期 | 3d长中剑客预测今天 | 福彩3D独胆下一期必中 | 于海滨今天杀码3d | 今晚3d预测号 | 小红人的三天计划今天是什么 | 故事小王p3双胆必下 | 3d今天最新最准专家预测最 | 彩坛老顽童3d独胆 | 3d专家直选最精准一注 | 今天的3d开机号和试机号查询 | 天齐藏机图汇总正版藏机图 | 神仙姐姐独胆一个 | 3d基本走势图结果 | 3d杀码图汇总 | 3d今晚字谜太湖字谜是什么 | 独胆王三天计划 | 今晚了3d开奖结果 | 今天3d开机号试机号对应码列表 | 3d小红人三天计划 | 3d组选中一注多少钱 | 3d预测最准最新准专家预测 | 六鬼神算图3d谜图 | 3d今晚预测直选一注3d一注预测 | 3d独胆双胆专家预测网 | 3d今晚最准专家推荐号码 | 3d预测最准专家预测牛彩网 | 3d字谜太湖解字谜 | 小德3d今天双胆定位 | 于海滨点评加专家一语 | 3d今晚专家预测推荐号 | 千禧试机号金码关注号对应码杀码 | 3d今天最准专家预测 | 牛彩网近30期3d开机号试机号 | 3d于海滨专家预测 | 3d三胆最准 | 3d预测詹天佑最新 | 今天3d开机号试机号金码 | 3d今晚最准的一注 | 3d藏机图正版藏机图全图牛彩网 | 3d跨度振幅走势图3d专家 | 3d晚间字谜总汇大全 | 3d今晚专家预测推荐号 | 今晚3d预测号 | 3d跨度振幅走势图3d专家 | 今天的3d藏机图正版藏图 | 3d开机号与试机号金码 | 3d预测最准的专家预测 | 今天3d詹天佑预测分析 | 于海滨最新3d预测推荐今天 | 廊坊鸿运3d最新预测 | 飞向阳光龙头凤尾预测 | 3d之家独胆,双胆 | 3d专家预测推荐号码最准最新 | 十大专家3d预测汇总 | 3d下期预测最精准的一注号码 | 《天才计划》三天计划独胆3d | 3d今日预测最准专家预测 | 近100期3d开机号和试机号 | 3d千禧开机号试机号关注金码对应码 | 3d今晚专家推荐号 | 于海滨专家一语定胆十好心人 | 布衣3d独胆双胆王 | 3d今晚预测最新最准确号码牛彩网 | 3d预测专家推荐最准确 | 小胆神玩毒胆我3d | 今晚3d预测号 | 大师诸葛亮今晚一个独胆 | 龙头凤尾最准确预测 | 千禧之年3d开机号试机号金码关注 | 3d今天开机号和试机号码727 | 太湖3d字谜太湖钓叟三字诀 | 3d预测号码| 于海滨海3d预测保真 | 3d今天预测最准确专家 | 3d专家预测最新最准 | 3d今晚上专家推荐号 | 3d直选一注今天 | 3d专家预测最准最新 | 千禧试机号金码关注号对应码杀码 | 3d陈华今晚就赌一胆今天最新消息 | 3d走势图带试机号彩宝网 | 3d太湖钓叟字谜三字诀 | 3d今天开机号和试机号码牛彩网 | 3d今天最新最准专家预测最 | 3d字太湖叟字谜 | 3d七码复式最准专家 | 3d两胆精准预测 | 今天3d牛彩网专家预测 | 3D独胆本期命中率 | 三地百位振幅3d之家走势图 | 3d开机号和试机号今天金码关注号 | 钱王今天3d预测号 | 3d今晚一注 | 3d预测一注号推荐今晚 | 3d今晚最准专家预测号码145 | 于海滨专家3d今天预测 | 牛人高手【3d精选】 | 3d陈华今晚独胆推荐 | 3d试机号后专家预测 | 今天3d千禧试机号关注号金码号 | 字谜3d太湖马后炮 | 3d藏机图正版藏机图太湖字谜 | 3d今晚最准确一注 | 今晚3d专家推荐号码是多少 | 李明启3d预测最新号码 | 3d专家预测推荐号码 | 今日3d太湖字谜三字诀排三开奖结果 | 中国福彩3D独胆当天精准预测 | 3d最准确最新专家预测 | 3d毒胆双胆三胆 | 今天3d的开机号和试机号是多少号 | 3d五码复式 | 3d专家预测推荐最新 | 3d太湖专家预测今晚 | 3d预测专家准确推荐 | 3d专家推荐最精准的号码 | 3预测,3d专家预测,最准确今天彩网 | 3d推荐最新最准专家预测 | 3d字谜汇总大全总汇牛彩网开机号 | 今天3d开机号和试机号对应金码 | 3d小鱼图今日背面字谜 | 太湖字谜三字诀汇总 | 3d晚间字谜总汇大全 | 3d今天开机号试机号3 | 3d十大专家精准预测 | 小薇3d预测今天推荐 | 3d今日开机号和试机号及关注码 | 下一期专家推荐号码 | 3d基本走势图(专业版)近200期 | 3d今日预测最准专家预测 | 于海滨杀码今天最新版 | 中国杀码王绝杀 | 看彩大亨最新独胆预测 | 3d专家预测最准确最新推荐号码 | 于海滨海3d专家预测今天 | 3d试机号今天晚上是多少 | 3d独胆双胆专家预测网 | 福彩3D独胆团队必中最新 | 3d预测一注号推荐今晚 | 3d长中剑客预测今天 | 3d开奖结果今晚号码 | 布衣杀码图3d杀码 | 带头大哥3d预测今晚 | 3d恋预测今晚预测是哪里出的 | 3d专家最新最准专家预测汇总 | 3d和值专家推荐和值 | 3d开机号和试机号今天查询 | 3d专家最精准的推荐 | 3D独胆专家精准预测最新 | 开奖结果3d今天晚上 | 3d独胆双胆专家预测网 | 今天3d开机号试机号牛彩列表 | 3d预测一注号推荐今晚 | 3d专家预测汇总牛彩网收集汇总 | 3d推荐号今晚专家预测 | 3d今晚试机号开奖号 | 千禧试机号金码关注码的历史记录 | 三d字谜图谜总汇牛彩网 | 3d直选一注今天 | 今天三d专家推荐号码 | 福彩3D独胆下期预测 | 3d定胆王独胆定位 | 今天3d专家预测号码 推荐 | 3d今天试机号和开机号 | 独胆三天计划 | 3d今天专家推荐号码推荐 | 三天计划3d独胆必出论坛 | 3d今天开机号和试机号码727 | 精准3d独胆 | 三d走势图基本走势图彩宝网 | 3d近300期试机号和开奖号码 | 3d和值尾振幅走势图3d走势3d之家 | 三d今日预测 | 3d预测专家最准确的专家预测 | 3d精准预测最准的专家直选 | 太湖3d字谜三字诀 | 3d今天开机号试机号金码关注号 | 3d今日正版藏机图最新更新内容 | 3d免费专家预测推荐今天最新 | 3d今天千禧试机号关注号金码 | 3d预测号专家预测 | 今晚于海滨海3d预测3d | 3D独胆下期最新精准预测 | 唐龙3d预测今日出号点评 | 于海滨杀码今天最新版 | 中国福彩3D独胆专家精准预测最新 | 福彩3D独胆实时杀号 | 3d个位振幅走势图近50期 | 3d独胆双胆下一 | 3d詹天佑预测分析牛彩网 | 3d独胆怎么打 | 排3太湖钓叟字谜三字诀 | 3d走势图专业版(带连线) | 今天3d开机号和试机号码结果查询 | 千禧3d试机号金码关注码杀码今天3d | 专家预测3d号码准确 | 3d跨度分位走势图图感觉 | 太湖钓叟3d字谜太湖字 | 今晚3d预测号 | 今晚3d开奖直选结果 | 排三专家推荐与预测今天 | 今晚3d专家最精准的预测 | 3d开机号今天牛彩网近30期 | 今天3d专家预测汇总 | 张克永专家3d预测 | 3d陈华今晚就赌一胆o11预测 | 3d双胆,独胆非常非常稳定 | 3d今晚专家预测推荐 | 今天3d专家推荐重点号 | 3d詹天佑3d预测| 今晚3d预测最准一注 | 3d预测最准确的专家 | 3d开机号试机号近100期开奖号码 | 3D独胆专家推荐 | 今天3d开机号,试机号是多少 | 今天3d正版太湖字谜 | 3d今晚预测最新最准确号码牛彩网 | 3d预测今日最新推荐 | 3d预测牛彩网预测汇总 | 3d专家杀码天中图库 | 于海滨3d预测牛彩网 | 3d今天专家推荐号码推荐 | 3d专家预测最准最新 | 3d今晚预测最新最准确号码牛彩网 | 3d开机号试机号30期列表走势图 | 3d专家今天预测一注 | 3d牛彩网采摘收集预测汇总 | 3d专家预测独胆最准确 | 成功路上3d双胆独胆 | 今日正版3d藏机图汇总 预测 | 3d最准预测专家预测大 | 3d预测詹天佑最新 | 中国福彩3D独胆独家必中 | 财神爷三天计划独胆组合 | 3d太湖字谜官网 | 马后炮解3d太湖字谜总汇大全 | 今于海滨3d预测今天单线联系 | 3d开机号和试机号金码关注对应号 | 3d专家最新最准专家预测汇总 | 今日3d大老人预测号 | 排五预测号专家 | 排三十拿九稳今天预测 | 今晚3d开奖号是多少 | 3d字谜太湖解字谜 | 3d于海滨预测预测牛彩网 | 于海滨杀码今天最新版 | 今晚3d独胆王 | 马后炮解3d太湖字谜总汇大全 | 3d专家预测号码手机牛彩网 | 预测今晚3d一注 | 3d今天专家推荐号码 | 今天3d双双独胆字谜 | 3d预测专家推荐号码推荐 | 李明启3d预测最新号码 | 3d推荐号今晚专家预测 | 3d专家预测最准确最新今晚预测号 | 3d十大专家推荐号码汇总 | 3d预测专家推荐最准确 | 卫星电话最建议买的三个型号 | 3d预测专家精准推荐号 | 于海滨点评专家一注定胆保真版162期 | 预测今晚3d一注 | 3d今晚开奖号码结果是多少 | 于海滨一语定胆 | 今天3d开机号和试机号对应金码 | 3d两胆王双胆必下 | 明天的3d太湖字谜 | 今天彩报中心 3d图库 | 3d近30期开机号试机号牛彩网 | 3d今天试机号开机号金码 | 3d今晚最准的一注 | 3D独胆最新分析 | 3d谜语字谜太湖天齐网 | 近300期3d和值走势图 | 今日太湖字谜3d字谜太湖钓叟 | 排3藏机图正版藏机图今天 3d八哥图库总汇d字谜图谜总汇大全 | 3d专家最准确预测 | 于海滨一语定胆《保真》 | 3d开机号和试机号是多少 | 三d之家独胆 | 今天3d牛彩网专家预测 | 3D独胆大神分析 | 毒胆牛人三天计划必出 | 3d预测专家推荐 | 中国福彩3D独胆明日推荐最新 | 3d今天开机号和试机号金码对应码 | 今天最新3d开机号试机号关注码 | 3d试机号历史出现情况天齐网 | 3d廊坊鸿运正版推荐 | 试机号开机号金码关注号对应码3d | 3d和值和尾振幅走势图 | 今晚3d试机号开机号 | 北斗3d今日专家预测推荐 | 于海滨3d预测免费每日精选 | 3d今晚专家预测 | 3d专家预测最准确最新今晚预测 | 3d今日专家推荐号 | 3d今晚专家预测推荐 | 今天3d专家预测号码 推荐 | 张克永3d预测今天 | 3d今日预测最准专家预测 | 3d专家预测汇总 | 3d最小差值振幅走势图 | 3d今晚开奖号码多少 | 3d形态预测静态版 | 3d和尾振幅走势图3d专家 | 3d今晚最准专家推荐号码 | 中国福彩3D独胆大神命中率 | 3d预测一注精准 | 3D独胆高手杀号 | 今日3d马后炮解太湖字谜 | 最新3d预测专家预测 | 毒胆牛人3天计划 | 3d开机号和试机号金码关注对应码 | 3d专家预测最准确最新汇总对应码 | 今日钱王给胆点评 | 今天龙头凤尾预测 | 牛人独胆二天计划 | 3d今日号码推荐 | 3d牛彩网专家预测 | 詹天佑3d最新预测今天 | 福彩3D独胆下期推荐必中 | 3d开机号试机号30期列表走势图 | 神仙姐姐杀码今天 | 钱王点评十钱王老头给胆 | 中国福彩3D独胆当天精准预测最新 | 3d专家预测最准确今天上一期 | 3d最准杀码 | 3d预测最准确的专家预测软件 | 3d独胆专家预测 | 3d双胆神算今天必下 | 3D独胆下期最新精准预测 | 3d独胆三天必出计划论坛 | 3d彩吧试机号今天 | 3d彩界元宝就看一个独胆 | 3d牛哄哄解太湖字谜今天 | 3d精选号码推荐今天最新 | 3d今晚上必出号推荐组 | 3d专家预测最准确最新新闻 | 3d专家预测最准最新今天 | 于海滨一语定胆天齐网 | 3d和值尾振幅走势图200期 | 3d太湖钓叟字谜三字诀汇总 | 3d精准三注直选 | 于海滨点评专家一注定胆保真版162期 | 詹天佑预测3d | 3d两胆精准预测 | 3d预测今日最新推荐 | 3D独胆实时推荐 | 千禧3d今天的试机号 | 3d独胆10中10| 太湖3d字谜三字诀 | 3d试机号后专家预测推荐汇总 | 天齐网专家杀码大全 | 千禧开机号试机号关注号金码杀码 | 唐龙一胆| 福彩3D独胆最新走势最新 | 3d于海滨一语定胆今天 | 3d北斗专家北斗预测今天079期3d | 3d预测号码最准最新推荐 | 3d推荐号今晚专家预测 | 今天3d开机号试机号金码 | 3d试机号开机号今天晚上金码号 | 3d今晚预测最新最准确号码牛彩网 | 3d精准推荐号 | 于海滨最新3d预测今天 | 3d今晚最稳 | 3d专家今日推荐号码 | 3d牛彩网字谜图谜总汇九 | 中国杀码王3d绝杀 | 3d紫云涧专家预测推荐 | 福彩3D独胆团队分析最新 | 今日3d预测号码推荐 | 机选一注3d | 3d最新专家预测汇总大全 | 3d预测最准确的专家 | 牛彩网近30期3d开机号试机号 | 3d今晚专家推荐预测重点号码 | 财神爷独胆三天计划,就这么牛 | 中国福彩3D独胆当天预测最新 | 3d最精准专家预测汇总今天 | 钱王点评+钱王老头预测 | 3d今晚最佳和值 | 于海滨今天杀码 | 3d百个和值尾振幅走势图 | 专家精准预测3d号 | 今日3d字谜一句定三码和值谜定1 | 福彩3D独胆下期推荐精准预测 | 3d今天的试机号开机号 | 3d和值尾振幅走势图近100期 | 3d今天开机号和试机号开奖结果 | 3d推荐最新最准专家预测 | 3d预测 下一期 3d预测专家 3d预测 | 3d推荐号今日预测 | 今日正版藏机图全部汇总 | 3d今天开机号,试机号 | 3d今于海滨杀码图 | 3d均值振幅走势图表图 | 今日正版藏机图全部汇总 | 3d独胆是什么意思 | 今天3d开机号试机号金码 | 3d最精准的专家预测精选 | 3d最准专家预测号今晚3d试机号 | 今于海滨3d预测今天275 | 3d今晚十大专家预测汇总 | 3D独胆实时分析 | 3d最准预测专家预测汇总 | 3d家彩预测 | 3d太湖字谜总汇总(正版) | 马后炮解3d太湖字谜总汇大全 | 成功路上3d双胆独胆 | 3d今晚最准专家预测号码145 | 千禧开机号试机号关注号金码杀码 | 3d开机号今天牛彩网近30期 | 铁娘子三天计划独胆必下300 | 北斗3d今日专家预测推荐 | 3d独胆必下一独胆 | 排三杀码专家定位杀码天齐网 | 三d今日预测 | 李明启3d今晚预测专栏 | 3d独胆必下一个胆 | 3d往年历史今天开奖结果 | 3d专家预测汇总牛彩网 | 3d预测牛彩网预测汇总 | 快8今晚最毒胆推荐 | 3d小差振幅走势图表图 | 3d十大专家预测汇总 | 3d专家预测最准确今天3d | 千禧p3试机号关注号金胆对应号 | 3d预测詹天佑最新 | 3d今天开机号和试机号322 | 3d精选号码推荐今天最新 | 3d彩报图今天图库彩吧 | 3d牛彩网断组预测 | 3d今天专家预测号码 | 于海滨海3d专家预测 | 中国杀码王3d绝杀 | 北京胆王2彩吧图库 | 2014年359期3d焰舞字谜 | 今晚3d预测最准一注 | 3d铁人包星定胆天齐网 | 3d预测天齐网 | 3d百位个位和值走势图 | 小红孩3d独胆今天 | 今日3d开奖号码是多少? | 于海滨3d今晚预测 | 三地杀码高手 | 专家预测3d号码准确 | 3d专家推荐最精准的号码 | 今日3d预测 | 3d预测詹天佑 | 毒胆 | 今日钱王给胆点评 | 今日3d太湖字谜三字诀试机号 | 3d专家预测最准牛彩网 | 飞向阳光龙头凤尾今天最新消息 | 牛彩网近30期3d开机号试机号 | 3d今晚字谜太湖字谜是什么 | 3d独胆高手| 3d开机号试机号关注号金码对应码 | 3d杀码一定牛 | 今天3d开机号和试机号码结果查询 | 千禧3d试机号关注码今天 | 3D独胆大神杀号最新 | 3d必中永久直选500注大底 | 排三十拿九稳今天预测 | 3d基本走势图 综合 太湖三字诀字谜三 | 3d走势图和值振幅 | 个位杀码王 | 小德3d今天双胆定位 | 唐龙每日一胆天齐网 | 3d精准定位专家预测 | 3d今晚专家预测推荐号 | 3d字谜图总汇 | 3d预测推荐汇总 | 3d今晚专家预测 | 最新3d预测专家预测 | 3d北盟天机图藏机图 | 独胆计划王 | 中国福彩3D独胆最新推荐 | 3d十个位差值振幅走势图3d之家 | 3d精选号码推荐今天最新 | 千禧今晚3d试机号关注码金码 | 3d今晚推荐号 | 牛彩网3d专家预测汇总 | 3d预测专家最准最新 | 3d专家预测推荐 | 3d独胆专家预测 | 今日3d预测 | 中国彩吧更一懂彩民最新版本更新时 | 3d专家今天预测汇总 | 3d专家预测最准今天 | 解太湖3d字谜太湖 | 3d预测牛彩网预测汇总 | 3d今天开机号和试机号开奖结果 | 3d最准确预测100%一注 | 排3藏机图正版藏机图今天 3d八哥图库总汇d字谜图谜总汇大全 | 3d专家今天推荐号 | 于海滨海3d预测牛彩网 | 3d和值走势图(带连线图) | 3d今晚必出的一注 | 千禧试机号金码关注号对应码杀码 | 3d专家推荐最新预测 | 唐龙一胆今天最新 | 今晚最全3d晚间字谜汇总192期 | 看彩大亨看独胆双胆预测 | 3D独胆大神命中率最新 | 一定牛3d杀码 | 3d单式怎么才算中奖 | 3d今晚最准专家预测号码 | 千禧今晚3d试机号关注码金码对应 | 毒牛人三天计划 | 3d北盟天机图藏机图 | 钱王点评 | 3d今晚专家预测推荐 | 助赢计划软件官网版下载 | 今日正版藏机图全部汇总239期 | 于海滨点评专家一语定胆保真版 | 詹天佑3d预测 | 成功路上3d双胆独胆 | 3d开机号和试机号金码关注对应号 | 3d预测最准确的专家预测软件 | 3d最准确的专家预测 | 3d今天专家推荐号码 | 铁人真胆一句定三码3d字谜彩搜网 | 于海滨杀码今天最新版 | 中国福彩3D独胆今晚走势最新 | 3d最小值振幅走势图3d之家 | 3d谜语解太湖字谜 | 千禧3d试机号关注码金码今天的 | 3d专家最准确预测 | 今日精准预测推荐3d号码 | 助赢计划软件官网版下载 | 3d百十和尾振幅走势图走势 | 3d八哥图库总汇d字谜图谜总汇大全 | 于海滨海3d专家预测 | 钱王点评+钱王老头预测 | 3d预测詹天佑最新 | 3d最大值振幅走势图3之家 | 3d小差振幅走势图表图 | 詹天佑3d分析推荐 | 三字诀太湖三字诀字谜 | 今晚3d开奖直选结果 | 今日3d马后炮解太湖字谜 | 中国福彩3D独胆下期推荐推荐最新 | 北斗3d今日预测 | 今晚3d试机号千禧试机号金码关注 | 今晚3d直选推荐 | 3d双胆独胆 | 3d预测分析 | 3d走势图的基本走势图 | 3d今晚出啥号 | 3d专家于海滨 | 今天3d开机号试机号牛彩列表 | 3d陈华今晚就赌一个胆搜索一下 | 3d开奖号历史上的今天 | 于海滨3d预测今天 | 3d近500期试机号和开奖号码 | 3d专家今天推荐号 | 3d专家预测更准确今天 | 今日3d预测专家推荐 | 3d开机号今天近10期 | 唐龙点评3d预测 | 3d最精准专家预测汇总今天 | 李明启3d预测最新号码 | 3d专家预测最准确最新推荐号码 | 3d太湖钓叟字谜三字诀乐彩论坛 | 3d千禧试机号和金码关注 | 3d今晚上必出号推荐组 | 天府袍哥3d预测 | 3d今天开机号和试机号码300 | 小财神三天计划独胆必下 | 3d预测专家最准确的专家预测今晚 | 福彩3D独胆下期最新推荐 | 3d近30期试机号和开奖结果 | 3d最精准的专家预测 | 推荐一注3d号码 | 今日3d蓝仙子一句定三码字谜 | 3D独胆老师预测 | 3d专家预测最准确最新汇总 | 3d直选是什么意思 | 3d预测专家精准推荐 | 毒胆牛人三天计划 | 排三专家推荐与预测今天 | 于海滨彩吧图库 | 钱王点评+钱王老头预测 | 3d上下五千年专家预测 | 北斗3d今日预测 | 3d双胆预测3d双胆下3d 双胆推荐 | 无敌胆王今日双胆 | 太湖钓叟3d字谜太湖字 | 3d今晚最准专家预测号码145 | 今天3d推荐号码今晚预测 | 3d预测号最新最准牛彩网 | 3d开机号和试机号今天多少 | 3d今晚必下一个胆 | 3d今天专家推荐号码是多少 | 3d预测号码最准确专家预测 | 3d今晚十大专家预测汇总 | 3d今晚专家预测推荐号 | 3d今天晚上的开奖号码 | 3d今晚最准专家预测号码 | 3d今天专家预测号码 | 3d彩界元宝就看一个独胆 | 3d和值尾振幅走势图彩宝贝 | 3d十大专家预测汇总 | 牛彩网3d专家预测汇总摘要 | 3d独胆必下一独胆准 | 牛彩网杀码大全 | 3d中奖情况 | 今天3d字谜3d一句定三码3d和值谜 | 3d今天专家预测最准 | 三d独胆 | 3d和值振幅走势图带连线坐标 | 今晚3d试机号开机号金码号 | 3d今晚专家预测推荐号 | 解太湖3d字谜太湖 | 三d历史走势图 | 3d十位走势图振幅 | 3d预测最准确专家预测 | 3d最新专家预测推荐 | 太湖字谜钓叟3d字谜 | 福彩3D独胆下期最新分析 | 3d今天开机号和试机号码727 | 今天3d开机号 和试机号 查询结果 | 3d姜子牙一句定三码最准字谜汇总 | 神仙姐姐独胆一个 | 于海滨3d预测号 | 于海滨3d专家预测今天 | 3d今晚必出的一注 | 最准3d专家预测推荐 | 3d太湖钓叟字谜三字诀乐彩论坛 | 孟庆会点评 专家一语定胆 稳准狠三天计划 | 3d太湖钓叟字谜三字诀了3d开奖 | 3d今天中了多少注直选 | 3D独胆老师命中率 | 3d预测一注号推荐今晚 | 中国福彩3D独胆专家推荐最新 | 今天3d正版太湖字谜 | 3d预测号专家预测 | 3d北斗专家北斗预测今天079期3d | 3d跨度振幅走势图3d专家 | 3d预测总汇手机牛彩网 | 3d专家詹詹天佑最新推荐 | 彩吧3d开机号 | 真实的谎言3d字谜追加和值谜 | 3d开奖号今晚 | 3d紫云涧专家预测推荐 | 3d最新准专家预测 | 于海滨3d专家预测 | 今日3d大老人预测号 | 今晚3d的开奖号码结果 | 3d太湖历史字谜 | 3d下期预测最精准的一注号码 | 3d今晚必出一注100%准确直选推荐 | 3d今天开机号试机号是几 | 3d双胆神算今天最新 | 陈华3d预测今天推荐 | 3d今晚最精准专家 | 3d中国准神双胆 | 今于海滨3d预测今天牛彩网 | 十拿九稳今天预测专家 | 3d解太湖字谜汇总精选 | 今日3d蓝仙子一句定三码字谜 | 3d最准专家预测号 | 3d历史今天开奖结果 | 千禧3d试机号关注码金码试机号 | 3d今晚必中三个号码预测 | 3d独胆公式正确率在99%以上 | 于海滨今天预测 | 3d藏机图正版藏机图汇总今天最新 | 3d试机号近10期彩经网 | 3d专家预测汇总牛彩网彩摘收集 | 3d今晚最佳和值 | 今天3d开机号和试机号码结果查询 | 神仙姐姐杀尾 | 3d今天试机号和开机号 | 廊坊鸿运3d推荐今天 | 苏会文3d预测今天推荐 | 中国福彩3D独胆专家精准预测 | 今晚3d试机号开机号 | 3d试机号后专家预测汇总手机网 | 3d和值牛彩网 | 3d今晚和值推荐 | 排3太湖钓叟字谜三字诀 | 3d全球哥三胆 | 今日3d推荐号码号 | 3d推荐号今晚专家预测 | 3d今晚最准专家预测号码145 | 3d开机号和试机号近100期 | 3d之家双胆独胆预测 | 3d今天推荐号码是多少 | 于海滨海3d预测免费每日精选3d开奖号 | 于海滨点评专家一注定胆保真版162期 | 3d今天专家推荐号码推荐 | 福彩3D独胆老师走势最新 | 3d最准专家预测号 | 3d开机号,试机号,金码号,对应码100 | 于海滨海3d预测牛彩网 | 太湖试机号后一句定三码3d字谜 | 3d专家预测最准最新今天 | 千禧3d试机号金码关注码牛彩网 | (暴富密码)绝杀两码预测 | 于海滨海3d专家杀码 | 福彩3D独胆明日精准预测 | 3d开机号和试机号今天多少 | 3d今晚专家推荐号 | 3d字谜太湖解字谜 | 詹天佑3d今天最新预测 | 毒胆牛人三天计划必出 | 解今日太湖3d字谜 | 3d最精准的专家预测 | 3d十大专家预测汇总 | 3d预测汇总牛彩网 | 3d专家最新最准预测 | 3d直选走势图(专业版) | 3D独胆独家杀号 | 3d开机号试机号今天最新50期 | 3d专家预测最新最准推荐 | 3d詹天佑推荐号码 | 3d千禧试机号关注码金码是什么 | 3d号码预测| 中国福彩3D独胆下期分析最新 | 三d牛彩网开机号试机号是多少 | 3d预测专家最准确的专家预测今晚 | 3d专家最新最准专家预测 | 3d独胆三天必出计划论坛 | 3d今晚预测开奖号码 | 3d故事小王双胆 | 周星星3d预测手机牛彩网 | 3d今天的试机号开机号是多少 | 3d预测最准最新牛彩网 | 今晚3d预测推荐一注 | 今天的3d太湖字谜图 | 3d今天预测最准确专家 | 3d下期预测最精准的一注号码 | 3d天齐网最准预测 | 今日詹天佑3d预测 | 杀码是什么意思 | 今晚3d试机号千禧试机号金码关注 | 经典小胆王三天计划配组合 | 排五专家预测精准 | 千禧3d开机号试机号金码 | 3d彩吧预测,预测 | 3d谜语解太湖字谜 | 3d预测詹天佑最新 | 3d今晚必出号 | 今天太湖字谜三字诀是什么 | 3d胆王专家定十位 | 3d今晚预测最新最准确号码牛彩网 | 投资计划独胆三天计划 | 于海滨点评专家一注定胆保真版162期 | 3d专家最新最准专家预测 | 3d预测一注号推荐一3d预测一注今天 | 三天计划胆十组合 | 3d于海杀码图 | 3d预测天齐网 | 今天专家推荐号码3d | 3d字谜总汇图 | 3d预测最新最准专家 | 3d百十和值尾振幅走势图 | 太湖3d字谜太湖钓叟三字诀 | 3d专家预测最新推荐 | 3d于海滨预测预测牛彩网 | 3d故事小王双胆 | 3d开机号和试机号30期列表 | 3d试机号近30期牛彩网 | 3d今天精选五注 | 3d专家预测最准最新今天 | 3d藏机诗藏机图天中图库 | 李明启3d预测最新号码 | 3d今晚字谜太湖字谜是什么 | 3d专家预测最准最新 | 3d必中永久直选500注大底 | 3d千禧开机号和100期试机号 | 3d今天的推荐号 | 今日3d大老人预测号 | 今于海滨杀一码 | 3d千禧试机号金码关注码对应码 | 最新3d预测专家预测 | 3d最准预测专家汇总大全 | 3d千禧试机号和金码关注 | 十拿九稳预测分析 | 3d独胆双胆 | 3d专家免费预测 | 3d专家预测最新最准推荐 | 3d今天开机号试机号200期 | 今日3d太湖字谜每天更新 | 3d之家北斗今日预测 | 3d字谜图谜总汇 | 福彩3D独胆明日精准预测 | 3d今天开机号试机号是几 | 十拿九稳十大专家预测汇总最新一期 | 3d太湖字谜三字诀 | 3d独胆必下一独胆 | 3d今天专家推荐号码推荐 | 3d开奖号码走势图表 | 于海滨3d今晚预测 | 3d专家预测推荐号码 | 3d专家预测最准确最新今天 | 陈华今晚就赌一个胆预测 | 3d太湖字谜图谜 | 3d专家预测最准确今天南方双彩网 | 3d开机号和试机号金码和关注码 | 今日3d预测 | 太湖字谜钓叟3d字谜 | 3d最精准独胆王 | 铁人铁胆3d定位包星预测 | 3地独胆,毒胆双胆家彩网 | 3d于海滨预测预测牛彩网 | 3d机选一注 | 福彩3D独胆最新推荐最新 | 3d今晚最准专家预测号码 | 3d单个冷号最大遗漏 | 3d牛彩网试机号后专家预测汇总 | 3d今晚最佳和值 | 3d今晚最准最新专家推荐号 | 2014年359期3d焰舞字谜 | 千禧3d试机号金码关注码对应码 | 3d最准专家预测号 | 3d预测专家最准确 | 3D独胆专家精准预测最新 | 3d推荐专家汇总 | 3d专家预测最新 | 3d今晚必出的一注 | 3d今晚最准专家预测号码 | 今天3d专家推荐重点号码 | 今天专家推荐号码3d | 张克永专家3d预测 | 3d于海杀码图 | 于海滨3d免费预测最新的 | 3d和值基本走势图 | 3d全球哥三胆 | 卫星电话最建议买的三个型号 | 3d今天试机号和开机号 | 三d便民字谜图谜总汇 | 于海滨一语定胆天齐网 | 3d太湖钓叟字谜三字诀论坛 | 3d解太湖字谜汇总 | 今日3d推荐号码号 | 于海滨专家预测 | 3d今晚专家预测推荐 | 3d免费预测| 3D独胆实时必中最新 | 3d今晚试机号牛彩网 | 3D独胆本期推荐最新 | 牛彩网p3专家预测汇总 | 中国杀码王3d绝杀 | 3d今晚推荐号码最新 | 3d今晚开奖号多少 | 福彩3D独胆专家杀号 | 3D独胆下期推荐分析最新 | 3d独胆双胆独胆3d之村 | 3d和值尾振幅近100期走势图 | 3d独胆专家推荐独胆 | 解今日太湖3d字谜 | 3d双胆独胆非常非常稳定 | 钱王点评钱王老头预测 | 今晚3d精准一注直选 | 专家3d预测汇总 | 3d免费预测| 3d最准的预测专家 | 3d预测今天更准 | 3d白娘子跨度字谜汇总今天牛彩网 | 3d均值振幅走势图表图 | 三d预测牛彩网汇总 | 3d太湖字谜总汇大全 每天更新 | 3d预测一注号推荐 | 3d最准预测专家预测汇总 | 3d最准确最新专家预测 | 3d十大专家推荐号码汇总 | 3d于海滨一语定胆《保真》 | 3d独胆预测必下一胆 | 3d独胆双胆专家预测网 | 最准3d预测专家推荐号 | 今晚3d开奖号多少 | 3d解太湖字谜汇总 | 小林3d预测 | 于海滨海3d专家预测 | 小财神三天计划独胆 | 今于海滨一语定胆保真今天 | 今晚三d推荐什么号码 | 今晚3d号码开奖结果多少 | 3d最新最准专家预测号码 | 3d十大专家预测汇总 | 3d今晚中奖号157 | 今天3d牛彩网专家预测 | 3d今晚专家推荐号 | 3d詹天佑最新预测牛彩网 | 3d独胆专家推荐独胆 | 3d十大专家预测汇总 | 浙江风采3d走势图表 | 解3d字谜太湖钓叟汇总 | 今晚3d开奖号多少 | 3d怎么守号不亏 | 3d今晚最准确一注 | 3d专家预测最新最准推荐 | 3d今晚预测最新最准确号码牛彩网 | 3d最新预测专家推荐 | 3d百十和值尾振幅走势图 | 千禧试机号金码关注码的历史记录 | 于海滨今天3d预测 | 3d开奖号今晚 | 今天最新3d开机号试机号关注码 | 3d今天推荐号码是多少 | 今晚3d预测最准一注 | 3d直选一注多少钱 | 3d3d今晚预测| 3d专家预测最准牛彩网 | 准香港3d漫画资料 | p3千禧试机号关注金码 | 福家老三3d推荐号 | 3d看胆精英独胆 | 3d预测最准确专家 | 3d独胆预测 | 两天双胆计划王 | 今晚3d预测最准一注 | 3d预测最准最新准专家预测 | 3d之家双胆独胆预测 | 3d今天专家预测推荐号码 | 3d带线走势图牛彩网 | 3d最准专家预测 | 今天3d开机号 和试机号 查询结果 | 3d公式计算方法 | 明天的3d太湖字谜 | 小红人的计划三天计划 | 3d金胆王| 3d开机号,试机号,金码号,对应码100 | 3d独胆是什么意思 | 今晚3d预测推荐一注 | 排三太湖钓叟字谜三字诀 | 3d 试 机 号今晚 | 3d十大专家汇总精选一注 | 于海滨杀码图 | 3d专家预测最准今天 | 3d今天开机号和试机号多少 | 于海滨今天3d预测 | 3d今天专家预测号码 | 3d藏机诗藏机图天中图库 | 3d牛彩网100期开机号和试机号 | 3d预测 下一期 3d预测专家 3d预测 | 于海滨一语定胆《保真》 | 3d推荐号3d推荐号码 | 千禧3d试机号关注码今天 | 3d专家推荐最精准的号码 | 十拿九稳今天预测专家 | 3d专家预测号码最准确 | 太湖3d字谜图谜总汇 | 3d双胆预测3d双胆下3d 双胆推荐 | 中国福彩3D独胆下期推荐推荐最新 | 今日3d开机号和试机号关注码千禧 | 3d今天专家预测最新最准 | p3故事小王双胆下一今天 | 于海滨今日杀码图 | 孟老师专家预测3d | 3d预测最准确的专家预测软件 | 十拿九稳今天预测 | 于海滨点评专家一注定胆保真版162期 | 3d双胆独胆非常非常稳定 | 3D独胆高手走势 | 今日3d预测专家推荐 | 中国福彩3D独胆当天分析 | 3d开机号码近100期 | 3d独胆必下一个胆 | 天齐网专家杀码大全 | 今于海滨杀一码 | 3d十大专家杀一码汇总 | 3d开奖号今天结果 今晚 | 于海滨点评专家一注定胆保真版162期 | 3d专家杀码图 | 铁人真胆一句定三码3d字谜彩搜网 | 3d千禧金码试机号关注码 | 3d预测推荐汇总牛彩网采摘收集 | 3d开奖杀码定胆 | 3d直选是什么意思 | 3d最准的独胆, | 3d精准预测专家预测 | 3d今天开机号试机号码 | 3d预测最准专家预测号码 | 今天3d中奖 | 天才计划三天计划独胆 | 3d预测最新最准3d之家 | 今日3d字谜3d一句定三码诗天中图 | 十拿九稳专家最新预测 | 3d专家预测推荐号码 | 于海滨今天预测 | 3d下期预测最精准的一注号码 | 钱王点评钱王老头预测 | 今晚3d预测最准一注 | 3d最大值振幅走势图遗漏 | 今天3d字谜3d一句定三码3d和值谜 | 明天的3d太湖字谜 | 今日3d专家预测号最准确 | 3d四码直选多少钱一注 | 詹天佑3d最新消息今天 | 于海滨一语定胆《保真》 | 最新3d预测专家预测 | 3d北斗专家北斗预测今天079期3d | 3d谜语今天字谜今天的3d字谜是什么? | 今日3d专家预测总汇 | 3d今晚必中一注 | 3d牛彩网专家预测 | 3d专家预测汇总大全 | 3d单挑今天晚一注500倍 | 3d通杀一码准确率100% | 3d预测最准最新牛彩网 | 3d开机号和试机号今天 今晚 | 3d今天预测最准确专家 | 3d字谜汇总大全总汇大全 | 今晚了3d开奖结果 | 3d今晚专家预测最准确一注 | 3d试机号3d之家金码 | 3d今日开机号和试机号及关注码 | 3d预测最准确的专家 | 最准一个毒胆 | 3d今天开机号试机号码 | 于海滨专家预测 | 3d今晚预测直选一注3d一注预测 | 3d独胆双胆专家预测网 | 3d最近100期历史记录 | 3d彩宝网开机号和试机号 | 3d最准预测专家预测大 | 3预测,3d专家预测,最准确今天彩网 | 3d计算公式精准100%计算 | 詹天佑3d今晚预测号码 | 3d专家预测号码最准确 | 3d今天最准专家预测 | 彩吧3d开机号 | 3d专家预测最准 | 3d预测专家最准确 | 福彩3D独胆下一期推荐 | 3d预测号码最准确专家预测 | 3d最准确最新专家预测 | 3d今晚开奖号结果 | 中国福彩3D独胆实时精准预测 | 3d开机号今天近10期 | 三d牛彩网开机号试机号是多少 | 千禧试机号金码关注码的历史记录 | 三d预测牛彩网汇总 | 3d最精准专家预测汇总今天 | 于海滨3d最新预测 | 牛彩网杀码图汇总 | 试机号后牛彩网专家预测3d | 3d开机号试机号奖号 | 3d最大值振幅走势图彩经 | 今日3d专家预测号码推荐 | 3d通辽独胆王今天 | 十拿九稳预测专家分析 | 3d天中杀码图专区 | 今晚3d专家预测最准确 | 3d字谜汇总大全总汇大全 | 3d免费预测| 3d研究生双胆王 | 今天3d于海滨预测 | 3d预测最准最新准专家预测号码 | 3d最准预测号 | 今晚3d试机号千禧试机号金码关注 | 牛彩网杀码大全 | 3d双胆大师 | 3d今天的推荐号 | 3d今天专家预测号码 | 3d太湖字谜总汇总(正版) | 3d正版太湖字谜图谜 | 今天3d开机号和试机号多少? | 三地千禧试机号关注金码对应码 | 毒胆牛人三天计划今天 | 3d专家预测最准确最新汇总 | 3d于海滨一语定胆今天 | 3d最新准专家预测 | 今晚最全3d晚间字谜汇总192期 | 3d家彩网 | 3d北斗专家北斗预测今天079期3d | 今日3d太湖字谜三字诀排三开奖结果 | 财神爷三天计划 | 3d预测专家最准确的专家预测今晚 | 3d今天开机号和试机号322 | 3d于海滨一语定胆《保真》 | 3d今天预测最准确专家 | 3d试机号后专家预测汇总 | 3d和值走势图(带连线图) | 3d专家预测推荐最新 | 今天3d开机号和试机号查询结果彩吧 | 3d千禧今晚试机号码 | 排三十拿九稳今天预测 | 3d今晚出的什么号 | 3d今天开机号和试机号牛彩网 | 3d百十和值尾振幅走势图 | 今天3d千禧试机号关注号金码号 | 詹天佑3d最新消息今天 | 3d今晚专家预测推荐号 | 3d专家预测最准确最新今晚预测 | 3d最准的预测专家 | 今晚3d开奖号码多少 | 3d今天开机号和试机号322 | 小薇3d预测 | 牛彩网3d预测汇总大全手机版下载 | 【独胆真准】3d | 3d今晚精选预测一注 | 今日3d马后炮解太湖字谜 | 3d开机号今天试机号查询 | 3d天中杀码图专区 | 3d和值012走势图带连线图 | 3d杀码十大专家天齐网 | 解太湖3d字谜太湖 | 3d成功路上人双胆独胆 | 今天太湖字谜3d字谜太湖钓叟 | 3d单个冷号最大遗漏 | 3d近300期试机号和开奖号码 | 3地独胆,毒胆双胆家彩网 | 3d今晚开奖结果号码是 | 3d胆王帅哥独胆双胆 | 3d预测最准专家预测 | 成功路上3d双胆独胆 | 3d独胆专家预测 | 3d千禧试机号开机号金码 | 今日排三太湖钓叟字谜三字诀 | 詹天佑推荐3d | 3d杀码大全 | 今日排五专家推荐与预测 | 今天最新3d开机号试机号关注码 | 今于海滨3d杀码图 | 3d今晚精选预测一注 | 3d钱王老头给胆点评 | 3d字谜太湖钓叟三字诀今天 | 3d专家今天推荐号 | 3d今天专家预测号码 | 3d千禧开机号试机号关注金码对应码 | 3d今天中了多少注直选 | 3d基本走势图(专业版)近200期 | 3d今天专家推荐号码推荐 | 3d专家解今日太湖字谜汇总 | 于海滨杀码图谜 | 今天3d专家推荐重点号码 | 毒胆牛人三天计划今天 | 今晚3d专家预测精选一注 | 3d牛哄哄解太湖字谜今天 | 3d今晚专家推荐 | 今日3d十大专家双胆总汇 | 福彩3D独胆本期预测 | 今天十拿九稳号码预测 | 今日3d专家预测号最准确 | 我是毒胆王,今晚独胆 | 今晚3d直选推荐 | 3d图谜字谜总汇 | 3d单个冷号最大遗漏 | 太湖谜3d太湖钓叟字谜 | 3d单选一注能中多少钱 | 中国福彩3D独胆当天分析 | 3d十大专家精准预测汇总 | 3d十位走势图带连线图表专业版 | 3d专业版(走势图带连线) | 3d今晚必中三个号码预测 | 3d推荐最新最准专家预测 | 3d姜子牙一句定三码最准字谜汇总 | 福彩3D独胆最新必中最新 | 3d布衣独胆双胆必下一 | 解今日太湖3d字谜 | 3d今天开机号试机号3 | 3d双胆独胆非常非常稳定 | 3d和值走势图(专业版) | 3d近200期试机号和开奖号码 | 于海滨最新3d预测今天 | 3d专家预测推荐汇总 | 三d预测汇总 | 3d最准预测专家汇总大全 | 3d和值尾振幅走势图专业版 | 今天3d千禧试机号关注号金码号 | 于海滨杀码今天最新版 | 于海滨最新3d预测推荐今天 | 3d往年历史今天开奖结果 | 陈华3d独胆推荐 | 3d预测号码 | 3d今晚专家预测最准确一注 | 中国福彩3D独胆最新必中最新 | 3d于海滨预测预测牛彩网 | 3d太湖试机号| 今日太湖字谜3d字谜太湖钓叟 | 3d今晚精选预测一注 | 3d往年历史今天开奖结果 | 3d基本走势图综合 | 3d今晚最准最新专家推荐号 | 詹天佑最新预测3d | 3d和值走势图彩宝网 | 3d真实的谎言正版和值字谜 | 3d双胆神算今天最新 | 3d千禧开机号试机号关注金码对应码 | 3d预测专家推荐号码 | 3d基本走势图结果 | 3d北斗专家北斗预测今天079期3d | 3d紫云涧专家预测推荐 | 千禧3d关注码 | 今日3d正版藏机图,藏机图汇总,天中网 | 3d独胆专家预测 | 唐龙点评3d预测 | 3d开机号和试机号今天 今晚 | 天齐杀码图汇总 | 3D独胆大神命中率最新 | 3d预测专家最准确的专家预测今晚 | 3D独胆本期命中率 | 3d最新最准预测号码今天 | 万能四码找下期奖号 | 今天3d的开机号和试机号是多少号 | 3d推荐号今晚专家预测最准确 | 今日3d蓝仙子一句定三码字谜 | 廊坊鸿运3d预测今天 | 3d预测专家最准确 | 3d跨度金木水火土五行走势图 | 3d绝杀二码今天最新更新内容 | 最新3d预测专家预测 | 3d今天最新最准专家预测最 | 3d预测最准确的专家 | 3d专家预测号码最准确 | 今于海滨3d预测今天 | 神仙姐姐今天最新杀码 | 3d预测最准预测号 | 3d天地杀码图 | 今日正版3d藏机图汇总 预测 | 福彩3D独胆下期推荐精准预测 | 3d专家预测最准最新今天 | 3d开机号试机号奖号 | 3d于海滨一语定胆今天 | 3d太湖钓叟字谜三字诀乐彩论坛 | 3d今天晚上的开奖号码 | 3d紫云涧专家预测推荐 | 于海滨海3d预测免费每日精选3d开奖号 | 布衣杀码图3d杀码 | 3d试机号后专家预测汇总 | 3d专家号 | 3d藏机图正版藏机图全图牛彩网 | 牛彩网p3专家预测汇总 | 专家精准预测3d号 | 3d今晚预测直选四注 | 于海滨今日预测号 | 专家3d预测汇总 | 排三十拿九稳今天预测 | 3d今晚必中一注 | 3d今天中了多少注直选 | 3d千禧试机号关注号金码号开机号 | 3d今天开机号和试机号牛彩网 | 3d和值走势图彩宝网 | 3d预测今晚最准专家预测号码 | 三d推荐号专家预测今天 | 3D独胆老师命中率 | 3d专家预测最准确今天南方双彩网 | 我是毒胆王,今晚独胆 | 3d十大专家精准预测汇总 | 3d专家预测推荐号最新 | 3d今晚专家预测推荐 | 3d今晚和值推荐 | 3d今晚中奖号是多少 | 3d今晚专家预测 | 今日3d开机号和试机号列表三十期 | 3d杀码十大专家天齐网 | 詹天佑最新预测3d | 于海滨杀码今天最新版 | 今天3d开奖号是多少 | 3d专家预测号码手机牛彩网 | 周星星3d预测手机牛彩网 | 3d杀码图谜_专区杀码 | 今天晚上3d开奖 | 3d中间最小两码差值振幅走势图 | 张克永3d预测今天 | 3d今晚预测准确的专家预测 | 3d今天专家预测最准 | 排3太湖钓叟字谜三字诀 | 排五专家预测精准 | 3d于海滨专家预测 | 3d两胆下一稳定方法 | 于海滨海3d专家预测今天 | 3d基本走势图 综合 太湖三字诀字谜三 | 3d精准预测| 3d直选综合走势图表 | 3预测,3d专家预测,最准确今天彩网 | 3d最精准专家预测汇总今天 | 牛彩网杀码图汇总 | 3d单双走势图表(专业版) | 3d今天专家预测号码最准确 | bbs,55125:cn彩吧论坛 | 3d走势图带连线图表牛彩网 | 3d今天试机号开机号金码 | 唐龙一胆今天最新 | 3d最精准专家预测汇总今天 | 3d天中杀码图专区 | 3d专家预测最准确今天南方双彩网 | 3d今天开机号和试机号码300 | 3d今晚专家预测推荐 | 3d谜语字谜太湖天齐网 | 三d字谜图谜总汇牛彩网 | 3d预测天齐网 | 3d盐都三胆家彩网 | 3d今晚专家预测最准确一注 | 于海滨专家3d今天预测 | 三d十拿九稳预测号码 | 3d上下五千年专家预测 | 3d专家预测最准确最新新闻 | 今于海滨3d预测今天单线联系 | 3d预测詹天佑最新 | 3d开机号和试机号今天金码关注号 | 3d今天开机号和试机号金码对应码 | 太湖三字谜太湖3d钓叟 | 3d专家预测更准确今天 | 3d开机号试机号30期列表彩宝网 | 今日3d直选 | 今天专家推荐号码3d | 3d专家预测汇总 | 3d预测最准确的专家预测软件 | 3d彩界元宝就看一个独胆 | 今天3d的开机号和试机号是多少号 | 3d今晚推荐一注 | 今天专家推荐号码3d | 3d今天预测最准确专家 | 于海滨海3d杀码图 | 于海滨3d杀码预测 | 高手看3d经典独胆组合 | 3d预测最准专家预测号码 | 3d今天开机号和试机号牛彩网 | 廊坊鸿运3d| 3D独胆专家精准预测最新 | 于海滨3d今晚预测号码 | 今日3d太湖字谜三字诀试机号 | 3d今晚开奖结果走势图 | 3d开机号试机号30期列表彩宝网 | 3d预测最准的专家预测 | 3d字谜图谜总汇全图汇总 | 三d历史走势图 | 3d中奖情况| 3d上下五千年专家预测 | 3d最新专家预测汇总大全 | 3d八哥图库总汇d字谜图谜总汇大全 | 助赢计划软件官网版下载 | 3d北斗专家北斗预测今天079期3d | 今天3d开机号和试机号码是多少 | 牛彩网近30期3d开机号试机号 | 3d开机号与试机号金码 | 3d字谜汇总大全总汇牛彩网开机号 | 3d今晚专家预测最准确一注 | 3d开机号试机号今天最新50期 | 3d独胆10中10 | 3d杀码专家杀码天齐网 | 3d直选三注必中免费 | 3d走势图专家推荐号码 | 3d字谜解太湖字谜 | 今日3d字谜3d一句定三码诗天中图 | 3d预测号专家预测 | 3d预测今晚最新最准确 | 十拿九稳专家最新预测 | 3d最新专家预测汇总大全 | 3d真实的谎言字谜总汇正版 | 中国福彩3D独胆下期推荐推荐最新 | 于海滨海3d专家杀码 | 3d十个位差值振幅走势图3d之家 | 3d专家今天推荐号 | 3d彩界精英独胆双胆 | 万能6码走势图 | 3d计算机开机号夏天推荐 | 3d预测最准确的专家预测软件 | 于海滨3d预测专家今天 | 3d专家预测最准确今天上一期 | 3d万能大底共250注直选 | 3d开奖号历史上的今天 | 今晚3d的试机号是 | 3d推荐号今晚专家预测 | 3d今晚预测最新最准确号码牛彩网 | 3d专家推荐最新预测 | 中国福彩3D独胆今日走势最新 | 3d今天最准专家预测 | 三d牛彩网开机号试机号是多少 | 3d预测今天更准 | 3d专家预测最准确最新今天牛彩 | 3d真实的谎言字谜总汇正版 | 3d杀码更准确 | 3d今天最新最准专家预测最 | 3d开机号和试机号金码关注对应码 | 3d专家预测最新推荐 | 3d预测今晚最准专家预测号码 | 3d今晚推荐号码最新 | 千禧试机号关注号金码是什么 | 3d独胆必下一独胆 | 3d试机号开奖号走势图表 | 3d试机号开机号今天金码关注 | 今天3d开机号和试机号多少? | 3d和值基本走势图新浪网 | 3d开机号和试机号今天金码关注号 | 3d走势图(带连线版) 试机号 | 3d千禧试机号关注码金码今天晚 | 下一期专家准确预测 | 中国福彩3D独胆最新推荐最新 | 3d十位走势图振幅 | 3d小龙一句定三码今日字谜天中图 | 3d专家预测推荐号码 | 祖师爷独胆三天计划 | 三地千禧试机号关注金码对应码 | 2012099期3d开奖结果 | 3d百个位和值尾走势图 | 3d最新专家预测推荐 | 3d专家预测最准今天 | 今天3d专家预测号码 推荐 | 今天的3d开机号和试机号中奖号 | 3d今天专家预测最准 | 3d试机号今天开机号查询 | 3d今晚最准最新专家推荐号 | 家彩专门提供3d试机号开机号 | 3d试机号开机号今天金码关注 | 3d专家预测最准最新 | 3d詹天佑最新预测 | 预测今晚3d一注 | 今晚3d直选一注 | 3d杀码想要| 3d走势图(专业连线版) | 3d太湖字谜一语定胆 | 3d免费预测| 3D独胆团队命中率最新 | 千禧3d试机号金码关注码对应码 | 3d今日专家推荐 | 今晚3d试机号开机号金码号 | 3d振幅和值尾走势图 | 千禧3d试机号金码今天关注码对应码 | 今晚了3d开奖结果 | 3d直选走势图(专业版) | 中国福彩3D独胆独家必中最新 | 太湖3d字谜三字诀 | 于海滨3d预测号 | 3d走势图(带连线版) 试机号 | 独胆真人就打独胆今天 | 3d预测专家准确推荐 | 中国福彩3D独胆独家必中最新 | 3d最新准专家预测 | 3d今晚上必出号 | 3d千禧开机号试机号关注金码对应码 | 牛彩网3d专家预测汇总 | 于海滨杀码图牛彩 | 今晚快乐八专家预测推荐号 | 今天3d推荐号码今晚预测 | 今晚3d专家推荐号码是多少 | 3d开机号和试机号金码关注 | 于海滨最新3d预测推荐今天 | 3d十个位差值振幅走势图3d之家 | 3d独胆双胆 | 福彩3D独胆下期推荐精准预测 | 3d专家预测最准确今天牛彩网 | 3d近30期试机号和开奖结果 | 3d今晚的开奖号码 | 3d预测最准最新准专家预测号码 | 三d预测专家最新推荐 | 3d专家预测最新推荐 | 3d今晚预测最准确一注 | 于海滨3d预测牛彩网 | 千禧之年3d开机号试机号金码关注 | 3d两胆精准预测 | 牛彩网3d预测汇总大全 | 3D独胆下一期杀号 | 马后炮解3d太湖字谜总汇大全 | 3d今晚专家推荐预测重点号码 | 3d直选综合走势图表 | 3d廊坊鸿运精选号码推荐 | 3d绝杀二码今天最新更新内容 | 3D独胆下期预测 | 3d开奖号码结果 今晚 | 今晚3d试机号码和开机号 | 3d专家预测最准确最新今天牛彩 | 今日焰舞3d焰舞字谜汇总大全 | 3d专家预测最准今天 | 3d太湖老情人字谜图谜 | 3d独胆专家预测 | 3d专家最准确推荐最新 | 3d汇总牛彩网 | 3d真实的谎言字谜总汇正版 | 3d近30期开机号试机号开奖号查询 | 今天最新3d开机号试机号关注码 | 今天3d金码试机号对应码开机号 | 3d今天开机号和试机号码727 | 3d试机号历史情况 | 3d预测专家推荐 | 3d北斗专家北斗预测今天079期3d | 3d真帝王杀码图 | 3d最准专家预测号今晚3d试机号 | 3d最新基本走势图表 | 3d最准预测专家推荐 | 今天3d开机号和试机号牛彩网 | 3d专家最新最准专家预测汇总 | 3d白娘子跨度字谜汇总今天牛彩网 | 3d和值走势图(专业版) | 3d专家最新最准预测 | 3d预测专家最准确的专家预测昨天 | 于海滨三地杀码 | 中国福彩3D独胆专家精准预测最新 | 3d和值尾振幅近100期走势图 | 福家老三3d推荐号 | 排三平均值振幅走势图3d之家 | 3d开机号试机号奖号 | 太湖钓叟三字诀字谜解释总汇 | 3d牛彩网试机号后专家预测汇总 | 骄子铁鹰解3d字谜今日 | 小薇3d预测 | 3d试机号码开机号 | 3d和值尾振幅走势图近50期 | 千禧3d试机号金码关注码码关注码双彩论六个 | 3d今晚专家预测推荐 | 今日太湖钓叟三字诀字谜 | 今晚3d出的什么号 | 于海滨专家预测3d | 福彩3D独胆老师走势最新 | 3d专家预测推荐汇总 | 3d试机号后专家预测汇总 | 于海滨3d杀码 | 今天3d专家推荐重点号 | 一代女王p3杀两胆独胆 | 3d太湖17500字谜 | 3d今晚最准专家预测号码 | 3d打一个独胆中了多少钱 | 今晚3d直选推荐 | 毒胆牛人三天计划 | 今天3d开机号和试机号查询结果彩吧 | 双胆王看双胆3d | 3d于海滨预测预测牛彩网 | 陈华今晚就赌一胆今天最新 | 3d于海滨一语定胆《保真》 | 3d独胆双胆专家预测网 | 于海滨3d预测天齐网 | 3d火火人独胆双胆必中 | 今天3d专家预测号码 | 于海滨3d预测牛彩网 | 于海滨今天3d预测号 | 3d选胆图近100期 | 3d今晚专家预测推荐 | 今晚快乐八专家预测推荐号 | 最准3d预测专家推荐号 | 3d今日专家推荐号 | 今日3d蓝仙子一句定三码字谜 | 3d藏机图正版藏机图汇总今天最新 | 3d综合走势图直选 | 3d专家预测最准确最新今晚预测 | 3D独胆高手精准预测 | 中奖开奖结果3d | 3d今日开机号和试机号及关注码 | 彩宝3d专业走势图 | 55125预测汇总3d | 排三十拿九稳今天预测 | 两天双胆计划王 | 中国福彩3D独胆专家精准预测最新 | 3d今晚预测准确的专家预测 | 3d北斗专家北斗预测今天079期3d | 马后炮解今日太湖字谜三字诀 | 3d今晚最精准一注一注 | 3d专家预测最新最准推荐 | 今天龙头凤尾预测 | 于海滨今日杀码图最新 | 3d彩界元宝就看一个独胆 | 3d布衣独胆双胆必下一 | 3d最准的预测专家 | 3d彩宝网开机号和试机号 | 3d孔方来萃解太湖字谜 | 3d北斗专家北斗预测今天079期3d | 3d太湖字谜图谜总汇 | 3d预测专家最准确 | 3d今晚专家推荐预测重点号码 | 张克永3d预测今天 | 3d下期预测最精准的一注号码 | 十拿九稳预测专家分析 | 中国福彩3D独胆专家精准预测 | 3d买一个独胆中了得多少钱 | 排三王牌小哥独胆 | 3d詹天佑最新预测 | 六鬼神算图3d谜图 | 千禧3d试机号关注码金码列表 | 3d专家今天预测汇总 | 3d最新专家预测汇总大全 | 于海滨3d每日杀一码 | 今晚3d专家推荐号 | 3d今晚预测最新最准确号码牛彩网 | 3d最新最准预测号码今天 | 3d专家最新最准专家预测汇总 | 铁娘子三天计划独胆必下300 | 3d预测专家推荐最准确 | 3d预测专家准确推荐 | 财神一注3d | 福彩3D独胆当天分析最新 | 3d专家预测牛彩网 | 3d预测最准确专家 | 3d专家预测最准确今天上一期 | 3d最精准专家预测汇总今天 | 中国福彩3D独胆专家精准预测 | 3d二天独胆王 | 3d老虎独胆 | 3D独胆专家推荐 | 3d和值跨度走势图带连线 | 3d今日专家推荐号 | 牛彩网3d预测汇总大全 | 于海滨3d最新预测 | 3d走势图基本走势图表 | 于海滨今天3d预测号 | 今日正版藏机图全部汇总 | 3d爱心角落试后一注 | 三d预测专家最新推荐 | 3d推荐号3d推荐号码 | 今日3d字谜3d一句定三码诗天中图 | 3d真实的谎言正版和值字谜 | 最准3d专家预测推荐 | 于海滨3d预测免费每日精选 | 3d杀码高手| 3d千禧试机号码金码关注码 | 3d试机号今天开机号查询 | 3d今晚上推荐号码 | 3d试机号开机号关注号金码 | 3d专家杀码图 | 周星星3d预测手机牛彩网 | 3d专家预测最准确今天上一期 | 小红人的三天计划今天是什么 | 3d预测专家推荐号码 | 3d太湖钓叟字谜三字诀乐彩论坛 | 3d北斗专家北斗预测今天079期3d | 3d今天专家推荐号码推荐 | 3d十大专家汇总精选一注 | 3d预测最精准一注 | 3d今晚最准最新专家推荐号 | 3d千禧试机号码金码关注码 | 排三平均值振幅走势图3d之家 | 十拿九稳预测分析 | 3d近100期的开奖号码和试机号 | 3d今天推荐号码是多少 | 今天3d开机号 和试机号 查询结果 | 彩宝3d专业走势图 | 3d今晚专家免费预测 | 3d老炮子直选三注 | 3d小龙一句定三码今日字谜天中图 | 3d千禧开机号试机号关注金码 | 于海滨3d彩吧图库 | 今晚3d预测最准一注 | 今日3d预测号码推荐 | 3d白娘子跨度字谜汇总今天牛彩网 | 3d专家预测最准确最新今天 | 今天3d字谜解太湖字谜 | 3d五码复式| 3D独胆明日精准预测 | 3d任意两码差值尾走势图 | 3d专家今天预测汇总 | 助赢计划软件官网版下载 | 3D独胆明日精准预测 | 3d今天专家推荐号码推荐 | 千禧今晚3d试机号关注码金码 | 3d试机号开机号关注号金码 | 3d试机号后专家预测汇总 | 今晚3d开机号试机号 | 3d专家推荐最新预测 | 张克永3d预测今天 | 试机号后牛彩网专家预测3d | 十拿九稳今天预测专家 | 3d走势图带连线图表牛彩网 | 3预测,3d专家预测,最准确今天彩网 | 今晚精准一注3d | 3d预测专家精准推荐 | 唐龙点评每日一胆龙 | 机选一注3d | 3d专家预测号 | 毒胆牛人三天计划必出 | 3d近30期试机号和开奖结果 | 今日三地开奖码 | 3d最准确预测100%一注 | 中国福彩3D独胆当天分析 | 解3d太湖钓叟字谜汇总 | 于海滨专家一语定胆十好心人 | 3d詹天佑 | 3d和值尾振幅走势图200期 | 3d开机号试机号关注号金码对应码 | 3d预测最准确专家 | 3d最准预测专家推荐 | 今天3d开机号和试机号金码 | 3d今晚专家预测最准确一注 | 3d今晚预测开奖号码 | 唐龙一语定胆最新 | 3d定位独胆王三个双飞 | 牛彩网3d预测汇总 | 今天3d开机号试机号金码 | 3D独胆专家分析 | 近100期3d开机号和试机号 | 今晚3d开机号试机号金码关注码 | 今天3d开机号 试机号是多少 | 3d预测最准确的专家 | 3d最精准专家预测汇总今天 | 3d和值跨度走势图带连线 | 廊坊鸿运3d推荐今天 | 3d今天最新最准专家预测最 | 3d字谜太湖钓叟三字诀17500 | 3d最准确预测100%一注 | 3d今晚开机号试机号金码关注码今天 | 3d藏机图正版藏机图诗汇总 | 3d预测号码最准最新准专家预测号家彩网 | 3d今晚和值推荐 | 3d真帝王杀码图 | 于海滨专家一语定胆十每日 | 3d精准预测专家预测 | 今晚3d直选推荐 | 铁人铁胆定位包星 | 于海滨3d今晚预测号码 | 3d预测推荐汇总大全 | 历史3d开奖结果 | 3d中国准神双胆 | 3d跨度振幅走势图3d专家 | 今于海滨3d预测今天单线联系 | 3d杀码大全| 3d陈华今晚独胆推荐 | 3d三胆预测 | 牛人独胆三天计划 | 3d试机号开机号号码今天 | 3d成功路上人双胆独胆 | 3d今晚最准专家推荐号 | 千禧3d开机号试机号金码 | 三d预测专家最新推荐 | 3d今晚专家预测推荐 | 3d预测专家最准确的专家预测今晚 | 3d预测今晚最新最准确 | 福体杀码王最新版本更新内容 | 唐龙3d预测今日出号点评 | 3d专家预测最准确最新今天 | 福彩3D独胆最新预测 | 3d旧版基本走势图表 | 无敌胆王今日双胆 | 3d开机号和试机号金码和关注码 | 稳准狠三天计划 | 小红人的三天计划今天是什么 | 3d预测推荐汇总大全 | 今日3d藏机图正版藏机图134 | 3D独胆大神命中率最新 | 牛彩网3d预测汇总大全 | 今天最新3d开机号试机号关注码 | 3d今天开机号试机号码查询 | 3d最精准的专家预测精选 | 3d专家预测最准确今天上一期 | 三地千禧试机号关注金码对应码 | 千禧今晚3d试机号关注码金码对应 | 3d藏机图正版藏机图 | 手机牛彩网3d预测 | 3d最新最准专家预测号码 | 3d单选一注能中多少钱 | 今日3d专家预测号最准确 | 钱多多3d百位定独胆 | 3d杀码图专区,杀码图 | 3D独胆大神命中率最新 | 3d专家解太湖字谜汇总 | 今天3d开机号试机号对应码列表 | 3d试机号后专家预测推荐汇总 | 3d独胆专家推荐独胆 | 中国福彩3D独胆内部走势最新 | 3d今天专家推荐号码推荐 | 3d专家预测号 | 于海滨最新3d预测今天 | 3d最大值振幅走势图3之家 | 中国福彩3D独胆专家推荐最新 | 3d预测最准专家预测牛彩网 | 3d定胆技巧准确率100% | 3d一句定三码最准字谜 | 3d免费精准直选三注 | 神仙姐姐杀码今天的 | 3d今天出的什么号 | 今天3d开机号和试机号码是多少 | 3d就打一个胆中了多少钱 | 最准3d专家预测推荐 | 3d专家预测最准最新今天 | 今日太湖钓叟三字诀字谜 | 3d基本走势图综合 | 于海滨3d预测号 | 3d今晚最准最新专家推荐号 | 3d十大专家汇总精选一注 | 今晚3d专家预测最准确 | 3d专家推荐最精准的号码 | 铁人铁胆包星定位今天最新结果 | 3d独胆专家预测 | 千禧金码关注码试机号 | 3d独胆必下一独胆 | 3d千禧试机号关注号金码号开机号 | 3d开机号和试机号今天 今晚 | 3d预测专家最准最新 | 3d字谜总汇今日3d字谜总汇牛彩网 | 3d开机号和试机号正版彩吧 | 千禧3d今天的试机号 | 今晚3d专家最精准的预测 | 3d今天预测最准确专家 | 3d今晚一注 | 3d杀码大全 | 杀码大全汇总 | 3d个位走势图表 | 神仙姐姐今晚杀码 | 无敌胆王今日双胆 | 3d试机号开奖号走势图表 | 3d十大专家汇总精选一注 | 3D独胆大神走势 | 3d十位胆方法100准确 | 3D独胆下期最新预测 | 3d预测最准的专家 | 3d今晚最准专家推荐号 | 3d杀码专家大全 | 今天3d专家预测汇总 | 3d预测今天推荐 | 牛彩网3d专家预测汇总 | 3d分析预测 | 3d今晚预测直选一注3d一注预测 | 中国福彩3D独胆独家杀号 | 千禧3d试机号金码今天关注码对应码 | 3d太湖专家预测今晚 | 3d今日开机号和试机号及关注码 | 3d精准直选一注 | 3d今晚和值推荐 | 3d试机号开机号今天最新 | 3d谜语解太湖字谜 | 詹天佑3d今日推荐 | 今晚3d直选推荐 | 于海滨专家一语定胆十每日 | 3d开机号和试机号今天查询 | 北斗3d今日专家预测推荐 | 3d预测詹天佑最新 | 3d北斗专家北斗预测今天079期3d | 3d今晚专家推荐预测重点号码 | 詹天佑3d最新消息今天 | 于海滨3d最新预测 | 今晚3d开奖号走势图 | 3d今天专家推荐号码 | 3d今天专家预测号码 | 千禧试机号关注金码是什么 | 3d今晚专家预测推荐号 | 3d陈华今晚就赌一胆今天最新消息 | 于海滨彩吧图库 | 3d杀码于海滨 | 3d专家预测牛彩网 | 3d专家预测最准最新 | 3d近300期试机号和开奖号码 | 中国福彩3D独胆当天分析 | 福彩3D独胆独家命中率最新 | 3d今晚预测开奖号码 | 3d今天专家预测推荐号码 | 今日期3d太湖字谜 | 3d单双走势图表 | 今天3d专家预测号码 推荐 | 詹天佑最新预测3d | 于海滨3d预测号 | 于海滨最新预测今天 | 3d怎么守号不亏 | 今天3d开机号 试机号是多少 | 十拿九稳预测最准100% | 3d走势图(专业连线版) | 3d近30期开奖结果 | 中国福彩3D独胆实时必中最新 | 最准3d专家预测推荐 | 今晚3d最准专家预测号 | 3d今晚预测直选四注 | 3d预测推荐汇总 | 3d今天开机号和试机号是多少 | 3d今晚专家预测重点号码 | 詹天佑3d今日推荐 | 今天3d开机号,试机号是多少 | 北斗3d今日专家预测推荐 | 今天最准3d预测号 | 今晚3d一注50倍 | 3d推荐号今晚专家预测最准确 | 3d专家预测推荐号码最准最新 | 3d今日预测最准专家预测 | 3d预测最准专家预测牛彩网 | 千禧试机号金码关注 | 3d预测最准最新准专家预测号码 | 3d最准预测 | 铁人铁胆3d包星定位最新今天 | 孟庆会3d预测今天 | 铁人铁胆3d包星定位最新今天 | 今晚开奖号码3d开奖结果 | 3d和值和尾振幅走势图 | 3d预测最准确专家 | 3d今晚惊天一注预测 | 成功路上3d双胆独胆 | 中国福彩3D独胆最新必中最新 | 3d下期预测最精准的一注号码 | 千禧今晚3d试机号关注码金码 | 3d天中杀码图专区 | 3d一语定胆字谜今天 | 詹天佑预测3d| 3d预测专家最准确今天 | 于海滨海3d专家预测 | 今晚3d专家最精准的预测 | 福彩3D独胆独家命中率最新 | 3d今天开机号和试机号码200 | 3d双胆独胆非常稳 | 于海滨今天预测 | 3d千禧试机号开机号对应码关注号 | 3d预测詹天佑 | 中国彩吧更一懂彩民最新版本更新时 | 3d胆王帅哥独胆双胆 | 3预测,3d专家预测,最准确今天彩网 | 今天3d专家预测号码 推荐 | 3d精选号码推荐今天最新 | 3d紫云涧专家预测推荐 | 布衣3d独胆双胆王 | 3d于海滨专家预测 | 今天最新3d开机号试机号关注码 | 3d今天开机号和试机号码 | 3d推荐号| 3d字图谜总汇| 独胆三天计划 | 今日期3d太湖字谜 | 今日3d一句定三码和值谜食物全部 | 陈华今晚就赌一个胆预测 | 于海滨海3d专家预测今天 | 今天3d开机号和试机号查询结果彩吧 | 今天3d推荐号码今晚预测 | 今天3d牛彩网专家预测 | 3d最近基本走势图 | 3d字太湖叟字谜 | 3d最新准专家预测 | 3d预测今晚最准专家预测号码 | 中国福彩3D独胆下期最新分析 | 今晚3d专家预测最准确 | 3d今晚最准最新专家推荐号 | 3d专家预测号码推荐今天 | 3d今晚最佳和值 | 3d预测专家最准确 | 福彩3D独胆最新必中 | 今日期3d太湖字谜 | 3d预测今晚最准专家预测号码 | 3d和值012走势图带连线图 | 3d最准预测专家预测汇总 | 3d开机号和试机号金码今天的 | 3d今晚最准专家预测号码 | 3d独胆预测 | 3d今日太湖字谜图 | 3d今晚专家预测最准确一注 | 3D独胆独家推荐最新 | 3d预测最准确专家预测 | 3d独胆双胆专家预测网 | 3d预测专家最准确的专家预测今晚 | 3d今晚必出的一注 | 3d北斗专家北斗预测今天079期3d | 福彩3D独胆明日推荐 | 今日3d钱王点评 | 詹天佑3d今天预测分析 | 3d彩吧试机号今天最新 | 3d预测今晚推荐号 | 3d今天专家预测推荐号码 | 3d独胆之家 | 3d预测最准最新准专家预测 | 毒胆牛人三天计划 | 三d预测专家预测今天最新 3d专家预测最准最新今天 | 中国福彩3D独胆专家精准预测最新 | 千禧3d试机号金码关注码今天 | 3d走势图(带连线版) 试机号 | 3d陈华今晚就赌一胆天齐网 | 于海滨3d今晚预测号码 | 3d试机号近10期(模拟) | 百位振幅走势图3d之家 | 3d专家推荐号码 | 3d专家最新最准专家预测汇总 | 今晚3d专家最精准的预测 | 三d推荐号专家预测今天 | 今晚3d的开奖结果 | 3d预测一注号推荐 | 3d字谜汇总大全总汇牛彩网开机号 | 3d今晚最准专家推荐号 | 今天太湖字谜三字诀是什么 | 于海滨杀码今天最新版 | 3D独胆下期预测 | 3d今晚开出什么号码 | 3d字谜汇总大全总汇牛彩网开机号 | 3d预测专家推荐号码 | 3d杀码公式最新 | 3d今晚必中一注一注 | 3d必中永久直选500注大底 | 3d预测最准最新准专家预测号码 | 3d组选中一注多少钱 | 3d今天试机号和开机号 | 3d玩彩老头预测今天号码 | 2012099期3d开奖结果 | 3d推荐号今晚专家预测最准确 | 3d胆1拖9直选多少钱一注 | 3d开机号和试机号金码关注 | 3d字太湖叟字谜 | 今日3d字谜3d一句定三码诗天中图 | 3d预测推荐汇总牛彩网采摘收集 | 3d预测最准确的专家预测软件 | 3d于海滨上的今天杀码 | 廊坊鸿运3d推荐今天 | 中国福彩3D独胆当天精准预测最新 | 齐彩网3d专家预测 | 3d今晚上推荐号码 | 今天的3d开机号和试机号中奖号 | 3d预测号码最准确专家预测 | 3d推荐号今晚专家预测 | 3d上下五千年专家预测 | 3d专家预测最准确今天 | 3d预测 下一期 3d预测专家 3d预测 | 3d专家杀码 | 3d专家预测最准确今天南方双彩网 | 3d最新专家预测汇总大全 | 三d今晚预测推荐十注 | 3d专家预测汇总牛彩网 | 3d最准专家预测号今晚3d试机号 | 最新3d预测专家预测 | 3d今晚预测一注 | 小财神三天计划独胆必下 | 今天3d专家解太湖字谜汇总 | 3d今晚专家预测推荐 | 3d今晚专家预测推荐号 | 3d彩界精英独胆双胆 | 3d牛彩网专家预测 | 3d今天试机号和开机号 | 3d预测杀码 | 神仙姐姐今天最新杀码 | 3d试机号今晚牛彩网 | 福彩3D独胆老师分析最新 | 3d最新专家预测推荐 | 3d今晚专家预测最准确一注 | 铁人铁胆包星定位今天最新结果 | 3d小鱼图今日背面字谜 | 3d和值宫数线走势图 | 今晚3d试机号开机号 | 于海滨3d专家预测今天 | 3d专家预测最准确最新推荐号码 | 3d专家预测今天最新准确号 | 福彩3D独胆明日精准预测 | 于海滨专家一语定胆十每日 | 3d独胆双胆3d之家 | 3d正版藏机图天齐网汇总 | 3d独胆必下一独胆3d独胆预测 | 今天3d开机号和试机号多少? | 3d今晚上专家推荐号 | 3d开机号和试机号金码和关注码 | 3d最准预测专家推荐 | 3d专家预测最准牛彩网 | 3d开机号试机号30期列表彩宝网 | 千禧试机号关注号金码是什么 | 3d预测专家推荐最准确 | 3d手机牛彩网专家预测 | 3d开机号和试机号码牛彩网 | 投资独胆三天计划论坛 | p三杀码| 今天3d开机号试机号码 | 于海滨点评专家一语定胆保真版 | 3d开奖号今晚晚上 | 3d开奖号码结果 今晚 | 3d最精准专家预测汇总今天 | 3d专家预测最新最准推荐 | 3d综合走势图直选 | 今晚3d号码开奖结果多少 | 3d独胆王精准100% | 3d独胆专家推荐独胆 | 3d海滨点评一语定胆今天最新推荐 | 3d今天专家预测最准确 | 排三平均值振幅走势图3d之家 | 3d专家推荐号最准确的推号 | 福彩3D独胆下期最新分析 | 3d预测最准的专家预测 | 3d字谜今天太湖字谜 | 3d独胆公式133x2 | 3d千禧开机号试机号关注金码 | 3d近30期开奖号码 | 3d 今天 试机号开机号3 | 3d之家双胆独胆预测 | 3d今天专家预测号码最准确 | 3d买一个独胆中了得多少钱 | 3d专家预测最准确今天南方双彩网 | 于海滨专家3d今天预测 | 3d,胆 | 牛彩网近30期3d开机号试机号 | 于海滨点评专家一语定胆保真版 | 3d今晚最准专家推荐号 | 3D独胆大神走势 | 3d预测今晚最准专家预测号码 | 3d詹天佑最新预测今天 | 千禧p3试机号关注号金胆对应号 | 今天晚上的3d开奖结果 | 排三平均值振幅走势图3d之家 | 3d开奖号码今晚走势图 | 三d推荐号专家预测今天 | 于海滨点评专家一注定胆保真版 | 3d财神爷今晚独胆 | 3d专家预测最准确最新今天牛彩 | 今晚3d专家推荐重点号码 | 3d精准预测最准的专家直选 | 3d十位走势图带连线图表专业版 | 天天彩于海滨海3d最新预测 | 3d专家今天预测一注 | 3d预测最准确的专家 | 马后炮解3d太湖钓叟字谜总汇大全 | 3d开机号和试机号今天查询 | 3d开奖结果今晚号码 | 张克永3d预测今天 | 3d于海滨今天预测保真 | 3d专家预测推荐号最新 | 超级毒胆 | 今晚3d开奖号是多少 | 于海滨今日预测号 | 3d预测最准确的专家 | 3d独胆双胆专家预测网 | 3d专家预测最准确今天 | 3d专家预测号 | 今天3d开机号和试机号全部 | 福家老三3d推荐号 | 3d专家预测最准确最新新闻 | 3d今天专家预测号码最准确 | 3d今天专家预测号码 | 3d最准专家预测号今晚3d试机号 | 3d今晚预测准确的专家预测 | 3d专家预测推荐号码 | 3d杀码专家杀码天齐网 | 福彩3D独胆高手预测 | 陈华今晚就赌一个胆今天最新更新内容 | 3d预测詹天佑最新 | 3d专家最新最准预测 | 3d预测专家准确推荐 | 3d藏机图正版藏机图全图牛彩网 | 3d专家最准确预测 | 詹天佑最新预测3d | 3d预测最准专家预测牛彩网 | 中国福彩3D独胆独家必中最新 | 3d今日预测最准专家预测 | 今晚3d推荐号 | 牛彩网3d专家预测汇总 | 3d专家最准确预测 | 排三王牌小哥独胆 | 3d预测专家精准推荐 | 今天专家推荐号码3d | 3d近30期开机号试机号开奖号查询 | 3d预测今晚最新最准确 | 3d专家免费预测 | 于海滨今天预测 | 金银胆神金胆银胆的最新消息 | 3d预测一注精准 | 3d阿福图库图谜大全 | 福彩3D独胆最新必中 | 今日3d字谜太湖钓叟字谜正版 | 3d直选精准100%免费 | 3d今天中了多少注直选 | 今日3d预测 | 3d买4个号直选多少钱 | 今天晚上3d开奖 | 3d徐文轩今晚推荐号码 | 3d于海滨上的今天预测保真 | 3d专家最精准的推荐 | 3d武当玉女掌门一句定三码字谜 | 3d毒胆双胆三胆 | 3d专家今天预测一注 | 3d最新专家预测汇总大全 | 千禧3d试机号关注码金码列表 | 3d最精准专家预测汇总今天 | 今晚3d号码开奖结果多少 | 3d预测专家推荐最准确 | 独胆计划王| 太湖解3d字谜汇总 | 小林3d最新预测今天 | 3d最新最准专家预预测 | 马到成功杀两码最新版本更新内容 | 3d今晚精选预测一注 | 3d今晚最准的一注 | 3d和值走势图(带连线图) | 今晚3d推荐号码 | 3d跨度遗漏值振幅走势图彩经网 | 3d预测最准专家 | 3d 今天 试机号开机号3 | 排3太湖钓叟字谜三字诀 | 3d今天预测号 | 3d预测最新最准专家 | 3d太湖钓叟三字诀字谜汇总 | 财神爷独胆三天计划,就这么牛 | 福彩3D独胆下期推荐预测 | 3地独胆,毒胆双胆家彩网 | 千禧3d试机号金码今天关注码对应码 | 3d最精准专家预测汇总今天 | 自创3d绝杀四码方法细节 | 3d开机号和试机号今天查询 | 于海滨最新3d预测推荐今天 | 2012099期3d开奖结果 | 3d预测最准最新准专家预测 | 3d今晚预测最新最准确号码牛彩网 | 3d预测今晚最准专家预测号码 | 3d推荐最新最准专家预测 | 3d最准确最新专家预测 | 3d最新专家预测汇总牛部长预测 | 千禧试机号金码关注号对应码杀码 | 3d精选号码推荐今天最新 | 3d开奖号码结果 今晚 | 于海滨3d预测天齐网 | 3d十大专家推荐号码汇总 | 3d近30期开奖结果 | 3d十位单选振幅走势图 | 3d火火独胆双胆 | 3d今晚精彩预测 | 3d两胆王 | 3d预测最准确的专家预测软件 | 近100期3d开机号和试机号 | 于海滨海3d预测今天 | 今日3d一句定三码和值谜食物全部 | 3d和值宫数线走势图 | 3d和值基本走势图 | 福彩3D独胆大神精准预测最新 | 千禧3试机号金码关注码金码 | 3d詹天佑最新预测 | 今天的3d太湖字谜今天晚上 | 3d今晚预测直选一注3d一注预测 | 3d今天的推荐号 | 3d牛彩网预测汇总 | 3d正版藏机图总汇全图 | 3d机选一注| 3d今天专家推荐号码是多少 | 3d推荐号今晚专家预测 | 3d专家预测最准最新 | 3d百位定位走势图 | 3d今天开机号和试机号码727 | 三d胆| 3d今天推荐号码是多少 | 3D独胆今晚命中率最新 | 福彩3D独胆今日走势最新 | 3d太湖字谜总汇大全 每天更新 | 3d预测最准的专家预测 | 福彩3D独胆今晚必中最新 | 3d今天的试机号和开机号 | 小红人的计划三天计划 | 3d之家,专家预测预测 | 3d开奖号码今晚走势图 | 3d最准一个独胆方法 | 3d千禧试机号金码关注最近10期 | 十拿九稳预测 | 3d开机号和试机号200期列表 | 3d预测最准专家预测 | 3d专家今天预测一注 | 3d预测牛彩网预测汇总 | 中国福彩3D独胆当天走势最新 | 3d专家预测最准 | 于海滨海3d专家预测今晚一注 | 3d专家詹詹天佑最新推荐 | 福彩3D独胆本期命中率 | 铁人铁胆3d包星定位最新今天 | 3d必下双胆 | 3d近30期开机号试机号开奖号查询 | 今日排五专家推荐与预测 | 3d今天专家预测推荐号码 | 3d预测最新最准专家 | 3d今晚最准最新专家推荐号 | 毒胆| 老炮子预测今晚三地 | 3d两胆精准预测 | 3d北斗专家北斗预测今天079期3d | 3d专家预测推荐号最新 | 3d今晚推荐三注 | 3d开心毒胆独胆王 | 3d预测专家最准确的专家预测 | 3d和值10有哪些号码 | 3d预测专家最准最新 | 3d预测专家最准确的专家预测今晚 | 3d今晚上专家推荐号 | 3d今天专家推荐号码推荐 | 于海滨点评专家一注定胆保真版 | 3d直选一注必中 | p3故事小王双胆下一今天 | 3d真实的谎言字谜总汇正版 | 3d试机号开机号今天最新 | 3d预测专家最准最新 | 于海滨3d免费预测 | 钱王点评十钱王老头给胆 | 3d今天试机号和开机号 | 3d走势图的基本走势图 | 3d专家预测最准确今天南方双彩网 | 3d预测专家精准推荐 | 3d万能三码中奖秘诀 | 3d专家预测最准最新 | 今晚3d专家最精准的预测 | 3d今晚必中一注一注 | 3d预测最准专家预测牛彩网 | 詹天佑3d今日预测 | 福彩3D独胆实时走势 | 3d今晚惊天一注预测 | 3d今晚预测直选一注3d一注预测 | 今日3d开机号和试机号关注码千禧 | 3d千禧金码试机号关注码开奖号 | 机选一注3d | 3d最准一注号码 | 3d专家预测汇总牛彩网彩摘收集 | 中国福彩3D独胆专家精准预测最新 | 3d最新专家预测推荐 | 3d最准专家预测 | 3d和尾振幅走势图3d专家 | 3d今晚最准最新专家推荐号 | 3d精准三注直选 | 3d最准一注号码 | 3d今晚必下一个胆 | 今晚3d之家 | 今日3d藏机图正版藏机图134 | 3d今晚专家预测推荐号 | 今天的3d太湖字谜今天晚上 | 今日3d藏机图正版藏机图134 | 马后炮解3d字谜 | 3d预测专家推荐最新 | 排三平均值振幅走势图3d之家 | 千禧3d试机号金码关注码今天 | 中国福彩3D独胆独家预测 | 3d独胆陈华今晚就赌一个胆 | 布衣杀码图3d杀码 | 3d双胆图 | 3d今晚中奖号是多少 | 詹天佑3d最新预测今天 | 3d今天中了多少注直选 | 千禧试机号金码关注 | 3d今天开机号和试机号码727 | 3d基本走势图表新浪网 | 今晚3d号码开奖结果多少 | 3d试机号开机号今天查询排五 | 3d预测专家推荐最新 | 3d计算公式精准100%计算 | 3d今晚最准的一注 | 开心毒胆王今晚独胆 | 布衣3d独胆双胆王 | 3d海滨点评一语定胆今天最新推荐 | 今于海滨3d杀码 | 今晚3d专家推荐号码是多少 | 今晚3d专家推荐号码是多少 | 詹天佑最新预测3d | 3d六码组三多少钱一注 | 3d今天专家推荐号码 | 3d太湖老情人字谜图谜 | 3d近500期试机号和开奖号码 | 今晚3d预测最准一注 | 3d今天专家预测推荐号码 | 3d今天专家推荐号码 | 今晚3d开奖号码多少 | 3d今日字谜太湖 | 于海滨海3d预测牛彩网 | 今日3d预测号码推荐 | 3d预测专家推荐最准确 | 3d预测最新最准3d之家 | 3d于海滨上的今天预测保真 | 3d的预测号是多少 | 牛彩3d专家预测 | 3d太湖一语定胆字谜 | 3D独胆实时分析 | 今日3d推荐号码号 | 3d今晚预测直选一注 | 排五预测最准专家 | 3d专家预测最准最新今天 | 3d预测专家精准推荐号 | 今天的3d推荐号码是多少 | 3d今晚专家推荐号 | 3d开机号码试机号牛彩网 | 七爷独胆今晚一个胆 | 3d绝杀二码今天最新更新内容 | 3d专家预测最准确今天 | 三d便民字谜图谜总汇 | 3d钓叟字谜三字诀官网 | 于海滨精准杀码图 | 3d条件预测专家专区 | 今天3d金码试机号对应码开机号 | 最新3d预测专家预测 | 詹天佑3d最新消息今天 | 3d今晚必下一个胆 | 3d预测最准确的专家预测软件 | 今晚3d开奖号码多少 | 三d之家独胆 | 十拿九稳今天预测专家 | 中国福彩3D独胆实时推荐 | 3d今天专家预测最准 | 3d于海滨预测预测牛彩网 | 3d开奖结果今晚号码 | 最新3d预测专家预测 | 3d十位胆方法100准确 | 福彩3D独胆下一期命中率最新 | 无敌胆王独胆双胆 | 3d太湖字谜一语定胆 | 3d今天专家推荐号码推荐 | 3d预测专家最准确 | 今日3d十大专家双胆总汇 | 3d试机号开机号关注号金码 | 3d专家推荐预测号 | 陈华今天就赌一个胆3d | 财神爷独胆三天计划,就这么牛 | 詹天佑3d最新消息今天 | 天齐网3d必中两胆今天 | 三d推荐号专家预测今天 | 3d最新专家预测汇总 | 3d最准专家预测方法 | 3d十大专家精准预测汇总 | 3d今晚预测最新最准确 | 千禧3d今天的试机号 | 3d试机号后专家预测推荐汇总 | bbs,55125:cn彩吧论坛 | 3d解太湖字谜汇总 | 3d的开机号试机号奖号表 | 于海滨海3d专家预测 | 3d精准预测最准的专家 | 3d预测今晚最准专家预测号码 | 于海滨的今日预测 | 3d开机号和试机号金码和关注码 | 福彩3D独胆老师精准预测 | 于海滨三地杀码 | 3d个位振幅走势图近50期 | 彩坛老顽童3d独胆 | 今天的3d太湖字谜今天晚上 | 3d最新准专家预测 | 3d彩宝贝试机号今天最新 | 3d专家推荐号码 | 3d詹天佑最新预测今天 | 3d和值最近(500)期走势图 | 于海滨3d杀码图 | 3d双胆预测3d双胆下3d 双胆推荐 | 今日3d专家预测号码 | 3d专家预测最准确最新今天牛彩 | 千禧3d试机号金码今天关注码对应码 | 3d跨走势图带连线走势图 | 助赢计划软件免费版下载安装 | 3d和值和尾振幅走势图 | 3d十位单选振幅走势图 | 3d最精准专家预测汇总今天 | 3d今晚预测准确的专家预测 | 马后炮解3d太湖字谜总汇大全 | 给一注今晚3d | 今天晚上的3d开奖结果 | 钱王点评十钱王给胆下一期预测 | 3d双胆独胆非常非常 | 3d十大专家独胆 | 3d今晚专家预测最准确一注 | 成功路上3d双胆独胆 | 3d直选100%中奖绝技软件 | 3d专家预测最准最新今天 | 3d今天开机号和试机号查询100期 | 3d北斗专家北斗预测今天079期3d | 今晚预测3d号| 3d今天开机号和试机号码300 | 福彩3D独胆明日分析最新 | 3d双胆大师今天 | 3d推荐号今日预测 | 詹天佑3d预测今天推荐号码 | 千禧关注码试机号金码 | 今晚精准一注3d | 3d双胆独胆 | 开机号试机号3d今天 | 3d最新准专家预测 | 千禧3d试机号金码关注码对应码 | 3d金码开机号和试机号 | 太湖3d字谜太湖钓叟三字诀 | 3d今晚专家预测最准确一注 | 3d预测 下一期 3d预测专家 3d预测 | 排三今晚十拿九稳最新预测 | 3d预测最新最准确号码 | 三d开机号和试机号今天牛彩网彩 | 3d杀码十大专家天齐网 | 3d直选综合走势图 | 3d手机牛彩网专家预测 | 3d谜语字谜太湖天齐网 | 三d十拿九稳预测号码 | 3d预测最准确专家预测 | 3d独胆双胆3d之家 | 3d推荐最新最准专家预测 | 于海滨3d预测牛彩网 | 最新3d预测专家预测 | 陈华今晚就赌一个胆今天最新更新内容 | 3d推荐号今晚专家预测 | 3d今晚最准专家预测号码145 | 3d今晚试机号是多少查询 | 3d推荐号今晚专家预测最准确 | 3d跨度遗漏值振幅走势图彩经网 | 3D独胆高手精准预测 | 3d和值基本走势图表 | 于海滨最新3d预测推荐今天 | 3d最全晚间字谜汇总大全 | 3d今晚专家推荐 | 铁人铁胆包星定位今天最新结果 | 3d专家预测最准最新 | 3d专家预测号码推荐今天 | 大师诸葛亮今晚一个独胆 | 3d专家预测汇总 | 詹天佑3d最新消息今天 | 3d正版太湖字谜图谜 | 于海滨一语定胆《保真》 | 3d开奖号今天结果 今晚 | 3d今天专家推荐号码推荐 | 3d两胆必出方法 | 2025315期3d开奖结果 | 3d均值振幅走势图表图 | 3d近30期开机号试机号开奖号查询 | 3d近300期试机号和开奖号码 | 于海滨专家预测 | 3d试后太湖一语定胆字谜 | 3d预测 下一期 3d预测专家 3d预测 | 3d杀码图汇总 | 今晚3d预测总汇 | 3d专家预测最准确最新今天 | 3d今晚精彩预测 | 中国福彩3D独胆下期推荐杀号最新 | 专家精准预测3d号 | 福彩3D独胆最新必中最新 | 3d今晚预测准确的专家预测 | 3d精准预测最准的专家直选 | 3d今天开机号和试机号查询100期 | 3d预测专家最准确今天 | 3d詹天佑预测分析牛彩网 | 千禧3d试机号金码关注码牛彩网 | 3d千禧开机号和试机号码 | 3d今天开机号试机号码 | 今天3d牛彩网专家预测 | 3d最准的预测专家 | 今天晚上3d开奖结果 | 3d天地杀码图 | 千禧试机号金码关注码的历史记录 | 千禧3d试机号金码关注码对应码 | 财神爷独胆三天计划,就这么牛 | 毒胆牛人三天计划必出 | 3d专家预测号码推荐今天 | 最准3d专家预测推荐 | 3d盐都三胆家彩网 | 今晚3d专家预测汇总 | 3d詹天佑最新预测今天 | 3d试机号开机号今天晚上金码号 | 最准3d专家预测推荐 | 马后炮解今日太湖字谜三字诀 | 飞向阳光龙头凤尾预测 | 3d今晚试机号开奖号 | 3d推荐号码今晚预测 | 3d陈华今晚就赌一胆天齐网 | 3d今晚专家推荐 | 3d千禧开号试机号关注金码对 | 牛彩网3d预测汇总大全手机版下载 | 3d推荐号今晚专家预测最准确 | 今天3d藏机图正版藏机图藏机图太湖横屏 | 3d最新专家预测推荐 | 3d专家预测最准最新今天 | 排五预测专家预测 | 3d个位振幅走势图近50期 | 于海滨点评专家一注定胆保真版162期 | 3d专家今日推荐号码 | 3d专家最新最准预测 | 3d今天专家推荐号码 | 于海滨海3d专家预测今天 | 成功路上3d双胆独胆 | 3d今天晚上的开奖号码 | 3d千禧试机号金码关注码对应码 | 牛彩网3d预测汇总大全 | 于海滨点评专家一注定胆保真版 | 3d今天开机号和试机号码200 | 于海滨点评专家一注定胆保真版162期 | 今晚3d的试机号是 | 3d十位走势图振幅 | 3d今晚专家预测最准确号码 | 3d北斗专家北斗预测今天079期3d | 于海滨点评专家一注定胆保真版 | 今日太湖字谜3d总汇 | 3D独胆大神分析 | 于海滨3d预测 | 3d今日预测最准专家预测 | 3d藏机图正版藏机图汇总今天最新 | 今日3d藏机图正版藏机图134 | 3d各类和值谜追加汇总 | 3d开机号和试机号今天全部 | 3d太湖字谜官网 | 3D独胆本期预测最新 | 3d专家预测最准最新今天 | 三d十拿九稳预测号码 | 3d单双走势图表(专业版) | 3d近30期试机号和开奖结果 | 3d今晚惊天一注预测 | 今晚3d开奖结果是多少 | 福彩3D独胆下期推荐精准预测 | 3d今天专家预测推荐号码 | 最准3d专家预测推荐 | 3d太湖钓叟字谜汇总正版藏机图 | 3d今晚专家推荐号 | 3d牛彩网专家预测 | 今天3d专家预测汇总 | 福彩3D独胆大神精准预测 | 今日3d专家预测总汇 | 神仙姐姐今天最新杀码 | 3d今晚精准推荐一注 | 今晚3d专家最精准的预测 | 3d中间号走势图振幅走势图 | 太湖3d字谜图谜总汇 | 今日3d太湖字谜三字诀洞庭游侠 | 今晚3d和值推荐 | 3d专家预测汇总牛彩网 | 两天双胆计划王 | 3d跨度走势图图表 | 3d专家预测牛彩网 | 今天3d开机号和试机号码结果查询 | 3d最准确预测专家 | 3d下期预测最精准的一注号码 | 3d最准预测专家预测大 | 3d今晚必出的一注 | 3d今晚最准专家预测号码145 | 3d今晚最新奖号 | 3d字谜总汇今日3d字谜总汇牛彩网 | 3d开机号试机号码牛彩网 | 今天3d的开机号和试机号是多少号 | 3d直选一注今天 | 3d詹天佑预测汇总 | 3d今天最新最准专家预测最 | 专家预测3d号码准确 | 3d今晚预测最新最准确号码牛彩网 | 卫星电话最建议买的三个型号 | 中国福彩3D独胆下期推荐杀号最新 | 毒胆牛人三天计划必出 | 今晚最全3d晚间字谜汇总192期 | 铁人铁胆定位包是预测 | 今天3d专家预测号码 推荐 | 3d预测最准最新准专家预测号码 | 3d最大值振幅走势图3之家 | 孟老师专家预测3d | 3d个位振幅走势图近50期 | 3d预测专家最准确的专家预测今晚 | 3d最准一个独胆毒胆 | 3d之家,专家预测预测 | 3d今晚专家推荐预测重点号码 | 今天3d数字定位三 | 3d和值最近(500)期走势图 | 3d今天专家推荐号码推荐 | 今天的3d太湖字谜 | 3d海滨点评一语定胆今天最新推荐 | 唐龙3d预测今日出号点评 | 3d预测最新最准专家推荐号码 | 3d振幅和值尾走势图 | 福彩3D独胆高手杀号最新 | 3d专家预测最准确最新今晚预测 | 3d直选走势图(专业版) | 于海滨精准杀码图 | 陈华今晚独胆特别关注 | 3d今晚专家预测推荐号 | 3d今天中了多少注直选 | 3d十大专家推荐号码汇总 | 三d今日太湖字谜解 | 3d牛彩网专家预测 | 3d十大专家预测汇总 | 今天3d开机号试机号金码 | 3d今天开机号 试机号查询 | 福彩3D独胆下期杀号最新 | 今天最准3d预测号 | 3d近30期开机号试机号开奖号查询 | 解3d字谜太湖钓叟汇总 | 3d独胆双胆专家预测网 | 3d独胆二天计划 | 十拿九稳十大专家预测汇总最新一期 | 3d阴阳走势图表图 | 3d独胆必下一独胆准 | 3d最准专家预测号 | 钱王点评十钱王给胆下一期预测 | 3d专家预测最准确今天上一期 | 3d条件预测专家专区 | 今天三字诀太湖字谜 | 3d十大专家汇总精选一注 | 天齐藏机图汇总正版藏机图 | 3d最准确预测专家 | 3d专家詹詹天佑最新推荐 | 于海滨专家3d今天预测 | 3d独胆必下一独胆 | 3d今晚最准最新专家推荐号 | 今天3d开机号和试机号多少 | 3d专家预测汇总牛彩网 | 福彩3D独胆明日分析最新 | 3d今天专家预测号码 | 3d专家预测最准确今天上一期 | 3d专家解太湖字谜汇总 | 福彩3D独胆专家杀号 | 3d和值走势图(带连线图) | 3d谜语太湖钓叟3d谜语今天 | 3d专家最新最准专家预测汇总 | 最准的3d专家预测 | 3d单一跨度走势图表 | 今日3d一注推荐 | 3d预测最准最新准专家预测 | 3d今晚专家推荐号 | 3d专家预测最准最新今天 | 下一期专家预测号码 | 3d今天预测最准确专家 | 3d预测牛彩网预测汇总 | 3d今日预测最准专家预测 | 3d陈华今晚就赌一胆o11预测 | 福彩3D独胆老师杀号最新 | 中国杀码王3d绝杀 | 3d谜语今天字谜今天的3d字谜是什么? | 3d今晚预测最新最准确号码牛彩网 | 3d海滨点评一语定胆今天最新推荐 | 辉煌看胆双胆3d | 3d牛彩网试机号后专家预测汇总 | 3d最准一个独胆方法 | 2009年浙江风采3d走势图 | 3d免费预测 | 3d专家今日推荐号码 | 3d字谜图谜总汇全图汇总 | 今日3d大老人预测号 | 3d今天专家推荐号码推荐 | 3d试机号今天晚上是多少 | 3d今晚预测最准确一注今天 | 3d最新预测专家推荐 | 3d牛彩网专家预测 | 今日3d预测| 3d推荐最新最准专家预测 | 3d和值尾振幅走势图专业版 | 太湖钓叟三字诀字谜解释总汇 | 3d预测詹天佑 | 今天3d试机号开机号是什么 | 3d盐都三胆家彩网 | 3d今日专家推荐 | 今天买哪三个号码好 | 3d藏机图正版藏机图汇总今天最新 | 今日3d大老人预测号 | 3D独胆专家分析 | 3d廊坊鸿运精选号码推荐 | 今日3d太湖字谜三字诀试机号 | 3d2025322期太湖字谜 | 三3d太湖字谜 | 3d今晚专家预测最准确一注 | 3d北斗专家北斗预测今天079期3d | 今天3d开机号 试机号是多少 | 今晚3d专家推荐号码 | 3d就打一个胆中了多少钱 | 3d双胆独胆 | 3d今天专家推荐号码 | 小林3d预测 | 3d今天推荐号码是多少 | 3d今日开机号和试机号及关注码 | 于海滨专家预测3d | 3D独胆下期最新精准预测 | 3d专家预测汇总牛彩网彩摘收集 | 福彩3D独胆下一期推荐最新 | 3d字太湖叟字谜 | 三d独胆王独胆双胆 | 3d专家预测最准确最新今晚预测 | 一代女王杀两胆 | 今晚3d之家| 3d独胆陈华今晚就赌一个胆 | 3d预测专家汇总预测 | 3d专家独胆推荐 | 专家预测3d号码准确 | 3d基本走势图表完整版 | 3d双胆大师 | 3d真实的谎言正版和值字谜 | 小林3d最新预测今天 | 家彩专门提供3d试机号开机号 | 3d直选注 | 排三十拿九稳今天预测 | 开机号试机号3d今天 | 福彩3D独胆明日分析 | 3d北斗专家北斗预测今天079期3d | 3d字谜太湖解字谜 | 今天十拿九稳号码预测 | 3d最新准专家预测 | 3d今天开机号和试机号322 | 三d预测最准十专家预测今晚 | 3d预测最准的专家预测 | 今晚3d专家预测汇总 | 3d今天的试机号开机号是多少 | 3d振幅和值尾走势图 | 3d双胆独胆非常非常稳定 | 3d今天晚上预测最准专家 | 3d近100期的开奖号码和试机号 | 三d牛彩网开机号试机号是多少 | 3d推荐号码今晚预测 | 3d百位十位个位走势图 | 3d独胆双胆预测 | 财神爷独胆三天计划,就这么牛 | 3d十大专家汇总精选一注 | 今日3d马后炮解太湖字谜 | 《金银胆神》金胆银胆3d最新一期开奖 | 于海滨今日预测号 | 3d预测最准确的专家 | 3d大老人预测 | 3d和值和尾振幅走势图 | 3d今天专家推荐号码推荐 | 3d今晚最准专家预测号码145 | 最准的3d专家预测 | 3D独胆下期预测 | 今晚3d专家推荐 | 今晚3d精准一注直选 | 3d今晚最准最新专家推荐号 | 3d村独胆双胆3 | 3d今晚预测直选四注 | 3d今晚预测最新最准确号码牛彩网 | 3d和值和尾走势图带连线图表 | 3d试机号开机号今天最新 | 3d试机号历史出现情况天齐网 | 今日3d预测号码推荐 | 3d预测专家推荐最准确 | 今天专家推荐号码3d | 3d手机牛彩网专家预测 | 今晚上3d开奖号码 | 十拿九稳预测 | 今晚3d试机号码和开机号 | 钱王点评 | 3d杀码专家杀码天齐网 | 3d专家预测最准最新今天 | 千禧3d今天的试机号 | 排三王牌小哥独胆 | 最精准杀码王 | 3d最精准的专家预测 | 3d火火独胆双胆 | 3d今晚专家看独胆 | 李明启3d预测最新号码 | 孟庆会老师3d预测彩吧图库今天 | 3d字谜太湖最新 | 3d今于海滨杀码图 | 3d专家最准确推荐最新 | 3d各类和值最新谜字谜今天 | 3d今晚专家预测最准确一注 | 中国福彩3D独胆明日推荐 | 3d开机号和试机号30期列表 | 3d直选走势图(专业版) | 千禧3d今天的试机号 | 3d走势图带连线牛彩网 | 3d专家最新最准今天预测 | 3d预测最精准预测 | 3d陈华今晚就赌一个胆搜索一下 | 3d专家预测号码推荐今天 | 千禧开机号试机号关注号金码杀码 | 3d彩吧图库44462 | 3d下期预测最精准的一注号码 | 3d布衣双胆独胆王 | 今日3d开机号和试机号关注码千禧 | 3d三胆推荐 | 今天3d专家预测汇总 | 专家预测3d号码准确 | 太湖解太湖3d字谜 | 今日3d太湖字谜三字诀试机号 | 3d今晚专家推荐号 | 3d詹天佑3d预测 | 3d专家最新最准专家预测 | 今晚3d开机号和试机号是多少 | 3d今晚专家预测最准确一注 | 3d任意两码差值尾走势图 | 3d千禧试机号开机号金码 | 3d专家今天推荐号 | 福彩3D独胆独家预测最新 | 最准3d预测专家推荐号 | 3d试机号是多少牛彩网 | 3d今晚出啥号| 3d直选100%中奖绝技 | 3d预测今晚最新最准确 | 3d走势图的基本走势图 | 3d试机号后专家预测推荐汇总 | 3d千禧试机号金码关注码对应码 | 3d杀码图汇总 | 3d预测今日最新推荐 | 3d开奖号码今晚走势图 | 成功路上3d双胆独胆 | 3d今天预测最准确专家 | 3d开机号和试机号今天金码0 | 3d开机号和试机号金码关注 | 3d预测最准最新准专家预测号码 | 千禧金码关注码试机号 | 3d下期预测最准一注 | 西施姐姐精心推算一独胆146 | 3d带连线专业版走势图表 | 今晚3d太湖字谜 | 3d专家预测最准确今天 | 3d玩彩老头预测今天号码 | 3d专家预测最准今天 | 铁人铁胆3d包星定位最新今天 | 于海滨海3d最新预测 | 太湖字谜太湖钓叟三字诀 | 今天3d开机号试机号码 | 陈华今晚就赌一个胆今天最新更新内容 | 3d今晚专家预测最准确一注 | 3d最精准独胆王 | 今晚3d推荐号 | 3d今天开机号和试机号码 | 3d彩界元宝就看一个独胆 | 3d字谜历史记录 | 千禧3d试机号金码关注码杀码今天3d | 3d开机号和试机号码牛彩网 | 十拿九稳预测 | 天才三天独胆计划 | 3d十位走势图彩经网 | 中国福彩3D独胆下期推荐 | 3d北斗专家北斗预测今天079期3d | 3d振幅和值尾走势图 | 陈华今晚就赌一个胆今天最新更新内容 | 3d今晚预测准确的专家预测 | 今晚上必中一注 | 预测今晚3d一注 | 3d小差振幅走势图表图 | 3d今晚预测开奖号码 | 马后炮解3d太湖字谜总汇大全 | 3d今晚试机号牛彩网 | 三七进二得三码猜一生肖 | 3d今晚最稳一注 | 白姐3d今天预测号码 | 3d预测专家准确推荐 | 3d预测专家推荐最准确 | 3d最精准的专家预测精选 | 3d预测一注号推荐 | 3d预测牛彩网 | 3d最准确最新专家预测 | 3d预测专家最准确的专家预测今晚 | 今日3d钱王点评 | 3d预测专家推荐最新 | 3d最准确最新专家预测 | 真实的谎言3d字谜追加和值谜 | 3d最精准一注一注 | 3d字谜太湖最新 | 3d双胆神算今天必下 | 3D独胆高手杀号 | 3d今晚试机号是多少查询 | 天齐杀码图汇总 | 3d预测专家推荐 | 3d今晚专家推荐预测重点号码 | 牛彩网专家汇总汇总3d | 3d号码预测和推荐号今天 | 3d最新专家预测汇总牛部长预测 | 3d最准专家预测 | 3d十大专家推荐号码汇总 | 专家3d专家推荐 | 3D独胆团队精准预测最新 | 预测今晚3d一注 | 3d试机号开机号今天金码关注 | 3d顶级胆神双胆 | 3d之家双胆独胆预测 | 龙头凤尾最准确预测 | 3d预测最准确的专家 | 今晚快乐八专家预测推荐号 | 3的杀码图 | 3d开奖号历史上的今天 | 3d开机号和试机号今天多少 | 詹天佑最新预测3d | 福彩3D独胆下一期走势最新 | 太湖字谜钓叟3d字谜 | 今日焰舞3d焰舞字谜汇总大全 | 3d预测专家最准确的专家预测今晚 | 于海滨3d杀码图145 | 3d钱王老头给胆点评 | 3d专家预测最新推荐 | 3d开机号和试机号是多少 | 3d,预测 | 今天的3d开机号和试机号中奖号 | 3d免费专家预测推荐今天最新 | 3d万能大底共250注直选 | 3d藏机图正版图汇总 | 3d今天开机号和试机号码 | 3d今天预测最准确专家 | 千禧3试机号金码关注码金码 | 3d最新最准专家预测号码 | 3d今晚专家推荐号 | 于海滨3d预测今天 | 3d李明启预测号 | 百位振幅走势图3d之家 | 今天3d开机号 试机号是多少 | 3d今天专家预测号码最准确 | 3d必下双胆| 白鱼舟最新3d预测 | 3d专家推荐号 | 3d开机号试机号今天的 | 3d试机号今天晚上金码92期 | 3d号码预测 | 小红人的计划三天计划 | 最准3d专家预测推荐 | 3d精准预测最准的专家 | 3D独胆下一期杀号 | 3d杀码专家杀码天齐网 | 福彩3D独胆团队必中 | 今晚3d专家推荐号码 | 今天3d开机号 试机号是多少 | 3d今天预测最准确专家 | 神仙姐姐杀尾 | 3d开机号和试机号今天金码关注号 | 牛彩网3d预测汇总大全 | 3d条件预测专区牛彩网 | 3d今天专家预测最准 | 3d晚秋和值谜彩吧图库 | 最准的3d专家预测 | 3d独胆高手 | 3d专家预测号码推荐今天 | 3d精准定位专家预测 | 3d今天最新最准专家预测最 | 3d专家预测号码推荐今天 | 今于海滨3d预测今天单线联系 | 3d开机号和试机号正版彩吧 | 3d彩界精英独胆双胆 | 今天专家推荐号码3d | 福利3d开奖号码 | 神仙姐姐独胆一个 | 今日期3d太湖字谜 | 今天3d千禧试机号关注号金码号 | 千禧关注码试机号金码 | 3d预测最准专家预测号 | 3d最精准专家预测汇总今天 | 3d今晚最准专家预测号码145 | 3d今天专家推荐号码推荐 | 3d条件预测专家专区 | 铁人铁胆包星定位今天最新结果 | 3d独胆双胆专家预测网 | 三d预测最准十专家预测今晚 | 今晚3d专家预测精选一注 | 3d今天专家预测号码 | 3d试机号今天开机号查询结果 | 今天3d开机号和试机号多少? | 3d今天专家预测号码 | 3d辽宁独胆王 | 3d专家预测号码最准确 | 今天3d正版太湖字谜 | 3d钓叟字谜三字诀官网 | 3d预测今天最准预测号 | 今日3d太湖字谜三字诀排三开奖结果 | 福彩3D独胆下一期走势最新 | 3d晚间字谜汇总汇 | 3d的预测号 | 3d和值基本走势图新浪网 | 3d最精准的专家预测精选 | 3d最新最准专家预测号码 | 3d预测号码最准确专家预测 | 高手看3d经典独胆组合 | 今晚3d预测最准一注 | 3d预测专家最准最新 | 3d彩吧试机号今天 | 3D独胆下期推荐预测最新 | 今天3d专家预测汇总 | 3d试机号历史出现情况天齐网 | 十拿九稳预测专家分析 | 3d今天推荐号码 | 3d基本走势综合图 | 3d开机号和试机号今天千禧 | 中国福彩3D独胆明日推荐最新 | 3d开机号试机号近100期开奖号码 | 詹天佑3d今天预测分析 | 3d专家预测推荐号码 | 了3d开奖结果 今天晚上 | 辽宁独胆王三天计划 | 3d独胆双胆预测推荐 | 3d预测汇总| 【独胆真准】3d | 独胆王三天计划 | 今天彩报中心 3d图库 | 3D独胆高手走势 | 今晚3d预测推荐一注 | 3d专家预测最准确最新今天牛彩 | 3d最精准的专家预测 | 于海滨3d最新预测 | 三字诀3d字谜 | 3d太湖字谜三字诀 | 詹天佑3d预测号 | 于海滨杀码图 | 千禧3d开机号试机号金码 | 3d基本走势综合图 | 3d牛彩网100期开机号和试机号 | 正版真精华布衣天下今天推荐号码 | 于海滨3d预测专家今天 | 今晚3d专家推荐号 | 今晚开奖号码3d开奖结果 | 3d字谜图谜总汇全图汇总 | 3d今晚预测最新最准确号码牛彩网 | 于海滨海3d专家预测今晚一注 | 3d牛彩网专家预测 | 3d专家推荐最精准的号码 | 今天的3d开机号和试机号查询 | 3d专家预测最新 | 今日排三太湖钓叟字谜三字诀 | 3d专家预测最准确最新今晚预测 | 3d孙大财就赌一个胆 | 中国福彩3D独胆专家精准预测 | 3d今晚专家预测最准确一注 | 3d专家预测最准确最新今晚预测 | 3d推荐号今晚专家预测最准确 | 3d推荐号3d推荐号码 | 3D独胆高手杀号 | 3d预测最准专家预测 | 3d紫云涧专家预测推荐 | 3d今天开机号和试机号322 | 3d最准一个独胆方法 | 3d万能三码中奖秘诀 | 今日3d一句定三码最准和值谜 | 3d十位走势图带连线图表专业版 | 3d今日号码推荐 | 于海滨3d杀码 | 3d预测最准确的专家预测软件 | 福彩3D独胆下期预测 | 3d白娘子跨度字谜汇总今天牛彩网 | 3d近100期开奖结果全部 | 今晚3d的开奖号码 | 3d专家预测最准确最新今天牛彩 | 千禧3d试机号金码关注码对应码 | 3d316期太湖字谜 | 3d专家预测最新 | 3d结果开奖号码今晚 | 3d陈华今晚就赌一胆o11预测 | 3d今天精准一注 | 排五预测号专家 | 3d最精准的专家预测精选 | 3d专家预测汇总牛彩网收集汇总 | 3d今晚精准一注 | 今于海滨3d预测今天单线联系 | 今晚3d专家推荐重点号码 | 快8今晚最毒胆推荐 | 福彩3D独胆明日推荐 | 3d廊坊鸿运 | 3d跨度走势图图表 | 最准3d预测专家推荐号 | 3d专家预测最准确今天南方双彩网 | 福彩3D独胆专家杀号 | 3d八哥图库总汇d字谜图谜总汇大全 | 3d预测最准最新准专家预测 | 3d推荐专家汇总 | 3d最精准的专家预测 | 3d之家独胆,双胆 | 3d于海滨预测预测牛彩网 | 千禧试机号关注金码是什么 | 张克永专家3d预测 | 今天3d字谜解太湖字谜 | 李明启3d今晚预测专栏 | 福彩3D独胆最新预测 | 于海滨3d最新预测 | 3d今晚专家预测最准确一注 | 3d最准的预测专家 | 今晚3d直选推荐 | 3d和值尾振幅走势图3d之家 | 3d推荐号今晚专家预测 | 我是毒胆王,今晚独胆 | 3d太湖钓叟字谜汇总正版藏机图 | 3d杀码图谜| 三字诀太湖三字诀字谜 | 3d万能大底共250注直选 | 3d今晚开奖号码结果是多少 | 3d每期必中27注 | 千禧试机号关注号金码是什么 | 十拿九稳今天预测专家 | 最准一个毒胆 | 今晚预测3d号 | 3d预测总汇手机牛彩网 | 3d今晚专家预测推荐 | 福彩3D独胆内部杀号 | 龙头凤尾最准确预测 | 小红人的三天计划最新版 | 中国福彩3D独胆实时推荐 | 3d专家预测更准确今天 | 3d和值基本走势图表 | 3d走势图带试机号彩宝网 | 3d钱王老头给胆点评 | 3d专家预测最准最新今天 | 排三专家杀码 | 今日3d一句定三码最准和值谜 | 3d毒胆| 3d最精准的专家预测 | 3d独胆专家推荐独胆 | 3d专家预测最准确最新今天牛彩 | 3d试机号开机号关注号金码 | 钱王点评十钱王老头给胆 | 专家推荐最热一注是什么 | 3d专家预测号码推荐今天 | 3d钱王点评 | 3d百位个位和值走势图 | 3d今晚专家预测最准确一注 | 3d专家预测最准确 | 3d字谜图谜总汇全图汇总 | 今天3d中奖 | 今日期3d太湖字谜 | 3d任意两码差值尾走势图 | 3d最准确预测100%一注 | 3d开机号试机号奖号 | 3d今天中了多少注直选 | 于海滨专家预测 | 今于海滨3d预测今天牛彩网 | 今天最新3d开机号试机号 | 3d今晚十大专家预测汇总 | 3d开奖号走势图表 | 3d独胆专家推荐独胆 | 小财神三天计划独胆 | 3d今晚专家预测推荐 | 今日3d预测专家推荐 | 3d于海滨杀码图 | 今晚3d专家推荐号码是多少 | 3d双胆独胆非常非常稳定 | 3d今晚最准专家预测号码145 | 3d独胆专家推荐独胆 | 3d必出规律胆 | 今晚3d专家预测精选一注 | 3d试机号金码号是多少 | 3d马前屁解太湖字谜 | 3d正版藏机图天齐网汇总 | 3d字谜图谜总汇全图汇总 | 陈华3d今晚就赌一个胆 | 3d今晚预测最新最准确号码牛彩网 | 3d直选综合走势图 | 唐龙3d预测号 | 3d预测专家推荐最新 | 3d和值和尾走势图带连线图表 | 开奖结果3d今天晚上 | 于海滨海3d预测牛彩网 | 3d专家预测最准确今天南方双彩网 | 3d最新最准预测号码今天 | 今日3d藏机图正版藏机图310 | 千禧今晚3d试机号关注码金码对应 | 3d今日开机号和试机号及关注码 | 3d今天专家预测号码 | 解3d字谜太湖钓叟汇总 | 3d太湖钓叟字谜三字诀乐彩论坛 | 今日正版藏机图全部汇总 | 3d今晚一注| 3d开机号和试机号金码关注 | 3d杀码公式最新 | 于海滨3d最新预测 | 3d预测最准最新准专家预测号码 | 3d预测专家最准确的专家预测昨天 | 3d今晚最佳和值 | 3d预测最准专家预测牛彩网 | 3d紫云涧专家预测推荐 | 3d专家推荐精选号码 | 3d打一个独胆中了多少钱 | 福彩3D独胆大神精准预测 | 于海滨海3d预测保真 | 3d专家预测最准确最新今晚预测 | 3d结果开奖号码今晚 | 3d专家推荐最精准的号码 | 3d今日正版藏机图最新更新内容 | 3d试机号开机号今天查询排五 | 福彩3D独胆下期分析 | 7号电池最建议买的三个型号 | 3d独胆专家推荐独胆 | 【独胆真准】3d | 解今日太湖3d字谜 | 3d预测专家推荐最准确 | 中国福彩3D独胆下期分析最新 | 于海滨海3d最新预测 | 千禧3d试机号金码关注码对应码 | 3d专家预测最准确今天 | 3d北斗专家北斗预测今天079期3d | 3d今晚预测最准确一注 | 3d最精准专家预测汇总今天 | 3d十个位差值振幅走势图3d之家 | 3d中2个号多少钱 | 3d十位走势图带连线图表专业版 | 最新3d预测专家预测 | 今晚3d开奖直选结果 | 3d今晚专家预测重点号码 | 福彩3D独胆最新必中 | 3d军长独胆定位 |